значение магнитной индукции
70206
Проводник с током 42 А имеет форму двух полуокружностей радиусами 44 см и 7 см, соединенных между собой прямолинейными проводниками и имеющих общий центр. Определить максимальное значение магнитной индукции в центре полуокружности.
70206
Проводник с током 42 А имеет форму двух полуокружностей радиусами 44 см и 7 см, соединенных между собой прямолинейными проводниками и имеющих общий центр. Определить максимальное значение магнитной индукции в центре полуокружности.
12021
На расстоянии r = 10 нм от траектории прямолинейно движущегося электрона максимальное значение магнитной индукции Вmax = 160 мкТл. Определить скорость v электрона.
12818
На расстоянии 76 нм от траектории прямолинейно движущегося электрона максимальное значение магнитной индукции равно 311 нТл. Определить скорость электрон.
12923
На расстоянии 118 нм от траектории прямолинейно движущегося электрона максимальное значение магнитной индукции 655 нТл. Определить скорость электрона.
15669
Линейный ток I окружен проводящей цилиндрической оболочкой с внутренним радиусом R1 и внешним R2, по которой с однородной плотностью течет ток I, но в другую сторону. Найти распределение магнитной индукции в этой системе (рассчитать и построить на графике соответствующие значения внутри и вне токоведущей оболочки).
18103
Сердечник трансформатора выполнен из стали с плотностью 7,7 г/см3 и имеет массу 2 кг. Амплитудное значение магнитной индукции 2,1 Тл, относительная магнитная проницаемость стали μ = 200. Найти максимальное значение энергии, запасаемой в сердечнике, при намагничивании его синусоидальным током.
22347Проводник длиной L, по которому течет ток I помещен в магнитное поле с индукцией B. Под действием силы Ампера F
A он перемещается на расстояние Х, при этом поле совершает работу А. (I

B) Определите значение величины, обозначенной "?".
| Вариант | 4 |
| L, см | 5 |
| I, А | 0,5 |
| B, Тл | 1,2 |
| FA, Н | ? |
| X, см | ? |
| A, Дж | 0,02 |
22348Проводник длиной L и массой m, по которому течет ток I помещен в магнитное поле с индукцией В. Проводник подвешен на невесомых нитях. Натяжение нитей равно нулю. Определите значение величины, обозначенной "?".
| Вариант | 4 |
| L, см | 50 |
| m, г | 20 |
| I, А | 2 |
| B, Тл | ? |
| Напр. тока | ? |
| Напр. ВМИ | к нам |
23184Магнитный поток Ф, сцепленный с проводящим контуром, изменяется по закону Ф = B∙S∙cos(2πt/T–π/2). По какому закону будет изменяться ЭДС индукции ε
инд, наводимая в этом контуре? Укажите номер соответствующего графика. Поясните свой выбор.

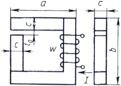
0346tВ магнитной цепи МДС катушки равна I
w. Материал магнитопровода — электротехническая сталь. В левом стержне магнитопровода имеется воздушный зазор длиной ℓ
0. Определить магнитную индукцию в воздушном зазоре при двух значениях длины воздушного зазора: 1 и 2 мм.
а = 90 мм; b= 120 мм; c= 30 мм; I
w= 750 А.

0347tВ магнитной цепи МДС катушки равна I
w. Материал магнитопровода — электротехническая сталь. В левом стержне магнитопровода имеется воздушный зазор длиной ℓ
0. Определить магнитную индукцию в воздушном зазоре при двух значениях длины воздушного зазора: 1 и 2 мм.
а = 120 мм; b= 160 мм; c= 40 мм; I
w= 800 А.

0348tВ магнитной цепи МДС катушки равна I
w. Материал магнитопровода — электротехническая сталь. В левом стержне магнитопровода имеется воздушный зазор длиной ℓ
0. Определить магнитную индукцию в воздушном зазоре при двух значениях длины воздушного зазора: 1 и 2 мм.
а = 90 мм; b= 120 мм; c= 30 мм; I
w= 750 А.

0349tВ магнитной цепи МДС катушки равна I
w. Материал магнитопровода — электротехническая сталь. В левом стержне магнитопровода имеется воздушный зазор длиной ℓ
0. Определить магнитную индукцию в воздушном зазоре при двух значениях длины воздушного зазора: 1 и 2 мм.
а = 150 мм; b= 180 мм; c= 45 мм; I
w= 850 А.

0350tВ магнитной цепи МДС катушки равна I
w. Материал магнитопровода — электротехническая сталь. В левом стержне магнитопровода имеется воздушный зазор длиной ℓ
0. Определить магнитную индукцию в воздушном зазоре при двух значениях длины воздушного зазора: 1 и 2 мм.
а = 160 мм; b= 220 мм; c= 55 мм; I
w= 950 А.

0351tВ магнитной цепи МДС катушки равна I
w. Материал магнитопровода — электротехническая сталь. В левом стержне магнитопровода имеется воздушный зазор длиной ℓ
0. Определить магнитную индукцию в воздушном зазоре при двух значениях длины воздушного зазора: 1 и 2 мм.
а = 180 мм; b= 240 мм; c= 60 мм; I
w= 1000 А.

0352tВ магнитной цепи МДС катушки равна I
w. Материал магнитопровода — электротехническая сталь. В левом стержне магнитопровода имеется воздушный зазор длиной ℓ
0. Определить магнитную индукцию в воздушном зазоре при двух значениях длины воздушного зазора: 1 и 2 мм.
а = 190 мм; b= 260 мм; c= 65 мм; I
w= 2050 А.

0353tВ магнитной цепи МДС катушки равна I
w. Материал магнитопровода — электротехническая сталь. В левом стержне магнитопровода имеется воздушный зазор длиной ℓ
0. Определить магнитную индукцию в воздушном зазоре при двух значениях длины воздушного зазора: 1 и 2 мм.
а = 210 мм; b= 280 мм; c= 70 мм; I
w= 1100 А.

0354tВ магнитной цепи МДС катушки равна I
w. Материал магнитопровода — электротехническая сталь. В левом стержне магнитопровода имеется воздушный зазор длиной ℓ
0. Определить магнитную индукцию в воздушном зазоре при двух значениях длины воздушного зазора: 1 и 2 мм.
а = 220 мм; b= 300 мм; c= 75 мм; I
w= 1100 А.

0355tВ магнитной цепи МДС катушки равна I
w. Материал магнитопровода — электротехническая сталь. В левом стержне магнитопровода имеется воздушный зазор длиной ℓ
0. Определить магнитную индукцию в воздушном зазоре при двух значениях длины воздушного зазора: 1 и 2 мм.
а = 240 мм; b= 320 мм; c= 80 мм; I
w= 1100 А.

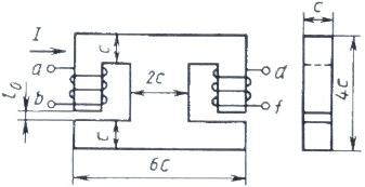
0356tВ магнитной цепи катушки имеют одинаковое число витков. Материал магнитопровода — электротехническая сталь. Длины воздушных зазоров ℓ
0=1 мм. При соединении между собой зажимов b и f и питании цепи катушек постоянным напряжением магнитная индукция в воздушных зазорах равна В
0. Определить значение магнитной индукции в воздушных зазорах, если при сохранении прежней МДС соединить с зажимом b вместо зажима f зажим d.
ℓ
0 = 1 мм; c= 30 мм; В
0 = 0,5 Тл.

0357tВ магнитной цепи катушки имеют одинаковое число витков. Материал магнитопровода — электротехническая сталь. Длины воздушных зазоров ℓ
0=1 мм. При соединении между собой зажимов b и f и питании цепи катушек постоянным напряжением магнитная индукция в воздушных зазорах равна В
0. Определить значение магнитной индукции в воздушных зазорах, если при сохранении прежней МДС соединить с зажимом b вместо зажима f зажим d.
ℓ
0 = 1 мм; c= 40 мм; В
0 = 0,6 Тл.

0358tВ магнитной цепи катушки имеют одинаковое число витков. Материал магнитопровода — электротехническая сталь. Длины воздушных зазоров ℓ
0=1 мм. При соединении между собой зажимов b и f и питании цепи катушек постоянным напряжением магнитная индукция в воздушных зазорах равна В
0. Определить значение магнитной индукции в воздушных зазорах, если при сохранении прежней МДС соединить с зажимом b вместо зажима f зажим d.
ℓ
0 = 1 мм; c= 45 мм; В
0 = 0,7 Тл.

0359tВ магнитной цепи катушки имеют одинаковое число витков. Материал магнитопровода — электротехническая сталь. Длины воздушных зазоров ℓ
0=1 мм. При соединении между собой зажимов b и f и питании цепи катушек постоянным напряжением магнитная индукция в воздушных зазорах равна В
0. Определить значение магнитной индукции в воздушных зазорах, если при сохранении прежней МДС соединить с зажимом b вместо зажима f зажим d.
ℓ
0 = 1 мм; c= 50 мм; В
0 = 0,8 Тл.

0360tВ магнитной цепи катушки имеют одинаковое число витков. Материал магнитопровода — электротехническая сталь. Длины воздушных зазоров ℓ
0=1 мм. При соединении между собой зажимов b и f и питании цепи катушек постоянным напряжением магнитная индукция в воздушных зазорах равна В
0. Определить значение магнитной индукции в воздушных зазорах, если при сохранении прежней МДС соединить с зажимом b вместо зажима f зажим d.
ℓ
0 = 1 мм; c= 55 мм; В
0 = 0,9 Тл.

0361tВ магнитной цепи катушки имеют одинаковое число витков. Материал магнитопровода — электротехническая сталь. Длины воздушных зазоров ℓ
0=1 мм. При соединении между собой зажимов b и f и питании цепи катушек постоянным напряжением магнитная индукция в воздушных зазорах равна В
0. Определить значение магнитной индукции в воздушных зазорах, если при сохранении прежней МДС соединить с зажимом b вместо зажима f зажим d.
ℓ
0 = 1 мм; c= 60 мм; В
0 = 1 Тл.

0362tВ магнитной цепи катушки имеют одинаковое число витков. Материал магнитопровода — электротехническая сталь. Длины воздушных зазоров ℓ
0=1 мм. При соединении между собой зажимов b и f и питании цепи катушек постоянным напряжением магнитная индукция в воздушных зазорах равна В
0. Определить значение магнитной индукции в воздушных зазорах, если при сохранении прежней МДС соединить с зажимом b вместо зажима f зажим d.
ℓ
0 = 1 мм; c= 65 мм; В
0 = 1,1 Тл.

0363tВ магнитной цепи катушки имеют одинаковое число витков. Материал магнитопровода — электротехническая сталь. Длины воздушных зазоров ℓ
0=1 мм. При соединении между собой зажимов b и f и питании цепи катушек постоянным напряжением магнитная индукция в воздушных зазорах равна В
0. Определить значение магнитной индукции в воздушных зазорах, если при сохранении прежней МДС соединить с зажимом b вместо зажима f зажим d.
ℓ
0 = 1 мм; c= 70 мм; В
0 = 1,2 Тл.

0364tВ магнитной цепи катушки имеют одинаковое число витков. Материал магнитопровода — электротехническая сталь. Длины воздушных зазоров ℓ
0=1 мм. При соединении между собой зажимов b и f и питании цепи катушек постоянным напряжением магнитная индукция в воздушных зазорах равна В
0. Определить значение магнитной индукции в воздушных зазорах, если при сохранении прежней МДС соединить с зажимом b вместо зажима f зажим d.
ℓ
0 = 1 мм; c= 75 мм; В
0 = 1,25 Тл.

0365tВ магнитной цепи катушки имеют одинаковое число витков. Материал магнитопровода — электротехническая сталь. Длины воздушных зазоров ℓ
0=1 мм. При соединении между собой зажимов b и f и питании цепи катушек постоянным напряжением магнитная индукция в воздушных зазорах равна В
0. Определить значение магнитной индукции в воздушных зазорах, если при сохранении прежней МДС соединить с зажимом b вместо зажима f зажим d.
ℓ
0 = 1 мм; c= 80 мм; В
0 = 1,3 Тл.
