свободной поверхности жидкости
0001gОпределить давление р
0 на свободной поверхности жидкости Ж в закрытом резервуаре, если показатели U-образного манометра h
1, h
2, и h
3. Манометр присоединен на глубине h
4 от свободной поверхности жидкости.

γ = 7300 Н/м
3 — удельный вес бензина
h
1 = 750 мм = 0,75 м
h
2 = 340 мм = 0,34 м
h
3 = 600 мм = 0,6 м
h
4 = 450 мм = 0,45 м
0002gОпределить давление р
0 на свободной поверхности жидкости Ж в закрытом резервуаре, если показатели U-образного манометра h
1, h
2, и h
3. Манометр присоединен на глубине h
4 от свободной поверхности жидкости.

γ = 9790 Н/м
3 — удельный вес воды
h
1 = 700 мм = 0,7 м
h
2 = 380 мм = 0,38 м
h
3 = 550 мм = 0,55 м
h
4 = 580 мм = 0,58 м
0003gОпределить давление р
0 на свободной поверхности жидкости Ж в закрытом резервуаре, если показатели U-образного манометра h
1, h
2, и h
3. Манометр присоединен на глубине h
4 от свободной поверхности жидкости.

γ = 12260 Н/м
3 — удельный вес глицерина
h
1 = 650 мм = 0,65 м
h
2 = 410 мм = 0,41 м
h
3 = 500 мм = 0,5 м
h
4 = 340 мм = 0,34 м
0004gОпределить давление р
0 на свободной поверхности жидкости Ж в закрытом резервуаре, если показатели U-образного манометра h
1, h
2, и h
3. Манометр присоединен на глубине h
4 от свободной поверхности жидкости.

γ = 8675 Н/м
3 — удельный вес мин. масла
h
1 = 600 мм = 0,6 м
h
2 = 350 мм = 0,35 м
h
3 = 420 мм = 0,42 м
h
4 = 600 мм = 0,6 м
0005gОпределить давление р
0 на свободной поверхности жидкости Ж в закрытом резервуаре, если показатели U-образного манометра h
1, h
2, и h
3. Манометр присоединен на глубине h
4 от свободной поверхности жидкости.

γ = 9790 Н/м
3 — удельный вес воды
h
1 = 660 мм = 0,66 м
h
2 = 320 мм = 0,32 м
h
3 = 440 мм = 0,44 м
h
4 = 500 мм = 0,5 м
0006gОпределить давление р
0 на свободной поверхности жидкости Ж в закрытом резервуаре, если показатели U-образного манометра h
1, h
2, и h
3. Манометр присоединен на глубине h
4 от свободной поверхности жидкости.

γ = 7300 Н/м
3 — удельный вес бензина
h
1 = 710 мм = 0,71 м
h
2 = 300 мм = 0,3 м
h
3 = 400 мм = 0,4 м
h
4 = 550 мм = 0,55 м
0007gОпределить давление р
0 на свободной поверхности жидкости Ж в закрытом резервуаре, если показатели U-образного манометра h
1, h
2, и h
3. Манометр присоединен на глубине h
4 от свободной поверхности жидкости.

γ = 8110 Н/м
3 — удельный вес керосина
h
1 = 780 мм = 0,78 м
h
2 = 350 мм = 0,35 м
h
3 = 500 мм = 0,5 м
h
4 = 450 мм = 0,45 м
0008gОпределить давление р
0 на свободной поверхности жидкости Ж в закрытом резервуаре, если показатели U-образного манометра h
1, h
2, и h
3. Манометр присоединен на глубине h
4 от свободной поверхности жидкости.

γ = 8675 Н/м
3 — удельный вес мин. масла
h
1 = 820 мм = 0,82 м
h
2 = 420 мм = 0,42 м
h
3 = 640 мм = 0,64 м
h
4 = 300 мм = 0,3 м
0009gОпределить давление р
0 на свободной поверхности жидкости Ж в закрытом резервуаре, если показатели U-образного манометра h
1, h
2, и h
3. Манометр присоединен на глубине h
4 от свободной поверхности жидкости.

γ = 12260 Н/м
3 — удельный вес глицерина
h
1 = 680 мм = 0,68 м
h
2 = 400 мм = 0,4 м
h
3 = 530 мм = 0,53 м
h
4 = 520 мм = 0,52 м
0010gОпределить давление р
0 на свободной поверхности жидкости Ж в закрытом резервуаре, если показатели U-образного манометра h
1, h
2, и h
3. Манометр присоединен на глубине h
4 от свободной поверхности жидкости.

γ = 8110 Н/м
3 — удельный вес керосина
h
1 = 800 мм = 0,8 м
h
2 = 430 мм = 0,43 м
h
3 = 520 мм = 0,52 м
h
4 = 400 мм = 0,4 м
0011gВ резервуар диаметром D залито W
1 м
3 минерального масла. В нижней части резервуара находится трансформаторное масло. Показание пьезометра, подключенного в точке А на глубине h
2 от поверхности раздела масел, h
p. Определить абсолютное давление р
0 на свободной поверхности жидкости и показания манометра М.

γ
1 = 8675 Н/м
3 — удельный вес минерального масла γ
2 = 8915 Н/м
3 — удельный вес трансформаторного масла
W
1 = 1,5 м
3D = 1,4 м
h
2 = 0,8 м
h
ρ = 2,1 м
р
атм = 98070 Н/м
2.
0012gВ резервуар диаметром D залито W
1 м
3 минерального масла. В нижней части резервуара находится трансформаторное масло. Показание пьезометра, подключенного в точке А на глубине h
2 от поверхности раздела масел, h
p. Определить абсолютное давление р
0 на свободной поверхности жидкости и показания манометра М.

γ
1 = 8675 Н/м
3 — удельный вес минерального масла
γ
2 = 8915 Н/м
3 — удельный вес трансформаторного масла
W
1 = 1,6 м
3D = 1,3 м
h
2 = 0,6 м
h
ρ = 2,2 м
р
атм = 98070 Н/м
2.
0013gВ резервуар диаметром D залито W
1 м
3 минерального масла. В нижней части резервуара находится трансформаторное масло. Показание пьезометра, подключенного в точке А на глубине h
2 от поверхности раздела масел, h
p. Определить абсолютное давление р
0 на свободной поверхности жидкости и показания манометра М.

γ
1 = 8675 Н/м
3 — удельный вес минерального масла
γ
2 = 8915 Н/м
3 — удельный вес трансформаторного масла
W
1 = 1,8 м
3D = 1,5 м
h
2 = 0,5 м
h
ρ = 2,3 м
р
атм = 98070 Н/м
2.
0014gВ резервуар диаметром D залито W
1 м
3 минерального масла. В нижней части резервуара находится трансформаторное масло. Показание пьезометра, подключенного в точке А на глубине h
2 от поверхности раздела масел, h
p. Определить абсолютное давление р
0 на свободной поверхности жидкости и показания манометра М.

γ
1 = 8675 Н/м
3 — удельный вес минерального масла
γ
2 = 8915 Н/м
3 — удельный вес трансформаторного масла
W
1 = 1,9 м
3D = 1,4 м
h
2 = 0,4 м
h
ρ = 2,4 м
р
атм = 98070 Н/м
2.
0015gВ резервуар диаметром D залито W
1 м
3 минерального масла. В нижней части резервуара находится трансформаторное масло. Показание пьезометра, подключенного в точке А на глубине h
2 от поверхности раздела масел, h
p. Определить абсолютное давление р
0 на свободной поверхности жидкости и показания манометра М.

γ
1 = 8675 Н/м
3 — удельный вес минерального масла
γ
2 = 8915 Н/м
3 — удельный вес трансформаторного масла
W
1 = 1,7 м
3D = 1,2 м
h
2 = 0,9 м
h
ρ = 2,9 м
р
атм = 98070 Н/м
2.
0016gВ резервуар диаметром D залито W
1 м
3 минерального масла. В нижней части резервуара находится трансформаторное масло. Показание пьезометра, подключенного в точке А на глубине h
2 от поверхности раздела масел, h
p. Определить абсолютное давление р
0 на свободной поверхности жидкости и показания манометра М.

γ
1 = 8675 Н/м
3 — удельный вес минерального масла
γ
2 = 8915 Н/м
3 — удельный вес трансформаторного масла
W
1 = 1,6 м
3D = 1,3 м
h
2 = 1 м
h
ρ = 2,8 м
р
атм = 98070 Н/м
2.
0017gВ резервуар диаметром D залито W
1 м
3 минерального масла. В нижней части резервуара находится трансформаторное масло. Показание пьезометра, подключенного в точке А на глубине h
2 от поверхности раздела масел, h
p. Определить абсолютное давление р
0 на свободной поверхности жидкости и показания манометра М.

γ
1 = 8675 Н/м
3 — удельный вес минерального масла
γ
2 = 8915 Н/м
3 — удельный вес трансформаторного масла
W
1 = 1,5 м
3D = 1,1 м
h
2 = 1,1 м
h
ρ = 2,7 м
р
атм = 98070 Н/м
2.
0018gВ резервуар диаметром D залито W
1 м
3 минерального масла. В нижней части резервуара находится трансформаторное масло. Показание пьезометра, подключенного в точке А на глубине h
2 от поверхности раздела масел, h
p. Определить абсолютное давление р
0 на свободной поверхности жидкости и показания манометра М.

γ
1 = 8675 Н/м
3 — удельный вес минерального масла
γ
2 = 8915 Н/м
3 — удельный вес трансформаторного масла
W
1 = 1,4 м
3D = 1,2 м
h
2 = 1,2 м
h
ρ = 2,6 м
р
атм = 98070 Н/м
2.
0019gВ резервуар диаметром D залито W
1 м
3 минерального масла. В нижней части резервуара находится трансформаторное масло. Показание пьезометра, подключенного в точке А на глубине h
2 от поверхности раздела масел, h
p. Определить абсолютное давление р
0 на свободной поверхности жидкости и показания манометра М.

γ
1 = 8675 Н/м
3 — удельный вес минерального масла
γ
2 = 8915 Н/м
3 — удельный вес трансформаторного масла
W
1 = 1,3 м
3D = 1,5 м
h
2 = 1,3 м
h
ρ = 2,5 м
р
атм = 98070 Н/м
2.
0020gВ резервуар диаметром D залито W
1 м
3 минерального масла. В нижней части резервуара находится трансформаторное масло. Показание пьезометра, подключенного в точке А на глубине h
2 от поверхности раздела масел, h
p. Определить абсолютное давление р
0 на свободной поверхности жидкости и показания манометра М.

γ
1 = 8675 Н/м
3 — удельный вес минерального масла
γ
2 = 8915 Н/м
3 — удельный вес трансформаторного масла
W
1 = 1 м
3D = 1 м
h
2 = 0,7 м
h
ρ = 2 м
р
атм = 98070 Н/м
2.
0081gВ прямоугольном закрытом резервуаре находится жидкость Ж. Ширина резервуара "a", длина "b", глубина жидкости в резервуаре h. Определить силы избыточного (манометрического) давления жидкости на боковые стенки резервуара и координаты центра давления. Давление на свободной поверхности р
0.

γ = 8830 Н/м
3 — удельный вес нефти
a = 1,1 м
b = 2,1 м
h = 2,3 м
p
0 = 1,2 атм. = 1,2·10
5 Па
0082gВ прямоугольном закрытом резервуаре находится жидкость Ж. Ширина резервуара "a", длина "b", глубина жидкости в резервуаре h. Определить силы избыточного (манометрического) давления жидкости на боковые стенки резервуара и координаты центра давления. Давление на свободной поверхности р
0.

γ = 8830 Н/м
3 — удельный вес нефти
a = 1,1 м
b = 2,1 м
h = 2,3 м
p
0 = 1,2 атм. = 1,2·10
5 Па
0083gВ прямоугольном закрытом резервуаре находится жидкость Ж. Ширина резервуара "a", длина "b", глубина жидкости в резервуаре h. Определить силы избыточного (манометрического) давления жидкости на боковые стенки резервуара и координаты центра давления. Давление на свободной поверхности р
0.

γ = 8830 Н/м
3 — удельный вес нефти
a = 1,1 м
b = 2,1 м
h = 2,3 м
p
0 = 1,2 атм. = 1,2·10
5 Па
0084gВ прямоугольном закрытом резервуаре находится жидкость Ж. Ширина резервуара "a", длина "b", глубина жидкости в резервуаре h. Определить силы избыточного (манометрического) давления жидкости на боковые стенки резервуара и координаты центра давления. Давление на свободной поверхности р
0.

γ = 8830 Н/м
3 — удельный вес нефти
a = 1,1 м
b = 2,1 м
h = 2,3 м
p
0 = 1,2 атм. = 1,2·10
5 Па
0085gВ прямоугольном закрытом резервуаре находится жидкость Ж. Ширина резервуара "a", длина "b", глубина жидкости в резервуаре h. Определить силы избыточного (манометрического) давления жидкости на боковые стенки резервуара и координаты центра давления. Давление на свободной поверхности р
0.

γ = 8830 Н/м
3 — удельный вес нефти
a = 1,1 м
b = 2,1 м
h = 2,3 м
p
0 = 1,2 атм. = 1,2·10
5 Па
0086gВ прямоугольном закрытом резервуаре находится жидкость Ж. Ширина резервуара "a", длина "b", глубина жидкости в резервуаре h. Определить силы избыточного (манометрического) давления жидкости на боковые стенки резервуара и координаты центра давления. Давление на свободной поверхности р
0.

γ = 8830 Н/м
3 — удельный вес нефти
a = 1,1 м
b = 2,1 м
h = 2,3 м
p
0 = 1,2 атм. = 1,2·10
5 Па
0087gВ прямоугольном закрытом резервуаре находится жидкость Ж. Ширина резервуара "a", длина "b", глубина жидкости в резервуаре h. Определить силы избыточного (манометрического) давления жидкости на боковые стенки резервуара и координаты центра давления. Давление на свободной поверхности р
0.

γ = 8830 Н/м
3 — удельный вес нефти
a = 1,1 м
b = 2,1 м
h = 2,3 м
p
0 = 1,2 атм. = 1,2·10
5 Па
0088gВ прямоугольном закрытом резервуаре находится жидкость Ж. Ширина резервуара "a", длина "b", глубина жидкости в резервуаре h. Определить силы избыточного (манометрического) давления жидкости на боковые стенки резервуара и координаты центра давления. Давление на свободной поверхности р
0.

γ = 8830 Н/м
3 — удельный вес нефти
a = 1,1 м
b = 2,1 м
h = 2,3 м
p
0 = 1,2 атм. = 1,2·10
5 Па
0089gВ прямоугольном закрытом резервуаре находится жидкость Ж. Ширина резервуара "a", длина "b", глубина жидкости в резервуаре h. Определить силы избыточного (манометрического) давления жидкости на боковые стенки резервуара и координаты центра давления. Давление на свободной поверхности р
0.

γ = 8830 Н/м
3 — удельный вес нефти
a = 1,1 м
b = 2,1 м
h = 2,3 м
p
0 = 1,2 атм. = 1,2·10
5 Па
0090gВ прямоугольном закрытом резервуаре находится жидкость Ж. Ширина резервуара "a", длина "b", глубина жидкости в резервуаре h. Определить силы избыточного (манометрического) давления жидкости на боковые стенки резервуара и координаты центра давления. Давление на свободной поверхности р
0.

γ = 8830 Н/м
3 — удельный вес нефти
a = 1,1 м
b = 2,1 м
h = 2,3 м
p
0 = 1,2 атм. = 1,2·10
5 Па
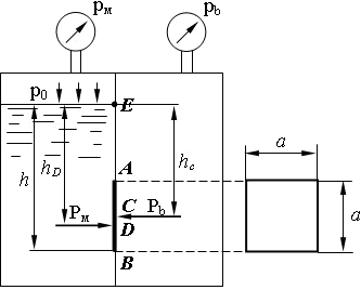
0111gЗакрытый резервуар разделен на две части плоской перегородкой, в которой есть квадратное отверстие со стороной "а". Отверстие закрыто крышкой АВ. Давление на свободной поверхности жидкости Ж в левому отсеке резервуара р
м. В правом отсеке - давление воздуха р
b. Определить величину и точку приложения равнодействующей силы давления на крышку, если известна глубина h погружения точки B.

γ = 7300 Н/м
3 — удельный вес бензина
p
м = 0,09 МПа = 90000 Па
р
b = 0,02 МПа = 20000 Па
a = 300 мм = 0,3 м
h = 1100 мм = 1,1 м
0112gЗакрытый резервуар разделен на две части плоской перегородкой, в которой есть квадратное отверстие со стороной "а". Отверстие закрыто крышкой АВ. Давление на свободной поверхности жидкости Ж в левому отсеке резервуара р
м. В правом отсеке - давление воздуха р
b. Определить величину и точку приложения равнодействующей силы давления на крышку, если известна глубина h погружения точки B.

γ = 8110 Н/м
3 — удельный вес керосина
p
м = 0,07 МПа = 70000 Па
р
b = 0,03 МПа = 30000 Па
a = 400 мм = 0,4 м
h = 1200 мм = 1,2 м
0113gЗакрытый резервуар разделен на две части плоской перегородкой, в которой есть квадратное отверстие со стороной "а". Отверстие закрыто крышкой АВ. Давление на свободной поверхности жидкости Ж в левому отсеке резервуара р
м. В правом отсеке - давление воздуха р
b. Определить величину и точку приложения равнодействующей силы давления на крышку, если известна глубина h погружения точки B.

γ = 8915 Н/м
3 — удельный вес масла трансформ.
p
м = 0,08 МПа = 80000 Па
р
b = 0,01 МПа = 10000 Па
a = 500 мм = 0,5 м
h = 800 мм = 0,8 м
0114gЗакрытый резервуар разделен на две части плоской перегородкой, в которой есть квадратное отверстие со стороной "а". Отверстие закрыто крышкой АВ. Давление на свободной поверхности жидкости Ж в левому отсеке резервуара р
м. В правом отсеке - давление воздуха р
b. Определить величину и точку приложения равнодействующей силы давления на крышку, если известна глубина h погружения точки B.

γ = 8915 Н/м
3 — удельный вес масла турбинного
p
м = 0,08 МПа = 80000 Па
р
b = 0,01 МПа = 10000 Па
a = 500 мм = 0,5 м
h = 800 мм = 0,8 м
0115gЗакрытый резервуар разделен на две части плоской перегородкой, в которой есть квадратное отверстие со стороной "а". Отверстие закрыто крышкой АВ. Давление на свободной поверхности жидкости Ж в левому отсеке резервуара р
м. В правом отсеке - давление воздуха р
b. Определить величину и точку приложения равнодействующей силы давления на крышку, если известна глубина h погружения точки B.

γ = 9790 Н/м
3 — удельный вес воды
p
м = 0,09 МПа = 90000 Па
р
b = 0,03 МПа = 30000 Па
a = 600 мм = 0,6 м
h = 1400 мм = 1,4 м
0116gЗакрытый резервуар разделен на две части плоской перегородкой, в которой есть квадратное отверстие со стороной "а". Отверстие закрыто крышкой АВ. Давление на свободной поверхности жидкости Ж в левому отсеке резервуара р
м. В правом отсеке - давление воздуха р
b. Определить величину и точку приложения равнодействующей силы давления на крышку, если известна глубина h погружения точки B.

γ = 12260 Н/м
3 — удельный вес глицерина
p
м = 0,1 МПа = 100000 Па
р
b = 0,03 МПа = 30000 Па
a = 300 мм = 0,3 м
h = 1100 мм = 1,1 м
0117gЗакрытый резервуар разделен на две части плоской перегородкой, в которой есть квадратное отверстие со стороной "а". Отверстие закрыто крышкой АВ. Давление на свободной поверхности жидкости Ж в левому отсеке резервуара р
м. В правом отсеке - давление воздуха р
b. Определить величину и точку приложения равнодействующей силы давления на крышку, если известна глубина h погружения точки B.

γ = 8830 Н/м
3 — удельный вес нефти
p
м = 0,04 МПа = 40000 Па
р
b = 0,01 МПа = 10000 Па
a = 400 мм = 0,4 м
h = 1200 мм = 1,2 м
0118gЗакрытый резервуар разделен на две части плоской перегородкой, в которой есть квадратное отверстие со стороной "а". Отверстие закрыто крышкой АВ. Давление на свободной поверхности жидкости Ж в левому отсеке резервуара р
м. В правом отсеке - давление воздуха р
b. Определить величину и точку приложения равнодействующей силы давления на крышку, если известна глубина h погружения точки B.

γ = 7300 Н/м
3 — удельный вес бензина
p
м = 0,1 МПа = 100000 Па
р
b = 0,04 МПа = 40000 Па
a = 500 мм = 0,5 м
h = 1300 мм = 1,3 м
0119gЗакрытый резервуар разделен на две части плоской перегородкой, в которой есть квадратное отверстие со стороной "а". Отверстие закрыто крышкой АВ. Давление на свободной поверхности жидкости Ж в левому отсеке резервуара р
м. В правом отсеке - давление воздуха р
b. Определить величину и точку приложения равнодействующей силы давления на крышку, если известна глубина h погружения точки B.

γ = 8110 Н/м
3 — удельный вес бензина
p
м = 0,05 МПа = 50000 Па
р
b = 0,02 МПа = 20000 Па
a = 200 мм = 0,2 м
h = 1200 мм = 1,2 м
0120gЗакрытый резервуар разделен на две части плоской перегородкой, в которой есть квадратное отверстие со стороной "а". Отверстие закрыто крышкой АВ. Давление на свободной поверхности жидкости Ж в левому отсеке резервуара р
м. В правом отсеке - давление воздуха р
b. Определить величину и точку приложения равнодействующей силы давления на крышку, если известна глубина h погружения точки B.

γ = 9790 Н/м
3 — удельный вес воды
p
м = 0,08 МПа = 80000 Па
р
b = 0,01 МПа = 10000 Па
a = 200 мм = 0,2 м
h = 1000 мм = 1 м