силу тока короткого замыкания
60366
При замыкании аккумуляторной батареи на резистор сопротивлением 9 Ом в цепи идет ток силой 1 А. Сила тока короткого замыкания равна 10 А. Какую наибольшую полезную мощность может дать батарея?
26531
Определить ток короткого замыкания Ікз аккумуляторной батареи, если при токе І1 = 5 А нагрузка потребляет мощность P1 = 30 Вт, а при токе І2 = 10 А — мощность P1 = 40 Вт.
26644
Через аккумулятор в конце зарядки течет ток I1 = 4 A. При этом напряжение на его клеммах U1 = 25 B. При разрядке того же аккумулятора током I2 = 6 A напряжение на его клеммах U2 = 20 B. Найти ток короткого замыкания.
11203
Определить ток короткого замыкания аккумулятора, если при токе 4 А он отдает во внешнюю цепь 7,2 Вт, а при токе 6 А отдает в ту же цепь 9,6 Вт.
11950
ЭДС батареи аккумуляторов ε = 12 В, сила тока I короткого замыкания равна 5 А. Какую наибольшую мощность Рmax можно получить во внешней цепи, соединенной с такой батареей?
20531
Амперметр с внутренним сопротивлением Ra = 5 Ом, подключенной к зажимам батареи, показывает ток I = 10 А. Вольтметр с внутренним сопротивлением Rb = 300 Ом, подключенной к зажимам такой же батареи, показывает напряжение U = 60 В. Найти ток короткого замыкания батареи. Изобразить электрическую схему подключения для данной задачи.
21109
Определите ток короткого замыкания для источника ЭДС, если при силе тока в 5 А полезная мощность равна 300 Вт, а при силе тока 1 А — полезная мощность равна 100 Вт.
21592
Определить силу тока короткого замыкания для аккумуляторной батареи, если при токе нагрузки 5А она отдает во внешнюю цепь мощность 9,5 Вт, а при токе нагрузки в 8 А — 14,4 Вт. Какую наибольшую мощность можно получить во внешней цепи?
21803
Амперметр с внутренним сопротивлением RA = 2 Ом, подключенный к зажимам батареи, показывает ток IA = 5 А. Вольтметр с внутренним сопротивлением RV = 150 Ом, подключенный к зажимам такой же батареи, показывает UV = 12 В. Найти ток короткого замыкания Iкз батареи.
22642
При замыкании элемента на сопротивление 1,8 Ом в цепи идет ток 0,7 А, при замыкании на сопротивление 2,3 Ом ток в цепи равен 0,56 А. Определить ток короткого замыкания.
23912
При подключении к гальванической батареи резистора сопротивлением 4 Ом сила тока в цепи равна 0,2 А, а при подключении резистора сопротивлением 7 Ом — сила тока 0,14 А. Определить ток короткого замыкания.
10277
Шины генератора длиной l = 4 м находятся на расстоянии d = 10 см друг от друга. Найти силу взаимного отталкивания шин при коротком замыкании, если ток Iк.з. короткого замыкания равен 5 кА.
0416t
Трехфазный трансформатор характеризуют следующие номинальные величины: мощность Sн; высшее (первичное) линейное напряжение U1н; низшее (вторичное) линейное напряжение U2н; КПД ηн. Процентное значение напряжения короткого замыкания uк%; мощность потерь короткого замыкания Рк.н (при токах в обмотках, равных номинальным). Схема соединения обмоток Y/Δ.
Определить: а) номинальные токи в обмотках трансформатора; б) фазные напряжения обмоток при холостом ходе; в) коэффициент трансформации фазных напряжений; г) мощность потерь холостого хода при cosφ2=1; д) активную и реактивную составляющие напряжения короткого замыкания; е) процентное изменение вторичного напряжения при номинальной нагрузке и значениях угла φ2 в пределах от –90° до +90°; ж) КПД трансформатора при коэффициенте загрузки 0,25; 0,5 и cosφ2=0,8. Построить в общей системе координатных осей кривые U2(I2) при cos φ2=0,8.
Sн = 20 кВ∙А; U1н = 6 кВ; U2н = 400 В; ηн = 96,2 %; Рк.н = 600 Вт; uк = 5,5 %; β = 0,25; 0,5.
0417t
Трехфазный трансформатор характеризуют следующие номинальные величины: мощность Sн; высшее (первичное) линейное напряжение U1н; низшее (вторичное) линейное напряжение U2н; КПД ηн. Процентное значение напряжения короткого замыкания uк%; мощность потерь короткого замыкания Рк.н (при токах в обмотках, равных номинальным). Схема соединения обмоток Y/Δ.
Определить: а) номинальные токи в обмотках трансформатора; б) фазные напряжения обмоток при холостом ходе; в) коэффициент трансформации фазных напряжений; г) мощность потерь холостого хода при cosφ2=1; д) активную и реактивную составляющие напряжения короткого замыкания; е) процентное изменение вторичного напряжения при номинальной нагрузке и значениях угла φ2 в пределах от –90° до +90°; ж) КПД трансформатора при коэффициенте загрузки 0,25; 0,5 и cosφ2=0,8. Построить в общей системе координатных осей кривые U2(I2) при cos φ2=0,8.
Sн = 20 кВ∙А; U1н = 10 кВ; U2н = 400 В; ηн = 96 %; Рк.н = 600 Вт; uк = 5,5 %; β = 0,25; 0,5.
0418t
Трехфазный трансформатор характеризуют следующие номинальные величины: мощность Sн; высшее (первичное) линейное напряжение U1н; низшее (вторичное) линейное напряжение U2н; КПД ηн. Процентное значение напряжения короткого замыкания uк%; мощность потерь короткого замыкания Рк.н (при токах в обмотках, равных номинальным). Схема соединения обмоток Y/Δ.
Определить: а) номинальные токи в обмотках трансформатора; б) фазные напряжения обмоток при холостом ходе; в) коэффициент трансформации фазных напряжений; г) мощность потерь холостого хода при cosφ2=1; д) активную и реактивную составляющие напряжения короткого замыкания; е) процентное изменение вторичного напряжения при номинальной нагрузке и значениях угла φ2 в пределах от –90° до +90°; ж) КПД трансформатора при коэффициенте загрузки 0,25; 0,5 и cosφ2=0,8. Построить в общей системе координатных осей кривые U2(I2) при cos φ2=0,8.
Sн = 30 кВ∙А; U1н = 6 кВ; U2н = 400 В; ηн = 96,5 %; Рк.н = 850 Вт; uк = 5,5 %; β = 0,25; 0,5.
0419t
Трехфазный трансформатор характеризуют следующие номинальные величины: мощность Sн; высшее (первичное) линейное напряжение U1н; низшее (вторичное) линейное напряжение U2н; КПД ηн. Процентное значение напряжения короткого замыкания uк%; мощность потерь короткого замыкания Рк.н (при токах в обмотках, равных номинальным). Схема соединения обмоток Y/Δ.
Определить: а) номинальные токи в обмотках трансформатора; б) фазные напряжения обмоток при холостом ходе; в) коэффициент трансформации фазных напряжений; г) мощность потерь холостого хода при cosφ2=1; д) активную и реактивную составляющие напряжения короткого замыкания; е) процентное изменение вторичного напряжения при номинальной нагрузке и значениях угла φ2 в пределах от –90° до +90°; ж) КПД трансформатора при коэффициенте загрузки 0,25; 0,5 и cosφ2=0,8. Построить в общей системе координатных осей кривые U2(I2) при cos φ2=0,8.
Sн = 30 кВ∙А; U1н = 10 кВ; U2н = 400 В; ηн = 93,3 %; Рк.н = 850 Вт; uк = 5,5 %; β = 0,25; 0,5.
0420t
Трехфазный трансформатор характеризуют следующие номинальные величины: мощность Sн; высшее (первичное) линейное напряжение U1н; низшее (вторичное) линейное напряжение U2н; КПД ηн. Процентное значение напряжения короткого замыкания uк%; мощность потерь короткого замыкания Рк.н (при токах в обмотках, равных номинальным). Схема соединения обмоток Y/Δ.
Определить: а) номинальные токи в обмотках трансформатора; б) фазные напряжения обмоток при холостом ходе; в) коэффициент трансформации фазных напряжений; г) мощность потерь холостого хода при cosφ2=1; д) активную и реактивную составляющие напряжения короткого замыкания; е) процентное изменение вторичного напряжения при номинальной нагрузке и значениях угла φ2 в пределах от –90° до +90°; ж) КПД трансформатора при коэффициенте загрузки 0,25; 0,5 и cosφ2=0,8. Построить в общей системе координатных осей кривые U2(I2) при cos φ2=0,8.
Sн = 50 кВ∙А; U1н = 6 кВ; U2н = 525 В; ηн = 96,7 %; Рк.н = 1325 Вт; uк = 5,5 %; β = 0,25; 0,5.
0421t
Трехфазный трансформатор характеризуют следующие номинальные величины: мощность Sн; высшее (первичное) линейное напряжение U1н; низшее (вторичное) линейное напряжение U2н; КПД ηн. Процентное значение напряжения короткого замыкания uк%; мощность потерь короткого замыкания Рк.н (при токах в обмотках, равных номинальным). Схема соединения обмоток Y/Δ.
Определить: а) номинальные токи в обмотках трансформатора; б) фазные напряжения обмоток при холостом ходе; в) коэффициент трансформации фазных напряжений; г) мощность потерь холостого хода при cosφ2=1; д) активную и реактивную составляющие напряжения короткого замыкания; е) процентное изменение вторичного напряжения при номинальной нагрузке и значениях угла φ2 в пределах от –90° до +90°; ж) КПД трансформатора при коэффициенте загрузки 0,25; 0,5 и cosφ2=0,8. Построить в общей системе координатных осей кривые U2(I2) при cos φ2=0,8.
Sн = 50 кВ∙А; U1н = 10 кВ; U2н = 400 В; ηн = 96 %; Рк.н = 1325 Вт; uк = 5,5 %; β = 0,25; 0,5.
0422t
Трехфазный трансформатор характеризуют следующие номинальные величины: мощность Sн; высшее (первичное) линейное напряжение U1н; низшее (вторичное) линейное напряжение U2н; КПД ηн. Процентное значение напряжения короткого замыкания uк%; мощность потерь короткого замыкания Рк.н (при токах в обмотках, равных номинальным). Схема соединения обмоток Y/Δ.
Определить: а) номинальные токи в обмотках трансформатора; б) фазные напряжения обмоток при холостом ходе; в) коэффициент трансформации фазных напряжений; г) мощность потерь холостого хода при cosφ2=1; д) активную и реактивную составляющие напряжения короткого замыкания; е) процентное изменение вторичного напряжения при номинальной нагрузке и значениях угла φ2 в пределах от –90° до +90°; ж) КПД трансформатора при коэффициенте загрузки 0,25; 0,5 и cosφ2=0,8. Построить в общей системе координатных осей кривые U2(I2) при cos φ2=0,8.
Sн = 100 кВ∙А; U1н = 6 кВ; U2н = 525 В; ηн = 98 %; Рк.н = 2400 Вт; uк = 5,5 %; β = 0,25; 0,5.
0423t
Трехфазный трансформатор характеризуют следующие номинальные величины: мощность Sн; высшее (первичное) линейное напряжение U1н; низшее (вторичное) линейное напряжение U2н; КПД ηн. Процентное значение напряжения короткого замыкания uк%; мощность потерь короткого замыкания Рк.н (при токах в обмотках, равных номинальным). Схема соединения обмоток Y/Δ.
Определить: а) номинальные токи в обмотках трансформатора; б) фазные напряжения обмоток при холостом ходе; в) коэффициент трансформации фазных напряжений; г) мощность потерь холостого хода при cosφ2=1; д) активную и реактивную составляющие напряжения короткого замыкания; е) процентное изменение вторичного напряжения при номинальной нагрузке и значениях угла φ2 в пределах от –90° до +90°; ж) КПД трансформатора при коэффициенте загрузки 0,25; 0,5 и cosφ2=0,8. Построить в общей системе координатных осей кривые U2(I2) при cos φ2=0,8.
Sн = 100 кВ∙А; U1н = 10 кВ; U2н = 400 В; ηн = 97 %; Рк.н = 2400 Вт; uк = 5,5 %; β = 0,25; 0,5.
0424t
Трехфазный трансформатор характеризуют следующие номинальные величины: мощность Sн; высшее (первичное) линейное напряжение U1н; низшее (вторичное) линейное напряжение U2н; КПД ηн. Процентное значение напряжения короткого замыкания uк%; мощность потерь короткого замыкания Рк.н (при токах в обмотках, равных номинальным). Схема соединения обмоток Y/Δ.
Определить: а) номинальные токи в обмотках трансформатора; б) фазные напряжения обмоток при холостом ходе; в) коэффициент трансформации фазных напряжений; г) мощность потерь холостого хода при cosφ2=1; д) активную и реактивную составляющие напряжения короткого замыкания; е) процентное изменение вторичного напряжения при номинальной нагрузке и значениях угла φ2 в пределах от –90° до +90°; ж) КПД трансформатора при коэффициенте загрузки 0,25; 0,5 и cosφ2=0,8. Построить в общей системе координатных осей кривые U2(I2) при cos φ2=0,8.
Sн = 180 кВ∙А; U1н = 6 кВ; U2н = 525 В; ηн = 97,3 %; Рк.н = 4000 Вт; uк = 5,5 %; β = 0,25; 0,5.
0425t
Трехфазный трансформатор характеризуют следующие номинальные величины: мощность Sн; высшее (первичное) линейное напряжение U1н; низшее (вторичное) линейное напряжение U2н; КПД ηн. Процентное значение напряжения короткого замыкания uк%; мощность потерь короткого замыкания Рк.н (при токах в обмотках, равных номинальным). Схема соединения обмоток Y/Δ.
Определить: а) номинальные токи в обмотках трансформатора; б) фазные напряжения обмоток при холостом ходе; в) коэффициент трансформации фазных напряжений; г) мощность потерь холостого хода при cosφ2=1; д) активную и реактивную составляющие напряжения короткого замыкания; е) процентное изменение вторичного напряжения при номинальной нагрузке и значениях угла φ2 в пределах от –90° до +90°; ж) КПД трансформатора при коэффициенте загрузки 0,25; 0,5 и cosφ2=0,8. Построить в общей системе координатных осей кривые U2(I2) при cos φ2=0,8.
Sн = 180 кВ∙А; U1н = 10 кВ; U2н = 525 В; ηн = 97 %; Рк.н = 4100 Вт; uк = 5,5 %; β = 0,25; 0,5.
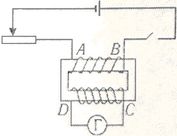
26777Будет ли показывать ток гальванометр при
замыкании ключа? Если да, то какое направление будет иметь ток на участке DC?
