расход высота жидкости
0161gЖидкость вытекает из резервуара в атмосферу при напоре Н горизонтальным трубопроводом диаметром d и длиной
l. Определить расход Q и высоту жидкости в пьезометре h, который установлен на расстоянии 0,6
l от резервуара. Коэффициент гидравлического трения λ = 0,035, Σξ
г = 0,5.

Н = 8 м
d = 50 мм = 0,05м
l = 12 м
λ = 0,035
Σξ
г= 0,5
0162gЖидкость вытекает из резервуара в атмосферу при напоре Н горизонтальным трубопроводом диаметром d и длиной
l. Определить расход Q и высоту жидкости в пьезометре h, который установлен на расстоянии 0,6
l от резервуара. Коэффициент гидравлического трения λ = 0,035, Σξ
г = 0,5.

Н = 10 м
d = 40 мм = 0,04м
l = 14 м
λ = 0,035
Σξ
г= 0,5
0163gЖидкость вытекает из резервуара в атмосферу при напоре Н горизонтальным трубопроводом диаметром d и длиной
l. Определить расход Q и высоту жидкости в пьезометре h, который установлен на расстоянии 0,6
l от резервуара. Коэффициент гидравлического трения λ = 0,035, Σξ
г = 0,5.

Н = 7 м
d = 30 мм = 0,03м
l = 16 м
λ = 0,035
Σξ
г= 0,5
0164gЖидкость вытекает из резервуара в атмосферу при напоре Н горизонтальным трубопроводом диаметром d и длиной
l. Определить расход Q и высоту жидкости в пьезометре h, который установлен на расстоянии 0,6
l от резервуара. Коэффициент гидравлического трения λ = 0,035, Σξ
г = 0,5.

Н = 6 м
d = 25 мм = 0,03м
l = 15 м
λ = 0,035
Σξ
г= 0,5
0165gЖидкость вытекает из резервуара в атмосферу при напоре Н горизонтальным трубопроводом диаметром d и длиной
l. Определить расход Q и высоту жидкости в пьезометре h, который установлен на расстоянии 0,6
l от резервуара. Коэффициент гидравлического трения λ = 0,035, Σξ
г = 0,5.

Н = 8 м
d = 25 мм = 0,03м
l = 20 м
λ = 0,035
Σξ
г= 0,5
0166gЖидкость вытекает из резервуара в атмосферу при напоре Н горизонтальным трубопроводом диаметром d и длиной
l. Определить расход Q и высоту жидкости в пьезометре h, который установлен на расстоянии 0,6
l от резервуара. Коэффициент гидравлического трения λ = 0,035, Σξ
г = 0,5.

Н = 9 м
d = 30 мм = 0,03м
l = 19 м
λ = 0,035
Σξ
г= 0,5
0167gЖидкость вытекает из резервуара в атмосферу при напоре Н горизонтальным трубопроводом диаметром d и длиной
l. Определить расход Q и высоту жидкости в пьезометре h, который установлен на расстоянии 0,6
l от резервуара. Коэффициент гидравлического трения λ = 0,035, Σξ
г = 0,5.

Н = 7 м
d = 40 мм = 0,04м
l = 17 м
λ = 0,035
Σξ
г= 0,5
0168gЖидкость вытекает из резервуара в атмосферу при напоре Н горизонтальным трубопроводом диаметром d и длиной
l. Определить расход Q и высоту жидкости в пьезометре h, который установлен на расстоянии 0,6
l от резервуара. Коэффициент гидравлического трения λ = 0,035, Σξ
г = 0,5.

Н = 10 м
d = 50 мм = 0,05м
l = 16 м
λ = 0,035
Σξ
г= 0,5
0169gЖидкость вытекает из резервуара в атмосферу при напоре Н горизонтальным трубопроводом диаметром d и длиной
l. Определить расход Q и высоту жидкости в пьезометре h, который установлен на расстоянии 0,6
l от резервуара. Коэффициент гидравлического трения λ = 0,035, Σξ
г = 0,5.

Н = 8 м
d = 40 мм = 0,04м
l = 14 м
λ = 0,035
Σξ
г= 0,5
0170gЖидкость вытекает из резервуара в атмосферу при напоре Н горизонтальным трубопроводом диаметром d и длиной
l. Определить расход Q и высоту жидкости в пьезометре h, который установлен на расстоянии 0,6
l от резервуара. Коэффициент гидравлического трения λ = 0,035, Σξ
г = 0,5.

Н = 9 м
d = 30 мм = 0,03м
l = 18 м
λ = 0,035
Σξ
г= 0,5
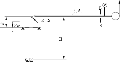
0294gЦентробежный насос, перекачивающий жидкость при температуре 20°C, развивает подачу Q. Определить допустимую высоту всасывания h
в, если длина всасывающего трубопровода
l, диаметр d, эквивалентная шероховатость Δ
е, коэффициент сопротивления обратного клапана Ζ
к, а показания вакуумметра на превышали р
l.
Необходимо построить пьезометрическую и напорную линии.

Ж — вода
Q = 2,3л/c = 0,0023м
3/c
Н = 7,1м
l = 14м
Δ
е = 0,03мм = 0,00003
р
l = 63кПа = 63000Па
d = 32мм = 0,032м
Ζ
к = 7,2
t = 20°C
0295gЦентробежный насос, перекачивающий жидкость при температуре 20°C, развивает подачу Q. Определить допустимую высоту всасывания h
в, если длина всасывающего трубопровода
l, диаметр d, эквивалентная шероховатость Δ
е, коэффициент сопротивления обратного клапана Ζ
к, а показания вакуумметра на превышали р
l.
Необходимо построить пьезометрическую и напорную линии.

Ж — бензин
Q = 2,6л/c = 0,0026м
3/c
Н = 2,8м
l = 12,6м
Δ
е = 0,05мм = 0,00005
р
l = 66,2кПа = 66200Па
d = 50мм = 0,05м
Ζ
к = 6,8
t = 20°C
0296gЦентробежный насос, перекачивающий жидкость при температуре 20°C, развивает подачу Q. Определить допустимую высоту всасывания h
в, если длина всасывающего трубопровода
l, диаметр d, эквивалентная шероховатость Δ
е, коэффициент сопротивления обратного клапана Ζ
к, а показания вакуумметра на превышали р
l.
Необходимо построить пьезометрическую и напорную линии.

Ж — диз. топливо
Q = 3,1л/c = 0,0031м
3/c
Н = 3,2м
l = 13,3м
Δ
е = 0,06мм = 0,00006
р
l = 69кПа = 69000Па
d = 40мм = 0,04м
Ζ
к = 6,6
t = 20°C
0297gЦентробежный насос, перекачивающий жидкость при температуре 20°C, развивает подачу Q. Определить допустимую высоту всасывания h
в, если длина всасывающего трубопровода
l, диаметр d, эквивалентная шероховатость Δ
е, коэффициент сопротивления обратного клапана Ζ
к, а показания вакуумметра на превышали р
l.
Необходимо построить пьезометрическую и напорную линии.

Ж — нефть
Q = 3,4л/c = 0,0034м
3/c
Н = 4,6м
l = 13,7м
Δ
е = 0,07мм = 0,00007
р
l = 73кПа = 73000Па
d = 50мм = 0,05м
Ζ
к = 6,5
t = 20°C
0298gЦентробежный насос, перекачивающий жидкость при температуре 20°C, развивает подачу Q. Определить допустимую высоту всасывания h
в, если длина всасывающего трубопровода
l, диаметр d, эквивалентная шероховатость Δ
е, коэффициент сопротивления обратного клапана Ζ
к, а показания вакуумметра на превышали р
l.
Необходимо построить пьезометрическую и напорную линии.

Ж — керосин Т-2
Q = 1,9л/c = 0,0019м
3/c
Н = 4,8м
l = 14,1м
Δ
е = 0,12мм = 0,00012
р
l = 75,6кПа = 75600Па
d = 40мм = 0,04м
Ζ
к = 7,4
t = 20°C
0299gЦентробежный насос, перекачивающий жидкость при температуре 20°C, развивает подачу Q. Определить допустимую высоту всасывания h
в, если длина всасывающего трубопровода
l, диаметр d, эквивалентная шероховатость Δ
е, коэффициент сопротивления обратного клапана Ζ
к, а показания вакуумметра на превышали р
l.
Необходимо построить пьезометрическую и напорную линии.

Ж — нефть
Q = 2,1л/c = 0,0021м
3/c
Н = 5м
l = 14,8м
Δ
е = 0,045мм = 0,000045
р
l = 79кПа = 79000Па
d = 32мм = 0,032м
Ζ
к = 7,7
t = 20°C