резервуар заполнен водой
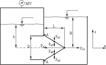
0271gКруглое отверстие между двумя резервуарами закрыто конической крышкой с размерами D и L. Закрытый резервуар заполнен водой, а открытый — жидкостью Ж. В закрытом резервуаре сверху присоединен мановакуумметр MV, который показывает манометрическое давление p
m или вакуум p
в. Температуры жидкостей 20°C, глубины h и H. Определить силу, срезающую болты А, и горизонтальную силу, действующую на крышку. Силой тяжести пренебречь. Векторы сил показать на схеме.

Ж — бензин
D = 750мм = 0,75м
L = 510мм = 0,51м
h = 2,4м
H = 3,2м
р
м = 0кПа = 0Па
t = 20°C
0272gКруглое отверстие между двумя резервуарами закрыто конической крышкой с размерами D и L. Закрытый резервуар заполнен водой, а открытый — жидкостью Ж. В закрытом резервуаре сверху присоединен мановакуумметр MV, который показывает манометрическое давление p
m или вакуум p
в. Температуры жидкостей 20°C, глубины h и H. Определить силу, срезающую болты А, и горизонтальную силу, действующую на крышку. Силой тяжести пренебречь. Векторы сил показать на схеме.

Ж — Керосин Т-1
D = 680мм = 0,68м
L = 590мм = 0,59м
h = 1,96м
H = 2,35м
р
м = 26,1кПа = 26100Па
t = 20°C
0273gКруглое отверстие между двумя резервуарами закрыто конической крышкой с размерами D и L. Закрытый резервуар заполнен водой, а открытый — жидкостью Ж. В закрытом резервуаре сверху присоединен мановакуумметр MV, который показывает манометрическое давление p
m или вакуум p
в. Температуры жидкостей 20°C, глубины h и H. Определить силу, срезающую болты А, и горизонтальную силу, действующую на крышку. Силой тяжести пренебречь. Векторы сил показать на схеме.

Ж — диз. топливо
D = 550мм = 0,55м
L = 480мм = 0,48м
h = 1,48м
H = 1,7м
р
м = 0кПа = 0Па
t = 20°C
0274gКруглое отверстие между двумя резервуарами закрыто конической крышкой с размерами D и L. Закрытый резервуар заполнен водой, а открытый — жидкостью Ж. В закрытом резервуаре сверху присоединен мановакуумметр MV, который показывает манометрическое давление p
m или вакуум p
в. Температуры жидкостей 20°C, глубины h и H. Определить силу, срезающую болты А, и горизонтальную силу, действующую на крышку. Силой тяжести пренебречь. Векторы сил показать на схеме.

Ж — глицерин
D = 500мм = 0,5м
L = 430мм = 0,43м
h = 2,1м
H = 2,6м
р
м = 23,9кПа = 23900Па
t = 20°C
0275gКруглое отверстие между двумя резервуарами закрыто конической крышкой с размерами D и L. Закрытый резервуар заполнен водой, а открытый — жидкостью Ж. В закрытом резервуаре сверху присоединен мановакуумметр MV, который показывает манометрическое давление p
m или вакуум p
в. Температуры жидкостей 20°C, глубины h и H. Определить силу, срезающую болты А, и горизонтальную силу, действующую на крышку. Силой тяжести пренебречь. Векторы сил показать на схеме.

Ж — бензин
D = 600мм = 0,6м
L = 510мм = 0,51м
h = 2,15м
H = 2,75м
р
м = 23,9кПа = 23900Па
t = 20°C
0276gКруглое отверстие между двумя резервуарами закрыто конической крышкой с размерами D и L. Закрытый резервуар заполнен водой, а открытый — жидкостью Ж. В закрытом резервуаре сверху присоединен мановакуумметр MV, который показывает манометрическое давление p
m или вакуум p
в. Температуры жидкостей 20°C, глубины h и H. Определить силу, срезающую болты А, и горизонтальную силу, действующую на крышку. Силой тяжести пренебречь. Векторы сил показать на схеме.

Ж — диз. топливо
D = 570мм = 0,57м
L = 490мм = 0,49м
h = 1,4м
H = 1,6м
р
м = 0кПа = 0Па
t = 20°C
0277gКруглое отверстие между двумя резервуарами закрыто конической крышкой с размерами D и L. Закрытый резервуар заполнен водой, а открытый — жидкостью Ж. В закрытом резервуаре сверху присоединен мановакуумметр MV, который показывает манометрическое давление p
m или вакуум p
в. Температуры жидкостей 20°C, глубины h и H. Определить силу, срезающую болты А, и горизонтальную силу, действующую на крышку. Силой тяжести пренебречь. Векторы сил показать на схеме.

Ж — нефть
D = 390мм = 0,39м
L = 330мм = 0,33м
h = 1,69м
H = 1,9м
р
м = 33,7кПа = 33700Па
t = 20°C
0278gКруглое отверстие между двумя резервуарами закрыто конической крышкой с размерами D и L. Закрытый резервуар заполнен водой, а открытый — жидкостью Ж. В закрытом резервуаре сверху присоединен мановакуумметр MV, который показывает манометрическое давление p
m или вакуум p
в. Температуры жидкостей 20°C, глубины h и H. Определить силу, срезающую болты А, и горизонтальную силу, действующую на крышку. Силой тяжести пренебречь. Векторы сил показать на схеме.

Ж — Керосин Т-2
D = 615мм = 0,615м
L = 550мм = 0,55м
h = 1,82м
H = 2,25м
р
м = 31,5кПа = 31500Па
t = 20°C
0279gКруглое отверстие между двумя резервуарами закрыто конической крышкой с размерами D и L. Закрытый резервуар заполнен водой, а открытый — жидкостью Ж. В закрытом резервуаре сверху присоединен мановакуумметр MV, который показывает манометрическое давление p
m или вакуум p
в. Температуры жидкостей 20°C, глубины h и H. Определить силу, срезающую болты А, и горизонтальную силу, действующую на крышку. Силой тяжести пренебречь. Векторы сил показать на схеме.

Ж — нефть легкая
D = 520мм = 0,52м
L = 940мм = 0,94м
h = 1,1м
H = 1,4м
р
м = 25,6кПа = 25600Па
t = 20°C
0280gКруглое отверстие между двумя резервуарами закрыто конической крышкой с размерами D и L. Закрытый резервуар заполнен водой, а открытый — жидкостью Ж. В закрытом резервуаре сверху присоединен мановакуумметр MV, который показывает манометрическое давление p
m или вакуум p
в. Температуры жидкостей 20°C, глубины h и H. Определить силу, срезающую болты А, и горизонтальную силу, действующую на крышку. Силой тяжести пренебречь. Векторы сил показать на схеме.

Ж — Керосин Т-2
D = 545мм = 0,545м
L = 860мм = 0,86м
h = 1,5м
H = 1,75м
р
м = 19,2кПа = 19200Па
t = 20°C
0313gКруглое отверстие между двумя резервуарами закрыто конической крышкой с размерами D и L. Закрытый резервуар заполнен водой, а открытый — жидкостью Ж. В закрытом резервуаре сверху присоединен мановакуумметр MV, который показывает манометрическое давление p
m или вакуум p
в. Температуры жидкостей 20°C, глубины h и H. Определить силу, срезающую болты А, и горизонтальную силу, действующую на крышку. Силой тяжести пренебречь. Векторы сил показать на схеме.

Ж — бензин
D = 880мм = 0,88м
L = 620мм = 0,62м
h = 1,6м
H = 1,85м
р
м = 31,3кПа = 31300Па
t = 20°C