элементов эдс с внутренним сопротивлением
13489
Даны четыре элемента с ЭДС ε = 1,5 В и внутренним сопротивлением r = 0,2 Ом. Как нужно соединить эти элементы, чтобы получить от собранной батареи наибольшую силу тока во внешней цепи, имеющей сопротивление R = 0,2 Ом? Определите максимальную силу тока.
60003
Если к элементу с ε = 1,44 В и внутренним сопротивлением 0,2 Ом присоединить амперметр, то он покажет 4,8 А. Что покажет амперметр, если его снабдить шунтом 0,15 Ом?
60545
ЭДС источника напряжения ξ = 6 В. Если внешнее сопротивление равно R = 1,1 Ом, то в цепи течет ток I = 3 А. Найти падение напряжения Ur на внутреннем сопротивлении элемента и это сопротивление r.
26277
Батарея из 50 последовательно соединенных элементов дает ток во внешнюю цепь, состоящую из железного провода длиной 20 км и с площадью сечения 3 мм2 и аппарата с сопротивлением 90 Ом. ЭДС и внутреннее сопротивление каждого из элементов равны 1,4 В и 0,4 Ом. Определить ток.
26431
Два элемента с ЭДС по 1,5 В внутренними сопротивлениями r1 = 3 Oм, r2 = 2 Ом соединяются последовательно и замыкаются на внешнее сопротивление. Каким должно быть внешнее сопротивление R, чтобы разность потенциалов на полюсах первого элемента равнялась нулю.
11741
Даны 12 элементов с ЭДС ε = 1,5 В и внутренним сопротивлением r = 0,4 Ом. Как нужно соединить эти элементы, чтобы получить от собранной из них батареи наибольшую силу тока во внешней цепи, имеющей сопротивление R = 0,3 Ом? Определить максимальную силу тока Imax.
12034
Два источника с различными ЭДС (ε1 = 1,0 В, ε2 = 2 В) и внутренними сопротивлениями (r1 = 0,5 Ом и r2 = 0,1 Ом) включены параллельно с внешним сопротивлением R. Определите значение этого сопротивления, если амперметр, включенный в цепь первого элемента, показывает 1,5 А. Сопротивление амперметра RA = 0,05 Ом.
12416
Батарея состоит из n = 8 последовательно соединенных элементов. ЭДС каждого ε = 1,9 В, внутреннее сопротивление r = 0,3 Ом. При каком токе полезная мощность батареи равна Р = 3 Вт? Определить наибольшую полезную мощность батареи.
13972
Две группы из трех последовательно соединенных элементов соединены параллельно. ЭДС каждого элемента равна 1,2 В, внутреннее сопротивление 1,5 Ом. Найти силу тока во внешней цепи.
16221
Найти разность потенциалов на зажимах двух элементов, включенных параллельно, одноименными полюсами, если их ЭДС ε1 = 3 В и ε2 = 2 В и внутренние сопротивления r1 = 2 Ом и r2 = 1 Ом.
16336
Элемент с ЭДС 1,1 В и внутренним сопротивлением 1 Ом замкнут на внешнее сопротивление 9 Ом. Найти: 1) силу тока в цепи; 2) падение потенциала во внешней цепи; 3) падение потенциала внутри элемента; 4) КПД источника.
16218
Какова разность потенциалов на зажимах элементов, включенных параллельно, если их ЭДС 1,4 В и 1,2 В, а внутренние сопротивления 0,6 Ом и 0,4 Ом.
21471Эдс элементов ε
1 = 2,1 В и ε
2 = 1,9 В, сопротивления R
1 = 45 Ом, R
2 = 10 Ом, R
3 = 10 Ом. Найти токи I
i во всех участках цепи.

21474Найти силу тока в цепи (рис. 18.24), если у каждого элемента ЭДС 2,2 В и внутреннее сопротивление 20,0 мОм, а R
1 = R
2 = 2,0 Ом, R
3 = 6,0 Ом, R
4 = 4,0 Ом и R
5 = 0,9 Ом.

22912Три гальванических элемента с ЭДС 1,3; 1,4 и 1,5 В и внутренним сопротивлением 0,3 Ом каждый соединены параллельно и замкнуты внешним сопротивлением 0,6 Ом (рис. 2.3). Определить силу тока в каждом элементе.

24067Два источника тока с одинаковыми ЭДС ε = ε
1 = ε
2 = 6 В и с внутренними сопротивлениями r
1 = 0,2 Ом и r
2 = 0,1 Ом соответственно подключены параллельно и замкнуты на внешнее сопротивление R = 2 Ом. Сопротивления вольтметра и амперметра R
V = 100 Ом и R
A = 0,2 Ом. Определить показания приборов и силы токов через каждый элемент по отдельности. Построить график изменения потенциала вдоль цепи.

24272
При подключении к батарее гальванических элементов резистора сила тока в цепи равна I1, напряжение на резисторе – U1, мощность тока во внешней цепи – P1. При подключении к этой же батарее другого резистора сила тока в цепи равна I2, напряжение на резисторе U2, мощность тока – P2. Определите ЭДС и внутреннее сопротивление батареи, а также значение величины U1. I1 = 3 А, P1 = 13,5 Вт, I2 = 4 А, U2 = 4 В, P2 = 16 Вт.
24510
Батарея составлена из трех последовательно соединенных элементов с ЭДС каждого 1,5 В и внутренним сопротивлением 0,5 Ом. Определить сопротивление нагрузки, падение напряжения на зажимах батареи и мощность нагрузки, если мощность, отдаваемая источником, Р = 2,25 Вт.
AGGelЛабораторная работа №1Активные и пассивные элементы в линейных электрических цепяхОтчет1. Собрана схема для снятия вольт-амперной характеристики источника постоянного напряжения рис.1.

2. Изменяя сопротивление резистора R, несколько раз измеряем ток в цепи и напряжение на резисторе. Результаты заносим в таблицу 1.
3. Вычисляем ЭДС и внутреннее сопротивление источник питания по формуле:
4. Строим вольт-амперную характеристику источника постоянного напряжения по данным таблицы 1.
5. Собрана схема для исследования последовательного соединения потребителей во время включения на постоянное напряжение рис.2.

6. Измеряем напряжение на каждом сопротивлении. Результаты заносим в таблицу 2.
7. Вычисляем сопротивления по закону Ома:
8. Собрана схема для исследования параллельного соединения потребителей во время включения на постоянное напряжение рис.3.

9. Результаты измерений заносим в таблицу 3.
10. Собрана схема для снятия вольт-амперной характеристики резистора, емкости и катушки индуктивности во время включения ее на синусоидальное напряжение.

11. Изменяя напряжение, измеряем несколько значений тока через резистор R в пределах от 0,1 до 1,0 А. Результаты заносим в таблицу 4.
12. Вместо резистора в схему включаем емкость и тоже, изменяя напряжение, измеряем несколько значений тока через С в пределах от 0,1 до 1,0 А. Результаты заносим в таблицу 4.
13. Вместо емкости в схему включаем катушку индуктивности и тоже, изменяя напряжение, измеряем несколько значений тока через L в пределах от 0,1 до 1,0 А. Результаты заносим в таблицу 4.
14. Строим вольт-амперные характеристики каждого пассивного элемента.
0003tВ цепи известны значения токов I
1, I
2, I
3 и сопротивлений R
1, R
2, R
3, R
4, R
5. Определить напряжение U на зажимах цепи, сопротивление R
x и ЭДС Е гальванического элемента.
I
1 = 2 A; I
2 = 1,5 A; I
3 = 1 A; R
1 = 2 Ом; R
2 = 2,5 Ом; R
3 = 2,5 Ом; R
4 = 3 Ом; R
5 = 6 Ом.

0005tВ цепи известны значения токов I
1, I
2, I
3 и сопротивлений R
1, R
2, R
3, R
4, R
5. Определить напряжение U на зажимах цепи, сопротивление R
x и ЭДС Е гальванического элемента.
I
1 = 2,6 A; I
2 = 2 A; I
3 = 1,4 A; R
1 = 2 Ом; R
2 = 1 Ом; R
3 = 4 Ом; R
4 = 4 Ом; R
5 = 7 Ом.

0006tВ цепи известны значения токов I
1, I
2, I
3 и сопротивлений R
1, R
2, R
3, R
4, R
5. Определить напряжение U на зажимах цепи, сопротивление R
x и ЭДС Е гальванического элемента.
I
1 = 2,4 A; I
2 = 1,5 A; I
3 = 1,1 A; R
1 = 3 Ом; R
2 = 2 Ом; R
3 = 4 Ом; R
4 = 2 Ом; R
5 = 5 Ом.

0008tВ цепи известны значения токов I
1, I
2, I
3 и сопротивлений R
1, R
2, R
3, R
4, R
5. Определить напряжение U на зажимах цепи, сопротивление R
x и ЭДС Е гальванического элемента.
I
1 = 2,8 A; I
2 = 2,5 A; I
3 = 1,7 A; R
1 = 3 Ом; R
2 = 4 Ом; R
3 = 2 Ом; R
4 = 3 Ом; R
5 = 6 Ом.

0009tВ цепи известны значения токов I
1, I
2, I
3 и сопротивлений R
1, R
2, R
3, R
4, R
5. Определить напряжение U на зажимах цепи, сопротивление R
x и ЭДС Е гальванического элемента.
I
1 = 3,1 A; I
2 = 3 A; I
3 = 1,9 A; R
1 = 3 Ом; R
2 = 4,5 Ом; R
3 = 1,5 Ом; R
4 = 3 Ом; R
5 = 6 Ом.

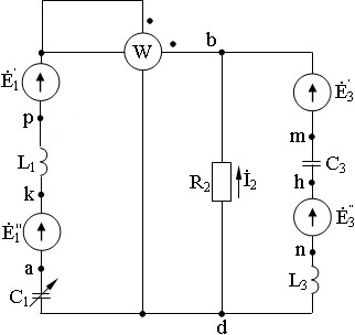
0614tСхему задачи 1.2 своего варианта представить как Т-схему пассивного четырехполюсника. С этой целью все источники ЭДС в схеме закоротить, а левую (первую) и правую (третью) ветви разомкнуть. Разомкнутые зажимы левой ветви обозначить 1—1' и считать их входными, а разомкнутые зажимы правой ветви обозначить 2—2' и считать их выходными. Сопротивления левой ветви обозначить Z
1, средней — Z
3, правой — Z
2. Для полученной схемы составить уравнения четырехполюсника в одной из матричных форм записи (A, Y, Z, H, G). Записать формулы для элементов матриц сначала в общем виде, а затем в числовом.
Схема к задаче 1.2.

Параметры схемы:
L
1 = 1,04мГн=0,00104Гн
L
3 = 2,64мГн=0,00264Гн
С
1 = 0,76мкФ= 0,76#&183;10
−6Ф
С
3 = 3,23
R
2 = 65 Ом
f = 2600 Гц
0615tСхему задачи 1.2 своего варианта представить как Т-схему пассивного четырехполюсника. С этой целью все источники ЭДС в схеме закоротить, а левую (первую) и правую (третью) ветви разомкнуть. Разомкнутые зажимы левой ветви обозначить 1—1' и считать их входными, а разомкнутые зажимы правой ветви обозначить 2—2' и считать их выходными. Сопротивления левой ветви обозначить Z
1, средней — Z
3, правой — Z
2. Для полученной схемы составить уравнения четырехполюсника в одной из матричных форм записи (A, Y, Z, H, G). Записать формулы для элементов матриц сначала в общем виде, а затем в числовом.
Схема к задаче 1.2.

Параметры схемы:
L
1 = 20,8мГн=0,0208Гн
L
3 = 2,94мГн=0,00294Гн
С
1 = 1,51мкФ= 1,51#&183;10
−6Ф
С
3 = ∞
R
2 = 65 Ом
f = 1300 Гц