внутренний диаметр трубы
24293
Насосная станция города поддерживает в водопроводе на уровне пола первого этажа избыточное над атмосферным давление Δp = 500 кПа. На третьем этаже в трубе образовалось отверстие диаметром d = 2 мм. Отверстие находится на высоте 10,2 м от уровня пола первого этажа. Какой объем воды выльется из отверстия за 10 мин?
24319Вдоль внутренней поверхности трубы диаметром D скользит цилиндрический поршень высотой Н. Зазор между поршнем и трубой равен d (d << D) и заполнен смазкой вязкостью η. Как изменится работа силы вязкого трения при перемещении поршня на расстояние L, если скорость перемещения увеличить в 2 раза?

24320Вдоль внутренней поверхности трубы диаметром D скользит цилиндрический поршень высотой Н. Зазор между поршнем и трубой равен d (d << D) и заполнен смазкой вязкостью η. На поршень действует постоянная сила. Как изменится ее мощность, если вязкость смазки уменьшить в 2 раза? Считать, что силе F противодействует только сила вязкого трения.

11652
В воду опущена на очень малую глубину стеклянная трубка с диаметром d внутреннего канала, равным 1 мм. Найти массу m вошедшей в трубку воды.
13890
В спирт опущена на небольшую глубину трубка диаметром внутреннего канала 0,5 мм. Определить массу спирта, поднявшегося по трубке, если краевой угол смачивания принять равным нулю.
10040
Какая работа А должна быть совершена при поднятии с земля материалов для постройки цилиндрической дымоходной трубы высотой h = 40 м, наружным диаметром D = 3,0 м и внутренним диаметром d = 2,0 м? Плотность материала ρ принять равной 2,8∙103 кг/м3.
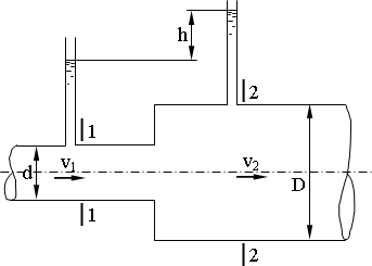
0191gПри внезапном расширении трубопровода скорость жидкости в трубопроводе большего диаметра ν
2. Отношение диаметров труб D/d = 2. Определить разность показаний пьезометров h.

ν
2 = 2,5 м/с
0192gПри внезапном расширении трубопровода скорость жидкости в трубопроводе большего диаметра ν
2. Отношение диаметров труб D/d = 2. Определить разность показаний пьезометров h.

ν
2 = 1,5 м/с
0193gПри внезапном расширении трубопровода скорость жидкости в трубопроводе большего диаметра ν
2. Отношение диаметров труб D/d = 2. Определить разность показаний пьезометров h.

ν
2 = 3 м/с
0194gПри внезапном расширении трубопровода скорость жидкости в трубопроводе большего диаметра ν
2. Отношение диаметров труб D/d = 2. Определить разность показаний пьезометров h.

ν
2 = 1,8 м/с
0195gПри внезапном расширении трубопровода скорость жидкости в трубопроводе большего диаметра ν
2. Отношение диаметров труб D/d = 2. Определить разность показаний пьезометров h.

ν
2 = 1,9 м/с
0196gПри внезапном расширении трубопровода скорость жидкости в трубопроводе большего диаметра ν
2. Отношение диаметров труб D/d = 2. Определить разность показаний пьезометров h.

ν
2 = 1,7 м/с
0197gПри внезапном расширении трубопровода скорость жидкости в трубопроводе большего диаметра ν
2. Отношение диаметров труб D/d = 2. Определить разность показаний пьезометров h.

ν
2 = 1,6 м/с
0198gПри внезапном расширении трубопровода скорость жидкости в трубопроводе большего диаметра ν
2. Отношение диаметров труб D/d = 2. Определить разность показаний пьезометров h.

ν
2 = 2,4 м/с
0199gПри внезапном расширении трубопровода скорость жидкости в трубопроводе большего диаметра ν
2. Отношение диаметров труб D/d = 2. Определить разность показаний пьезометров h.

ν
2 = 2,2 м/с
0200gПри внезапном расширении трубопровода скорость жидкости в трубопроводе большего диаметра ν
2. Отношение диаметров труб D/d = 2. Определить разность показаний пьезометров h.

ν
2 = 2 м/с