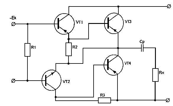
Розрахувати двотактовий безтрансфоматорний вихідний каскад
ANUelРозрахувати двотактовий безтрансфоматорний вихідний каскад, схема якого наведена на рис. 4. В усіх варіантах взяти F
в = 20000 Гц; М
в = 1,26; Т
окр_min … Т
окр_max = 10…40°С.
Вариант 1
Pвих = 3,6 Вт
Rн = 9 Ом
Fн = 70 Гц
Mн = 1,20

ANVelРозрахувати двотактовий безтрансфоматорний вихідний каскад, схема якого наведена на рис. 4. В усіх варіантах взяти F
в = 20000 Гц; М
в = 1,26; Т
окр_min … Т
окр_max = 10…40°С.
Вариант 2
Pвих = 2,0 Вт
Rн = 3 Ом
Fн = 90 Гц
Mн = 1,25

ANWelРозрахувати двотактовий безтрансфоматорний вихідний каскад, схема якого наведена на рис. 4. В усіх варіантах взяти F
в = 20000 Гц; М
в = 1,26; Т
окр_min … Т
окр_max = 10…40°С.
Вариант 3
Pвих = 6,0 Вт
Rн = 5 Ом
Fн = 100 Гц
Mн = 1,22

ANXelРозрахувати двотактовий безтрансфоматорний вихідний каскад, схема якого наведена на рис. 4. В усіх варіантах взяти F
в = 20000 Гц; М
в = 1,26; Т
окр_min … Т
окр_max = 10…40°С.
Вариант 4
Pвих = 4,0 Вт
Rн = 6 Ом
Fн = 110 Гц
Mн = 1,16

ANYelРозрахувати двотактовий безтрансфоматорний вихідний каскад, схема якого наведена на рис. 4. В усіх варіантах взяти F
в = 20000 Гц; М
в = 1,26; Т
окр_min … Т
окр_max = 10…40°С.
Вариант 5
Pвих = 1,8 Вт
Rн = 10 Ом
Fн = 50 Гц
Mн = 1,12

ANZelРозрахувати двотактовий безтрансфоматорний вихідний каскад, схема якого наведена на рис. 4. В усіх варіантах взяти F
в = 20000 Гц; М
в = 1,26; Т
окр_min … Т
окр_max = 10…40°С.
Вариант 6
Pвих = 5,0 Вт
Rн = 4 Ом
Fн = 120 Гц
Mн = 1,18

AOAelРозрахувати двотактовий безтрансфоматорний вихідний каскад, схема якого наведена на рис. 4. В усіх варіантах взяти F
в = 20000 Гц; М
в = 1,26; Т
окр_min … Т
окр_max = 10…40°С.
Вариант 7
Pвих = 1,0 Вт
Rн = 12 Ом
Fн = 140 Гц
Mн = 1,14

AOBelРозрахувати двотактовий безтрансфоматорний вихідний каскад, схема якого наведена на рис. 4. В усіх варіантах взяти F
в = 20000 Гц; М
в = 1,26; Т
окр_min … Т
окр_max = 10…40°С.
Вариант 8
Pвих = 2,0 Вт
Rн = 20 Ом
Fн = 160 Гц
Mн = 1,26

AOCelРозрахувати двотактовий безтрансфоматорний вихідний каскад, схема якого наведена на рис. 4. В усіх варіантах взяти F
в = 20000 Гц; М
в = 1,26; Т
окр_min … Т
окр_max = 10…40°С.
Вариант 9
Pвих = 3,0 Вт
Rн = 8 Ом
Fн = 180 Гц
Mн = 1,28

AODelРозрахувати двотактовий безтрансфоматорний вихідний каскад, схема якого наведена на рис. 4. В усіх варіантах взяти F
в = 20000 Гц; М
в = 1,26; Т
окр_min … Т
окр_max = 10…40°С.
Вариант 10
Pвих = 8,0 Вт
Rн = 4 Ом
Fн = 200 Гц
Mн = 1,30

AOEelРозрахувати двотактовий безтрансфоматорний вихідний каскад, схема якого наведена на рис. 4. В усіх варіантах взяти F
в = 20000 Гц; М
в = 1,26; Т
окр_min … Т
окр_max = 10…40°С.
Вариант 11
Pвих = 5,0 Вт
Rн = 10 Ом
Fн = 100 Гц
Mн = 1,12

AOFelРозрахувати двотактовий безтрансфоматорний вихідний каскад, схема якого наведена на рис. 4. В усіх варіантах взяти F
в = 20000 Гц; М
в = 1,26; Т
окр_min … Т
окр_max = 10…40°С.
Вариант 12
Pвих = 5,0 Вт
Rн = 10 Ом
Fн = 100 Гц
Mн = 1,12

AOGelРозрахувати двотактовий безтрансфоматорний вихідний каскад, схема якого наведена на рис. 4. В усіх варіантах взяти F
в = 20000 Гц; М
в = 1,26; Т
окр_min … Т
окр_max = 10…40°С.
Вариант 13
Pвих = 5,0 Вт
Rн = 12 Ом
Fн = 100 Гц
Mн = 1,15

AOHelРозрахувати двотактовий безтрансфоматорний вихідний каскад, схема якого наведена на рис. 4. В усіх варіантах взяти F
в = 20000 Гц; М
в = 1,26; Т
окр_min … Т
окр_max = 10…40°С.
Вариант 14
Pвих = 4,0 Вт
Rн = 13 Ом
Fн = 160 Гц
Mн = 1,15

AOIelРозрахувати двотактовий безтрансфоматорний вихідний каскад, схема якого наведена на рис. 4. В усіх варіантах взяти F
в = 20000 Гц; М
в = 1,26; Т
окр_min … Т
окр_max = 10…40°С.
Вариант 15
Pвих = 4,0 Вт
Rн = 14 Ом
Fн = 160 Гц
Mн = 1,15

AOJelРозрахувати двотактовий безтрансфоматорний вихідний каскад, схема якого наведена на рис. 4. В усіх варіантах взяти F
в = 20000 Гц; М
в = 1,26; Т
окр_min … Т
окр_max = 10…40°С.
Вариант 16
Pвих = 4,5 Вт
Rн = 15 Ом
Fн = 160 Гц
Mн = 1,20

AOKelРозрахувати двотактовий безтрансфоматорний вихідний каскад, схема якого наведена на рис. 4. В усіх варіантах взяти F
в = 20000 Гц; М
в = 1,26; Т
окр_min … Т
окр_max = 10…40°С.
Вариант 17
Pвих = 4,5 Вт
Rн = 16 Ом
Fн = 200 Гц
Mн = 1,20

AOLelРозрахувати двотактовий безтрансфоматорний вихідний каскад, схема якого наведена на рис. 4. В усіх варіантах взяти F
в = 20000 Гц; М
в = 1,26; Т
окр_min … Т
окр_max = 10…40°С.
Вариант 18
Pвих = 3,0 Вт
Rн = 17 Ом
Fн = 200 Гц
Mн = 1,20

AOMelРозрахувати двотактовий безтрансфоматорний вихідний каскад, схема якого наведена на рис. 4. В усіх варіантах взяти F
в = 20000 Гц; М
в = 1,26; Т
окр_min … Т
окр_max = 10…40°С.
Вариант 19
Pвих = 3,0 Вт
Rн = 18 Ом
Fн = 200 Гц
Mн = 1,25

AONelРозрахувати двотактовий безтрансфоматорний вихідний каскад, схема якого наведена на рис. 4. В усіх варіантах взяти F
в = 20000 Гц; М
в = 1,26; Т
окр_min … Т
окр_max = 10…40°С.
Вариант 20
Pвих = 3,5 Вт
Rн = 19 Ом
Fн = 120 Гц
Mн = 1,25

AOOelРозрахувати двотактовий безтрансфоматорний вихідний каскад, схема якого наведена на рис. 4. В усіх варіантах взяти F
в = 20000 Гц; М
в = 1,26; Т
окр_min … Т
окр_max = 10…40°С.
Вариант 21
Pвих = 3,5 Вт
Rн = 20 Ом
Fн = 120 Гц
Mн = 1,25

AOPelРозрахувати двотактовий безтрансфоматорний вихідний каскад, схема якого наведена на рис. 4. В усіх варіантах взяти F
в = 20000 Гц; М
в = 1,26; Т
окр_min … Т
окр_max = 10…40°С.
Вариант 22
Pвих = 8,0 Вт
Rн = 3 Ом
Fн = 140 Гц
Mн = 1,20

AOQelРозрахувати двотактовий безтрансфоматорний вихідний каскад, схема якого наведена на рис. 4. В усіх варіантах взяти F
в = 20000 Гц; М
в = 1,26; Т
окр_min … Т
окр_max = 10…40°С.
Вариант 23
Pвих = 8,0 Вт
Rн = 6 Ом
Fн = 140 Гц
Mн = 1,22

AORelРозрахувати двотактовий безтрансфоматорний вихідний каскад, схема якого наведена на рис. 4. В усіх варіантах взяти F
в = 20000 Гц; М
в = 1,26; Т
окр_min … Т
окр_max = 10…40°С.
Вариант 24
Pвих = 8,0 Вт
Rн = 9 Ом
Fн = 140 Гц
Mн = 1,28

AOSelРозрахувати двотактовий безтрансфоматорний вихідний каскад, схема якого наведена на рис. 4. В усіх варіантах взяти F
в = 20000 Гц; М
в = 1,26; Т
окр_min … Т
окр_max = 10…40°С.
Вариант 25
Pвих = 6,0 Вт
Rн = 6 Ом
Fн = 140 Гц
Mн = 1,30
