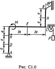
Жесткая рама в вертикальной плоскости закреплена шарнирно
0000mЖесткая рама, расположенная в вертикальной плоскости (рис. С1.0—С1.9, табл. С1), закреплена а точке А шарнирно, а в точке В прикреплена или к невесомому стержню с шарнирами на концах, или к шарнирной опоре на катках.
В точке С к раме привязан трос, перекинутый через блок и несущий на конце груз весом Р = 25 кН. На раму действуют пара сил с моментом М = 100 кН∙м и две силы, значения, направления и точки приложения которых указаны в таблице.
Определить реакции связей в точках А, В, вызываемые действующими нагрузками. При окончательных расчетах принять а = 0,5 м.
вариант 00 Углы H 30°, K 60°.


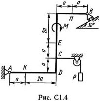
0001mЖесткая рама, расположенная в вертикальной плоскости (рис. С1.0—С1.9, табл. С1), закреплена а точке А шарнирно, а в точке В прикреплена или к невесомому стержню с шарнирами на концах, или к шарнирной опоре на катках.
В точке С к раме привязан трос, перекинутый через блок и несущий на конце груз весом Р = 25 кН. На раму действуют пара сил с моментом М = 100 кН∙м и две силы, значения, направления и точки приложения которых указаны в таблице.
Определить реакции связей в точках А, В, вызываемые действующими нагрузками. При окончательных расчетах принять а = 0,5 м.
вариант 01 Углы D 15°, E 60°.


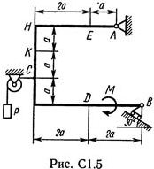
0002mЖесткая рама, расположенная в вертикальной плоскости (рис. С1.0—С1.9, табл. С1), закреплена а точке А шарнирно, а в точке В прикреплена или к невесомому стержню с шарнирами на концах, или к шарнирной опоре на катках.
В точке С к раме привязан трос, перекинутый через блок и несущий на конце груз весом Р = 25 кН. На раму действуют пара сил с моментом М = 100 кН∙м и две силы, значения, направления и точки приложения которых указаны в таблице.
Определить реакции связей в точках А, В, вызываемые действующими нагрузками. При окончательных расчетах принять а = 0,5 м.
вариант 02 Углы K 75°, E 30°.


0003mЖесткая рама, расположенная в вертикальной плоскости (рис. С1.0—С1.9, табл. С1), закреплена а точке А шарнирно, а в точке В прикреплена или к невесомому стержню с шарнирами на концах, или к шарнирной опоре на катках.
В точке С к раме привязан трос, перекинутый через блок и несущий на конце груз весом Р = 25 кН. На раму действуют пара сил с моментом М = 100 кН∙м и две силы, значения, направления и точки приложения которых указаны в таблице.
Определить реакции связей в точках А, В, вызываемые действующими нагрузками. При окончательных расчетах принять а = 0,5 м.
вариант 03 Углы K 60°, H 30°.


0004mЖесткая рама, расположенная в вертикальной плоскости (рис. С1.0—С1.9, табл. С1), закреплена а точке А шарнирно, а в точке В прикреплена или к невесомому стержню с шарнирами на концах, или к шарнирной опоре на катках.
В точке С к раме привязан трос, перекинутый через блок и несущий на конце груз весом Р = 25 кН. На раму действуют пара сил с моментом М = 100 кН∙м и две силы, значения, направления и точки приложения которых указаны в таблице.
Определить реакции связей в точках А, В, вызываемые действующими нагрузками. При окончательных расчетах принять а = 0,5 м.
вариант 04 Углы D 30°, E 60°.


0005mЖесткая рама, расположенная в вертикальной плоскости (рис. С1.0—С1.9, табл. С1), закреплена а точке А шарнирно, а в точке В прикреплена или к невесомому стержню с шарнирами на концах, или к шарнирной опоре на катках.
В точке С к раме привязан трос, перекинутый через блок и несущий на конце груз весом Р = 25 кН. На раму действуют пара сил с моментом М = 100 кН∙м и две силы, значения, направления и точки приложения которых указаны в таблице.
Определить реакции связей в точках А, В, вызываемые действующими нагрузками. При окончательных расчетах принять а = 0,5 м.
вариант 05 Углы H 30°, D 75°.


0006mЖесткая рама, расположенная в вертикальной плоскости (рис. С1.0—С1.9, табл. С1), закреплена а точке А шарнирно, а в точке В прикреплена или к невесомому стержню с шарнирами на концах, или к шарнирной опоре на катках.
В точке С к раме привязан трос, перекинутый через блок и несущий на конце груз весом Р = 25 кН. На раму действуют пара сил с моментом М = 100 кН∙м и две силы, значения, направления и точки приложения которых указаны в таблице.
Определить реакции связей в точках А, В, вызываемые действующими нагрузками. При окончательных расчетах принять а = 0,5 м.
вариант 06 Углы E 60°, K 15°.


0007mЖесткая рама, расположенная в вертикальной плоскости (рис. С1.0—С1.9, табл. С1), закреплена а точке А шарнирно, а в точке В прикреплена или к невесомому стержню с шарнирами на концах, или к шарнирной опоре на катках.
В точке С к раме привязан трос, перекинутый через блок и несущий на конце груз весом Р = 25 кН. На раму действуют пара сил с моментом М = 100 кН∙м и две силы, значения, направления и точки приложения которых указаны в таблице.
Определить реакции связей в точках А, В, вызываемые действующими нагрузками. При окончательных расчетах принять а = 0,5 м.
вариант 07 Углы D 60°, H 15°.


0008mЖесткая рама, расположенная в вертикальной плоскости (рис. С1.0—С1.9, табл. С1), закреплена а точке А шарнирно, а в точке В прикреплена или к невесомому стержню с шарнирами на концах, или к шарнирной опоре на катках.
В точке С к раме привязан трос, перекинутый через блок и несущий на конце груз весом Р = 25 кН. На раму действуют пара сил с моментом М = 100 кН∙м и две силы, значения, направления и точки приложения которых указаны в таблице.
Определить реакции связей в точках А, В, вызываемые действующими нагрузками. При окончательных расчетах принять а = 0,5 м.
вариант 08 Углы H 30°, D 60°.


0009mЖесткая рама, расположенная в вертикальной плоскости (рис. С1.0—С1.9, табл. С1), закреплена а точке А шарнирно, а в точке В прикреплена или к невесомому стержню с шарнирами на концах, или к шарнирной опоре на катках.
В точке С к раме привязан трос, перекинутый через блок и несущий на конце груз весом Р = 25 кН. На раму действуют пара сил с моментом М = 100 кН∙м и две силы, значения, направления и точки приложения которых указаны в таблице.
Определить реакции связей в точках А, В, вызываемые действующими нагрузками. При окончательных расчетах принять а = 0,5 м.
вариант 09 Углы E 75°, K 30°.


0010mЖесткая рама, расположенная в вертикальной плоскости (рис. С1.0—С1.9, табл. С1), закреплена а точке А шарнирно, а в точке В прикреплена или к невесомому стержню с шарнирами на концах, или к шарнирной опоре на катках.
В точке С к раме привязан трос, перекинутый через блок и несущий на конце груз весом Р = 25 кН. На раму действуют пара сил с моментом М = 100 кН∙м и две силы, значения, направления и точки приложения которых указаны в таблице.
Определить реакции связей в точках А, В, вызываемые действующими нагрузками. При окончательных расчетах принять а = 0,5 м.
вариант 10 Углы H 30°, K 60°.


0011mЖесткая рама, расположенная в вертикальной плоскости (рис. С1.0—С1.9, табл. С1), закреплена а точке А шарнирно, а в точке В прикреплена или к невесомому стержню с шарнирами на концах, или к шарнирной опоре на катках.
В точке С к раме привязан трос, перекинутый через блок и несущий на конце груз весом Р = 25 кН. На раму действуют пара сил с моментом М = 100 кН∙м и две силы, значения, направления и точки приложения которых указаны в таблице.
Определить реакции связей в точках А, В, вызываемые действующими нагрузками. При окончательных расчетах принять а = 0,5 м.
вариант 11 Углы D 15°, E 60°.


0012mЖесткая рама, расположенная в вертикальной плоскости (рис. С1.0—С1.9, табл. С1), закреплена а точке А шарнирно, а в точке В прикреплена или к невесомому стержню с шарнирами на концах, или к шарнирной опоре на катках.
В точке С к раме привязан трос, перекинутый через блок и несущий на конце груз весом Р = 25 кН. На раму действуют пара сил с моментом М = 100 кН∙м и две силы, значения, направления и точки приложения которых указаны в таблице.
Определить реакции связей в точках А, В, вызываемые действующими нагрузками. При окончательных расчетах принять а = 0,5 м.
вариант 12 Углы K 75°, E 30°.


0013mЖесткая рама, расположенная в вертикальной плоскости (рис. С1.0—С1.9, табл. С1), закреплена а точке А шарнирно, а в точке В прикреплена или к невесомому стержню с шарнирами на концах, или к шарнирной опоре на катках.
В точке С к раме привязан трос, перекинутый через блок и несущий на конце груз весом Р = 25 кН. На раму действуют пара сил с моментом М = 100 кН∙м и две силы, значения, направления и точки приложения которых указаны в таблице.
Определить реакции связей в точках А, В, вызываемые действующими нагрузками. При окончательных расчетах принять а = 0,5 м.
вариант 13 Углы K 60°, H 30°.


0014mЖесткая рама, расположенная в вертикальной плоскости (рис. С1.0—С1.9, табл. С1), закреплена а точке А шарнирно, а в точке В прикреплена или к невесомому стержню с шарнирами на концах, или к шарнирной опоре на катках.
В точке С к раме привязан трос, перекинутый через блок и несущий на конце груз весом Р = 25 кН. На раму действуют пара сил с моментом М = 100 кН∙м и две силы, значения, направления и точки приложения которых указаны в таблице.
Определить реакции связей в точках А, В, вызываемые действующими нагрузками. При окончательных расчетах принять а = 0,5 м.
вариант 14 Углы D 30°, E 60°.


0015mЖесткая рама, расположенная в вертикальной плоскости (рис. С1.0—С1.9, табл. С1), закреплена а точке А шарнирно, а в точке В прикреплена или к невесомому стержню с шарнирами на концах, или к шарнирной опоре на катках.
В точке С к раме привязан трос, перекинутый через блок и несущий на конце груз весом Р = 25 кН. На раму действуют пара сил с моментом М = 100 кН∙м и две силы, значения, направления и точки приложения которых указаны в таблице.
Определить реакции связей в точках А, В, вызываемые действующими нагрузками. При окончательных расчетах принять а = 0,5 м.
вариант 15 Углы H 30°, D 75°.


0016mЖесткая рама, расположенная в вертикальной плоскости (рис. С1.0—С1.9, табл. С1), закреплена а точке А шарнирно, а в точке В прикреплена или к невесомому стержню с шарнирами на концах, или к шарнирной опоре на катках.
В точке С к раме привязан трос, перекинутый через блок и несущий на конце груз весом Р = 25 кН. На раму действуют пара сил с моментом М = 100 кН∙м и две силы, значения, направления и точки приложения которых указаны в таблице.
Определить реакции связей в точках А, В, вызываемые действующими нагрузками. При окончательных расчетах принять а = 0,5 м.
вариант 16 Углы E 60°, K 15°.


0017mЖесткая рама, расположенная в вертикальной плоскости (рис. С1.0—С1.9, табл. С1), закреплена а точке А шарнирно, а в точке В прикреплена или к невесомому стержню с шарнирами на концах, или к шарнирной опоре на катках.
В точке С к раме привязан трос, перекинутый через блок и несущий на конце груз весом Р = 25 кН. На раму действуют пара сил с моментом М = 100 кН∙м и две силы, значения, направления и точки приложения которых указаны в таблице.
Определить реакции связей в точках А, В, вызываемые действующими нагрузками. При окончательных расчетах принять а = 0,5 м.
вариант 17 Углы D 60°, H 15°.


0018mЖесткая рама, расположенная в вертикальной плоскости (рис. С1.0—С1.9, табл. С1), закреплена а точке А шарнирно, а в точке В прикреплена или к невесомому стержню с шарнирами на концах, или к шарнирной опоре на катках.
В точке С к раме привязан трос, перекинутый через блок и несущий на конце груз весом Р = 25 кН. На раму действуют пара сил с моментом М = 100 кН∙м и две силы, значения, направления и точки приложения которых указаны в таблице.
Определить реакции связей в точках А, В, вызываемые действующими нагрузками. При окончательных расчетах принять а = 0,5 м.
вариант 18 Углы H 30°, D 60°.


0019mЖесткая рама, расположенная в вертикальной плоскости (рис. С1.0—С1.9, табл. С1), закреплена а точке А шарнирно, а в точке В прикреплена или к невесомому стержню с шарнирами на концах, или к шарнирной опоре на катках.
В точке С к раме привязан трос, перекинутый через блок и несущий на конце груз весом Р = 25 кН. На раму действуют пара сил с моментом М = 100 кН∙м и две силы, значения, направления и точки приложения которых указаны в таблице.
Определить реакции связей в точках А, В, вызываемые действующими нагрузками. При окончательных расчетах принять а = 0,5 м.
вариант 19 Углы E 75°, K 30°.


0020mЖесткая рама, расположенная в вертикальной плоскости (рис. С1.0—С1.9, табл. С1), закреплена а точке А шарнирно, а в точке В прикреплена или к невесомому стержню с шарнирами на концах, или к шарнирной опоре на катках.
В точке С к раме привязан трос, перекинутый через блок и несущий на конце груз весом Р = 25 кН. На раму действуют пара сил с моментом М = 100 кН∙м и две силы, значения, направления и точки приложения которых указаны в таблице.
Определить реакции связей в точках А, В, вызываемые действующими нагрузками. При окончательных расчетах принять а = 0,5 м.
вариант 20 Углы H 30°, K 60°.


0021mЖесткая рама, расположенная в вертикальной плоскости (рис. С1.0—С1.9, табл. С1), закреплена а точке А шарнирно, а в точке В прикреплена или к невесомому стержню с шарнирами на концах, или к шарнирной опоре на катках.
В точке С к раме привязан трос, перекинутый через блок и несущий на конце груз весом Р = 25 кН. На раму действуют пара сил с моментом М = 100 кН∙м и две силы, значения, направления и точки приложения которых указаны в таблице.
Определить реакции связей в точках А, В, вызываемые действующими нагрузками. При окончательных расчетах принять а = 0,5 м.
вариант 21 Углы D 15°, E 60°.


0022mЖесткая рама, расположенная в вертикальной плоскости (рис. С1.0—С1.9, табл. С1), закреплена а точке А шарнирно, а в точке В прикреплена или к невесомому стержню с шарнирами на концах, или к шарнирной опоре на катках.
В точке С к раме привязан трос, перекинутый через блок и несущий на конце груз весом Р = 25 кН. На раму действуют пара сил с моментом М = 100 кН∙м и две силы, значения, направления и точки приложения которых указаны в таблице.
Определить реакции связей в точках А, В, вызываемые действующими нагрузками. При окончательных расчетах принять а = 0,5 м.
вариант 22 Углы K 75°, E 30°.


0023mЖесткая рама, расположенная в вертикальной плоскости (рис. С1.0—С1.9, табл. С1), закреплена а точке А шарнирно, а в точке В прикреплена или к невесомому стержню с шарнирами на концах, или к шарнирной опоре на катках.
В точке С к раме привязан трос, перекинутый через блок и несущий на конце груз весом Р = 25 кН. На раму действуют пара сил с моментом М = 100 кН∙м и две силы, значения, направления и точки приложения которых указаны в таблице.
Определить реакции связей в точках А, В, вызываемые действующими нагрузками. При окончательных расчетах принять а = 0,5 м.
вариант 23 Углы K 60°, H 30°.


0024mЖесткая рама, расположенная в вертикальной плоскости (рис. С1.0—С1.9, табл. С1), закреплена а точке А шарнирно, а в точке В прикреплена или к невесомому стержню с шарнирами на концах, или к шарнирной опоре на катках.
В точке С к раме привязан трос, перекинутый через блок и несущий на конце груз весом Р = 25 кН. На раму действуют пара сил с моментом М = 100 кН∙м и две силы, значения, направления и точки приложения которых указаны в таблице.
Определить реакции связей в точках А, В, вызываемые действующими нагрузками. При окончательных расчетах принять а = 0,5 м.
вариант 24 Углы D 30°, E 60°.


0025mЖесткая рама, расположенная в вертикальной плоскости (рис. С1.0—С1.9, табл. С1), закреплена а точке А шарнирно, а в точке В прикреплена или к невесомому стержню с шарнирами на концах, или к шарнирной опоре на катках.
В точке С к раме привязан трос, перекинутый через блок и несущий на конце груз весом Р = 25 кН. На раму действуют пара сил с моментом М = 100 кН∙м и две силы, значения, направления и точки приложения которых указаны в таблице.
Определить реакции связей в точках А, В, вызываемые действующими нагрузками. При окончательных расчетах принять а = 0,5 м.
вариант 25 Углы H 30°, D 75°.


0026mЖесткая рама, расположенная в вертикальной плоскости (рис. С1.0—С1.9, табл. С1), закреплена а точке А шарнирно, а в точке В прикреплена или к невесомому стержню с шарнирами на концах, или к шарнирной опоре на катках.
В точке С к раме привязан трос, перекинутый через блок и несущий на конце груз весом Р = 25 кН. На раму действуют пара сил с моментом М = 100 кН∙м и две силы, значения, направления и точки приложения которых указаны в таблице.
Определить реакции связей в точках А, В, вызываемые действующими нагрузками. При окончательных расчетах принять а = 0,5 м.
вариант 26 Углы E 60°, K 15°.


0027mЖесткая рама, расположенная в вертикальной плоскости (рис. С1.0—С1.9, табл. С1), закреплена а точке А шарнирно, а в точке В прикреплена или к невесомому стержню с шарнирами на концах, или к шарнирной опоре на катках.
В точке С к раме привязан трос, перекинутый через блок и несущий на конце груз весом Р = 25 кН. На раму действуют пара сил с моментом М = 100 кН∙м и две силы, значения, направления и точки приложения которых указаны в таблице.
Определить реакции связей в точках А, В, вызываемые действующими нагрузками. При окончательных расчетах принять а = 0,5 м.
вариант 27 Углы D 60°, H 15°.


0028mЖесткая рама, расположенная в вертикальной плоскости (рис. С1.0—С1.9, табл. С1), закреплена а точке А шарнирно, а в точке В прикреплена или к невесомому стержню с шарнирами на концах, или к шарнирной опоре на катках.
В точке С к раме привязан трос, перекинутый через блок и несущий на конце груз весом Р = 25 кН. На раму действуют пара сил с моментом М = 100 кН∙м и две силы, значения, направления и точки приложения которых указаны в таблице.
Определить реакции связей в точках А, В, вызываемые действующими нагрузками. При окончательных расчетах принять а = 0,5 м.
вариант 28 Углы H 30°, D 60°.


0029mЖесткая рама, расположенная в вертикальной плоскости (рис. С1.0—С1.9, табл. С1), закреплена а точке А шарнирно, а в точке В прикреплена или к невесомому стержню с шарнирами на концах, или к шарнирной опоре на катках.
В точке С к раме привязан трос, перекинутый через блок и несущий на конце груз весом Р = 25 кН. На раму действуют пара сил с моментом М = 100 кН∙м и две силы, значения, направления и точки приложения которых указаны в таблице.
Определить реакции связей в точках А, В, вызываемые действующими нагрузками. При окончательных расчетах принять а = 0,5 м.
вариант 29 Углы E 75°, K 30°.


0030mЖесткая рама, расположенная в вертикальной плоскости (рис. С1.0—С1.9, табл. С1), закреплена а точке А шарнирно, а в точке В прикреплена или к невесомому стержню с шарнирами на концах, или к шарнирной опоре на катках.
В точке С к раме привязан трос, перекинутый через блок и несущий на конце груз весом Р = 25 кН. На раму действуют пара сил с моментом М = 100 кН∙м и две силы, значения, направления и точки приложения которых указаны в таблице.
Определить реакции связей в точках А, В, вызываемые действующими нагрузками. При окончательных расчетах принять а = 0,5 м.
вариант 30 Углы H 30°, K 60°.


0031mЖесткая рама, расположенная в вертикальной плоскости (рис. С1.0—С1.9, табл. С1), закреплена а точке А шарнирно, а в точке В прикреплена или к невесомому стержню с шарнирами на концах, или к шарнирной опоре на катках.
В точке С к раме привязан трос, перекинутый через блок и несущий на конце груз весом Р = 25 кН. На раму действуют пара сил с моментом М = 100 кН∙м и две силы, значения, направления и точки приложения которых указаны в таблице.
Определить реакции связей в точках А, В, вызываемые действующими нагрузками. При окончательных расчетах принять а = 0,5 м.
вариант 31 Углы D 15°, E 60°.


0032mЖесткая рама, расположенная в вертикальной плоскости (рис. С1.0—С1.9, табл. С1), закреплена а точке А шарнирно, а в точке В прикреплена или к невесомому стержню с шарнирами на концах, или к шарнирной опоре на катках.
В точке С к раме привязан трос, перекинутый через блок и несущий на конце груз весом Р = 25 кН. На раму действуют пара сил с моментом М = 100 кН∙м и две силы, значения, направления и точки приложения которых указаны в таблице.
Определить реакции связей в точках А, В, вызываемые действующими нагрузками. При окончательных расчетах принять а = 0,5 м.
вариант 32 Углы K 75°, E 30°.


0033mЖесткая рама, расположенная в вертикальной плоскости (рис. С1.0—С1.9, табл. С1), закреплена а точке А шарнирно, а в точке В прикреплена или к невесомому стержню с шарнирами на концах, или к шарнирной опоре на катках.
В точке С к раме привязан трос, перекинутый через блок и несущий на конце груз весом Р = 25 кН. На раму действуют пара сил с моментом М = 100 кН∙м и две силы, значения, направления и точки приложения которых указаны в таблице.
Определить реакции связей в точках А, В, вызываемые действующими нагрузками. При окончательных расчетах принять а = 0,5 м.
вариант 33 Углы K 60°, H 30°.


0034mЖесткая рама, расположенная в вертикальной плоскости (рис. С1.0—С1.9, табл. С1), закреплена а точке А шарнирно, а в точке В прикреплена или к невесомому стержню с шарнирами на концах, или к шарнирной опоре на катках.
В точке С к раме привязан трос, перекинутый через блок и несущий на конце груз весом Р = 25 кН. На раму действуют пара сил с моментом М = 100 кН∙м и две силы, значения, направления и точки приложения которых указаны в таблице.
Определить реакции связей в точках А, В, вызываемые действующими нагрузками. При окончательных расчетах принять а = 0,5 м.
вариант 34 Углы D 30°, E 60°.


0035mЖесткая рама, расположенная в вертикальной плоскости (рис. С1.0—С1.9, табл. С1), закреплена а точке А шарнирно, а в точке В прикреплена или к невесомому стержню с шарнирами на концах, или к шарнирной опоре на катках.
В точке С к раме привязан трос, перекинутый через блок и несущий на конце груз весом Р = 25 кН. На раму действуют пара сил с моментом М = 100 кН∙м и две силы, значения, направления и точки приложения которых указаны в таблице.
Определить реакции связей в точках А, В, вызываемые действующими нагрузками. При окончательных расчетах принять а = 0,5 м.
вариант 35 Углы H 30°, D 75°.


0036mЖесткая рама, расположенная в вертикальной плоскости (рис. С1.0—С1.9, табл. С1), закреплена а точке А шарнирно, а в точке В прикреплена или к невесомому стержню с шарнирами на концах, или к шарнирной опоре на катках.
В точке С к раме привязан трос, перекинутый через блок и несущий на конце груз весом Р = 25 кН. На раму действуют пара сил с моментом М = 100 кН∙м и две силы, значения, направления и точки приложения которых указаны в таблице.
Определить реакции связей в точках А, В, вызываемые действующими нагрузками. При окончательных расчетах принять а = 0,5 м.
вариант 36 Углы E 60°, K 15°.


0037mЖесткая рама, расположенная в вертикальной плоскости (рис. С1.0—С1.9, табл. С1), закреплена а точке А шарнирно, а в точке В прикреплена или к невесомому стержню с шарнирами на концах, или к шарнирной опоре на катках.
В точке С к раме привязан трос, перекинутый через блок и несущий на конце груз весом Р = 25 кН. На раму действуют пара сил с моментом М = 100 кН∙м и две силы, значения, направления и точки приложения которых указаны в таблице.
Определить реакции связей в точках А, В, вызываемые действующими нагрузками. При окончательных расчетах принять а = 0,5 м.
вариант 37 Углы D 60°, H 15°.


0038mЖесткая рама, расположенная в вертикальной плоскости (рис. С1.0—С1.9, табл. С1), закреплена а точке А шарнирно, а в точке В прикреплена или к невесомому стержню с шарнирами на концах, или к шарнирной опоре на катках.
В точке С к раме привязан трос, перекинутый через блок и несущий на конце груз весом Р = 25 кН. На раму действуют пара сил с моментом М = 100 кН∙м и две силы, значения, направления и точки приложения которых указаны в таблице.
Определить реакции связей в точках А, В, вызываемые действующими нагрузками. При окончательных расчетах принять а = 0,5 м.
вариант 38 Углы H 30°, D 60°.


0039mЖесткая рама, расположенная в вертикальной плоскости (рис. С1.0—С1.9, табл. С1), закреплена а точке А шарнирно, а в точке В прикреплена или к невесомому стержню с шарнирами на концах, или к шарнирной опоре на катках.
В точке С к раме привязан трос, перекинутый через блок и несущий на конце груз весом Р = 25 кН. На раму действуют пара сил с моментом М = 100 кН∙м и две силы, значения, направления и точки приложения которых указаны в таблице.
Определить реакции связей в точках А, В, вызываемые действующими нагрузками. При окончательных расчетах принять а = 0,5 м.
вариант 39 Углы E 75°, K 30°.


0040mЖесткая рама, расположенная в вертикальной плоскости (рис. С1.0—С1.9, табл. С1), закреплена а точке А шарнирно, а в точке В прикреплена или к невесомому стержню с шарнирами на концах, или к шарнирной опоре на катках.
В точке С к раме привязан трос, перекинутый через блок и несущий на конце груз весом Р = 25 кН. На раму действуют пара сил с моментом М = 100 кН∙м и две силы, значения, направления и точки приложения которых указаны в таблице.
Определить реакции связей в точках А, В, вызываемые действующими нагрузками. При окончательных расчетах принять а = 0,5 м.
вариант 40 Углы H 30°, K 60°.


0041mЖесткая рама, расположенная в вертикальной плоскости (рис. С1.0—С1.9, табл. С1), закреплена а точке А шарнирно, а в точке В прикреплена или к невесомому стержню с шарнирами на концах, или к шарнирной опоре на катках.
В точке С к раме привязан трос, перекинутый через блок и несущий на конце груз весом Р = 25 кН. На раму действуют пара сил с моментом М = 100 кН∙м и две силы, значения, направления и точки приложения которых указаны в таблице.
Определить реакции связей в точках А, В, вызываемые действующими нагрузками. При окончательных расчетах принять а = 0,5 м.
вариант 41 Углы D 15°, E 60°.


0042mЖесткая рама, расположенная в вертикальной плоскости (рис. С1.0—С1.9, табл. С1), закреплена а точке А шарнирно, а в точке В прикреплена или к невесомому стержню с шарнирами на концах, или к шарнирной опоре на катках.
В точке С к раме привязан трос, перекинутый через блок и несущий на конце груз весом Р = 25 кН. На раму действуют пара сил с моментом М = 100 кН∙м и две силы, значения, направления и точки приложения которых указаны в таблице.
Определить реакции связей в точках А, В, вызываемые действующими нагрузками. При окончательных расчетах принять а = 0,5 м.
вариант 42 Углы K 75°, E 30°.


0043mЖесткая рама, расположенная в вертикальной плоскости (рис. С1.0—С1.9, табл. С1), закреплена а точке А шарнирно, а в точке В прикреплена или к невесомому стержню с шарнирами на концах, или к шарнирной опоре на катках.
В точке С к раме привязан трос, перекинутый через блок и несущий на конце груз весом Р = 25 кН. На раму действуют пара сил с моментом М = 100 кН∙м и две силы, значения, направления и точки приложения которых указаны в таблице.
Определить реакции связей в точках А, В, вызываемые действующими нагрузками. При окончательных расчетах принять а = 0,5 м.
вариант 43 Углы K 60°, H 30°.


0044mЖесткая рама, расположенная в вертикальной плоскости (рис. С1.0—С1.9, табл. С1), закреплена а точке А шарнирно, а в точке В прикреплена или к невесомому стержню с шарнирами на концах, или к шарнирной опоре на катках.
В точке С к раме привязан трос, перекинутый через блок и несущий на конце груз весом Р = 25 кН. На раму действуют пара сил с моментом М = 100 кН∙м и две силы, значения, направления и точки приложения которых указаны в таблице.
Определить реакции связей в точках А, В, вызываемые действующими нагрузками. При окончательных расчетах принять а = 0,5 м.
вариант 44 Углы D 30°, E 60°.


0045mЖесткая рама, расположенная в вертикальной плоскости (рис. С1.0—С1.9, табл. С1), закреплена а точке А шарнирно, а в точке В прикреплена или к невесомому стержню с шарнирами на концах, или к шарнирной опоре на катках.
В точке С к раме привязан трос, перекинутый через блок и несущий на конце груз весом Р = 25 кН. На раму действуют пара сил с моментом М = 100 кН∙м и две силы, значения, направления и точки приложения которых указаны в таблице.
Определить реакции связей в точках А, В, вызываемые действующими нагрузками. При окончательных расчетах принять а = 0,5 м.
вариант 45 Углы H 30°, D 75°.


0046mЖесткая рама, расположенная в вертикальной плоскости (рис. С1.0—С1.9, табл. С1), закреплена а точке А шарнирно, а в точке В прикреплена или к невесомому стержню с шарнирами на концах, или к шарнирной опоре на катках.
В точке С к раме привязан трос, перекинутый через блок и несущий на конце груз весом Р = 25 кН. На раму действуют пара сил с моментом М = 100 кН∙м и две силы, значения, направления и точки приложения которых указаны в таблице.
Определить реакции связей в точках А, В, вызываемые действующими нагрузками. При окончательных расчетах принять а = 0,5 м.
вариант 46 Углы E 60°, K 15°.


0047mЖесткая рама, расположенная в вертикальной плоскости (рис. С1.0—С1.9, табл. С1), закреплена а точке А шарнирно, а в точке В прикреплена или к невесомому стержню с шарнирами на концах, или к шарнирной опоре на катках.
В точке С к раме привязан трос, перекинутый через блок и несущий на конце груз весом Р = 25 кН. На раму действуют пара сил с моментом М = 100 кН∙м и две силы, значения, направления и точки приложения которых указаны в таблице.
Определить реакции связей в точках А, В, вызываемые действующими нагрузками. При окончательных расчетах принять а = 0,5 м.
вариант 47 Углы D 60°, H 15°.


0048mЖесткая рама, расположенная в вертикальной плоскости (рис. С1.0—С1.9, табл. С1), закреплена а точке А шарнирно, а в точке В прикреплена или к невесомому стержню с шарнирами на концах, или к шарнирной опоре на катках.
В точке С к раме привязан трос, перекинутый через блок и несущий на конце груз весом Р = 25 кН. На раму действуют пара сил с моментом М = 100 кН∙м и две силы, значения, направления и точки приложения которых указаны в таблице.
Определить реакции связей в точках А, В, вызываемые действующими нагрузками. При окончательных расчетах принять а = 0,5 м.
вариант 48 Углы H 30°, D 60°.


0049mЖесткая рама, расположенная в вертикальной плоскости (рис. С1.0—С1.9, табл. С1), закреплена а точке А шарнирно, а в точке В прикреплена или к невесомому стержню с шарнирами на концах, или к шарнирной опоре на катках.
В точке С к раме привязан трос, перекинутый через блок и несущий на конце груз весом Р = 25 кН. На раму действуют пара сил с моментом М = 100 кН∙м и две силы, значения, направления и точки приложения которых указаны в таблице.
Определить реакции связей в точках А, В, вызываемые действующими нагрузками. При окончательных расчетах принять а = 0,5 м.
вариант 49 Углы E 75°, K 30°.


0050mЖесткая рама, расположенная в вертикальной плоскости (рис. С1.0—С1.9, табл. С1), закреплена а точке А шарнирно, а в точке В прикреплена или к невесомому стержню с шарнирами на концах, или к шарнирной опоре на катках.
В точке С к раме привязан трос, перекинутый через блок и несущий на конце груз весом Р = 25 кН. На раму действуют пара сил с моментом М = 100 кН∙м и две силы, значения, направления и точки приложения которых указаны в таблице.
Определить реакции связей в точках А, В, вызываемые действующими нагрузками. При окончательных расчетах принять а = 0,5 м.
вариант 50 Углы H 30°, K 60°.


0051mЖесткая рама, расположенная в вертикальной плоскости (рис. С1.0—С1.9, табл. С1), закреплена а точке А шарнирно, а в точке В прикреплена или к невесомому стержню с шарнирами на концах, или к шарнирной опоре на катках.
В точке С к раме привязан трос, перекинутый через блок и несущий на конце груз весом Р = 25 кН. На раму действуют пара сил с моментом М = 100 кН∙м и две силы, значения, направления и точки приложения которых указаны в таблице.
Определить реакции связей в точках А, В, вызываемые действующими нагрузками. При окончательных расчетах принять а = 0,5 м.
вариант 51 Углы D 15°, E 60°.


0052mЖесткая рама, расположенная в вертикальной плоскости (рис. С1.0—С1.9, табл. С1), закреплена а точке А шарнирно, а в точке В прикреплена или к невесомому стержню с шарнирами на концах, или к шарнирной опоре на катках.
В точке С к раме привязан трос, перекинутый через блок и несущий на конце груз весом Р = 25 кН. На раму действуют пара сил с моментом М = 100 кН∙м и две силы, значения, направления и точки приложения которых указаны в таблице.
Определить реакции связей в точках А, В, вызываемые действующими нагрузками. При окончательных расчетах принять а = 0,5 м.
вариант 52 Углы K 75°, E 30°.


0053mЖесткая рама, расположенная в вертикальной плоскости (рис. С1.0—С1.9, табл. С1), закреплена а точке А шарнирно, а в точке В прикреплена или к невесомому стержню с шарнирами на концах, или к шарнирной опоре на катках.
В точке С к раме привязан трос, перекинутый через блок и несущий на конце груз весом Р = 25 кН. На раму действуют пара сил с моментом М = 100 кН∙м и две силы, значения, направления и точки приложения которых указаны в таблице.
Определить реакции связей в точках А, В, вызываемые действующими нагрузками. При окончательных расчетах принять а = 0,5 м.
вариант 53 Углы K 60°, H 30°.


0054mЖесткая рама, расположенная в вертикальной плоскости (рис. С1.0—С1.9, табл. С1), закреплена а точке А шарнирно, а в точке В прикреплена или к невесомому стержню с шарнирами на концах, или к шарнирной опоре на катках.
В точке С к раме привязан трос, перекинутый через блок и несущий на конце груз весом Р = 25 кН. На раму действуют пара сил с моментом М = 100 кН∙м и две силы, значения, направления и точки приложения которых указаны в таблице.
Определить реакции связей в точках А, В, вызываемые действующими нагрузками. При окончательных расчетах принять а = 0,5 м.
вариант 54 Углы D 30°, E 60°.


0055mЖесткая рама, расположенная в вертикальной плоскости (рис. С1.0—С1.9, табл. С1), закреплена а точке А шарнирно, а в точке В прикреплена или к невесомому стержню с шарнирами на концах, или к шарнирной опоре на катках.
В точке С к раме привязан трос, перекинутый через блок и несущий на конце груз весом Р = 25 кН. На раму действуют пара сил с моментом М = 100 кН∙м и две силы, значения, направления и точки приложения которых указаны в таблице.
Определить реакции связей в точках А, В, вызываемые действующими нагрузками. При окончательных расчетах принять а = 0,5 м.
вариант 55 Углы H 30°, D 75°.


0056mЖесткая рама, расположенная в вертикальной плоскости (рис. С1.0—С1.9, табл. С1), закреплена а точке А шарнирно, а в точке В прикреплена или к невесомому стержню с шарнирами на концах, или к шарнирной опоре на катках.
В точке С к раме привязан трос, перекинутый через блок и несущий на конце груз весом Р = 25 кН. На раму действуют пара сил с моментом М = 100 кН∙м и две силы, значения, направления и точки приложения которых указаны в таблице.
Определить реакции связей в точках А, В, вызываемые действующими нагрузками. При окончательных расчетах принять а = 0,5 м.
вариант 56 Углы E 60°, K 15°.


0057mЖесткая рама, расположенная в вертикальной плоскости (рис. С1.0—С1.9, табл. С1), закреплена а точке А шарнирно, а в точке В прикреплена или к невесомому стержню с шарнирами на концах, или к шарнирной опоре на катках.
В точке С к раме привязан трос, перекинутый через блок и несущий на конце груз весом Р = 25 кН. На раму действуют пара сил с моментом М = 100 кН∙м и две силы, значения, направления и точки приложения которых указаны в таблице.
Определить реакции связей в точках А, В, вызываемые действующими нагрузками. При окончательных расчетах принять а = 0,5 м.
вариант 57 Углы D 60°, H 15°.


0058mЖесткая рама, расположенная в вертикальной плоскости (рис. С1.0—С1.9, табл. С1), закреплена а точке А шарнирно, а в точке В прикреплена или к невесомому стержню с шарнирами на концах, или к шарнирной опоре на катках.
В точке С к раме привязан трос, перекинутый через блок и несущий на конце груз весом Р = 25 кН. На раму действуют пара сил с моментом М = 100 кН∙м и две силы, значения, направления и точки приложения которых указаны в таблице.
Определить реакции связей в точках А, В, вызываемые действующими нагрузками. При окончательных расчетах принять а = 0,5 м.
вариант 58 Углы H 30°, D 60°.


0059mЖесткая рама, расположенная в вертикальной плоскости (рис. С1.0—С1.9, табл. С1), закреплена а точке А шарнирно, а в точке В прикреплена или к невесомому стержню с шарнирами на концах, или к шарнирной опоре на катках.
В точке С к раме привязан трос, перекинутый через блок и несущий на конце груз весом Р = 25 кН. На раму действуют пара сил с моментом М = 100 кН∙м и две силы, значения, направления и точки приложения которых указаны в таблице.
Определить реакции связей в точках А, В, вызываемые действующими нагрузками. При окончательных расчетах принять а = 0,5 м.
вариант 59 Углы E 75°, K 30°.


0060mЖесткая рама, расположенная в вертикальной плоскости (рис. С1.0—С1.9, табл. С1), закреплена а точке А шарнирно, а в точке В прикреплена или к невесомому стержню с шарнирами на концах, или к шарнирной опоре на катках.
В точке С к раме привязан трос, перекинутый через блок и несущий на конце груз весом Р = 25 кН. На раму действуют пара сил с моментом М = 100 кН∙м и две силы, значения, направления и точки приложения которых указаны в таблице.
Определить реакции связей в точках А, В, вызываемые действующими нагрузками. При окончательных расчетах принять а = 0,5 м.
вариант 60 Углы H 30°, K 60°.


0061mЖесткая рама, расположенная в вертикальной плоскости (рис. С1.0—С1.9, табл. С1), закреплена а точке А шарнирно, а в точке В прикреплена или к невесомому стержню с шарнирами на концах, или к шарнирной опоре на катках.
В точке С к раме привязан трос, перекинутый через блок и несущий на конце груз весом Р = 25 кН. На раму действуют пара сил с моментом М = 100 кН∙м и две силы, значения, направления и точки приложения которых указаны в таблице.
Определить реакции связей в точках А, В, вызываемые действующими нагрузками. При окончательных расчетах принять а = 0,5 м.
вариант 61 Углы D 15°, E 60°.


0062mЖесткая рама, расположенная в вертикальной плоскости (рис. С1.0—С1.9, табл. С1), закреплена а точке А шарнирно, а в точке В прикреплена или к невесомому стержню с шарнирами на концах, или к шарнирной опоре на катках.
В точке С к раме привязан трос, перекинутый через блок и несущий на конце груз весом Р = 25 кН. На раму действуют пара сил с моментом М = 100 кН∙м и две силы, значения, направления и точки приложения которых указаны в таблице.
Определить реакции связей в точках А, В, вызываемые действующими нагрузками. При окончательных расчетах принять а = 0,5 м.
вариант 62 Углы K 75°, E 30°.


0063mЖесткая рама, расположенная в вертикальной плоскости (рис. С1.0—С1.9, табл. С1), закреплена а точке А шарнирно, а в точке В прикреплена или к невесомому стержню с шарнирами на концах, или к шарнирной опоре на катках.
В точке С к раме привязан трос, перекинутый через блок и несущий на конце груз весом Р = 25 кН. На раму действуют пара сил с моментом М = 100 кН∙м и две силы, значения, направления и точки приложения которых указаны в таблице.
Определить реакции связей в точках А, В, вызываемые действующими нагрузками. При окончательных расчетах принять а = 0,5 м.
вариант 63 Углы K 60°, H 30°.


0064mЖесткая рама, расположенная в вертикальной плоскости (рис. С1.0—С1.9, табл. С1), закреплена а точке А шарнирно, а в точке В прикреплена или к невесомому стержню с шарнирами на концах, или к шарнирной опоре на катках.
В точке С к раме привязан трос, перекинутый через блок и несущий на конце груз весом Р = 25 кН. На раму действуют пара сил с моментом М = 100 кН∙м и две силы, значения, направления и точки приложения которых указаны в таблице.
Определить реакции связей в точках А, В, вызываемые действующими нагрузками. При окончательных расчетах принять а = 0,5 м.
вариант 64 Углы D 30°, E 60°.


0065mЖесткая рама, расположенная в вертикальной плоскости (рис. С1.0—С1.9, табл. С1), закреплена а точке А шарнирно, а в точке В прикреплена или к невесомому стержню с шарнирами на концах, или к шарнирной опоре на катках.
В точке С к раме привязан трос, перекинутый через блок и несущий на конце груз весом Р = 25 кН. На раму действуют пара сил с моментом М = 100 кН∙м и две силы, значения, направления и точки приложения которых указаны в таблице.
Определить реакции связей в точках А, В, вызываемые действующими нагрузками. При окончательных расчетах принять а = 0,5 м.
вариант 65 Углы H 30°, D 75°.


0066mЖесткая рама, расположенная в вертикальной плоскости (рис. С1.0—С1.9, табл. С1), закреплена а точке А шарнирно, а в точке В прикреплена или к невесомому стержню с шарнирами на концах, или к шарнирной опоре на катках.
В точке С к раме привязан трос, перекинутый через блок и несущий на конце груз весом Р = 25 кН. На раму действуют пара сил с моментом М = 100 кН∙м и две силы, значения, направления и точки приложения которых указаны в таблице.
Определить реакции связей в точках А, В, вызываемые действующими нагрузками. При окончательных расчетах принять а = 0,5 м.
вариант 66 Углы E 60°, K 15°.


0067mЖесткая рама, расположенная в вертикальной плоскости (рис. С1.0—С1.9, табл. С1), закреплена а точке А шарнирно, а в точке В прикреплена или к невесомому стержню с шарнирами на концах, или к шарнирной опоре на катках.
В точке С к раме привязан трос, перекинутый через блок и несущий на конце груз весом Р = 25 кН. На раму действуют пара сил с моментом М = 100 кН∙м и две силы, значения, направления и точки приложения которых указаны в таблице.
Определить реакции связей в точках А, В, вызываемые действующими нагрузками. При окончательных расчетах принять а = 0,5 м.
вариант 67 Углы D 60°, H 15°.


0068mЖесткая рама, расположенная в вертикальной плоскости (рис. С1.0—С1.9, табл. С1), закреплена а точке А шарнирно, а в точке В прикреплена или к невесомому стержню с шарнирами на концах, или к шарнирной опоре на катках.
В точке С к раме привязан трос, перекинутый через блок и несущий на конце груз весом Р = 25 кН. На раму действуют пара сил с моментом М = 100 кН∙м и две силы, значения, направления и точки приложения которых указаны в таблице.
Определить реакции связей в точках А, В, вызываемые действующими нагрузками. При окончательных расчетах принять а = 0,5 м.
вариант 68 Углы H 30°, D 60°.


0069mЖесткая рама, расположенная в вертикальной плоскости (рис. С1.0—С1.9, табл. С1), закреплена а точке А шарнирно, а в точке В прикреплена или к невесомому стержню с шарнирами на концах, или к шарнирной опоре на катках.
В точке С к раме привязан трос, перекинутый через блок и несущий на конце груз весом Р = 25 кН. На раму действуют пара сил с моментом М = 100 кН∙м и две силы, значения, направления и точки приложения которых указаны в таблице.
Определить реакции связей в точках А, В, вызываемые действующими нагрузками. При окончательных расчетах принять а = 0,5 м.
вариант 69 Углы E 75°, K 30°.


0070mЖесткая рама, расположенная в вертикальной плоскости (рис. С1.0—С1.9, табл. С1), закреплена а точке А шарнирно, а в точке В прикреплена или к невесомому стержню с шарнирами на концах, или к шарнирной опоре на катках.
В точке С к раме привязан трос, перекинутый через блок и несущий на конце груз весом Р = 25 кН. На раму действуют пара сил с моментом М = 100 кН∙м и две силы, значения, направления и точки приложения которых указаны в таблице.
Определить реакции связей в точках А, В, вызываемые действующими нагрузками. При окончательных расчетах принять а = 0,5 м.
вариант 70 Углы H 30°, K 60°.


0071mЖесткая рама, расположенная в вертикальной плоскости (рис. С1.0—С1.9, табл. С1), закреплена а точке А шарнирно, а в точке В прикреплена или к невесомому стержню с шарнирами на концах, или к шарнирной опоре на катках.
В точке С к раме привязан трос, перекинутый через блок и несущий на конце груз весом Р = 25 кН. На раму действуют пара сил с моментом М = 100 кН∙м и две силы, значения, направления и точки приложения которых указаны в таблице.
Определить реакции связей в точках А, В, вызываемые действующими нагрузками. При окончательных расчетах принять а = 0,5 м.
вариант 71 Углы D 15°, E 60°.


0072mЖесткая рама, расположенная в вертикальной плоскости (рис. С1.0—С1.9, табл. С1), закреплена а точке А шарнирно, а в точке В прикреплена или к невесомому стержню с шарнирами на концах, или к шарнирной опоре на катках.
В точке С к раме привязан трос, перекинутый через блок и несущий на конце груз весом Р = 25 кН. На раму действуют пара сил с моментом М = 100 кН∙м и две силы, значения, направления и точки приложения которых указаны в таблице.
Определить реакции связей в точках А, В, вызываемые действующими нагрузками. При окончательных расчетах принять а = 0,5 м.
вариант 72 Углы K 75°, E 30°.


0073mЖесткая рама, расположенная в вертикальной плоскости (рис. С1.0—С1.9, табл. С1), закреплена а точке А шарнирно, а в точке В прикреплена или к невесомому стержню с шарнирами на концах, или к шарнирной опоре на катках.
В точке С к раме привязан трос, перекинутый через блок и несущий на конце груз весом Р = 25 кН. На раму действуют пара сил с моментом М = 100 кН∙м и две силы, значения, направления и точки приложения которых указаны в таблице.
Определить реакции связей в точках А, В, вызываемые действующими нагрузками. При окончательных расчетах принять а = 0,5 м.
вариант 73 Углы K 60°, H 30°.


0074mЖесткая рама, расположенная в вертикальной плоскости (рис. С1.0—С1.9, табл. С1), закреплена а точке А шарнирно, а в точке В прикреплена или к невесомому стержню с шарнирами на концах, или к шарнирной опоре на катках.
В точке С к раме привязан трос, перекинутый через блок и несущий на конце груз весом Р = 25 кН. На раму действуют пара сил с моментом М = 100 кН∙м и две силы, значения, направления и точки приложения которых указаны в таблице.
Определить реакции связей в точках А, В, вызываемые действующими нагрузками. При окончательных расчетах принять а = 0,5 м.
вариант 74 Углы D 30°, E 60°.


0075mЖесткая рама, расположенная в вертикальной плоскости (рис. С1.0—С1.9, табл. С1), закреплена а точке А шарнирно, а в точке В прикреплена или к невесомому стержню с шарнирами на концах, или к шарнирной опоре на катках.
В точке С к раме привязан трос, перекинутый через блок и несущий на конце груз весом Р = 25 кН. На раму действуют пара сил с моментом М = 100 кН∙м и две силы, значения, направления и точки приложения которых указаны в таблице.
Определить реакции связей в точках А, В, вызываемые действующими нагрузками. При окончательных расчетах принять а = 0,5 м.
вариант 75 Углы H 30°, D 75°.


0076mЖесткая рама, расположенная в вертикальной плоскости (рис. С1.0—С1.9, табл. С1), закреплена а точке А шарнирно, а в точке В прикреплена или к невесомому стержню с шарнирами на концах, или к шарнирной опоре на катках.
В точке С к раме привязан трос, перекинутый через блок и несущий на конце груз весом Р = 25 кН. На раму действуют пара сил с моментом М = 100 кН∙м и две силы, значения, направления и точки приложения которых указаны в таблице.
Определить реакции связей в точках А, В, вызываемые действующими нагрузками. При окончательных расчетах принять а = 0,5 м.
вариант 76 Углы E 60°, K 15°.


0077mЖесткая рама, расположенная в вертикальной плоскости (рис. С1.0—С1.9, табл. С1), закреплена а точке А шарнирно, а в точке В прикреплена или к невесомому стержню с шарнирами на концах, или к шарнирной опоре на катках.
В точке С к раме привязан трос, перекинутый через блок и несущий на конце груз весом Р = 25 кН. На раму действуют пара сил с моментом М = 100 кН∙м и две силы, значения, направления и точки приложения которых указаны в таблице.
Определить реакции связей в точках А, В, вызываемые действующими нагрузками. При окончательных расчетах принять а = 0,5 м.
вариант 77 Углы D 60°, H 15°.


0078mЖесткая рама, расположенная в вертикальной плоскости (рис. С1.0—С1.9, табл. С1), закреплена а точке А шарнирно, а в точке В прикреплена или к невесомому стержню с шарнирами на концах, или к шарнирной опоре на катках.
В точке С к раме привязан трос, перекинутый через блок и несущий на конце груз весом Р = 25 кН. На раму действуют пара сил с моментом М = 100 кН∙м и две силы, значения, направления и точки приложения которых указаны в таблице.
Определить реакции связей в точках А, В, вызываемые действующими нагрузками. При окончательных расчетах принять а = 0,5 м.
вариант 78 Углы H 30°, D 60°.


0079mЖесткая рама, расположенная в вертикальной плоскости (рис. С1.0—С1.9, табл. С1), закреплена а точке А шарнирно, а в точке В прикреплена или к невесомому стержню с шарнирами на концах, или к шарнирной опоре на катках.
В точке С к раме привязан трос, перекинутый через блок и несущий на конце груз весом Р = 25 кН. На раму действуют пара сил с моментом М = 100 кН∙м и две силы, значения, направления и точки приложения которых указаны в таблице.
Определить реакции связей в точках А, В, вызываемые действующими нагрузками. При окончательных расчетах принять а = 0,5 м.
вариант 79 Углы E 75°, K 30°.


0080mЖесткая рама, расположенная в вертикальной плоскости (рис. С1.0—С1.9, табл. С1), закреплена а точке А шарнирно, а в точке В прикреплена или к невесомому стержню с шарнирами на концах, или к шарнирной опоре на катках.
В точке С к раме привязан трос, перекинутый через блок и несущий на конце груз весом Р = 25 кН. На раму действуют пара сил с моментом М = 100 кН∙м и две силы, значения, направления и точки приложения которых указаны в таблице.
Определить реакции связей в точках А, В, вызываемые действующими нагрузками. При окончательных расчетах принять а = 0,5 м.
вариант 80 Углы H 30°, K 60°.


0081mЖесткая рама, расположенная в вертикальной плоскости (рис. С1.0—С1.9, табл. С1), закреплена а точке А шарнирно, а в точке В прикреплена или к невесомому стержню с шарнирами на концах, или к шарнирной опоре на катках.
В точке С к раме привязан трос, перекинутый через блок и несущий на конце груз весом Р = 25 кН. На раму действуют пара сил с моментом М = 100 кН∙м и две силы, значения, направления и точки приложения которых указаны в таблице.
Определить реакции связей в точках А, В, вызываемые действующими нагрузками. При окончательных расчетах принять а = 0,5 м.
вариант 81 Углы D 15°, E 60°.


0082mЖесткая рама, расположенная в вертикальной плоскости (рис. С1.0—С1.9, табл. С1), закреплена а точке А шарнирно, а в точке В прикреплена или к невесомому стержню с шарнирами на концах, или к шарнирной опоре на катках.
В точке С к раме привязан трос, перекинутый через блок и несущий на конце груз весом Р = 25 кН. На раму действуют пара сил с моментом М = 100 кН∙м и две силы, значения, направления и точки приложения которых указаны в таблице.
Определить реакции связей в точках А, В, вызываемые действующими нагрузками. При окончательных расчетах принять а = 0,5 м.
вариант 82 Углы K 75°, E 30°.


0083mЖесткая рама, расположенная в вертикальной плоскости (рис. С1.0—С1.9, табл. С1), закреплена а точке А шарнирно, а в точке В прикреплена или к невесомому стержню с шарнирами на концах, или к шарнирной опоре на катках.
В точке С к раме привязан трос, перекинутый через блок и несущий на конце груз весом Р = 25 кН. На раму действуют пара сил с моментом М = 100 кН∙м и две силы, значения, направления и точки приложения которых указаны в таблице.
Определить реакции связей в точках А, В, вызываемые действующими нагрузками. При окончательных расчетах принять а = 0,5 м.
вариант 83 Углы K 60°, H 30°.


0084mЖесткая рама, расположенная в вертикальной плоскости (рис. С1.0—С1.9, табл. С1), закреплена а точке А шарнирно, а в точке В прикреплена или к невесомому стержню с шарнирами на концах, или к шарнирной опоре на катках.
В точке С к раме привязан трос, перекинутый через блок и несущий на конце груз весом Р = 25 кН. На раму действуют пара сил с моментом М = 100 кН∙м и две силы, значения, направления и точки приложения которых указаны в таблице.
Определить реакции связей в точках А, В, вызываемые действующими нагрузками. При окончательных расчетах принять а = 0,5 м.
вариант 84 Углы D 30°, E 60°.


0085mЖесткая рама, расположенная в вертикальной плоскости (рис. С1.0—С1.9, табл. С1), закреплена а точке А шарнирно, а в точке В прикреплена или к невесомому стержню с шарнирами на концах, или к шарнирной опоре на катках.
В точке С к раме привязан трос, перекинутый через блок и несущий на конце груз весом Р = 25 кН. На раму действуют пара сил с моментом М = 100 кН∙м и две силы, значения, направления и точки приложения которых указаны в таблице.
Определить реакции связей в точках А, В, вызываемые действующими нагрузками. При окончательных расчетах принять а = 0,5 м.
вариант 85 Углы H 30°, D 75°.


0086mЖесткая рама, расположенная в вертикальной плоскости (рис. С1.0—С1.9, табл. С1), закреплена а точке А шарнирно, а в точке В прикреплена или к невесомому стержню с шарнирами на концах, или к шарнирной опоре на катках.
В точке С к раме привязан трос, перекинутый через блок и несущий на конце груз весом Р = 25 кН. На раму действуют пара сил с моментом М = 100 кН∙м и две силы, значения, направления и точки приложения которых указаны в таблице.
Определить реакции связей в точках А, В, вызываемые действующими нагрузками. При окончательных расчетах принять а = 0,5 м.
вариант 86 Углы E 60°, K 15°.


0087mЖесткая рама, расположенная в вертикальной плоскости (рис. С1.0—С1.9, табл. С1), закреплена а точке А шарнирно, а в точке В прикреплена или к невесомому стержню с шарнирами на концах, или к шарнирной опоре на катках.
В точке С к раме привязан трос, перекинутый через блок и несущий на конце груз весом Р = 25 кН. На раму действуют пара сил с моментом М = 100 кН∙м и две силы, значения, направления и точки приложения которых указаны в таблице.
Определить реакции связей в точках А, В, вызываемые действующими нагрузками. При окончательных расчетах принять а = 0,5 м.
вариант 87 Углы D 60°, H 15°.


0088mЖесткая рама, расположенная в вертикальной плоскости (рис. С1.0—С1.9, табл. С1), закреплена а точке А шарнирно, а в точке В прикреплена или к невесомому стержню с шарнирами на концах, или к шарнирной опоре на катках.
В точке С к раме привязан трос, перекинутый через блок и несущий на конце груз весом Р = 25 кН. На раму действуют пара сил с моментом М = 100 кН∙м и две силы, значения, направления и точки приложения которых указаны в таблице.
Определить реакции связей в точках А, В, вызываемые действующими нагрузками. При окончательных расчетах принять а = 0,5 м.
вариант 88 Углы H 30°, D 60°.


0089mЖесткая рама, расположенная в вертикальной плоскости (рис. С1.0—С1.9, табл. С1), закреплена а точке А шарнирно, а в точке В прикреплена или к невесомому стержню с шарнирами на концах, или к шарнирной опоре на катках.
В точке С к раме привязан трос, перекинутый через блок и несущий на конце груз весом Р = 25 кН. На раму действуют пара сил с моментом М = 100 кН∙м и две силы, значения, направления и точки приложения которых указаны в таблице.
Определить реакции связей в точках А, В, вызываемые действующими нагрузками. При окончательных расчетах принять а = 0,5 м.
вариант 89 Углы E 75°, K 30°.


0090mЖесткая рама, расположенная в вертикальной плоскости (рис. С1.0—С1.9, табл. С1), закреплена а точке А шарнирно, а в точке В прикреплена или к невесомому стержню с шарнирами на концах, или к шарнирной опоре на катках.
В точке С к раме привязан трос, перекинутый через блок и несущий на конце груз весом Р = 25 кН. На раму действуют пара сил с моментом М = 100 кН∙м и две силы, значения, направления и точки приложения которых указаны в таблице.
Определить реакции связей в точках А, В, вызываемые действующими нагрузками. При окончательных расчетах принять а = 0,5 м.
вариант 90 Углы H 30°, K 60°.


0091mЖесткая рама, расположенная в вертикальной плоскости (рис. С1.0—С1.9, табл. С1), закреплена а точке А шарнирно, а в точке В прикреплена или к невесомому стержню с шарнирами на концах, или к шарнирной опоре на катках.
В точке С к раме привязан трос, перекинутый через блок и несущий на конце груз весом Р = 25 кН. На раму действуют пара сил с моментом М = 100 кН∙м и две силы, значения, направления и точки приложения которых указаны в таблице.
Определить реакции связей в точках А, В, вызываемые действующими нагрузками. При окончательных расчетах принять а = 0,5 м.
вариант 91 Углы D 15°, E 60°.


0092mЖесткая рама, расположенная в вертикальной плоскости (рис. С1.0—С1.9, табл. С1), закреплена а точке А шарнирно, а в точке В прикреплена или к невесомому стержню с шарнирами на концах, или к шарнирной опоре на катках.
В точке С к раме привязан трос, перекинутый через блок и несущий на конце груз весом Р = 25 кН. На раму действуют пара сил с моментом М = 100 кН∙м и две силы, значения, направления и точки приложения которых указаны в таблице.
Определить реакции связей в точках А, В, вызываемые действующими нагрузками. При окончательных расчетах принять а = 0,5 м.
вариант 92 Углы K 75°, E 30°.


0093mЖесткая рама, расположенная в вертикальной плоскости (рис. С1.0—С1.9, табл. С1), закреплена а точке А шарнирно, а в точке В прикреплена или к невесомому стержню с шарнирами на концах, или к шарнирной опоре на катках.
В точке С к раме привязан трос, перекинутый через блок и несущий на конце груз весом Р = 25 кН. На раму действуют пара сил с моментом М = 100 кН∙м и две силы, значения, направления и точки приложения которых указаны в таблице.
Определить реакции связей в точках А, В, вызываемые действующими нагрузками. При окончательных расчетах принять а = 0,5 м.
вариант 93 Углы K 60°, H 30°.


0094mЖесткая рама, расположенная в вертикальной плоскости (рис. С1.0—С1.9, табл. С1), закреплена а точке А шарнирно, а в точке В прикреплена или к невесомому стержню с шарнирами на концах, или к шарнирной опоре на катках.
В точке С к раме привязан трос, перекинутый через блок и несущий на конце груз весом Р = 25 кН. На раму действуют пара сил с моментом М = 100 кН∙м и две силы, значения, направления и точки приложения которых указаны в таблице.
Определить реакции связей в точках А, В, вызываемые действующими нагрузками. При окончательных расчетах принять а = 0,5 м.
вариант 94 Углы D 30°, E 60°.


0095mЖесткая рама, расположенная в вертикальной плоскости (рис. С1.0—С1.9, табл. С1), закреплена а точке А шарнирно, а в точке В прикреплена или к невесомому стержню с шарнирами на концах, или к шарнирной опоре на катках.
В точке С к раме привязан трос, перекинутый через блок и несущий на конце груз весом Р = 25 кН. На раму действуют пара сил с моментом М = 100 кН∙м и две силы, значения, направления и точки приложения которых указаны в таблице.
Определить реакции связей в точках А, В, вызываемые действующими нагрузками. При окончательных расчетах принять а = 0,5 м.
вариант 95 Углы H 30°, D 75°.


0096mЖесткая рама, расположенная в вертикальной плоскости (рис. С1.0—С1.9, табл. С1), закреплена а точке А шарнирно, а в точке В прикреплена или к невесомому стержню с шарнирами на концах, или к шарнирной опоре на катках.
В точке С к раме привязан трос, перекинутый через блок и несущий на конце груз весом Р = 25 кН. На раму действуют пара сил с моментом М = 100 кН∙м и две силы, значения, направления и точки приложения которых указаны в таблице.
Определить реакции связей в точках А, В, вызываемые действующими нагрузками. При окончательных расчетах принять а = 0,5 м.
вариант 96 Углы E 60°, K 15°.


0097mЖесткая рама, расположенная в вертикальной плоскости (рис. С1.0—С1.9, табл. С1), закреплена а точке А шарнирно, а в точке В прикреплена или к невесомому стержню с шарнирами на концах, или к шарнирной опоре на катках.
В точке С к раме привязан трос, перекинутый через блок и несущий на конце груз весом Р = 25 кН. На раму действуют пара сил с моментом М = 100 кН∙м и две силы, значения, направления и точки приложения которых указаны в таблице.
Определить реакции связей в точках А, В, вызываемые действующими нагрузками. При окончательных расчетах принять а = 0,5 м.
вариант 97 Углы D 60°, H 15°.


0098mЖесткая рама, расположенная в вертикальной плоскости (рис. С1.0—С1.9, табл. С1), закреплена а точке А шарнирно, а в точке В прикреплена или к невесомому стержню с шарнирами на концах, или к шарнирной опоре на катках.
В точке С к раме привязан трос, перекинутый через блок и несущий на конце груз весом Р = 25 кН. На раму действуют пара сил с моментом М = 100 кН∙м и две силы, значения, направления и точки приложения которых указаны в таблице.
Определить реакции связей в точках А, В, вызываемые действующими нагрузками. При окончательных расчетах принять а = 0,5 м.
вариант 98 Углы H 30°, D 60°.


0099mЖесткая рама, расположенная в вертикальной плоскости (рис. С1.0—С1.9, табл. С1), закреплена а точке А шарнирно, а в точке В прикреплена или к невесомому стержню с шарнирами на концах, или к шарнирной опоре на катках.
В точке С к раме привязан трос, перекинутый через блок и несущий на конце груз весом Р = 25 кН. На раму действуют пара сил с моментом М = 100 кН∙м и две силы, значения, направления и точки приложения которых указаны в таблице.
Определить реакции связей в точках А, В, вызываемые действующими нагрузками. При окончательных расчетах принять а = 0,5 м.
вариант 99 Углы E 75°, K 30°.

