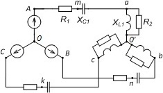
векторную диаграмму токов и напряжений
0141tВ цепи активные и реактивные сопротивления ветвей соответственно равны R
1, X
1, R
2, X
2. Ток, измеренный амперметром А, равен I
1. Определить: а) показания вольтметра и ваттметра; б) коэффициент мощности на зажимах цепи. Расчеты выполнить методом комплексных чисел. Построить векторную диаграмму.
I
1 = 3 A; R
1 = 3 Ом; Х
1 = 4 Ом; R
2 = 2 Ом; Х
2 = -5 Ом.

0142tВ цепи активные и реактивные сопротивления ветвей соответственно равны R
1, X
1, R
2, X
2. Ток, измеренный амперметром А, равен I
1. Определить: а) показания вольтметра и ваттметра; б) коэффициент мощности на зажимах цепи. Расчеты выполнить методом комплексных чисел. Построить векторную диаграмму.
I
1 = 4 A; R
1 = 3 Ом; Х
1 = 4 Ом; R
2 = 3 Ом; Х
2 = -6 Ом.

0143tВ цепи активные и реактивные сопротивления ветвей соответственно равны R
1, X
1, R
2, X
2. Ток, измеренный амперметром А, равен I
1. Определить: а) показания вольтметра и ваттметра; б) коэффициент мощности на зажимах цепи. Расчеты выполнить методом комплексных чисел. Построить векторную диаграмму.
I
1 = 5 A; R
1 = 3 Ом; Х
1 = 4 Ом; R
2 = 2 Ом; Х
2 = -5 Ом.

0144tВ цепи активные и реактивные сопротивления ветвей соответственно равны R
1, X
1, R
2, X
2. Ток, измеренный амперметром А, равен I
1. Определить: а) показания вольтметра и ваттметра; б) коэффициент мощности на зажимах цепи. Расчеты выполнить методом комплексных чисел. Построить векторную диаграмму.
I
1 = 3 A; R
1 = 4 Ом; Х
1 = 3 Ом; R
2 = 3 Ом; Х
2 = -6 Ом.

0145tВ цепи активные и реактивные сопротивления ветвей соответственно равны R
1, X
1, R
2, X
2. Ток, измеренный амперметром А, равен I
1. Определить: а) показания вольтметра и ваттметра; б) коэффициент мощности на зажимах цепи. Расчеты выполнить методом комплексных чисел. Построить векторную диаграмму.
I
1 = 4 A; R
1 = 4 Ом; Х
1 = 3 Ом; R
2 = 4 Ом; Х
2 = -2 Ом.

0146tВ цепи активные и реактивные сопротивления ветвей соответственно равны R
1, X
1, R
2, X
2. Ток, измеренный амперметром А, равен I
1. Определить: а) показания вольтметра и ваттметра; б) коэффициент мощности на зажимах цепи. Расчеты выполнить методом комплексных чисел. Построить векторную диаграмму.
I
1 = 5 A; R
1 = 4 Ом; Х
1 = 3 Ом; R
2 = 5 Ом; Х
2 = -3 Ом.

0147tВ цепи активные и реактивные сопротивления ветвей соответственно равны R
1, X
1, R
2, X
2. Ток, измеренный амперметром А, равен I
1. Определить: а) показания вольтметра и ваттметра; б) коэффициент мощности на зажимах цепи. Расчеты выполнить методом комплексных чисел. Построить векторную диаграмму.
I
1 = 3 A; R
1 = 6 Ом; Х
1 = 8 Ом; R
2 = 4 Ом; Х
2 = -2 Ом.

0148tВ цепи активные и реактивные сопротивления ветвей соответственно равны R
1, X
1, R
2, X
2. Ток, измеренный амперметром А, равен I
1. Определить: а) показания вольтметра и ваттметра; б) коэффициент мощности на зажимах цепи. Расчеты выполнить методом комплексных чисел. Построить векторную диаграмму.
I
1 = 4 A; R
1 = 6 Ом; Х
1 = 8 Ом; R
2 = 5 Ом; Х
2 = -3 Ом.

0149tВ цепи активные и реактивные сопротивления ветвей соответственно равны R
1, X
1, R
2, X
2. Ток, измеренный амперметром А, равен I
1. Определить: а) показания вольтметра и ваттметра; б) коэффициент мощности на зажимах цепи. Расчеты выполнить методом комплексных чисел. Построить векторную диаграмму.
I
1 = 5 A; R
1 = 8 Ом; Х
1 = 6 Ом; R
2 = 4 Ом; Х
2 = -4 Ом.

0150tВ цепи активные и реактивные сопротивления ветвей соответственно равны R
1, X
1, R
2, X
2. Ток, измеренный амперметром А, равен I
1. Определить: а) показания вольтметра и ваттметра; б) коэффициент мощности на зажимах цепи. Расчеты выполнить методом комплексных чисел. Построить векторную диаграмму.
I
1 = 6 A; R
1 = 8 Ом; Х
1 = 6 Ом; R
2 = 5 Ом; Х
2 = -4 Ом.

0151tВ цепи активные и реактивные сопротивления соответственно равны R
1, Х
1, R
2, Х
2, R
3, Х
3. К зажимам цепи приложено синусоидальное напряжение, действующее значение которого равно U. Определить а) действующие значения токов в ветвях и в неразветвленном участке; б) активную, реактивную и полную мощности в обеих ветвях и на зажимах цепи. Расчет выполнить комплексным методом. Построить векторную диаграмму.
U = 60 B; R
1= 0,5 Ом; X
1= 1 Ом; R
2= 3 Ом; X
2= 4 Ом; R
3= 1,5 Ом; X
3= -2 Ом.

0152tВ цепи активные и реактивные сопротивления соответственно равны R
1, Х
1, R
2, Х
2, R
3, Х
3. К зажимам цепи приложено синусоидальное напряжение, действующее значение которого равно U. Определить а) действующие значения токов в ветвях и в неразветвленном участке; б) активную, реактивную и полную мощности в обеих ветвях и на зажимах цепи. Расчет выполнить комплексным методом. Построить векторную диаграмму.
U = 70 B; R
1= 0,5 Ом; X
1= 1 Ом; R
2= 4 Ом; X
2= -3 Ом; R
3= 1,5 Ом; X
3= 2 Ом.

0153tВ цепи активные и реактивные сопротивления соответственно равны R
1, Х
1, R
2, Х
2, R
3, Х
3. К зажимам цепи приложено синусоидальное напряжение, действующее значение которого равно U. Определить а) действующие значения токов в ветвях и в неразветвленном участке; б) активную, реактивную и полную мощности в обеих ветвях и на зажимах цепи. Расчет выполнить комплексным методом. Построить векторную диаграмму.
U = 80 B; R
1= 0,5 Ом; X
1= 1 Ом; R
2= 6 Ом; X
2= 8 Ом; R
3= 2 Ом; X
3= -1,5 Ом.

0154tВ цепи активные и реактивные сопротивления соответственно равны R
1, Х
1, R
2, Х
2, R
3, Х
3. К зажимам цепи приложено синусоидальное напряжение, действующее значение которого равно U. Определить а) действующие значения токов в ветвях и в неразветвленном участке; б) активную, реактивную и полную мощности в обеих ветвях и на зажимах цепи. Расчет выполнить комплексным методом. Построить векторную диаграмму.
U = 90 B; R
1= 0,5 Ом; X
1= 1 Ом; R
2= 8 Ом; X
2= -6 Ом; R
3= 2 Ом; X
3= -1,5 Ом.

0155tВ цепи активные и реактивные сопротивления соответственно равны R
1, Х
1, R
2, Х
2, R
3, Х
3. К зажимам цепи приложено синусоидальное напряжение, действующее значение которого равно U. Определить а) действующие значения токов в ветвях и в неразветвленном участке; б) активную, реактивную и полную мощности в обеих ветвях и на зажимах цепи. Расчет выполнить комплексным методом. Построить векторную диаграмму.
U = 100 B; R
1= 0,5 Ом; X
1= 1 Ом; R
2= 3 Ом; X
2= 4 Ом; R
3= 6 Ом; X
3= -8 Ом.

0156tВ цепи активные и реактивные сопротивления соответственно равны R
1, Х
1, R
2, Х
2, R
3, Х
3. К зажимам цепи приложено синусоидальное напряжение, действующее значение которого равно U. Определить а) действующие значения токов в ветвях и в неразветвленном участке; б) активную, реактивную и полную мощности в обеих ветвях и на зажимах цепи. Расчет выполнить комплексным методом. Построить векторную диаграмму.
U = 120 B; R
1= 1 Ом; X
1= 0,5 Ом; R
2= 4 Ом; X
2= -3 Ом; R
3= 8 Ом; X
3= 6 Ом.

0157tВ цепи активные и реактивные сопротивления соответственно равны R
1, Х
1, R
2, Х
2, R
3, Х
3. К зажимам цепи приложено синусоидальное напряжение, действующее значение которого равно U. Определить а) действующие значения токов в ветвях и в неразветвленном участке; б) активную, реактивную и полную мощности в обеих ветвях и на зажимах цепи. Расчет выполнить комплексным методом. Построить векторную диаграмму.
U = 100 B; R
1= 1 Ом; X
1= 0,5 Ом; R
2= 6 Ом; X
2= 8 Ом; R
3= 1,5 Ом; X
3= -2 Ом.

0158tВ цепи активные и реактивные сопротивления соответственно равны R
1, Х
1, R
2, Х
2, R
3, Х
3. К зажимам цепи приложено синусоидальное напряжение, действующее значение которого равно U. Определить а) действующие значения токов в ветвях и в неразветвленном участке; б) активную, реактивную и полную мощности в обеих ветвях и на зажимах цепи. Расчет выполнить комплексным методом. Построить векторную диаграмму.
U = 90 B; R
1= 1 Ом; X
1= 0,5 Ом; R
2= 8 Ом; X
2= -6 Ом; R
3= 1,5 Ом; X
3= 2 Ом.

0159tВ цепи активные и реактивные сопротивления соответственно равны R
1, Х
1, R
2, Х
2, R
3, Х
3. К зажимам цепи приложено синусоидальное напряжение, действующее значение которого равно U. Определить а) действующие значения токов в ветвях и в неразветвленном участке; б) активную, реактивную и полную мощности в обеих ветвях и на зажимах цепи. Расчет выполнить комплексным методом. Построить векторную диаграмму.
U = 80 B; R
1= 1 Ом; X
1= 0,5 Ом; R
2= 3 Ом; X
2= 1 Ом; R
3= 2 Ом; X
3= -1,5 Ом.

0160tВ цепи активные и реактивные сопротивления соответственно равны R
1, Х
1, R
2, Х
2, R
3, Х
3. К зажимам цепи приложено синусоидальное напряжение, действующее значение которого равно U. Определить а) действующие значения токов в ветвях и в неразветвленном участке; б) активную, реактивную и полную мощности в обеих ветвях и на зажимах цепи. Расчет выполнить комплексным методом. Построить векторную диаграмму.
U = 110 B; R
1= 1 Ом; X
1= 0,5 Ом; R
2= 4 Ом; X
2= -2 Ом; R
3= 2 Ом; X
3= 1,5 Ом.

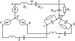
0171tВ цепь синусоидального тока частотой f = 50 Гц включены две параллельные ветви. Параметры элементов известны: R
1, R
2, L, C. Напряжение на конденсаторе U
C. Найти токи в ветвях и в неразветвленной части цепи. Определить сдвиги фаз всей цепи и в обеих ветвях. Построить топографическую векторную диаграмму.
f=50Гц; U
C=30B; L=0,096Гн; С=630мкФ; R
1=4 Ом; R
2=5 Ом.

0172tВ цепь синусоидального тока частотой f = 50 Гц включены две параллельные ветви. Параметры элементов известны: R
1, R
2, L, C. Напряжение на конденсаторе U
C. Найти токи в ветвях и в неразветвленной части цепи. Определить сдвиги фаз всей цепи и в обеих ветвях. Построить топографическую векторную диаграмму.
f=50Гц; U
C=20B; L=0,0127Гн; С=400мкФ; R
1=6 Ом; R
2=3 Ом.

0173tВ цепь синусоидального тока частотой f = 50 Гц включены две параллельные ветви. Параметры элементов известны: R
1, R
2, L, C. Напряжение на конденсаторе U
C. Найти токи в ветвях и в неразветвленной части цепи. Определить сдвиги фаз всей цепи и в обеих ветвях. Построить топографическую векторную диаграмму.
f=50Гц; U
C=40B; L=0,019Гн; С=500мкФ; R
1=3 Ом; R
2=4 Ом.

0174tВ цепь синусоидального тока частотой f = 50 Гц включены две параллельные ветви. Параметры элементов известны: R
1, R
2, L, C. Напряжение на конденсаторе U
C. Найти токи в ветвях и в неразветвленной части цепи. Определить сдвиги фаз всей цепи и в обеих ветвях. Построить топографическую векторную диаграмму.
f=50Гц; U
C=50B; L=0,016Гн; С=680мкФ; R
1=8 Ом; R
2=4 Ом.

0175tВ цепь синусоидального тока частотой f = 50 Гц включены две параллельные ветви. Параметры элементов известны: R
1, R
2, L, C. Напряжение на конденсаторе U
C. Найти токи в ветвях и в неразветвленной части цепи. Определить сдвиги фаз всей цепи и в обеих ветвях. Построить топографическую векторную диаграмму.
f=50Гц; U
C=60B; L=0,032Гн; С=750мкФ; R
1=5 Ом; R
2=6 Ом.

0176tВ цепь синусоидального тока частотой f = 50 Гц включены две параллельные ветви. Параметры элементов известны: R
1, R
2, L, C. Напряжение на конденсаторе U
C. Найти токи в ветвях и в неразветвленной части цепи. Определить сдвиги фаз всей цепи и в обеих ветвях. Построить топографическую векторную диаграмму.
f=50Гц; U
C=40B; L=0,019Гн; С=600мкФ; R
1=7 Ом; R
2=5 Ом.

0177tВ цепь синусоидального тока частотой f = 50 Гц включены две параллельные ветви. Параметры элементов известны: R
1, R
2, L, C. Напряжение на конденсаторе U
C. Найти токи в ветвях и в неразветвленной части цепи. Определить сдвиги фаз всей цепи и в обеих ветвях. Построить топографическую векторную диаграмму.
f=50Гц; U
C=30B; L=0,0127Гн; С=320мкФ; R
1=6 Ом; R
2=3 Ом.

0178tВ цепь синусоидального тока частотой f = 50 Гц включены две параллельные ветви. Параметры элементов известны: R
1, R
2, L, C. Напряжение на конденсаторе U
C. Найти токи в ветвях и в неразветвленной части цепи. Определить сдвиги фаз всей цепи и в обеих ветвях. Построить топографическую векторную диаграмму.
f=50Гц; U
C=20B; L=0,0096Гн; С=400мкФ; R
1=5 Ом; R
2=4 Ом.

0179tВ цепь синусоидального тока частотой f = 50 Гц включены две параллельные ветви. Параметры элементов известны: R
1, R
2, L, C. Напряжение на конденсаторе U
C. Найти токи в ветвях и в неразветвленной части цепи. Определить сдвиги фаз всей цепи и в обеих ветвях. Построить топографическую векторную диаграмму.
f=50Гц; U
C=50B; L=0,0127Гн; С=500мкФ; R
1=3 Ом; R
2=6 Ом.

0180tВ цепь синусоидального тока частотой f = 50 Гц включены две параллельные ветви. Параметры элементов известны: R
1, R
2, L, C. Напряжение на конденсаторе U
C. Найти токи в ветвях и в неразветвленной части цепи. Определить сдвиги фаз всей цепи и в обеих ветвях. Построить топографическую векторную диаграмму.
f=50Гц; U
C=60B; L=0,016Гн; С=320мкФ; R
1=4 Ом; R
2=5 Ом.

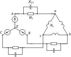
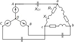
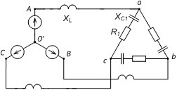
0236tК трехфазной линии с линейным напряжением U
л подключен симметричный трехфазный приемник, соединенный треугольником. Активное и реактивное сопротивления фазы приемника соответственно равны R
ф и Х
ф. Определить токи в фазах приемника и линейных проводах, а также потребляемую приемником активную мощность в режимах: а) симметричном трехфазном; б) при обрыве одной фазы приемника; в) при обрыве линейного провода (вследствие сгорания плавкой вставки предохранителя). Построить для всех трех режимов топографические диаграммы напряжений и показать на них векторы токов.
U
л = 127 B; R
ф = 3 Ом; Х
ф = 4 Ом.

0237tК трехфазной линии с линейным напряжением U
л подключен симметричный трехфазный приемник, соединенный треугольником. Активное и реактивное сопротивления фазы приемника соответственно равны R
ф и Х
ф. Определить токи в фазах приемника и линейных проводах, а также потребляемую приемником активную мощность в режимах: а) симметричном трехфазном; б) при обрыве одной фазы приемника; в) при обрыве линейного провода (вследствие сгорания плавкой вставки предохранителя). Построить для всех трех режимов топографические диаграммы напряжений и показать на них векторы токов.
U
л = 220 B; R
ф = 6 Ом; Х
ф = 8 Ом.

0238tК трехфазной линии с линейным напряжением U
л подключен симметричный трехфазный приемник, соединенный треугольником. Активное и реактивное сопротивления фазы приемника соответственно равны R
ф и Х
ф. Определить токи в фазах приемника и линейных проводах, а также потребляемую приемником активную мощность в режимах: а) симметричном трехфазном; б) при обрыве одной фазы приемника; в) при обрыве линейного провода (вследствие сгорания плавкой вставки предохранителя). Построить для всех трех режимов топографические диаграммы напряжений и показать на них векторы токов.
U
л = 380 B; R
ф = 8 Ом; Х
ф = 15 Ом.

0239tК трехфазной линии с линейным напряжением U
л подключен симметричный трехфазный приемник, соединенный треугольником. Активное и реактивное сопротивления фазы приемника соответственно равны R
ф и Х
ф. Определить токи в фазах приемника и линейных проводах, а также потребляемую приемником активную мощность в режимах: а) симметричном трехфазном; б) при обрыве одной фазы приемника; в) при обрыве линейного провода (вследствие сгорания плавкой вставки предохранителя). Построить для всех трех режимов топографические диаграммы напряжений и показать на них векторы токов.
U
л = 127 B; R
ф = 4 Ом; Х
ф = 3 Ом.

0240tК трехфазной линии с линейным напряжением U
л подключен симметричный трехфазный приемник, соединенный треугольником. Активное и реактивное сопротивления фазы приемника соответственно равны R
ф и Х
ф. Определить токи в фазах приемника и линейных проводах, а также потребляемую приемником активную мощность в режимах: а) симметричном трехфазном; б) при обрыве одной фазы приемника; в) при обрыве линейного провода (вследствие сгорания плавкой вставки предохранителя). Построить для всех трех режимов топографические диаграммы напряжений и показать на них векторы токов.
U
л = 220 B; R
ф = 8 Ом; Х
ф = 6 Ом.

0241tК трехфазной линии с линейным напряжением U
л подключен симметричный трехфазный приемник, соединенный треугольником. Активное и реактивное сопротивления фазы приемника соответственно равны R
ф и Х
ф. Определить токи в фазах приемника и линейных проводах, а также потребляемую приемником активную мощность в режимах: а) симметричном трехфазном; б) при обрыве одной фазы приемника; в) при обрыве линейного провода (вследствие сгорания плавкой вставки предохранителя). Построить для всех трех режимов топографические диаграммы напряжений и показать на них векторы токов.
U
л = 380 B; R
ф = 15 Ом; Х
ф = 8 Ом.

0242tК трехфазной линии с линейным напряжением U
л подключен симметричный трехфазный приемник, соединенный треугольником. Активное и реактивное сопротивления фазы приемника соответственно равны R
ф и Х
ф. Определить токи в фазах приемника и линейных проводах, а также потребляемую приемником активную мощность в режимах: а) симметричном трехфазном; б) при обрыве одной фазы приемника; в) при обрыве линейного провода (вследствие сгорания плавкой вставки предохранителя). Построить для всех трех режимов топографические диаграммы напряжений и показать на них векторы токов.
U
л = 127 B; R
ф = 3 Ом; Х
ф = -4 Ом.

0243tК трехфазной линии с линейным напряжением U
л подключен симметричный трехфазный приемник, соединенный треугольником. Активное и реактивное сопротивления фазы приемника соответственно равны R
ф и Х
ф. Определить токи в фазах приемника и линейных проводах, а также потребляемую приемником активную мощность в режимах: а) симметричном трехфазном; б) при обрыве одной фазы приемника; в) при обрыве линейного провода (вследствие сгорания плавкой вставки предохранителя). Построить для всех трех режимов топографические диаграммы напряжений и показать на них векторы токов.
U
л = 220 B; R
ф = 6 Ом; Х
ф = -8 Ом.

0244tК трехфазной линии с линейным напряжением U
л подключен симметричный трехфазный приемник, соединенный треугольником. Активное и реактивное сопротивления фазы приемника соответственно равны R
ф и Х
ф. Определить токи в фазах приемника и линейных проводах, а также потребляемую приемником активную мощность в режимах: а) симметричном трехфазном; б) при обрыве одной фазы приемника; в) при обрыве линейного провода (вследствие сгорания плавкой вставки предохранителя). Построить для всех трех режимов топографические диаграммы напряжений и показать на них векторы токов.
U
л = 380 B; R
ф = 8 Ом; Х
ф = -15 Ом.

0245tК трехфазной линии с линейным напряжением U
л подключен симметричный трехфазный приемник, соединенный треугольником. Активное и реактивное сопротивления фазы приемника соответственно равны R
ф и Х
ф. Определить токи в фазах приемника и линейных проводах, а также потребляемую приемником активную мощность в режимах: а) симметричном трехфазном; б) при обрыве одной фазы приемника; в) при обрыве линейного провода (вследствие сгорания плавкой вставки предохранителя). Построить для всех трех режимов топографические диаграммы напряжений и показать на них векторы токов.
U
л = 220 B; R
ф = 6 Ом; Х
ф = -8 Ом.

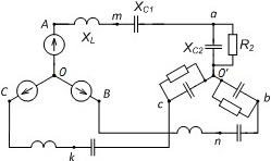
0276tК трехфазной линии с линейным напряжением U
л подключены: трехфазный симметричный приемник, соединенный треугольником, и группа однофазных приемников, соединенных по схеме "звезда" с нейтральным проводом. Комплексное сопротивления фазы симметричного приемника задано: Z
ф=Z
фе
jφф. Мощности, потребляемые однофазными приемниками, равны Р
а, Р
b, P
c при cosφ=1. Сопротивление нейтрального провода Z
N пренебрежимо мало. Определить: а) фазные и линейные токи в приемнике, соединенном треугольником; б) токи в однофазных приемниках; в) активную, реактивную и полную мощности на зажимах линии. Построить топографическую диаграмму напряжений и векторную диаграмму токов. Пользуясь векторной диаграммой токов, определить показание каждого из амперметров.
U
л = 220 B; Z
ф = 10 Ом; φ
ф = 15 град; Р
а = 2200 Вт; Р
b = 4400 Вт; P
c = 6600 Вт.

0277tК трехфазной линии с линейным напряжением U
л подключены: трехфазный симметричный приемник, соединенный треугольником, и группа однофазных приемников, соединенных по схеме "звезда" с нейтральным проводом. Комплексное сопротивления фазы симметричного приемника задано: Z
ф=Z
фе
jφф. Мощности, потребляемые однофазными приемниками, равны Р
а, Р
b, P
c при cosφ=1. Сопротивление нейтрального провода Z
N пренебрежимо мало. Определить: а) фазные и линейные токи в приемнике, соединенном треугольником; б) токи в однофазных приемниках; в) активную, реактивную и полную мощности на зажимах линии. Построить топографическую диаграмму напряжений и векторную диаграмму токов. Пользуясь векторной диаграммой токов, определить показание каждого из амперметров.
U
л = 220 B; Z
ф = 11 Ом; φ
ф = 30 Ом; P
a = 1200 Ом; P
b = 2400 Ом; P
c = 3600 Ом.

0278tК трехфазной линии с линейным напряжением U
л подключены: трехфазный симметричный приемник, соединенный треугольником, и группа однофазных приемников, соединенных по схеме "звезда" с нейтральным проводом. Комплексное сопротивления фазы симметричного приемника задано: Z
ф=Z
фе
jφф. Мощности, потребляемые однофазными приемниками, равны Р
а, Р
b, P
c при cosφ=1. Сопротивление нейтрального провода Z
N пренебрежимо мало. Определить: а) фазные и линейные токи в приемнике, соединенном треугольником; б) токи в однофазных приемниках; в) активную, реактивную и полную мощности на зажимах линии. Построить топографическую диаграмму напряжений и векторную диаграмму токов. Пользуясь векторной диаграммой токов, определить показание каждого из амперметров.
U
л = 380 B; Z
ф = 20 Ом; φ
ф = 15 Ом; P
a = 5500 Ом; P
b = 3300 Ом; P
c = 7700 Ом.

0279tК трехфазной линии с линейным напряжением U
л подключены: трехфазный симметричный приемник, соединенный треугольником, и группа однофазных приемников, соединенных по схеме "звезда" с нейтральным проводом. Комплексное сопротивления фазы симметричного приемника задано: Z
ф=Z
фе
jφф. Мощности, потребляемые однофазными приемниками, равны Р
а, Р
b, P
c при cosφ=1. Сопротивление нейтрального провода Z
N пренебрежимо мало. Определить: а) фазные и линейные токи в приемнике, соединенном треугольником; б) токи в однофазных приемниках; в) активную, реактивную и полную мощности на зажимах линии. Построить топографическую диаграмму напряжений и векторную диаграмму токов. Пользуясь векторной диаграммой токов, определить показание каждого из амперметров.
U
л = 380 B; Z
ф = 19 Ом; φ
ф = 30 град; Р
а = 550 Вт; Р
b = 1100 Вт; P
c = 1650 Вт.

0280tК трехфазной линии с линейным напряжением U
л подключены: трехфазный симметричный приемник, соединенный треугольником, и группа однофазных приемников, соединенных по схеме "звезда" с нейтральным проводом. Комплексное сопротивления фазы симметричного приемника задано: Z
ф=Z
фе
jφф. Мощности, потребляемые однофазными приемниками, равны Р
а, Р
b, P
c при cosφ=1. Сопротивление нейтрального провода Z
N пренебрежимо мало. Определить: а) фазные и линейные токи в приемнике, соединенном треугольником; б) токи в однофазных приемниках; в) активную, реактивную и полную мощности на зажимах линии. Построить топографическую диаграмму напряжений и векторную диаграмму токов. Пользуясь векторной диаграммой токов, определить показание каждого из амперметров.
U
л = 220 B; Z
ф = 22 Ом; φ
ф = 30 град; Р
а = 2000 Вт; Р
b = 4000 Вт; P
c = 6000 Вт.

0281tК трехфазной линии с линейным напряжением U
л подключены: трехфазный симметричный приемник, соединенный треугольником, и группа однофазных приемников, соединенных по схеме "звезда" с нейтральным проводом. Комплексное сопротивления фазы симметричного приемника задано: Z
ф=Z
фе
jφф. Мощности, потребляемые однофазными приемниками, равны Р
а, Р
b, P
c при cosφ=1. Сопротивление нейтрального провода Z
N пренебрежимо мало. Определить: а) фазные и линейные токи в приемнике, соединенном треугольником; б) токи в однофазных приемниках; в) активную, реактивную и полную мощности на зажимах линии. Построить топографическую диаграмму напряжений и векторную диаграмму токов. Пользуясь векторной диаграммой токов, определить показание каждого из амперметров.
U
л = 220 B; Z
ф = 20 Ом; φ
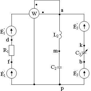
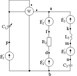
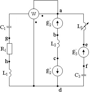
ф = 45 град; Р
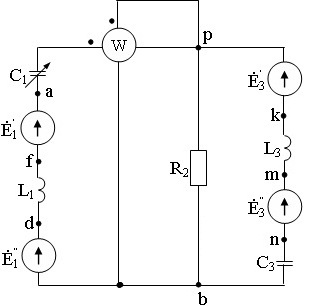
а = 2400 Вт; Р
b = 1200 Вт; P
c = 1200 Вт.

0282tК трехфазной линии с линейным напряжением U
л подключены: трехфазный симметричный приемник, соединенный треугольником, и группа однофазных приемников, соединенных по схеме "звезда" с нейтральным проводом. Комплексное сопротивления фазы симметричного приемника задано: Z
ф=Z
фе
jφф. Мощности, потребляемые однофазными приемниками, равны Р
а, Р
b, P
c при cosφ=1. Сопротивление нейтрального провода Z
N пренебрежимо мало. Определить: а) фазные и линейные токи в приемнике, соединенном треугольником; б) токи в однофазных приемниках; в) активную, реактивную и полную мощности на зажимах линии. Построить топографическую диаграмму напряжений и векторную диаграмму токов. Пользуясь векторной диаграммой токов, определить показание каждого из амперметров.
U
л = 380 B; Z
ф = 38 Ом; φ
ф = 45 град; Р
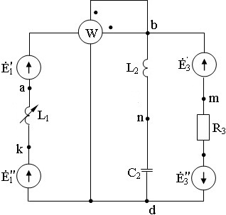
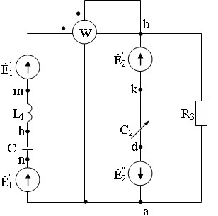
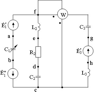
а = 1600 Вт; Р
b = 3200 Вт; P
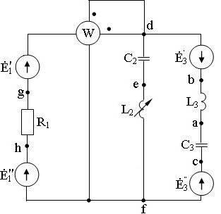
c = 4800 Вт.

0283tК трехфазной линии с линейным напряжением U
л подключены: трехфазный симметричный приемник, соединенный треугольником, и группа однофазных приемников, соединенных по схеме "звезда" с нейтральным проводом. Комплексное сопротивления фазы симметричного приемника задано: Z
ф=Z
фе
jφф. Мощности, потребляемые однофазными приемниками, равны Р
а, Р
b, P
c при cosφ=1. Сопротивление нейтрального провода Z
N пренебрежимо мало. Определить: а) фазные и линейные токи в приемнике, соединенном треугольником; б) токи в однофазных приемниках; в) активную, реактивную и полную мощности на зажимах линии. Построить топографическую диаграмму напряжений и векторную диаграмму токов. Пользуясь векторной диаграммой токов, определить показание каждого из амперметров.
U
л = 380 B; Z
ф = 20 Ом; φ
ф = 30 град; Р
а = 3600 Вт; Р
b = 7200 Вт; P
c = 2400 Вт.

0284tК трехфазной линии с линейным напряжением U
л подключены: трехфазный симметричный приемник, соединенный треугольником, и группа однофазных приемников, соединенных по схеме "звезда" с нейтральным проводом. Комплексное сопротивления фазы симметричного приемника задано: Z
ф=Z
фе
jφф. Мощности, потребляемые однофазными приемниками, равны Р
а, Р
b, P
c при cosφ=1. Сопротивление нейтрального провода Z
N пренебрежимо мало. Определить: а) фазные и линейные токи в приемнике, соединенном треугольником; б) токи в однофазных приемниках; в) активную, реактивную и полную мощности на зажимах линии. Построить топографическую диаграмму напряжений и векторную диаграмму токов. Пользуясь векторной диаграммой токов, определить показание каждого из амперметров.
U
л = 500 B; Z
ф = 50 Ом; φ
ф = 30 град; Р
а = 1200 Вт; Р
b = 1800 Вт; P
c = 2400 Вт.

0285tК трехфазной линии с линейным напряжением U
л подключены: трехфазный симметричный приемник, соединенный треугольником, и группа однофазных приемников, соединенных по схеме "звезда" с нейтральным проводом. Комплексное сопротивления фазы симметричного приемника задано: Z
ф=Z
фе
jφф. Мощности, потребляемые однофазными приемниками, равны Р
а, Р
b, P
c при cosφ=1. Сопротивление нейтрального провода Z
N пренебрежимо мало. Определить: а) фазные и линейные токи в приемнике, соединенном треугольником; б) токи в однофазных приемниках; в) активную, реактивную и полную мощности на зажимах линии. Построить топографическую диаграмму напряжений и векторную диаграмму токов. Пользуясь векторной диаграммой токов, определить показание каждого из амперметров.
U
л = 500 B; Z
ф = 25 Ом; φ
ф = 15 Ом; P
a = 2000 Ом; P
b = 4000 Ом; P
c = 1000 Ом.

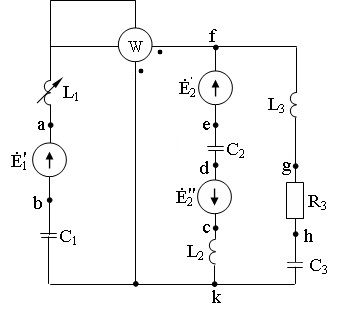
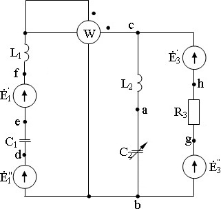
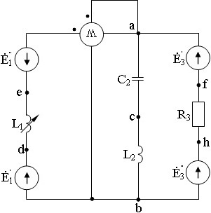
0513tДля электрической схемы, соответствующей номеру варианта (табл. 2-1) и изображенной на рис. 2.1—2.20, выполнить следующее:
1. На основании законов Кирхгофа составить в общем виде систему уравнений для расчета токов во всех ветвях цепи, записав ее в двух формах: а) дифференциальной; б) символической.
2. Определить комплексы действующих значений токов во всех ветвях, воспользовавшись одним из методов расчета линейных, электрических цепей.
3. По результатам, полученным в п. 2, определить показание ваттметра двумя способами: а) с помощью выражения для комплексов тока и напряжения на ваттметре; б) по формуле UIcosφ. С помощью векторной диаграммы тока и напряжения, на которые реагирует ваттметр, пояснить определение угла φ = φ
u–φ
i.
4. Построить топографическую диаграмму, совмещенную с векторной диаграммой токов. При этом потенциал точки а, указанной на схеме, принять равным нулю.
L1 = 1600мГн=1,6Гн
L2 = 250мГн=0,25Гн
С1 = 5,3мкФ= 5,3•10−6Ф
С2 = 66мкФ= 66•10−6Ф
R3 = 100 Ом
f = 50 Гц
е′1 = 0
е′′1 = 141sin(ωt)
е′3 = 141cos(ωt) = 141sin(ωt+90°)
е′′3 = 0

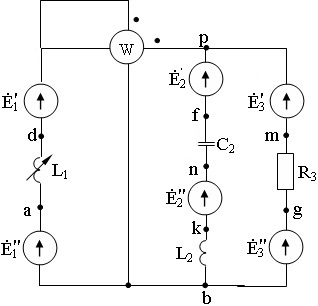
0514tДля электрической схемы, соответствующей номеру варианта (табл. 2-1) и изображенной на рис. 2.1—2.20, выполнить следующее:
1. На основании законов Кирхгофа составить в общем виде систему уравнений для расчета токов во всех ветвях цепи, записав ее в двух формах: а) дифференциальной; б) символической.
2. Определить комплексы действующих значений токов во всех ветвях, воспользовавшись одним из методов расчета линейных, электрических цепей.
3. По результатам, полученным в п. 2, определить показание ваттметра двумя способами: а) с помощью выражения для комплексов тока и напряжения на ваттметре; б) по формуле UIcosφ. С помощью векторной диаграммы тока и напряжения, на которые реагирует ваттметр, пояснить определение угла φ = φ
u–φ
i.
4. Построить топографическую диаграмму, совмещенную с векторной диаграммой токов. При этом потенциал точки а, указанной на схеме, принять равным нулю.
L1 = 0
L2 = 320 мГн
L3 = 580 мГн
С1 = ∞
С2 = —
С2 = 178 мкФ
R1 = 60 Ом
R2 = —
R3 = —
f = 30 Гц
е'1 = —
е''1 = —
е'2 = 689cos(ωt–78°) В
е"2 = 496sin(ωt–59°40') В
е'3 = 75sin(ωt–53°) В
е''3 = —

0516tНа рис. 3-1—3-20 приведены схемы трехфазных цепей. В каждой из них имеется трехфазный генератор (создающий трехфазную симметричную синусоидальную э. д. с.) и симметричная нагрузка. Значения амплитуды э. д. с. фазы генератора E
Am, периода T, параметров R
1, R
2, L, C
1 и C
2 приведены в табл. 3-1. Начальную фазу э. д. с. e
A принять нулевой. Требуется: определить мгновенное значение напряжения между заданными точками и подсчитать активную мощность трехфазной системы. Построить векторную диаграмму токов и напряжений.
EA=20B
T=0,01c
L=23,8мГн
C1=140,4мкФ
C2=91,9мкФ
R1=17,32 Ом
Uab — ?

0517tРассчитать токи, построить векторную диаграмму токов и напряжений, определить мгновенное значение напряжения между заданными точками и подсчитать активную мощность трёхфазной системы.
EA=70B
T=0,015c
L=41,4мГн
C1=175,1мкФ
R1=17,32 Ом
Ubc — ?

0518tРассчитать токи, построить векторную диаграмму токов и напряжений, определить мгновенное значение напряжения между заданными точками и подсчитать активную мощность трёхфазной системы.
EA=50B
T=0,015c
L=8,75мГн
C1=138мкФ
C2= —
R1=17,32 Ом
Ubc — ?

0519tРассчитать токи, построить векторную диаграмму токов и напряжений, определить мгновенное значение напряжения между заданными точками и подсчитать активную мощность трёхфазной системы.
EA=200B
T=0,015c
L=22,32мГн
C1=276мкФ
R1=4,33 Ом
R2= 8,66 Ом
Ubc — ?

0520tРассчитать токи, построить векторную диаграмму токов и напряжений, определить мгновенное значение напряжения между заданными точками и подсчитать активную мощность трёхфазной системы.
EA=20B
T=0,015c
L=35,88мГн
C1=210,9мкФ
C2= 138 мкФ
R1=17,32 Ом
R2= —
Ubc — ?

0521tРассчитать токи, построить векторную диаграмму токов и напряжений, определить мгновенное значение напряжения между заданными точками и подсчитать активную мощность трёхфазной системы.
EA=40B
T=0,02c
L=23,88мГн
C1=1274,8мкФ
C2=106,1мкФ
R1=8,66 Ом
Ucа — ?

0522tРассчитать токи, построить векторную диаграмму токов и напряжений, определить мгновенное значение напряжения между заданными точками и подсчитать активную мощность трёхфазной системы.
EA=180B
T=0,02c
L=143,3мГн
C1=159,2мкФ
C2= —
R1=26 Ом
R2= —
Uса — ?

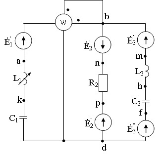
0530tДля электрической схемы, соответствующей номеру варианта (табл. 1.3) и изображенной на рис. 1.22—1.41, выполнить следующее:
1. На основании законов Кирхгофа составить в общем виде систему уравнений для расчета токов во всех ветвях цепи, записав ее в двух формах: а) дифференциальной; б) символической.
2. Определить комплексы действующих значений токов во всех ветвях, воспользовавшись одним из методов расчета линейных, электрических цепей.
3. По результатам, полученным в п. 2, определить показание ваттметра двумя способами: а) с помощью выражения для комплексов тока и напряжения на ваттметре; б) по формуле UIcosφ. С помощью векторной диаграммы тока и напряжения, на которые реагирует ваттметр, пояснить определение угла φ = φ
u–φ
i.
4. Построить топографическую диаграмму, совмещенную с векторной диаграммой токов. При этом потенциал точки а, указанной на схеме, принять равным нулю.
7. Используя данные расчетов, записать выражение для мгновенного значения тока или напряжения. Построить график зависимости указанной величины от ωt.
8. Полагая, что между двумя любыми индуктивными катушками, расположенными в различных ветвях заданной схемы, имеется магнитная связь при взаимной индуктивности, равной М, составить в общем виде систему уравнений по законам Кирхгофа для расчета токов во всех ветвях схемы, записав ее в двух формах: а) дифференциальной; б) символической.
L
2 = 6,38мГн
С
1 = 10,6мкФ
С
2 = ∞
R
3 = 10 Ом
f = 500 Гц
е'
1 = 99sin(ωt+20°) В
е"
1 = 0
е'
2 = 179cos(ωt+270°) В
е"
2 = 0

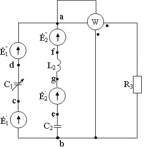
0532tДля электрической схемы, соответствующей номеру варианта (табл. 1.3) и изображенной на рис. 1.22—1.41, выполнить следующее:
1. На основании законов Кирхгофа составить в общем виде систему уравнений для расчета токов во всех ветвях цепи, записав ее в двух формах: а) дифференциальной; б) символической.
2. Определить комплексы действующих значений токов во всех ветвях, воспользовавшись одним из методов расчета линейных, электрических цепей.
3. По результатам, полученным в п. 2, определить показание ваттметра двумя способами: а) с помощью выражения для комплексов тока и напряжения на ваттметре; б) по формуле UIcosφ. С помощью векторной диаграммы тока и напряжения, на которые реагирует ваттметр, пояснить определение угла φ = φ
u–φ
i.
4. Построить топографическую диаграмму, совмещенную с векторной диаграммой токов. При этом потенциал точки а, указанной на схеме, принять равным нулю.
7. Используя данные расчетов, записать выражение для мгновенного значения тока или напряжения. Построить график зависимости указанной величины от ωt.
8. Полагая, что между двумя любыми индуктивными катушками, расположенными в различных ветвях заданной схемы, имеется магнитная связь при взаимной индуктивности, равной М, составить в общем виде систему уравнений по законам Кирхгофа для расчета токов во всех ветвях схемы, записав ее в двух формах: а) дифференциальной; б) символической.
L
2 = 1,74мГн
С
2 = ∞
С
3 = 4,02мкФ
R
1 = 17 Ом
f = 1100 Гц
е'
1 = 113sin(ωt) В
е"
1 = 0
е'
3 = 46,2cos(ωt–90°) В
е"
3 = 32,4sin(ωt–90°) В

0533tДля электрической схемы, соответствующей номеру варианта (табл. 1.3) и изображенной на рис. 1.22—1.41, выполнить следующее:
1. На основании законов Кирхгофа составить в общем виде систему уравнений для расчета токов во всех ветвях цепи, записав ее в двух формах: а) дифференциальной; б) символической.
2. Определить комплексы действующих значений токов во всех ветвях, воспользовавшись одним из методов расчета линейных, электрических цепей.
3. По результатам, полученным в п. 2, определить показание ваттметра двумя способами: а) с помощью выражения для комплексов тока и напряжения на ваттметре; б) по формуле UIcosφ. С помощью векторной диаграммы тока и напряжения, на которые реагирует ваттметр, пояснить определение угла φ = φ
u–φ
i.
4. Построить топографическую диаграмму, совмещенную с векторной диаграммой токов. При этом потенциал точки а, указанной на схеме, принять равным нулю.
7. Используя данные расчетов, записать выражение для мгновенного значения тока или напряжения. Построить график зависимости указанной величины от ωt.
8. Полагая, что между двумя любыми индуктивными катушками, расположенными в различных ветвях заданной схемы, имеется магнитная связь при взаимной индуктивности, равной М, составить в общем виде систему уравнений по законам Кирхгофа для расчета токов во всех ветвях схемы, записав ее в двух формах: а) дифференциальной; б) символической.
L
1 = 1,36мГн
L
3 = 5,46мГн
С
1 = 3,25мкФ
С
3 = ∞
R
2 = 65 Ом
f = 700 Гц
е'
1 = 141sin(ωt)
е"
1 = 0
е'
3 = 282cos(ωt–140°) В
е"
3 = 0

0535tДля электрической схемы, соответствующей номеру варианта (табл. 1.3) и изображенной на рис. 1.22—1.41, выполнить следующее:
1. На основании законов Кирхгофа составить в общем виде систему уравнений для расчета токов во всех ветвях цепи, записав ее в двух формах: а) дифференциальной; б) символической.
2. Определить комплексы действующих значений токов во всех ветвях, воспользовавшись одним из методов расчета линейных, электрических цепей.
3. По результатам, полученным в п. 2, определить показание ваттметра двумя способами: а) с помощью выражения для комплексов тока и напряжения на ваттметре; б) по формуле UIcosφ. С помощью векторной диаграммы тока и напряжения, на которые реагирует ваттметр, пояснить определение угла φ = φ
u–φ
i.
4. Построить топографическую диаграмму, совмещенную с векторной диаграммой токов. При этом потенциал точки а, указанной на схеме, принять равным нулю.
7. Используя данные расчетов, записать выражение для мгновенного значения тока или напряжения. Построить график зависимости указанной величины от ωt.
8. Полагая, что между двумя любыми индуктивными катушками, расположенными в различных ветвях заданной схемы, имеется магнитная связь при взаимной индуктивности, равной М, составить в общем виде систему уравнений по законам Кирхгофа для расчета токов во всех ветвях схемы, записав ее в двух формах: а) дифференциальной; б) символической.
L
3 = 2,63мГн
С
1 = 1,25мкФ
С
3 = 8,84мкФ
R
2 = 65 Ом
f = 2000 Гц
е'
1 = 200cos(ωt) В
е"
1 = 74,2sin(ωt+120°) В
е'
3 = 282cos(ωt+296°) В
е"
3 = 0

0536tДля электрической схемы, соответствующей номеру варианта (табл. 1.3) и изображенной на рис. 1.22—1.41, выполнить следующее:
1. На основании законов Кирхгофа составить в общем виде систему уравнений для расчета токов во всех ветвях цепи, записав ее в двух формах: а) дифференциальной; б) символической.
2. Определить комплексы действующих значений токов во всех ветвях, воспользовавшись одним из методов расчета линейных, электрических цепей.
3. По результатам, полученным в п. 2, определить показание ваттметра двумя способами: а) с помощью выражения для комплексов тока и напряжения на ваттметре; б) по формуле UIcosφ. С помощью векторной диаграммы тока и напряжения, на которые реагирует ваттметр, пояснить определение угла φ = φ
u–φ
i.
4. Построить топографическую диаграмму, совмещенную с векторной диаграммой токов. При этом потенциал точки а, указанной на схеме, принять равным нулю.
7. Используя данные расчетов, записать выражение для мгновенного значения тока или напряжения. Построить график зависимости указанной величины от ωt.
8. Полагая, что между двумя любыми индуктивными катушками, расположенными в различных ветвях заданной схемы, имеется магнитная связь при взаимной индуктивности, равной М, составить в общем виде систему уравнений по законам Кирхгофа для расчета токов во всех ветвях схемы, записав ее в двух формах: а) дифференциальной; б) символической.
L
2 = 1,06мГн
L
3 = 2,48мГн
С
3 = 1,38мкФ
R
1 = 17 Ом
f = 1800 Гц
е'
1 = 112,8cos(ωt–95°) В
е"
1 = 0
е'
3 = 56,4sin(ωt–40°) В
е"
3 = 0

0538tДля электрической схемы, соответствующей номеру варианта (табл. 1.3) и изображенной на рис. 1.22—1.41, выполнить следующее:
1. На основании законов Кирхгофа составить в общем виде систему уравнений для расчета токов во всех ветвях цепи, записав ее в двух формах: а) дифференциальной; б) символической.
2. Определить комплексы действующих значений токов во всех ветвях, воспользовавшись одним из методов расчета линейных, электрических цепей.
3. По результатам, полученным в п. 2, определить показание ваттметра двумя способами: а) с помощью выражения для комплексов тока и напряжения на ваттметре; б) по формуле UIcosφ. С помощью векторной диаграммы тока и напряжения, на которые реагирует ваттметр, пояснить определение угла φ = φ
u–φ
i.
4. Построить топографическую диаграмму, совмещенную с векторной диаграммой токов. При этом потенциал точки а, указанной на схеме, принять равным нулю.
7. Используя данные расчетов, записать выражение для мгновенного значения тока или напряжения. Построить график зависимости указанной величины от ωt.
8. Полагая, что между двумя любыми индуктивными катушками, расположенными в различных ветвях заданной схемы, имеется магнитная связь при взаимной индуктивности, равной М, составить в общем виде систему уравнений по законам Кирхгофа для расчета токов во всех ветвях схемы, записав ее в двух формах: а) дифференциальной; б) символической.
L
1 = 40,2мГн
L
3 = 0
С
1 = 35,4мкФ
С
3 = 53мкФ
R
2 = 25 Ом
f = 150 Гц
е'
1 = 70,5cos(ωt+257°) В
е'
2 = 68,5cos(ωt–174°) В
е"
2 = 56sin(ωt–170°) В

0539tДля электрической схемы, соответствующей номеру варианта (табл. 1.3) и изображенной на рис. 1.22—1.41, выполнить следующее:
1. На основании законов Кирхгофа составить в общем виде систему уравнений для расчета токов во всех ветвях цепи, записав ее в двух формах: а) дифференциальной; б) символической.
2. Определить комплексы действующих значений токов во всех ветвях, воспользовавшись одним из методов расчета линейных, электрических цепей.
3. По результатам, полученным в п. 2, определить показание ваттметра двумя способами: а) с помощью выражения для комплексов тока и напряжения на ваттметре; б) по формуле UIcosφ. С помощью векторной диаграммы тока и напряжения, на которые реагирует ваттметр, пояснить определение угла φ = φ
u–φ
i.
4. Построить топографическую диаграмму, совмещенную с векторной диаграммой токов. При этом потенциал точки а, указанной на схеме, принять равным нулю.
7. Используя данные расчетов, записать выражение для мгновенного значения тока или напряжения. Построить график зависимости указанной величины от ωt.
8. Полагая, что между двумя любыми индуктивными катушками, расположенными в различных ветвях заданной схемы, имеется магнитная связь при взаимной индуктивности, равной М, составить в общем виде систему уравнений по законам Кирхгофа для расчета токов во всех ветвях схемы, записав ее в двух формах: а) дифференциальной; б) символической.
L
2 = 4,19мГн
L
3 = 1,92мГн
С
2 = 0,79мкФ
С
3 = 0,74мкФ
R
1 = 17 Ом
f = 3000 Гц
е'
1 = 113sin(ωt–22°) В
е"
1 = 0
е'
3 = 56,4cos(ωt–147°) В

0540tДля электрической схемы, соответствующей номеру варианта (табл. 1.3) и изображенной на рис. 1.22—1.41, выполнить следующее:
1. На основании законов Кирхгофа составить в общем виде систему уравнений для расчета токов во всех ветвях цепи, записав ее в двух формах: а) дифференциальной; б) символической.
2. Определить комплексы действующих значений токов во всех ветвях, воспользовавшись одним из методов расчета линейных, электрических цепей.
3. По результатам, полученным в п. 2, определить показание ваттметра двумя способами: а) с помощью выражения для комплексов тока и напряжения на ваттметре; б) по формуле UIcosφ. С помощью векторной диаграммы тока и напряжения, на которые реагирует ваттметр, пояснить определение угла φ = φ
u–φ
i.
4. Построить топографическую диаграмму, совмещенную с векторной диаграммой токов. При этом потенциал точки а, указанной на схеме, принять равным нулю.
7. Используя данные расчетов, записать выражение для мгновенного значения тока или напряжения. Построить график зависимости указанной величины от ωt.
8. Полагая, что между двумя любыми индуктивными катушками, расположенными в различных ветвях заданной схемы, имеется магнитная связь при взаимной индуктивности, равной М, составить в общем виде систему уравнений по законам Кирхгофа для расчета токов во всех ветвях схемы, записав ее в двух формах: а) дифференциальной; б) символической.
L
1 = 1,04мГн
L
3 = 2,64мГн
С
1 = 0,76мкФ
С
3 = 3,23мкФ
R
2 = 65 Ом
f = 2600 Гц
е'
1 = 0
е"
1 = 114sin(ωt+10°) В
е'
3 = 200cos(ωt–85°) В
е"
3 = 200sin(ωt–85°) В

0541tДля электрической схемы, соответствующей номеру варианта (табл. 1.3) и изображенной на рис. 1.22—1.41, выполнить следующее:
1. На основании законов Кирхгофа составить в общем виде систему уравнений для расчета токов во всех ветвях цепи, записав ее в двух формах: а) дифференциальной; б) символической.
2. Определить комплексы действующих значений токов во всех ветвях, воспользовавшись одним из методов расчета линейных, электрических цепей.
3. По результатам, полученным в п. 2, определить показание ваттметра двумя способами: а) с помощью выражения для комплексов тока и напряжения на ваттметре; б) по формуле UIcosφ. С помощью векторной диаграммы тока и напряжения, на которые реагирует ваттметр, пояснить определение угла φ = φ
u–φ
i.
4. Построить топографическую диаграмму, совмещенную с векторной диаграммой токов. При этом потенциал точки а, указанной на схеме, принять равным нулю.
7. Используя данные расчетов, записать выражение для мгновенного значения тока или напряжения. Построить график зависимости указанной величины от ωt.
8. Полагая, что между двумя любыми индуктивными катушками, расположенными в различных ветвях заданной схемы, имеется магнитная связь при взаимной индуктивности, равной М, составить в общем виде систему уравнений по законам Кирхгофа для расчета токов во всех ветвях схемы, записав ее в двух формах: а) дифференциальной; б) символической.
L
1 = 160мГн
L
2 = 25мГн
С
1 = 0,53мкФ
С
2 = 6,6мкФ
R
3 = 100 Ом
f = 500 Гц
е'
1 = 0
е"
1 = 114sin(ωt) В
е'
3 = 141cos(ωt) В
е"
3 = 0

0542tДля электрической схемы, соответствующей номеру варианта (табл. 1.3) и изображенной на рис. 1.22—1.41, выполнить следующее:
1. На основании законов Кирхгофа составить в общем виде систему уравнений для расчета токов во всех ветвях цепи, записав ее в двух формах: а) дифференциальной; б) символической.
2. Определить комплексы действующих значений токов во всех ветвях, воспользовавшись одним из методов расчета линейных, электрических цепей.
3. По результатам, полученным в п. 2, определить показание ваттметра двумя способами: а) с помощью выражения для комплексов тока и напряжения на ваттметре; б) по формуле UIcosφ. С помощью векторной диаграммы тока и напряжения, на которые реагирует ваттметр, пояснить определение угла φ = φ
u–φ
i.
4. Построить топографическую диаграмму, совмещенную с векторной диаграммой токов. При этом потенциал точки а, указанной на схеме, принять равным нулю.
7. Используя данные расчетов, записать выражение для мгновенного значения тока или напряжения. Построить график зависимости указанной величины от ωt.
8. Полагая, что между двумя любыми индуктивными катушками, расположенными в различных ветвях заданной схемы, имеется магнитная связь при взаимной индуктивности, равной М, составить в общем виде систему уравнений по законам Кирхгофа для расчета токов во всех ветвях схемы, записав ее в двух формах: а) дифференциальной; б) символической.
L
2 = 160мГн
L
3 = 25мГн
С
2 = 0,53мкФ
С
3 = 6,6мкФ
R
1 = 100 Ом
f = 500 Гц
е'
1 = 282sin(ωt–135°) В
е"
1 = 400cos(ωt–30°) В
е'
3 = 0
е"
3 = 141sin(ωt) В

0543tДля электрической схемы, соответствующей номеру варианта (табл. 1.3) и изображенной на рис. 1.22—1.41, выполнить следующее:
1. На основании законов Кирхгофа составить в общем виде систему уравнений для расчета токов во всех ветвях цепи, записав ее в двух формах: а) дифференциальной; б) символической.
2. Определить комплексы действующих значений токов во всех ветвях, воспользовавшись одним из методов расчета линейных, электрических цепей.
3. По результатам, полученным в п. 2, определить показание ваттметра двумя способами: а) с помощью выражения для комплексов тока и напряжения на ваттметре; б) по формуле UIcosφ. С помощью векторной диаграммы тока и напряжения, на которые реагирует ваттметр, пояснить определение угла φ = φ
u–φ
i.
4. Построить топографическую диаграмму, совмещенную с векторной диаграммой токов. При этом потенциал точки а, указанной на схеме, принять равным нулю.
7. Используя данные расчетов, записать выражение для мгновенного значения тока или напряжения. Построить график зависимости указанной величины от ωt.
8. Полагая, что между двумя любыми индуктивными катушками, расположенными в различных ветвях заданной схемы, имеется магнитная связь при взаимной индуктивности, равной М, составить в общем виде систему уравнений по законам Кирхгофа для расчета токов во всех ветвях схемы, записав ее в двух формах: а) дифференциальной; б) символической.
L
3 = 31,8мГн
С
1 = 1,59мкФ
С
3 = 1,59мкФ
R
2 = 100 Ом
f = 1000 Гц
е"
1 = 169sin(ωt) В
е'
2 = 169sin(ωt+90°) В
е"
2 = 0
е'
3 = 169cos(ωt+90°) В
е"
3 = 0

0544tДля электрической схемы, соответствующей номеру варианта (табл. 1.3) и изображенной на рис. 1.22—1.41, выполнить следующее:
1. На основании законов Кирхгофа составить в общем виде систему уравнений для расчета токов во всех ветвях цепи, записав ее в двух формах: а) дифференциальной; б) символической.
2. Определить комплексы действующих значений токов во всех ветвях, воспользовавшись одним из методов расчета линейных, электрических цепей.
3. По результатам, полученным в п. 2, определить показание ваттметра двумя способами: а) с помощью выражения для комплексов тока и напряжения на ваттметре; б) по формуле UIcosφ. С помощью векторной диаграммы тока и напряжения, на которые реагирует ваттметр, пояснить определение угла φ = φ
u–φ
i.
4. Построить топографическую диаграмму, совмещенную с векторной диаграммой токов. При этом потенциал точки а, указанной на схеме, принять равным нулю.
7. Используя данные расчетов, записать выражение для мгновенного значения тока или напряжения. Построить график зависимости указанной величины от ωt.
8. Полагая, что между двумя любыми индуктивными катушками, расположенными в различных ветвях заданной схемы, имеется магнитная связь при взаимной индуктивности, равной М, составить в общем виде систему уравнений по законам Кирхгофа для расчета токов во всех ветвях схемы, записав ее в двух формах: а) дифференциальной; б) символической.
L
1 = 15,9мГн
L
2 = 3,98мГн
С
2 = 1,27мкФ
R
3 = 100 Ом
f = 1000 Гц
е'
1 = 0
е"
1 = 169sin(ωt–180°) В
е'
2 = 240sin(ωt+45°) В
е"
2 = 169sin(ωt–90°) В
е'
3 = 169cos(ωt) В
е"
3 = 0

0546tДля электрической схемы, соответствующей номеру варианта (табл. 1.3) и изображенной на рис. 1.22—1.41, выполнить следующее:
1. На основании законов Кирхгофа составить в общем виде систему уравнений для расчета токов во всех ветвях цепи, записав ее в двух формах: а) дифференциальной; б) символической.
2. Определить комплексы действующих значений токов во всех ветвях, воспользовавшись одним из методов расчета линейных, электрических цепей.
3. По результатам, полученным в п. 2, определить показание ваттметра двумя способами: а) с помощью выражения для комплексов тока и напряжения на ваттметре; б) по формуле UIcosφ. С помощью векторной диаграммы тока и напряжения, на которые реагирует ваттметр, пояснить определение угла φ = φ
u–φ
i.
4. Построить топографическую диаграмму, совмещенную с векторной диаграммой токов. При этом потенциал точки а, указанной на схеме, принять равным нулю.
7. Используя данные расчетов, записать выражение для мгновенного значения тока или напряжения. Построить график зависимости указанной величины от ωt.
8. Полагая, что между двумя любыми индуктивными катушками, расположенными в различных ветвях заданной схемы, имеется магнитная связь при взаимной индуктивности, равной М, составить в общем виде систему уравнений по законам Кирхгофа для расчета токов во всех ветвях схемы, записав ее в двух формах: а) дифференциальной; б) символической.
L
1= —
L
2= 6,8 мГн
L
3= —
С
1= —
С
2=0,91мкФ
С
3= 0,46 мкФ
R
1= 100 Ом
R
2= —
R
3= —
f= 3500 Гц
е'
1=169cos(ωt–90°) В
е"
1=240sin(ωt+135°) В
е'
2=169sin(ωt+180°) В
е"
2=0
е'
3=0
е"
3= 169cos(ωt–90°) В

0547tДля электрической схемы, соответствующей номеру варианта (табл. 1.3) и изображенной на рис. 1.22—1.41, выполнить следующее:
1. На основании законов Кирхгофа составить в общем виде систему уравнений для расчета токов во всех ветвях цепи, записав ее в двух формах: а) дифференциальной; б) символической.
2. Определить комплексы действующих значений токов во всех ветвях, воспользовавшись одним из методов расчета линейных, электрических цепей.
3. По результатам, полученным в п. 2, определить показание ваттметра двумя способами: а) с помощью выражения для комплексов тока и напряжения на ваттметре; б) по формуле UIcosφ. С помощью векторной диаграммы тока и напряжения, на которые реагирует ваттметр, пояснить определение угла φ = φ
u–φ
i.
4. Построить топографическую диаграмму, совмещенную с векторной диаграммой токов. При этом потенциал точки а, указанной на схеме, принять равным нулю.
7. Используя данные расчетов, записать выражение для мгновенного значения тока или напряжения. Построить график зависимости указанной величины от ωt.
8. Полагая, что между двумя любыми индуктивными катушками, расположенными в различных ветвях заданной схемы, имеется магнитная связь при взаимной индуктивности, равной М, составить в общем виде систему уравнений по законам Кирхгофа для расчета токов во всех ветвях схемы, записав ее в двух формах: а) дифференциальной; б) символической.
L
1 = 6мГн
L
3 = 0
С
1 = 0,8мкФ
С
3 = 0,4мкФ
R
2 = 100 Ом
f = 4000 Гц
е'
1 = 169sin(ωt+180°) В
е'
2 = 0
е"
2 = 169cos(ωt) В
е'
3 = 169sin(ωt) В
е"
3 = 0

0548tДля электрической схемы, соответствующей номеру варианта (табл. 1.3) и изображенной на рис. 1.22—1.41, выполнить следующее:
1. На основании законов Кирхгофа составить в общем виде систему уравнений для расчета токов во всех ветвях цепи, записав ее в двух формах: а) дифференциальной; б) символической.
2. Определить комплексы действующих значений токов во всех ветвях, воспользовавшись одним из методов расчета линейных, электрических цепей.
3. По результатам, полученным в п. 2, определить показание ваттметра двумя способами: а) с помощью выражения для комплексов тока и напряжения на ваттметре; б) по формуле UIcosφ. С помощью векторной диаграммы тока и напряжения, на которые реагирует ваттметр, пояснить определение угла φ = φ
u–φ
i.
4. Построить топографическую диаграмму, совмещенную с векторной диаграммой токов. При этом потенциал точки а, указанной на схеме, принять равным нулю.
7. Используя данные расчетов, записать выражение для мгновенного значения тока или напряжения. Построить график зависимости указанной величины от ωt.
8. Полагая, что между двумя любыми индуктивными катушками, расположенными в различных ветвях заданной схемы, имеется магнитная связь при взаимной индуктивности, равной М, составить в общем виде систему уравнений по законам Кирхгофа для расчета токов во всех ветвях схемы, записав ее в двух формах: а) дифференциальной; б) символической.
L
1 = 1,6мГн
С
1 = ∞
С
2 = 0,55мкФ
R
3 = 10 Ом
f = 5000 Гц
е'
1 = 0
е"
1 = 282sin(ωt) В
е'
2 = 282cos(ωt+90°) В
е"
2 = 0

0549tДля электрической схемы, соответствующей номеру варианта (табл. 1.3) и изображенной на рис. 1.22—1.41, выполнить следующее:
1. На основании законов Кирхгофа составить в общем виде систему уравнений для расчета токов во всех ветвях цепи, записав ее в двух формах: а) дифференциальной; б) символической.
2. Определить комплексы действующих значений токов во всех ветвях, воспользовавшись одним из методов расчета линейных, электрических цепей.
3. По результатам, полученным в п. 2, определить показание ваттметра двумя способами: а) с помощью выражения для комплексов тока и напряжения на ваттметре; б) по формуле UIcosφ. С помощью векторной диаграммы тока и напряжения, на которые реагирует ваттметр, пояснить определение угла φ = φ
u–φ
i.
4. Построить топографическую диаграмму, совмещенную с векторной диаграммой токов. При этом потенциал точки а, указанной на схеме, принять равным нулю.
7. Используя данные расчетов, записать выражение для мгновенного значения тока или напряжения. Построить график зависимости указанной величины от ωt.
8. Полагая, что между двумя любыми индуктивными катушками, расположенными в различных ветвях заданной схемы, имеется магнитная связь при взаимной индуктивности, равной М, составить в общем виде систему уравнений по законам Кирхгофа для расчета токов во всех ветвях схемы, записав ее в двух формах: а) дифференциальной; б) символической.
L
1 = 0
L
2 = 32мГн
L
3 = 58мГн
С
1 = ∞
С
3 = 17,8мкФ
R
1 = 60 Ом
f = 300 Гц
е'
2 = 689cos(ωt–78°) В
е"
2 = 496sin(ωt–59,7°) В
е'
3 = 705sin(ωt–53°) В

0550tДля электрической схемы, соответствующей номеру варианта (табл. 1.3) и изображенной на рис. 1.22—1.41, выполнить следующее:
1. На основании законов Кирхгофа составить в общем виде систему уравнений для расчета токов во всех ветвях цепи, записав ее в двух формах: а) дифференциальной; б) символической.
2. Определить комплексы действующих значений токов во всех ветвях, воспользовавшись одним из методов расчета линейных, электрических цепей.
3. По результатам, полученным в п. 2, определить показание ваттметра двумя способами: а) с помощью выражения для комплексов тока и напряжения на ваттметре; б) по формуле UIcosφ. С помощью векторной диаграммы тока и напряжения, на которые реагирует ваттметр, пояснить определение угла φ = φ
u–φ
i.
4. Построить топографическую диаграмму, совмещенную с векторной диаграммой токов. При этом потенциал точки а, указанной на схеме, принять равным нулю.
7. Используя данные расчетов, записать выражение для мгновенного значения тока или напряжения. Построить график зависимости указанной величины от ωt.
8. Полагая, что между двумя любыми индуктивными катушками, расположенными в различных ветвях заданной схемы, имеется магнитная связь при взаимной индуктивности, равной М, составить в общем виде систему уравнений по законам Кирхгофа для расчета токов во всех ветвях схемы, записав ее в двух формах: а) дифференциальной; б) символической.
L
2 = 4,98мГн
L
3 = 50мГн
С
1 = 1мкФ
С
2 = 7,96мкФ
С
3 = 0,4мкФ
R
2 = 25 Ом
f = 800 Гц
е'
1 = 566cos(ωt+90°) В
е"
1 = 0
е'
3 = 705sin(ωt+180°) В

0551tДля электрической схемы, соответствующей номеру варианта (табл. 1.3) и изображенной на рис. 1.22—1.41, выполнить следующее:
1. На основании законов Кирхгофа составить в общем виде систему уравнений для расчета токов во всех ветвях цепи, записав ее в двух формах: а) дифференциальной; б) символической.
2. Определить комплексы действующих значений токов во всех ветвях, воспользовавшись одним из методов расчета линейных, электрических цепей.
3. По результатам, полученным в п. 2, определить показание ваттметра двумя способами: а) с помощью выражения для комплексов тока и напряжения на ваттметре; б) по формуле UIcosφ. С помощью векторной диаграммы тока и напряжения, на которые реагирует ваттметр, пояснить определение угла φ = φ
u–φ
i.
4. Построить топографическую диаграмму, совмещенную с векторной диаграммой токов. При этом потенциал точки а, указанной на схеме, принять равным нулю.
7. Используя данные расчетов, записать выражение для мгновенного значения тока или напряжения. Построить график зависимости указанной величины от ωt.
8. Полагая, что между двумя любыми индуктивными катушками, расположенными в различных ветвях заданной схемы, имеется магнитная связь при взаимной индуктивности, равной М, составить в общем виде систему уравнений по законам Кирхгофа для расчета токов во всех ветвях схемы, записав ее в двух формах: а) дифференциальной; б) символической.
L
1 = 32мГн
L
2 = 36мГн
L
3 = 0
С
1 = 4мкФ
С
2 = 2мкФ
С
3 = ∞
R
3 = 70 Ом
f = 400 Гц
е'
1 = 141sin(ωt–300°) В
е'
2 = 62cos(ωt–124°) В
е"
2 = 96,4sin(ωt+201°) В

0552tДля электрической схемы, соответствующей номеру варианта (табл. 1.3) и изображенной на рис. 1.22—1.41, выполнить следующее:
1. На основании законов Кирхгофа составить в общем виде систему уравнений для расчета токов во всех ветвях цепи, записав ее в двух формах: а) дифференциальной; б) символической.
2. Определить комплексы действующих значений токов во всех ветвях, воспользовавшись одним из методов расчета линейных, электрических цепей.
3. По результатам, полученным в п. 2, определить показание ваттметра двумя способами: а) с помощью выражения для комплексов тока и напряжения на ваттметре; б) по формуле UIcosφ. С помощью векторной диаграммы тока и напряжения, на которые реагирует ваттметр, пояснить определение угла φ = φ
u–φ
i.
4. Построить топографическую диаграмму, совмещенную с векторной диаграммой токов. При этом потенциал точки а, указанной на схеме, принять равным нулю.
7. Используя данные расчетов, записать выражение для мгновенного значения тока или напряжения. Построить график зависимости указанной величины от ωt.
8. Полагая, что между двумя любыми индуктивными катушками, расположенными в различных ветвях заданной схемы, имеется магнитная связь при взаимной индуктивности, равной М, составить в общем виде систему уравнений по законам Кирхгофа для расчета токов во всех ветвях схемы, записав ее в двух формах: а) дифференциальной; б) символической.
L
2 = 12,76мГн
С
1 = 10,6мкФ
С
2 = 15,9мкФ
R
3 = 10 Ом
f = 500 Гц
е'
1 = 99sin(ωt–340°) В
е"
1 = 0
е'
2 = 0
е"
2 = 179cos(ωt–90°) В

0553tДля электрической схемы, соответствующей номеру варианта (табл. 1.3) и изображенной на рис. 1.22—1.41, выполнить следующее:
1. На основании законов Кирхгофа составить в общем виде систему уравнений для расчета токов во всех ветвях цепи, записав ее в двух формах: а) дифференциальной; б) символической.
2. Определить комплексы действующих значений токов во всех ветвях, воспользовавшись одним из методов расчета линейных, электрических цепей.
3. По результатам, полученным в п. 2, определить показание ваттметра двумя способами: а) с помощью выражения для комплексов тока и напряжения на ваттметре; б) по формуле UIcosφ. С помощью векторной диаграммы тока и напряжения, на которые реагирует ваттметр, пояснить определение угла φ = φ
u–φ
i.
4. Построить топографическую диаграмму, совмещенную с векторной диаграммой токов. При этом потенциал точки а, указанной на схеме, принять равным нулю.
7. Используя данные расчетов, записать выражение для мгновенного значения тока или напряжения. Построить график зависимости указанной величины от ωt.
8. Полагая, что между двумя любыми индуктивными катушками, расположенными в различных ветвях заданной схемы, имеется магнитная связь при взаимной индуктивности, равной М, составить в общем виде систему уравнений по законам Кирхгофа для расчета токов во всех ветвях схемы, записав ее в двух формах: а) дифференциальной; б) символической.
L
1 = 2,12мГн
L
2 = 3,98мГн
С
2 = 7,56мкФ
R
3 = 25 Ом
f = 600 Гц
е'
1 = 70,5cos(ωt–90°) В
е"
1 = 0
е'
3 = 84,6sin(ωt+330°) В
е"
3 = 0

0554tДля электрической схемы, соответствующей номеру варианта (табл. 1.3) и изображенной на рис. 1.22—1.41, выполнить следующее:
1. На основании законов Кирхгофа составить в общем виде систему уравнений для расчета токов во всех ветвях цепи, записав ее в двух формах: а) дифференциальной; б) символической.
2. Определить комплексы действующих значений токов во всех ветвях, воспользовавшись одним из методов расчета линейных, электрических цепей.
3. По результатам, полученным в п. 2, определить показание ваттметра двумя способами: а) с помощью выражения для комплексов тока и напряжения на ваттметре; б) по формуле UIcosφ. С помощью векторной диаграммы тока и напряжения, на которые реагирует ваттметр, пояснить определение угла φ = φ
u–φ
i.
4. Построить топографическую диаграмму, совмещенную с векторной диаграммой токов. При этом потенциал точки а, указанной на схеме, принять равным нулю.
7. Используя данные расчетов, записать выражение для мгновенного значения тока или напряжения. Построить график зависимости указанной величины от ωt.
L
1 = 0,68мГн
L
3 = 5,46мГн
С
1 = 1,62мкФ
С
3 = 4,73мкФ
R
2 = 65 Ом
f = 1400 Гц
е'
1 = 141cos(ωt+270°) В
е"
1 = 0
е'
3 = 282sin(ωt+310°) В
е"
3 = 0

0555tДля электрической схемы, соответствующей номеру варианта (табл. 1.3) и изображенной на рис. 1.22—1.41, выполнить следующее:
1. На основании законов Кирхгофа составить в общем виде систему уравнений для расчета токов во всех ветвях цепи, записав ее в двух формах: а) дифференциальной; б) символической.
2. Определить комплексы действующих значений токов во всех ветвях, воспользовавшись одним из методов расчета линейных, электрических цепей.
3. По результатам, полученным в п. 2, определить показание ваттметра двумя способами: а) с помощью выражения для комплексов тока и напряжения на ваттметре; б) по формуле UIcosφ. С помощью векторной диаграммы тока и напряжения, на которые реагирует ваттметр, пояснить определение угла φ = φ
u–φ
i.
4. Построить топографическую диаграмму, совмещенную с векторной диаграммой токов. При этом потенциал точки а, указанной на схеме, принять равным нулю.
L
3 = 2,63мГн
С
1 = 1,25мкФ
С
3 = 8,84мкФ
R
2 = 65 Ом
f = 2000 Гц
е'
1 = 141cos(ωt–15°) В
е"
1 = 0
е'
3 = 282sin(ωt+25°) В
е"
3 = 0

0556tДля электрической схемы, соответствующей номеру варианта (табл. 1.3) и изображенной на рис. 1.22—1.41, выполнить следующее:
1. На основании законов Кирхгофа составить в общем виде систему уравнений для расчета токов во всех ветвях цепи, записав ее в двух формах: а) дифференциальной; б) символической.
2. Определить комплексы действующих значений токов во всех ветвях, воспользовавшись одним из методов расчета линейных, электрических цепей.
3. По результатам, полученным в п. 2, определить показание ваттметра двумя способами: а) с помощью выражения для комплексов тока и напряжения на ваттметре; б) по формуле UIcosφ. С помощью векторной диаграммы тока и напряжения, на которые реагирует ваттметр, пояснить определение угла φ = φ
u–φ
i.
4. Построить топографическую диаграмму, совмещенную с векторной диаграммой токов. При этом потенциал точки а, указанной на схеме, принять равным нулю.
L
2 = 2,12мГн
L
3 = 4,96мГн
С
3 = 2,76мкФ
R
1 = 17 Ом
f = 900 Гц
е'
1 = 0
е"
1 = 112,8sin(ωt–5°) В
е'
3 = 56,4cos(ωt–130°) В
е"
3 = 0

0557tДля электрической схемы, соответствующей номеру варианта (табл. 1.3) и изображенной на рис. 1.22—1.41, выполнить следующее:
1. На основании законов Кирхгофа составить в общем виде систему уравнений для расчета токов во всех ветвях цепи, записав ее в двух формах: а) дифференциальной; б) символической.
2. Определить комплексы действующих значений токов во всех ветвях, воспользовавшись одним из методов расчета линейных, электрических цепей.
3. По результатам, полученным в п. 2, определить показание ваттметра двумя способами: а) с помощью выражения для комплексов тока и напряжения на ваттметре; б) по формуле UIcosφ. С помощью векторной диаграммы тока и напряжения, на которые реагирует ваттметр, пояснить определение угла φ = φ
u–φ
i.
4. Построить топографическую диаграмму, совмещенную с векторной диаграммой токов. При этом потенциал точки а, указанной на схеме, принять равным нулю.
L
1 = 0,64мГн
L
2 = 0,4мГн
С
2 = 3,19мкФ
R
3 = 25 Ом
f = 2000 Гц
е'
1 = 70,5sin(ωt+20°) В
е"
1 = 0
е'
3 = 84,6cos(ωt–100°) В
е"
3 = 0

0558tДля электрической схемы, соответствующей номеру варианта (табл. 1.3) и изображенной на рис. 1.22—1.41, выполнить следующее:
1. На основании законов Кирхгофа составить в общем виде систему уравнений для расчета токов во всех ветвях цепи, записав ее в двух формах: а) дифференциальной; б) символической.
2. Определить комплексы действующих значений токов во всех ветвях, воспользовавшись одним из методов расчета линейных, электрических цепей.
3. По результатам, полученным в п. 2, определить показание ваттметра двумя способами: а) с помощью выражения для комплексов тока и напряжения на ваттметре; б) по формуле UIcosφ. С помощью векторной диаграммы тока и напряжения, на которые реагирует ваттметр, пояснить определение угла φ = φ
u–φ
i.
4. Построить топографическую диаграмму, совмещенную с векторной диаграммой токов. При этом потенциал точки а, указанной на схеме, принять равным нулю.
L
1 = 40,2мГн
L
3 = 22,8мГн
С
1 = 35,4мкФ
С
3 = 26,5мкФ
R
2 = 25 Ом
f = 150 Гц
е'
1 = 70,5cos(ωt–130°) В
е'
2 = 84,6sin(ωt+317°) В
е"
2 = 0

0559tДля электрической схемы, соответствующей номеру варианта (табл. 1.3) и изображенной на рис. 1.22—1.41, выполнить следующее:
1. На основании законов Кирхгофа составить в общем виде систему уравнений для расчета токов во всех ветвях цепи, записав ее в двух формах: а) дифференциальной; б) символической.
2. Определить комплексы действующих значений токов во всех ветвях, воспользовавшись одним из методов расчета линейных, электрических цепей.
3. По результатам, полученным в п. 2, определить показание ваттметра двумя способами: а) с помощью выражения для комплексов тока и напряжения на ваттметре; б) по формуле UIcosφ. С помощью векторной диаграммы тока и напряжения, на которые реагирует ваттметр, пояснить определение угла φ = φ
u–φ
i.
4. Построить топографическую диаграмму, совмещенную с векторной диаграммой токов. При этом потенциал точки а, указанной на схеме, принять равным нулю.
7. Используя данные расчетов, записать выражение для мгновенного значения тока или напряжения. Построить график зависимости указанной величины от ωt.
L
2 = 4,19мГн
L
3 = 0
С
2 = 0,79мкФ
С
3 = 1,47мкФ
R
1 = 17 Ом
f = 3000 Гц
е'
1 = 60sin(ωt+315°) В
е"
1 = 60cos(ωt+90°) В
е'
3 = 56,4sin(ωt+303°) В

0560tДля электрической схемы, соответствующей номеру варианта (табл. 1.3) и изображенной на рис. 1.22—1.41, выполнить следующее:
1. На основании законов Кирхгофа составить в общем виде систему уравнений для расчета токов во всех ветвях цепи, записав ее в двух формах: а) дифференциальной; б) символической.
2. Определить комплексы действующих значений токов во всех ветвях, воспользовавшись одним из методов расчета линейных, электрических цепей.
3. По результатам, полученным в п. 2, определить показание ваттметра двумя способами: а) с помощью выражения для комплексов тока и напряжения на ваттметре; б) по формуле UIcosφ. С помощью векторной диаграммы тока и напряжения, на которые реагирует ваттметр, пояснить определение угла φ = φ
u–φ
i.
4. Построить топографическую диаграмму, совмещенную с векторной диаграммой токов. При этом потенциал точки а, указанной на схеме, принять равным нулю.
L
1 = 2,08мГн
L
3 = 5,27мГн
С
1 = 1,51мкФ
С
3 = 6,46мкФ
R
2 = 65 Ом
f = 1300 Гц
е'
1 = 0
е"
1 = 141cos(ωt–80°) В
е'
3 = 0
е"
3 = 282sin(ωt–40°) В

0561tДля электрической схемы, соответствующей номеру варианта (табл. 1.3) и изображенной на рис. 1.22—1.41, выполнить следующее:
1. На основании законов Кирхгофа составить в общем виде систему уравнений для расчета токов во всех ветвях цепи, записав ее в двух формах: а) дифференциальной; б) символической.
2. Определить комплексы действующих значений токов во всех ветвях, воспользовавшись одним из методов расчета линейных, электрических цепей.
3. По результатам, полученным в п. 2, определить показание ваттметра двумя способами: а) с помощью выражения для комплексов тока и напряжения на ваттметре; б) по формуле UIcosφ. С помощью векторной диаграммы тока и напряжения, на которые реагирует ваттметр, пояснить определение угла φ = φ
u–φ
i.
4. Построить топографическую диаграмму, совмещенную с векторной диаграммой токов. При этом потенциал точки а, указанной на схеме, принять равным нулю.
L
1 = 106мГн
L
2 = 41,3мГн
С
1 = 1,76мкФ
С
2 = 11мкФ
R
3 = 100 Ом
f = 300 Гц
е'
1 = 141cos(ωt–90°) В
е"
1 = 0
е'
3 = 141sin(ωt–270°) В
е"
3 = 0

0562tДля электрической схемы, соответствующей номеру варианта (табл. 1.3) и изображенной на рис. 1.22—1.41, выполнить следующее:
1. На основании законов Кирхгофа составить в общем виде систему уравнений для расчета токов во всех ветвях цепи, записав ее в двух формах: а) дифференциальной; б) символической.
2. Определить комплексы действующих значений токов во всех ветвях, воспользовавшись одним из методов расчета линейных, электрических цепей.
3. По результатам, полученным в п. 2, определить показание ваттметра двумя способами: а) с помощью выражения для комплексов тока и напряжения на ваттметре; б) по формуле UIcosφ. С помощью векторной диаграммы тока и напряжения, на которые реагирует ваттметр, пояснить определение угла φ = φ
u–φ
i.
4. Построить топографическую диаграмму, совмещенную с векторной диаграммой токов. При этом потенциал точки а, указанной на схеме, принять равным нулю.
L
1 = —
L
2=66,2мГн
L
3=10,3мГн
С
1 = —
С
2=22мкФ
С
3=2,76мкФ
R
1=100 Ом
R
2=—
R
3=—
f=1200 Гц
е'
1=0
е"
1=141cos(ωt) В
е'
2=—
е"
2=—
е'
3=100sin(ωt+135°) В
е"
3=100cos(ωt+315°) В

0563tДля электрической схемы, соответствующей номеру варианта (табл. 1.3) и изображенной на рис. 1.22—1.41, выполнить следующее:
1. На основании законов Кирхгофа составить в общем виде систему уравнений для расчета токов во всех ветвях цепи, записав ее в двух формах: а) дифференциальной; б) символической.
2. Определить комплексы действующих значений токов во всех ветвях, воспользовавшись одним из методов расчета линейных, электрических цепей.
3. По результатам, полученным в п. 2, определить показание ваттметра двумя способами: а) с помощью выражения для комплексов тока и напряжения на ваттметре; б) по формуле UIcosφ. С помощью векторной диаграммы тока и напряжения, на которые реагирует ваттметр, пояснить определение угла φ = φ
u–φ
i.
4. Построить топографическую диаграмму, совмещенную с векторной диаграммой токов. При этом потенциал точки а, указанной на схеме, принять равным нулю.
7. Используя данные расчетов, записать выражение для мгновенного значения тока или напряжения. Построить график зависимости указанной величины от ωt.
8. Полагая, что между двумя любыми индуктивными катушками, расположенными в различных ветвях заданной схемы, имеется магнитная связь при взаимной индуктивности, равной М, составить в общем виде систему уравнений по законам Кирхгофа для расчета токов во всех ветвях схемы, записав ее в двух формах: а) дифференциальной; б) символической.
L
3 = 31,8мГн
С
1 = 3,18мкФ
С
3 = ∞
R
2 = 100 Ом
f = 500 Гц
е"
1 = 169sin(ωt) В
е'
2 = 120sin(ωt+135°) В
е"
2 = 120cos(ωt–45°) В
е'
3 = 169sin(ωt–180°) В
е"
3 = 0

0564tДля электрической схемы, соответствующей номеру варианта (табл. 1.3) и изображенной на рис. 1.22—1.41, выполнить следующее:
1. На основании законов Кирхгофа составить в общем виде систему уравнений для расчета токов во всех ветвях цепи, записав ее в двух формах: а) дифференциальной; б) символической.
2. Определить комплексы действующих значений токов во всех ветвях, воспользовавшись одним из методов расчета линейных, электрических цепей.
3. По результатам, полученным в п. 2, определить показание ваттметра двумя способами: а) с помощью выражения для комплексов тока и напряжения на ваттметре; б) по формуле UIcosφ. С помощью векторной диаграммы тока и напряжения, на которые реагирует ваттметр, пояснить определение угла φ = φ
u–φ
i.
4. Построить топографическую диаграмму, совмещенную с векторной диаграммой токов. При этом потенциал точки а, указанной на схеме, принять равным нулю.
7. Используя данные расчетов, записать выражение для мгновенного значения тока или напряжения. Построить график зависимости указанной величины от ωt.
L
1 = 6мГн
L
3 = 4мГн
С
1 = 0,8мкФ
С
3 = 0,2мкФ
R
2 = 100 Ом
f = 4000 Гц
е'
1 = 169cos(ωt+90°) В
е'
2 = 120sin(ωt–45°) В
е"
2 = 120sin(ωt+45°) В
е'
3 = 169sin(ωt) В
е"
3 = 169cos(ωt) В

0565tДля электрической схемы, соответствующей номеру варианта (табл. 1.3) и изображенной на рис. 1.22—1.41, выполнить следующее:
1. На основании законов Кирхгофа составить в общем виде систему уравнений для расчета токов во всех ветвях цепи, записав ее в двух формах: а) дифференциальной; б) символической.
2. Определить комплексы действующих значений токов во всех ветвях, воспользовавшись одним из методов расчета линейных, электрических цепей.
3. По результатам, полученным в п. 2, определить показание ваттметра двумя способами: а) с помощью выражения для комплексов тока и напряжения на ваттметре; б) по формуле UIcosφ. С помощью векторной диаграммы тока и напряжения, на которые реагирует ваттметр, пояснить определение угла φ = φ
u–φ
i.
4. Построить топографическую диаграмму, совмещенную с векторной диаграммой токов. При этом потенциал точки а, указанной на схеме, принять равным нулю.
L
1 = 4,8мГн
С
1 = 2,54мкФ
С
2 = 1,1мкФ
R
3 = 10 Ом
f = 2500 Гц
е'
1 = 0
е"
1 = 282sin(ωt) В
е'
2 = 282cos(ωt+90°) В
е"
2 = 0

0566tДля электрической схемы, соответствующей номеру варианта (табл. 1.3) и изображенной на рис. 1.22—1.41, выполнить следующее:
1. На основании законов Кирхгофа составить в общем виде систему уравнений для расчета токов во всех ветвях цепи, записав ее в двух формах: а) дифференциальной; б) символической.
2. Определить комплексы действующих значений токов во всех ветвях, воспользовавшись одним из методов расчета линейных, электрических цепей.
3. По результатам, полученным в п. 2, определить показание ваттметра двумя способами: а) с помощью выражения для комплексов тока и напряжения на ваттметре; б) по формуле UIcosφ. С помощью векторной диаграммы тока и напряжения, на которые реагирует ваттметр, пояснить определение угла φ = φ
u–φ
i.
4. Построить топографическую диаграмму, совмещенную с векторной диаграммой токов. При этом потенциал точки а, указанной на схеме, принять равным нулю.
L
1 = 0
L
2 = 16мГн
L
3 = 29мГн
С
1 = ∞
С
3 = 8,9мкФ
R
1 = 60 Ом
f = 600 Гц
е'
2 = 705cos(ωt–37°) В
е'
3 = 705sin(ωt–53°) В

0567tДля электрической схемы, соответствующей номеру варианта (табл. 1.3) и изображенной на рис. 1.22—1.41, выполнить следующее:
1. На основании законов Кирхгофа составить в общем виде систему уравнений для расчета токов во всех ветвях цепи, записав ее в двух формах: а) дифференциальной; б) символической.
2. Определить комплексы действующих значений токов во всех ветвях, воспользовавшись одним из методов расчета линейных, электрических цепей.
3. По результатам, полученным в п. 2, определить показание ваттметра двумя способами: а) с помощью выражения для комплексов тока и напряжения на ваттметре; б) по формуле UIcosφ. С помощью векторной диаграммы тока и напряжения, на которые реагирует ваттметр, пояснить определение угла φ = φ
u–φ
i.
4. Построить топографическую диаграмму, совмещенную с векторной диаграммой токов. При этом потенциал точки а, указанной на схеме, принять равным нулю.
L
2 = 0
L
3 = 50мГн
С
1 = 1мкФ
С
2 = ∞
С
3 = 0,4мкФ
R
2 = 25 Ом
f = 800 Гц
е'
1 = 620sin(ωt+54°) В
е"
1 = 538cos(ωt+22°) В
е'
3 = 705cos(ωt+90°) В

0568tДля электрической схемы, соответствующей номеру варианта (табл. 1.3) и изображенной на рис. 1.22—1.41, выполнить следующее:
1. На основании законов Кирхгофа составить в общем виде систему уравнений для расчета токов во всех ветвях цепи, записав ее в двух формах: а) дифференциальной; б) символической.
2. Определить комплексы действующих значений токов во всех ветвях, воспользовавшись одним из методов расчета линейных, электрических цепей.
3. По результатам, полученным в п. 2, определить показание ваттметра двумя способами: а) с помощью выражения для комплексов тока и напряжения на ваттметре; б) по формуле UIcosφ. С помощью векторной диаграммы тока и напряжения, на которые реагирует ваттметр, пояснить определение угла φ = φ
u–φ
i.
4. Построить топографическую диаграмму, совмещенную с векторной диаграммой токов. При этом потенциал точки а, указанной на схеме, принять равным нулю.
7. Используя данные расчетов, записать выражение для мгновенного значения тока или напряжения. Построить график зависимости указанной величины от ωt.
L
1 = 8мГн
L
2 = 9мГн
L
3 = 6,98мГн
С
1 = 1мкФ
С
2 = 0,5мкФ
С
3 = 1,42мкФ
R
3 = 70 Ом
f = 1600 Гц
е'
1 = 141sin(ωt–300°) В
е'
2 = 141cos(ωt–90°) В
е"
2 = 0

0569tДля электрической схемы, соответствующей номеру варианта (табл. 1.3) и изображенной на рис. 1.22—1.41, выполнить следующее:
1. На основании законов Кирхгофа составить в общем виде систему уравнений для расчета токов во всех ветвях цепи, записав ее в двух формах: а) дифференциальной; б) символической.
2. Определить комплексы действующих значений токов во всех ветвях, воспользовавшись одним из методов расчета линейных, электрических цепей.
3. По результатам, полученным в п. 2, определить показание ваттметра двумя способами: а) с помощью выражения для комплексов тока и напряжения на ваттметре; б) по формуле UIcosφ. С помощью векторной диаграммы тока и напряжения, на которые реагирует ваттметр, пояснить определение угла φ = φ
u–φ
i.
4. Построить топографическую диаграмму, совмещенную с векторной диаграммой токов. При этом потенциал точки а, указанной на схеме, принять равным нулю.
L
2 = 5,3мГн
С
1 = 8,84мкФ
С
2 = ∞
R
3 = 10 Ом
f = 600 Гц
е'
1 = 99cos(ωt+290°) В
е"
1 = 0
е'
2 = 155sin(ωt+30°) В
е"
2 = 89,5cos(ωt–150°) В

0570tДля электрической схемы, соответствующей номеру варианта (табл. 1.3) и изображенной на рис. 1.22—1.41, выполнить следующее:
1. На основании законов Кирхгофа составить в общем виде систему уравнений для расчета токов во всех ветвях цепи, записав ее в двух формах: а) дифференциальной; б) символической.
2. Определить комплексы действующих значений токов во всех ветвях, воспользовавшись одним из методов расчета линейных, электрических цепей.
3. По результатам, полученным в п. 2, определить показание ваттметра двумя способами: а) с помощью выражения для комплексов тока и напряжения на ваттметре; б) по формуле UIcosφ. С помощью векторной диаграммы тока и напряжения, на которые реагирует ваттметр, пояснить определение угла φ = φ
u–φ
i.
4. Построить топографическую диаграмму, совмещенную с векторной диаграммой токов. При этом потенциал точки а, указанной на схеме, принять равным нулю.
L
1 = 2,12мГн
L
2 = 0
С
2 = 13,2мкФ
R
3 = 25 Ом
f = 600 Гц
е'
1 = 56sin(ωt–60°) В
е"
1 = 64,5sin(ωt–131°) В
е'
3 = 84,6cos(ωt–120°) В
е"
3 = 0

0571tДля электрической схемы, соответствующей номеру варианта (табл. 1.3) и изображенной на рис. 1.22—1.41, выполнить следующее:
1. На основании законов Кирхгофа составить в общем виде систему уравнений для расчета токов во всех ветвях цепи, записав ее в двух формах: а) дифференциальной; б) символической.
2. Определить комплексы действующих значений токов во всех ветвях, воспользовавшись одним из методов расчета линейных, электрических цепей.
3. По результатам, полученным в п. 2, определить показание ваттметра двумя способами: а) с помощью выражения для комплексов тока и напряжения на ваттметре; б) по формуле UIcosφ. С помощью векторной диаграммы тока и напряжения, на которые реагирует ваттметр, пояснить определение угла φ = φ
u–φ
i.
4. Построить топографическую диаграмму, совмещенную с векторной диаграммой токов. При этом потенциал точки а, указанной на схеме, принять равным нулю.
L
2 = 6,94мГн
С
2 = 24,1мкФ
С
3 = 8,03мкФ
R
1 = 17 Ом
f = 550 Гц
е'
1 = 113,1cos(ωt–90°) В
е"
1 = 0
е'
3 = 56,6sin(ωt–35°) В
е"
3 = 0

0572tДля электрической схемы, соответствующей номеру варианта (табл. 1.3) и изображенной на рис. 1.22—1.41, выполнить следующее:
1. На основании законов Кирхгофа составить в общем виде систему уравнений для расчета токов во всех ветвях цепи, записав ее в двух формах: а) дифференциальной; б) символической.
2. Определить комплексы действующих значений токов во всех ветвях, воспользовавшись одним из методов расчета линейных, электрических цепей.
3. По результатам, полученным в п. 2, определить показание ваттметра двумя способами: а) с помощью выражения для комплексов тока и напряжения на ваттметре; б) по формуле UIcosφ. С помощью векторной диаграммы тока и напряжения, на которые реагирует ваттметр, пояснить определение угла φ = φ
u–φ
i.
4. Построить топографическую диаграмму, совмещенную с векторной диаграммой токов. При этом потенциал точки а, указанной на схеме, принять равным нулю.
7. Используя данные расчетов, записать выражение для мгновенного значения тока или напряжения. Построить график зависимости указанной величины от ωt.
L
1 = 0,68мГн
L
3 = 2,73мГн
С
1 = 1,62мкФ
С
3 = ∞
R
2 = 65 Ом
f = 1400 Гц
е'
1 = 141sin(ωt) В
е"
1 = 0
е'
3 = 181,4sin(ωt) В
е"
3 = 216cos(ωt–180°) В

0573tДля электрической схемы, соответствующей номеру варианта (табл. 1.3) и изображенной на рис. 1.22—1.41, выполнить следующее:
1. На основании законов Кирхгофа составить в общем виде систему уравнений для расчета токов во всех ветвях цепи, записав ее в двух формах: а) дифференциальной; б) символической.
2. Определить комплексы действующих значений токов во всех ветвях, воспользовавшись одним из методов расчета линейных, электрических цепей.
3. По результатам, полученным в п. 2, определить показание ваттметра двумя способами: а) с помощью выражения для комплексов тока и напряжения на ваттметре; б) по формуле UIcosφ. С помощью векторной диаграммы тока и напряжения, на которые реагирует ваттметр, пояснить определение угла φ = φ
u–φ
i.
4. Построить топографическую диаграмму, совмещенную с векторной диаграммой токов. При этом потенциал точки а, указанной на схеме, принять равным нулю.
L
3 = 6,35мГн
С
1 = 2,5мкФ
С
3 = 10мкФ
R
2 = 65 Ом
f = 1000 Гц
е'
1 = 141cos(ωt–15°) В
е"
1 = 0
е'
3 = 0
е"
3 = 282sin(ωt–335°) В

0574tДля электрической схемы, соответствующей номеру варианта (табл. 1.3) и изображенной на рис. 1.22—1.41, выполнить следующее:
1. На основании законов Кирхгофа составить в общем виде систему уравнений для расчета токов во всех ветвях цепи, записав ее в двух формах: а) дифференциальной; б) символической.
2. Определить комплексы действующих значений токов во всех ветвях, воспользовавшись одним из методов расчета линейных, электрических цепей.
3. По результатам, полученным в п. 2, определить показание ваттметра двумя способами: а) с помощью выражения для комплексов тока и напряжения на ваттметре; б) по формуле UIcosφ. С помощью векторной диаграммы тока и напряжения, на которые реагирует ваттметр, пояснить определение угла φ = φ
u–φ
i.
4. Построить топографическую диаграмму, совмещенную с векторной диаграммой токов. При этом потенциал точки а, указанной на схеме, принять равным нулю.
7. Записать выражения для мгновенного значения тока или напряжения (см. указание к выбору варианта). Построить график зависимости указанной величины от ωt.
8. Полагая, что между двумя любыми индуктивными катушками, расположенными в различных ветвях заданной схемы, имеется магнитная связь при взаимной индуктивности, равной М, составить в общем виде систему уравнений по законам Кирхгофа для расчета токов во всех ветвях схемы, записав ее в двух формах: а) дифференциальной; б) символической.
L
2 = 2,37мГн
L
3 = 2,79мГн
С
3 = 3,99мкФ
R
1 = 17 Ом
f = 800 Гц
е'
1 = 112,8cos(ωt–95°) В
е"
1 = 0
е'
3 = 40sin(ωt+5°) В
е"
3 = 40sin(ωt–85°) В

0575tДля электрической схемы, соответствующей номеру варианта (табл. 1.3) и изображенной на рис. 1.22—1.41, выполнить следующее:
1. На основании законов Кирхгофа составить в общем виде систему уравнений для расчета токов во всех ветвях цепи, записав ее в двух формах: а) дифференциальной; б) символической.
2. Определить комплексы действующих значений токов во всех ветвях, воспользовавшись одним из методов расчета линейных, электрических цепей.
3. По результатам, полученным в п. 2, определить показание ваттметра двумя способами: а) с помощью выражения для комплексов тока и напряжения на ваттметре; б) по формуле UIcosφ. С помощью векторной диаграммы тока и напряжения, на которые реагирует ваттметр, пояснить определение угла φ = φ
u–φ
i.
4. Построить топографическую диаграмму, совмещенную с векторной диаграммой токов. При этом потенциал точки а, указанной на схеме, принять равным нулю.
7. Используя данные расчетов, записать выражение для мгновенного значения тока или напряжения. Построить график зависимости указанной величины от ωt.
L
1 = 10,1мГн
L
3 = 5,69мГн
С
1 = 8,85мкФ
С
3 = 6,62мкФ
R
2 = 25 Ом
f = 600 Гц
е'
1 = 70,5sin(ωt–13°) В
е'
2 = 84,6cos(ωt–133°) В
е"
2 = 0

0576tДля электрической схемы, соответствующей номеру варианта (табл. 1.3) и изображенной на рис. 1.22—1.41, выполнить следующее:
1. На основании законов Кирхгофа составить в общем виде систему уравнений для расчета токов во всех ветвях цепи, записав ее в двух формах: а) дифференциальной; б) символической.
2. Определить комплексы действующих значений токов во всех ветвях, воспользовавшись одним из методов расчета линейных, электрических цепей.
3. По результатам, полученным в п. 2, определить показание ваттметра двумя способами: а) с помощью выражения для комплексов тока и напряжения на ваттметре; б) по формуле UIcosφ. С помощью векторной диаграммы тока и напряжения, на которые реагирует ваттметр, пояснить определение угла φ = φ
u–φ
i.
4. Построить топографическую диаграмму, совмещенную с векторной диаграммой токов. При этом потенциал точки а, указанной на схеме, принять равным нулю.
L
2 = 1,68мГн
L
3 = 7,65мГн
С
2 = 3,16мкФ
С
3 = 2,95мкФ
R
1 = 17 Ом
f = 750 Гц
е'
1 = 113cos(ωt–112°) В
е"
1 = 0
е'
3 = 56,4sin(ωt–57°) В

0577tДля электрической схемы, соответствующей номеру варианта (табл. 1.3) и изображенной на рис. 1.22—1.41, выполнить следующее:
1. На основании законов Кирхгофа составить в общем виде систему уравнений для расчета токов во всех ветвях цепи, записав ее в двух формах: а) дифференциальной; б) символической.
2. Определить комплексы действующих значений токов во всех ветвях, воспользовавшись одним из методов расчета линейных, электрических цепей.
3. По результатам, полученным в п. 2, определить показание ваттметра двумя способами: а) с помощью выражения для комплексов тока и напряжения на ваттметре; б) по формуле UIcosφ. С помощью векторной диаграммы тока и напряжения, на которые реагирует ваттметр, пояснить определение угла φ = φ
u–φ
i.
4. Построить топографическую диаграмму, совмещенную с векторной диаграммой токов. При этом потенциал точки а, указанной на схеме, принять равным нулю.
L
1 = 20,8мГн
L
3 = 2,94мГн
С
1 = 1,51мкФ
С
3 = ∞
R
2 = 65 Ом
f = 1300 Гц
е'
1 = 0
е"
1 = 141sin(ωt+10°) В
е'
3 = 0
е"
3 = 282cos(ωt–130°) В

0578tДля электрической схемы, соответствующей номеру варианта (табл. 1.3) и изображенной на рис. 1.22—1.41, выполнить следующее:
1. На основании законов Кирхгофа составить в общем виде систему уравнений для расчета токов во всех ветвях цепи, записав ее в двух формах: а) дифференциальной; б) символической.
2. Определить комплексы действующих значений токов во всех ветвях, воспользовавшись одним из методов расчета линейных, электрических цепей.
3. По результатам, полученным в п. 2, определить показание ваттметра двумя способами: а) с помощью выражения для комплексов тока и напряжения на ваттметре; б) по формуле UIcosφ. С помощью векторной диаграммы тока и напряжения, на которые реагирует ваттметр, пояснить определение угла φ = φ
u–φ
i.
4. Построить топографическую диаграмму, совмещенную с векторной диаграммой токов. При этом потенциал точки а, указанной на схеме, принять равным нулю.
7. Используя данные расчетов, записать выражение для мгновенного значения тока или напряжения. Построить график зависимости указанной величины от ωt.
L
1 = 15,9мГн
L
2 = 25мГн
С
1 = 2,12мкФ
С
2 = 6,6мкФ
R
3 = 100 Ом
f = 500 Гц
е'
1 = 244cos(ωt) В
е"
1 = 282sin(ωt–60°) В
е'
3 = 141sin(ωt–270°) В
е"
3 = 0

0579tДля электрической схемы, соответствующей номеру варианта (табл. 1.3) и изображенной на рис. 1.22—1.41, выполнить следующее:
1. На основании законов Кирхгофа составить в общем виде систему уравнений для расчета токов во всех ветвях цепи, записав ее в двух формах: а) дифференциальной; б) символической.
2. Определить комплексы действующих значений токов во всех ветвях, воспользовавшись одним из методов расчета линейных, электрических цепей.
3. По результатам, полученным в п. 2, определить показание ваттметра двумя способами: а) с помощью выражения для комплексов тока и напряжения на ваттметре; б) по формуле UIcosφ. С помощью векторной диаграммы тока и напряжения, на которые реагирует ваттметр, пояснить определение угла φ = φ
u–φ
i.
4. Построить топографическую диаграмму, совмещенную с векторной диаграммой токов. При этом потенциал точки а, указанной на схеме, принять равным нулю.
L
3 = 63,6мГн
С
1 = 3,18мкФ
С
3 = 3,18мкФ
R
2 = 100 Ом
f = 500 Гц
е"
1 = 169cos(ωt+270°) В
е'
2 = 169cos(ωt+90°) В
е"
2 = 0
е'
3 = 169sin(ωt–180°) В
е"
3 = 0

0580tДля электрической схемы, соответствующей номеру варианта (табл. 1.3) и изображенной на рис. 1.22—1.41, выполнить следующее:
1. На основании законов Кирхгофа составить в общем виде систему уравнений для расчета токов во всех ветвях цепи, записав ее в двух формах: а) дифференциальной; б) символической.
2. Определить комплексы действующих значений токов во всех ветвях, воспользовавшись одним из методов расчета линейных, электрических цепей.
3. По результатам, полученным в п. 2, определить показание ваттметра двумя способами: а) с помощью выражения для комплексов тока и напряжения на ваттметре; б) по формуле UIcosφ. С помощью векторной диаграммы тока и напряжения, на которые реагирует ваттметр, пояснить определение угла φ = φ
u–φ
i.
4. Построить топографическую диаграмму, совмещенную с векторной диаграммой токов. При этом потенциал точки а, указанной на схеме, принять равным нулю.
L
1 = 5мГн
L
2 = 1,25мГн
С
2 = 0,4мкФ
R
3 = 100 Ом
f = 3180 Гц
е'
1 = 0
е"
1 = 169sin(ωt–180°) В
е'
2 = 0
е"
2 = 169sin(ωt) В
е'
3 = 240cos(ωt+45°) В
е"
3 = 169sin(ωt) В

0581tДля электрической схемы, соответствующей номеру варианта (табл. 1.3) и изображенной на рис. 1.22—1.41, выполнить следующее:
1. На основании законов Кирхгофа составить в общем виде систему уравнений для расчета токов во всех ветвях цепи, записав ее в двух формах: а) дифференциальной; б) символической.
2. Определить комплексы действующих значений токов во всех ветвях, воспользовавшись одним из методов расчета линейных, электрических цепей.
3. По результатам, полученным в п. 2, определить показание ваттметра двумя способами: а) с помощью выражения для комплексов тока и напряжения на ваттметре; б) по формуле UIcosφ. С помощью векторной диаграммы тока и напряжения, на которые реагирует ваттметр, пояснить определение угла φ = φ
u–φ
i.
4. Построить топографическую диаграмму, совмещенную с векторной диаграммой токов. При этом потенциал точки а, указанной на схеме, принять равным нулю.
L
2 = 6,8мГн
С
2 = 0,91мкФ
С
3 = 0,45мкФ
R
1 = 100 Ом
f = 3500 Гц
е'
1 = 0
е"
1 = 169cos(ωt) В
е'
2 = 169sin(ωt–180°) В
е"
2 = 0
е'
3 = 0
е"
3 = 169sin(ωt) В

0582tДля электрической схемы, соответствующей номеру варианта (табл. 1.3) и изображенной на рис. 1.22—1.41, выполнить следующее:
1. На основании законов Кирхгофа составить в общем виде систему уравнений для расчета токов во всех ветвях цепи, записав ее в двух формах: а) дифференциальной; б) символической.
2. Определить комплексы действующих значений токов во всех ветвях, воспользовавшись одним из методов расчета линейных, электрических цепей.
3. По результатам, полученным в п. 2, определить показание ваттметра двумя способами: а) с помощью выражения для комплексов тока и напряжения на ваттметре; б) по формуле UIcosφ. С помощью векторной диаграммы тока и напряжения, на которые реагирует ваттметр, пояснить определение угла φ = φ
u–φ
i.
4. Построить топографическую диаграмму, совмещенную с векторной диаграммой токов. При этом потенциал точки а, указанной на схеме, принять равным нулю.
L
1 = 12мГн
L
3 = 8мГн
С
1 = 1,6мкФ
С
3 = 0,4мкФ
R
2 = 100 Ом
f = 2000 Гц
е'
1 = 169sin(ωt–180°) В
е"
1 = 0
е'
2 = 0
е"
2 = 169cos(ωt+0°) В
е'
3 = 0
е"
3 = 169sin(ωt) В

0583tДля электрической схемы, соответствующей номеру варианта (табл. 1.3) и изображенной на рис. 1.22—1.41, выполнить следующее:
1. На основании законов Кирхгофа составить в общем виде систему уравнений для расчета токов во всех ветвях цепи, записав ее в двух формах: а) дифференциальной; б) символической.
2. Определить комплексы действующих значений токов во всех ветвях, воспользовавшись одним из методов расчета линейных, электрических цепей.
3. По результатам, полученным в п. 2, определить показание ваттметра двумя способами: а) с помощью выражения для комплексов тока и напряжения на ваттметре; б) по формуле UIcosφ. С помощью векторной диаграммы тока и напряжения, на которые реагирует ваттметр, пояснить определение угла φ = φ
u–φ
i.
4. Построить топографическую диаграмму, совмещенную с векторной диаграммой токов. При этом потенциал точки а, указанной на схеме, принять равным нулю.
7. Используя данные расчетов, записать выражение для мгновенного значения тока или напряжения. Построить график зависимости указанной величины от ωt.
L
1 = 1,6мГн
С
1 = ∞
С
2 = 0,55мкФ
R
3 = 10 Ом
f = 5000 Гц
е'
1 = 282cos(ωt–90°) В
е"
1 = 0
е'
2 = 282sin(ωt+180°) В
е"
2 = 0

0584tДля электрической схемы, соответствующей номеру варианта (табл. 1.3) и изображенной на рис. 1.22—1.41, выполнить следующее:
1. На основании законов Кирхгофа составить в общем виде систему уравнений для расчета токов во всех ветвях цепи, записав ее в двух формах: а) дифференциальной; б) символической.
2. Определить комплексы действующих значений токов во всех ветвях, воспользовавшись одним из методов расчета линейных, электрических цепей.
3. По результатам, полученным в п. 2, определить показание ваттметра двумя способами: а) с помощью выражения для комплексов тока и напряжения на ваттметре; б) по формуле UIcosφ. С помощью векторной диаграммы тока и напряжения, на которые реагирует ваттметр, пояснить определение угла φ = φ
u–φ
i.
4. Построить топографическую диаграмму, совмещенную с векторной диаграммой токов. При этом потенциал точки а, указанной на схеме, принять равным нулю.
7. Используя данные расчетов, записать выражение для мгновенного значения тока или напряжения. Построить график зависимости указанной величины от ωt.
L
1 = 31,8мГн
L
2 = 32мГн
L
3 = 58мГн
С
1 = 8,84мкФ
С
3 = 17,8мкФ
R
1 = 60 Ом
f = 300 Гц
е'
2 = 705sin(ωt–307°) В
е"
2 = 0
е'
3 = 705cos(ωt+217°) В

0585tДля электрической схемы, соответствующей номеру варианта (табл. 1.3) и изображенной на рис. 1.22—1.41, выполнить следующее:
1. На основании законов Кирхгофа составить в общем виде систему уравнений для расчета токов во всех ветвях цепи, записав ее в двух формах: а) дифференциальной; б) символической.
2. Определить комплексы действующих значений токов во всех ветвях, воспользовавшись одним из методов расчета линейных, электрических цепей.
3. По результатам, полученным в п. 2, определить показание ваттметра двумя способами: а) с помощью выражения для комплексов тока и напряжения на ваттметре; б) по формуле UIcosφ. С помощью векторной диаграммы тока и напряжения, на которые реагирует ваттметр, пояснить определение угла φ = φ
u–φ
i.
4. Построить топографическую диаграмму, совмещенную с векторной диаграммой токов. При этом потенциал точки а, указанной на схеме, принять равным нулю.
L
2 = 19,9мГн
L
3 = 200мГн
С
1 = 4мкФ
С
2 = 31,8мкФ
С
3 = 1,6мкФ
R
2 = 25 Ом
f = 200 Гц
е'
1 = 566sin(ωt) В
е"
1 = 0
е'
3 = 705cos(ωt–270°) В

0586tДля электрической схемы, соответствующей номеру варианта (табл. 1.3) и изображенной на рис. 1.22—1.41, выполнить следующее:
1. На основании законов Кирхгофа составить в общем виде систему уравнений для расчета токов во всех ветвях цепи, записав ее в двух формах: а) дифференциальной; б) символической.
2. Определить комплексы действующих значений токов во всех ветвях, воспользовавшись одним из методов расчета линейных, электрических цепей.
3. По результатам, полученным в п. 2, определить показание ваттметра двумя способами: а) с помощью выражения для комплексов тока и напряжения на ваттметре; б) по формуле UIcosφ. С помощью векторной диаграммы тока и напряжения, на которые реагирует ваттметр, пояснить определение угла φ = φ
u–φ
i.
4. Построить топографическую диаграмму, совмещенную с векторной диаграммой токов. При этом потенциал точки а, указанной на схеме, принять равным нулю.
L
1 = 32мГн
L
2 = 36мГн
L
3 = 27,9мГн
С
1 = 4мкФ
С
2 = 2мкФ
С
3 = 5,69мкФ
R
3 = 70 Ом
f = 400 Гц
е'
1 = 141cos(ωt+330°) В
е'
2 = 141cos(ωt+270°) В
е"
2 = 0

0587tДля электрической схемы, соответствующей номеру варианта (табл. 1.3) и изображенной на рис. 1.22—1.41, выполнить следующее:
1. На основании законов Кирхгофа составить в общем виде систему уравнений для расчета токов во всех ветвях цепи, записав ее в двух формах: а) дифференциальной; б) символической.
2. Определить комплексы действующих значений токов во всех ветвях, воспользовавшись одним из методов расчета линейных, электрических цепей.
3. По результатам, полученным в п. 2, определить показание ваттметра двумя способами: а) с помощью выражения для комплексов тока и напряжения на ваттметре; б) по формуле UIcosφ. С помощью векторной диаграммы тока и напряжения, на которые реагирует ваттметр, пояснить определение угла φ = φ
u–φ
i.
4. Построить топографическую диаграмму, совмещенную с векторной диаграммой токов. При этом потенциал точки а, указанной на схеме, принять равным нулю.
L
2 = 4,78мГн
С
1 = 5,3мкФ
С
2 = 15,9мкФ
R
3 = 10 Ом
f = 1000 Гц
е'
1 = 99cos(ωt–70°) В
е"
1 = 0
е'
2 = 179sin(ωt) В
е"
2 = 0

0588tДля электрической схемы, соответствующей номеру варианта (табл. 1.3) и изображенной на рис. 1.22—1.41, выполнить следующее:
1. На основании законов Кирхгофа составить в общем виде систему уравнений для расчета токов во всех ветвях цепи, записав ее в двух формах: а) дифференциальной; б) символической.
2. Определить комплексы действующих значений токов во всех ветвях, воспользовавшись одним из методов расчета линейных, электрических цепей.
3. По результатам, полученным в п. 2, определить показание ваттметра двумя способами: а) с помощью выражения для комплексов тока и напряжения на ваттметре; б) по формуле UIcosφ. С помощью векторной диаграммы тока и напряжения, на которые реагирует ваттметр, пояснить определение угла φ = φ
u–φ
i.
4. Построить топографическую диаграмму, совмещенную с векторной диаграммой токов. При этом потенциал точки а, указанной на схеме, принять равным нулю.
7. Используя данные расчетов, записать выражение для мгновенного значения тока или напряжения. Построить график зависимости указанной величины от ωt.
L
1 = 0,85мГн
L
2 = 0
С
2 = 5,32мкФ
R
3 = 25 Ом
f = 1500 Гц
е'
1 = 70,5cos(ωt–90°) В
е"
1 = 0
е'
3 = 73sin(ωt) В
е"
3 = 42,3cos(ωt–180°) В

0589tДля электрической схемы, соответствующей номеру варианта (табл. 1.3) и изображенной на рис. 1.22—1.41, выполнить следующее:
1. На основании законов Кирхгофа составить в общем виде систему уравнений для расчета токов во всех ветвях цепи, записав ее в двух формах: а) дифференциальной; б) символической.
2. Определить комплексы действующих значений токов во всех ветвях, воспользовавшись одним из методов расчета линейных, электрических цепей.
3. По результатам, полученным в п. 2, определить показание ваттметра двумя способами: а) с помощью выражения для комплексов тока и напряжения на ваттметре; б) по формуле UIcosφ. С помощью векторной диаграммы тока и напряжения, на которые реагирует ваттметр, пояснить определение угла φ = φ
u–φ
i.
4. Построить топографическую диаграмму, совмещенную с векторной диаграммой токов. При этом потенциал точки а, указанной на схеме, принять равным нулю.
7. Используя данные расчетов, записать выражение для мгновенного значения тока или напряжения. Построить график зависимости указанной величины от ωt.
8. Полагая, что между двумя любыми индуктивными катушками, расположенными в различных ветвях заданной схемы, имеется магнитная связь при взаимной индуктивности, равной М, составить в общем виде систему уравнений по законам Кирхгофа для расчета токов во всех ветвях схемы, записав ее в двух формах: а) дифференциальной; б) символической.
L
2 = 3,47мГн
С
2 = 12мкФ
С
3 = 4,02мкФ
R
1 = 17 Ом
f = 1100 Гц
е'
1 = 113cos(ωt–90°) В
е"
1 = 0
е'
3 = 56,6sin(ωt–35°) В
е"
3 = 0

0590tДля электрической схемы, соответствующей номеру варианта (табл. 1.3) и изображенной на рис. 1.22—1.41, выполнить следующее:
1. На основании законов Кирхгофа составить в общем виде систему уравнений для расчета токов во всех ветвях цепи, записав ее в двух формах: а) дифференциальной; б) символической.
2. Определить комплексы действующих значений токов во всех ветвях, воспользовавшись одним из методов расчета линейных, электрических цепей.
3. По результатам, полученным в п. 2, определить показание ваттметра двумя способами: а) с помощью выражения для комплексов тока и напряжения на ваттметре; б) по формуле UIcosφ. С помощью векторной диаграммы тока и напряжения, на которые реагирует ваттметр, пояснить определение угла φ = φ
u–φ
i.
4. Построить топографическую диаграмму, совмещенную с векторной диаграммой токов. При этом потенциал точки а, указанной на схеме, принять равным нулю.
7. Используя данные расчетов, записать выражение для мгновенного значения тока или напряжения. Построить график зависимости указанной величины от ωt.
L
1 = 1,36мГн
L
3 = 5,46мГн
С
1 = 3,25мкФ
С
3 = ∞
R
2 = 65 Ом
f = 700 Гц
е'
1 = 100cos(ωt–45°) В
е"
1 = 100sin(ωt–45°) В
е'
3 = 282sin(ωt–50°) В
е"
3 = 0

0591tДля электрической схемы, соответствующей номеру варианта (табл. 1.3) и изображенной на рис. 1.22—1.41, выполнить следующее:
1. На основании законов Кирхгофа составить в общем виде систему уравнений для расчета токов во всех ветвях цепи, записав ее в двух формах: а) дифференциальной; б) символической.
2. Определить комплексы действующих значений токов во всех ветвях, воспользовавшись одним из методов расчета линейных, электрических цепей.
3. По результатам, полученным в п. 2, определить показание ваттметра двумя способами: а) с помощью выражения для комплексов тока и напряжения на ваттметре; б) по формуле UIcosφ. С помощью векторной диаграммы тока и напряжения, на которые реагирует ваттметр, пояснить определение угла φ = φ
u–φ
i.
4. Построить топографическую диаграмму, совмещенную с векторной диаграммой токов. При этом потенциал точки а, указанной на схеме, принять равным нулю.
L
3 = 3,82мГн
С
1 = 1,25мкФ
С
3 = 3,32мкФ
R
2 = 65 Ом
f = 2000 Гц
е'
1 = 141sin(ωt–285°) В
е"
1 = 0
е'
3 = 282cos(ωt–65°) В
е"
3 = 0

0592tДля электрической схемы, соответствующей номеру варианта (табл. 2-1) и изображенной на рис. 2.1—2.20, выполнить следующее:
1. На основании законов Кирхгофа составить в общем виде систему уравнений для расчета токов во всех ветвях цепи, записав ее в двух формах: а) дифференциальной; б) символической.
2. Определить комплексы действующих значений токов во всех ветвях, воспользовавшись одним из методов расчета линейных, электрических цепей.
3. По результатам, полученным в п. 2, определить показание ваттметра двумя способами: а) с помощью выражения для комплексов тока и напряжения на ваттметре; б) по формуле UIcosφ. С помощью векторной диаграммы тока и напряжения, на которые реагирует ваттметр, пояснить определение угла φ = φ
u–φ
i.
4. Построить топографическую диаграмму, совмещенную с векторной диаграммой токов. При этом потенциал точки а, указанной на схеме, принять равным нулю.
L
2 = 2,12мГн
L
3 = 2,48мГн
С
3 = 3,55мкФ
R
1 = 17 Ом
f = 900 Гц
е'
1 = 0
е"
1 = 112,8cos(ωt+95°) В
е'
3 = 56,4sin(ωt–40°) В
е"
3 = 0

0593tДля электрической схемы, соответствующей номеру варианта (табл. 1.3) и изображенной на рис. 1.22—1.41, выполнить следующее:
1. На основании законов Кирхгофа составить в общем виде систему уравнений для расчета токов во всех ветвях цепи, записав ее в двух формах: а) дифференциальной; б) символической.
2. Определить комплексы действующих значений токов во всех ветвях, воспользовавшись одним из методов расчета линейных, электрических цепей.
3. По результатам, полученным в п. 2, определить показание ваттметра двумя способами: а) с помощью выражения для комплексов тока и напряжения на ваттметре; б) по формуле UIcosφ. С помощью векторной диаграммы тока и напряжения, на которые реагирует ваттметр, пояснить определение угла φ = φ
u–φ
i.
4. Построить топографическую диаграмму, совмещенную с векторной диаграммой токов. При этом потенциал точки а, указанной на схеме, принять равным нулю.
L
1 = 0,64мГн
L
2 = 2,39мГн
С
2 = 1,59мкФ
R
3 = 25 Ом
f = 2000 Гц
е'
1 = 70,5cos(ωt–70°) В
е"
1 = 0
е'
3 = 83,5sin(ωt) В
е"
3 = 14,7sin(ωt+90°) В

0594tДля электрической схемы, соответствующей номеру варианта (табл. 1.3) и изображенной на рис. 1.22—1.41, выполнить следующее:
1. На основании законов Кирхгофа составить в общем виде систему уравнений для расчета токов во всех ветвях цепи, записав ее в двух формах: а) дифференциальной; б) символической.
2. Определить комплексы действующих значений токов во всех ветвях, воспользовавшись одним из методов расчета линейных, электрических цепей.
3. По результатам, полученным в п. 2, определить показание ваттметра двумя способами: а) с помощью выражения для комплексов тока и напряжения на ваттметре; б) по формуле UIcosφ. С помощью векторной диаграммы тока и напряжения, на которые реагирует ваттметр, пояснить определение угла φ = φ
u–φ
i.
4. Построить топографическую диаграмму, совмещенную с векторной диаграммой токов. При этом потенциал точки а, указанной на схеме, принять равным нулю.
L
2 = 16,8мГн
L
3 = 0
С
2 = 3,16мкФ
С
3 = 5,9мкФ
R
1 = 17 Ом
f = 750 Гц
е'
1 = 60sin(ωt–34°) В
е"
1 = 60sin(ωt+180°) В
е'
3 = 56,4cos(ωt+213°) В

0595tДля электрической схемы, соответствующей номеру варианта (табл. 1.3) и изображенной на рис. 1.22—1.41, выполнить следующее:
1. На основании законов Кирхгофа составить в общем виде систему уравнений для расчета токов во всех ветвях цепи, записав ее в двух формах: а) дифференциальной; б) символической.
2. Определить комплексы действующих значений токов во всех ветвях, воспользовавшись одним из методов расчета линейных, электрических цепей.
3. По результатам, полученным в п. 2, определить показание ваттметра двумя способами: а) с помощью выражения для комплексов тока и напряжения на ваттметре; б) по формуле UIcosφ. С помощью векторной диаграммы тока и напряжения, на которые реагирует ваттметр, пояснить определение угла φ = φ
u–φ
i.
4. Построить топографическую диаграмму, совмещенную с векторной диаграммой токов. При этом потенциал точки а, указанной на схеме, принять равным нулю.
7. Используя данные расчетов, записать выражение для мгновенного значения тока или напряжения. Построить график зависимости указанной величины от ωt.
L
1 = 1,04мГн
L
3 = 1,47мГн
С
1 = 0,76мкФ
С
3 = ∞
R
2 = 65 Ом
f = 2600 Гц
е'
1 = 0
е"
1 = 141cos(ωt–80°) В
е'
3 = 0
е"
3 = 282sin(ωt–40°) В

0596tДля электрической схемы, соответствующей номеру варианта (табл. 1.3) и изображенной на рис. 1.22—1.41, выполнить следующее:
1. На основании законов Кирхгофа составить в общем виде систему уравнений для расчета токов во всех ветвях цепи, записав ее в двух формах: а) дифференциальной; б) символической.
2. Определить комплексы действующих значений токов во всех ветвях, воспользовавшись одним из методов расчета линейных, электрических цепей.
3. По результатам, полученным в п. 2, определить показание ваттметра двумя способами: а) с помощью выражения для комплексов тока и напряжения на ваттметре; б) по формуле UIcosφ. С помощью векторной диаграммы тока и напряжения, на которые реагирует ваттметр, пояснить определение угла φ = φ
u–φ
i.
4. Построить топографическую диаграмму, совмещенную с векторной диаграммой токов. При этом потенциал точки а, указанной на схеме, принять равным нулю.
L
1 = 31,8мГн
L
2 = 12,5мГн
С
1 = 0,53мкФ
С
2 = 3,3мкФ
R
3 = 100 Ом
f = 1000 Гц
е'
1 = 0
е"
1 = 141sin(ωt) В
е'
3 = 372sin(ωt–311°) В
е"
3 = 282cos(ωt+120°) В

0597tДля электрической схемы, соответствующей номеру варианта (табл. 1.3) и изображенной на рис. 1.22—1.41, выполнить следующее:
1. На основании законов Кирхгофа составить в общем виде систему уравнений для расчета токов во всех ветвях цепи, записав ее в двух формах: а) дифференциальной; б) символической.
2. Определить комплексы действующих значений токов во всех ветвях, воспользовавшись одним из методов расчета линейных, электрических цепей.
3. По результатам, полученным в п. 2, определить показание ваттметра двумя способами: а) с помощью выражения для комплексов тока и напряжения на ваттметре; б) по формуле UIcosφ. С помощью векторной диаграммы тока и напряжения, на которые реагирует ваттметр, пояснить определение угла φ = φ
u–φ
i.
4. Построить топографическую диаграмму, совмещенную с векторной диаграммой токов. При этом потенциал точки а, указанной на схеме, принять равным нулю.
L
1 = 15,9мГн
L
2 = 3,98мГн
С
2 = 1,27мкФ
R
3 = 100 Ом
f = 1000 Гц
е"
1 = 169sin(ωt+180°) В
е'
2 = 0
е"
2 = 169cos(ωt–90°) В
е'
3 = 169sin(ωt+90°) В
е"
3 = 0

0598tДля электрической схемы, соответствующей номеру варианта (табл. 1.3) и изображенной на рис. 1.22—1.41, выполнить следующее:
1. На основании законов Кирхгофа составить в общем виде систему уравнений для расчета токов во всех ветвях цепи, записав ее в двух формах: а) дифференциальной; б) символической.
2. Определить комплексы действующих значений токов во всех ветвях, воспользовавшись одним из методов расчета линейных, электрических цепей.
3. По результатам, полученным в п. 2, определить показание ваттметра двумя способами: а) с помощью выражения для комплексов тока и напряжения на ваттметре; б) по формуле UIcosφ. С помощью векторной диаграммы тока и напряжения, на которые реагирует ваттметр, пояснить определение угла φ = φ
u–φ
i.
4. Построить топографическую диаграмму, совмещенную с векторной диаграммой токов. При этом потенциал точки а, указанной на схеме, принять равным нулю.
L
2 = 23,8мГн
С
2 = 3,18мкФ
С
3 = 1,59мкФ
R
1 = 100 Ом
f = 1000 Гц
е'
1 = 0
е"
1 = 169cos(ωt) В
е'
2 = 169sin(ωt–180°) В
е"
2 = 0
е'
3 = 240sin(ωt+45°) В
е"
3 = 169sin(ωt–90°) В

0599tДля электрической схемы, соответствующей номеру варианта (табл. 1.3) и изображенной на рис. 1.22—1.41, выполнить следующее:
1. На основании законов Кирхгофа составить в общем виде систему уравнений для расчета токов во всех ветвях цепи, записав ее в двух формах: а) дифференциальной; б) символической.
2. Определить комплексы действующих значений токов во всех ветвях, воспользовавшись одним из методов расчета линейных, электрических цепей.
3. По результатам, полученным в п. 2, определить показание ваттметра двумя способами: а) с помощью выражения для комплексов тока и напряжения на ваттметре; б) по формуле UIcosφ. С помощью векторной диаграммы тока и напряжения, на которые реагирует ваттметр, пояснить определение угла φ = φ
u–φ
i.
4. Построить топографическую диаграмму, совмещенную с векторной диаграммой токов. При этом потенциал точки а, указанной на схеме, принять равным нулю.
L
1 = 6мГн
L
3 = 4мГн
С
1 = 0,8мкФ
С
3 = 0,2мкФ
R
2 = 100 Ом
f = 4000 Гц
е'
1 = 169cos(ωt–180°) В
е'
2 = 0
е"
2 = 169cos(ωt) В
е'
3 = 169sin(ωt) В
е"
3 = 0

0602tДля электрической схемы, соответствующей номеру варианта (табл. 1.3) и изображенной на рис. 1.22—1.41, выполнить следующее:
1. На основании законов Кирхгофа составить в общем виде систему уравнений для расчета токов во всех ветвях цепи, записав ее в двух формах: а) дифференциальной; б) символической.
2. Определить комплексы действующих значений токов во всех ветвях, воспользовавшись одним из методов расчета линейных, электрических цепей.
3. По результатам, полученным в п. 2, определить показание ваттметра двумя способами: а) с помощью выражения для комплексов тока и напряжения на ваттметре; б) по формуле UIcosφ. С помощью векторной диаграммы тока и напряжения, на которые реагирует ваттметр, пояснить определение угла φ = φ
u–φ
i.
4. Построить топографическую диаграмму, совмещенную с векторной диаграммой токов. При этом потенциал точки а, указанной на схеме, принять равным нулю.
7. Используя данные расчетов, записать выражение для мгновенного значения тока или напряжения. Построить график зависимости указанной величины от ωt.
L
2 = 6,38мГн
С
1 = 10,6мкФ
С
2 = ∞
R
3 = 10 Ом
f = 500 Гц
е'
1 = 100sin(ωt+60°) В
е"
1 = 63,5sin(ωt–56°) В
е'
2 = 178cos(ωt–90°) В
е"
2 = 0

0603tДля электрической схемы, соответствующей номеру варианта (табл. 1.3) и изображенной на рис. 1.22—1.41, выполнить следующее:
1. На основании законов Кирхгофа составить в общем виде систему уравнений для расчета токов во всех ветвях цепи, записав ее в двух формах: а) дифференциальной; б) символической.
2. Определить комплексы действующих значений токов во всех ветвях, воспользовавшись одним из методов расчета линейных, электрических цепей.
3. По результатам, полученным в п. 2, определить показание ваттметра двумя способами: а) с помощью выражения для комплексов тока и напряжения на ваттметре; б) по формуле UIcosφ. С помощью векторной диаграммы тока и напряжения, на которые реагирует ваттметр, пояснить определение угла φ = φ
u–φ
i.
4. Построить топографическую диаграмму, совмещенную с векторной диаграммой токов. При этом потенциал точки а, указанной на схеме, принять равным нулю.
7. Используя данные расчетов, записать выражение для мгновенного значения тока или напряжения. Построить график зависимости указанной величины от ωt.
L
1 = 2,12мГн
L
2 = 0
С
2 = 13,3мкФ
R
3 = 25 Ом
f = 600 Гц
е'
1 = 70,5sin(ωt) В
е"
1 = 0
е'
3 = 84,6cos(ωt+240°) В
е"
3 = 0

0604tДля электрической схемы, соответствующей номеру варианта (табл. 1.3) и изображенной на рис. 1.22—1.41, выполнить следующее:
1. На основании законов Кирхгофа составить в общем виде систему уравнений для расчета токов во всех ветвях цепи, записав ее в двух формах: а) дифференциальной; б) символической.
2. Определить комплексы действующих значений токов во всех ветвях, воспользовавшись одним из методов расчета линейных, электрических цепей.
3. По результатам, полученным в п. 2, определить показание ваттметра двумя способами: а) с помощью выражения для комплексов тока и напряжения на ваттметре; б) по формуле UIcosφ. С помощью векторной диаграммы тока и напряжения, на которые реагирует ваттметр, пояснить определение угла φ = φ
u–φ
i.
4. Построить топографическую диаграмму, совмещенную с векторной диаграммой токов. При этом потенциал точки а, указанной на схеме, принять равным нулю.
L
2 = 3,47мГн
С
2 = ∞
С
3 = 8,03мкФ
R
1 = 17 Ом
f = 550 Гц
е'
1 = 80sin(ωt+45°) В
е"
1 = 80cos(ωt–135°) В
е'
3 = 56,6cos(ωt+235°) В
е"
3 = 0

0605tДля электрической схемы, соответствующей номеру варианта (табл. 1.3) и изображенной на рис. 1.22—1.41, выполнить следующее:
1. На основании законов Кирхгофа составить в общем виде систему уравнений для расчета токов во всех ветвях цепи, записав ее в двух формах: а) дифференциальной; б) символической.
2. Определить комплексы действующих значений токов во всех ветвях, воспользовавшись одним из методов расчета линейных, электрических цепей.
3. По результатам, полученным в п. 2, определить показание ваттметра двумя способами: а) с помощью выражения для комплексов тока и напряжения на ваттметре; б) по формуле UIcosφ. С помощью векторной диаграммы тока и напряжения, на которые реагирует ваттметр, пояснить определение угла φ = φ
u–φ
i.
4. Построить топографическую диаграмму, совмещенную с векторной диаграммой токов. При этом потенциал точки а, указанной на схеме, принять равным нулю.
7. Используя данные расчетов, записать выражение для мгновенного значения тока или напряжения. Построить график зависимости указанной величины от ωt.
L
1 = 1,36мГн
L
3 = 10,9мГн
С
1 = 3,25мкФ
С
3 = 9,46мкФ
R
2 = 65 Ом
f = 700 Гц
е'
1 = 141cos(ωt–90°) В
е"
1 = 0
е'
3 = 0
е"
3 = 282sin(ωt–50°) В

0607tДля электрической схемы, соответствующей номеру варианта (табл. 1.3) и изображенной на рис. 1.22—1.41, выполнить следующее:
1. На основании законов Кирхгофа составить в общем виде систему уравнений для расчета токов во всех ветвях цепи, записав ее в двух формах: а) дифференциальной; б) символической.
2. Определить комплексы действующих значений токов во всех ветвях, воспользовавшись одним из методов расчета линейных, электрических цепей.
3. По результатам, полученным в п. 2, определить показание ваттметра двумя способами: а) с помощью выражения для комплексов тока и напряжения на ваттметре; б) по формуле UIcosφ. С помощью векторной диаграммы тока и напряжения, на которые реагирует ваттметр, пояснить определение угла φ = φ
u–φ
i.
4. Построить топографическую диаграмму, совмещенную с векторной диаграммой токов. При этом потенциал точки а, указанной на схеме, принять равным нулю.
7. Используя данные расчетов, записать выражение для мгновенного значения тока или напряжения. Построить график зависимости указанной величины от ωt.
L
1 = 1,27мГн
L
2 = 4,78мГн
С
2 = 3,19мкФ
R
3 = 25 Ом
f = 1000 Гц
е'
1 = 70,5sin(ωt+20°) В
е"
1 = 0
е'
3 = 84,6cos(ωt–100°) В
е"
3 = 0

0608tДля электрической схемы, соответствующей номеру варианта (табл. 1.3) и изображенной на рис. 1.22—1.41, выполнить следующее:
1. На основании законов Кирхгофа составить в общем виде систему уравнений для расчета токов во всех ветвях цепи, записав ее в двух формах: а) дифференциальной; б) символической.
2. Определить комплексы действующих значений токов во всех ветвях, воспользовавшись одним из методов расчета линейных, электрических цепей.
3. По результатам, полученным в п. 2, определить показание ваттметра двумя способами: а) с помощью выражения для комплексов тока и напряжения на ваттметре; б) по формуле UIcosφ. С помощью векторной диаграммы тока и напряжения, на которые реагирует ваттметр, пояснить определение угла φ = φ
u–φ
i.
4. Построить топографическую диаграмму, совмещенную с векторной диаграммой токов. При этом потенциал точки а, указанной на схеме, принять равным нулю.
L
1 = 2,08мГн
L
3 = 5,27мГн
С
1 = 1,51мкФ
С
3 = 6,46мкФ
R
2 = 65 Ом
f = 1300 Гц
е'
1 = 100sin(ωt–35°) В
е"
1 = 100cos(ωt–35°) В
е'
3 = 0
е"
3 = 282sin(ωt–40°) В

0609tДля электрической схемы, соответствующей номеру варианта (табл. 1.3) и изображенной на рис. 1.22—1.41, выполнить следующее:
1. На основании законов Кирхгофа составить в общем виде систему уравнений для расчета токов во всех ветвях цепи, записав ее в двух формах: а) дифференциальной; б) символической.
2. Определить комплексы действующих значений токов во всех ветвях, воспользовавшись одним из методов расчета линейных, электрических цепей.
3. По результатам, полученным в п. 2, определить показание ваттметра двумя способами: а) с помощью выражения для комплексов тока и напряжения на ваттметре; б) по формуле UIcosφ. С помощью векторной диаграммы тока и напряжения, на которые реагирует ваттметр, пояснить определение угла φ = φ
u–φ
i.
4. Построить топографическую диаграмму, совмещенную с векторной диаграммой токов. При этом потенциал точки а, указанной на схеме, принять равным нулю.
L
2 = 47,7мГн
L
3 = 12,5мГн
С
2 = 0,4мкФ
С
3 = 3,3мкФ
R
1 = 100 Ом
f = 1000 Гц
е'
1 = 0
е"
1 = 141sin(ωt–270°) В
е'
3 = 0
е"
3 = 141cos(ωt–90°) В

0610tДля электрической схемы, соответствующей номеру варианта (табл. 1.3) и изображенной на рис. 1.22—1.41, выполнить следующее:
1. На основании законов Кирхгофа составить в общем виде систему уравнений для расчета токов во всех ветвях цепи, записав ее в двух формах: а) дифференциальной; б) символической.
2. Определить комплексы действующих значений токов во всех ветвях, воспользовавшись одним из методов расчета линейных, электрических цепей.
3. По результатам, полученным в п. 2, определить показание ваттметра двумя способами: а) с помощью выражения для комплексов тока и напряжения на ваттметре; б) по формуле UIcosφ. С помощью векторной диаграммы тока и напряжения, на которые реагирует ваттметр, пояснить определение угла φ = φ
u–φ
i.
4. Построить топографическую диаграмму, совмещенную с векторной диаграммой токов. При этом потенциал точки а, указанной на схеме, принять равным нулю.
L
3 = 15,9мГн
С
1 = 1,59мкФ
С
3 = ∞
R
2 = 100 Ом
f = 1000 Гц
е"
1 = 169sin(ωt+0°) В
е'
2 = 169cos(ωt) В
е"
2 = 0
е'
3 = 169sin(ωt+180°) В
е"
3 = 0

0611tДля электрической схемы, соответствующей номеру варианта (табл. 1.3) и изображенной на рис. 1.22—1.41, выполнить следующее:
1. На основании законов Кирхгофа составить в общем виде систему уравнений для расчета токов во всех ветвях цепи, записав ее в двух формах: а) дифференциальной; б) символической.
2. Определить комплексы действующих значений токов во всех ветвях, воспользовавшись одним из методов расчета линейных, электрических цепей.
3. По результатам, полученным в п. 2, определить показание ваттметра двумя способами: а) с помощью выражения для комплексов тока и напряжения на ваттметре; б) по формуле UIcosφ. С помощью векторной диаграммы тока и напряжения, на которые реагирует ваттметр, пояснить определение угла φ = φ
u–φ
i.
4. Построить топографическую диаграмму, совмещенную с векторной диаграммой токов. При этом потенциал точки а, указанной на схеме, принять равным нулю.
L
1= 2,4 мГн
L
2= —
L
3= —
С
1= 1,27 мкФ
С
2=0,55мкФ
С
3= —
R
1= —
R
2= —
R
3= 10 Ом
f= 5000 Гц
е'
1=0
е"
1=282sin(ωt) В
е'
2=282cos(ωt–270°) В
е"
2=0
е'
3= —
е"
3= —

0612tДля электрической схемы, соответствующей номеру варианта (табл. 1.3) и изображенной на рис. 1.22—1.41, выполнить следующее:
1. На основании законов Кирхгофа составить в общем виде систему уравнений для расчета токов во всех ветвях цепи, записав ее в двух формах: а) дифференциальной; б) символической.
2. Определить комплексы действующих значений токов во всех ветвях, воспользовавшись одним из методов расчета линейных, электрических цепей.
3. По результатам, полученным в п. 2, определить показание ваттметра двумя способами: а) с помощью выражения для комплексов тока и напряжения на ваттметре; б) по формуле UIcosφ. С помощью векторной диаграммы тока и напряжения, на которые реагирует ваттметр, пояснить определение угла φ = φ
u–φ
i.
4. Построить топографическую диаграмму, совмещенную с векторной диаграммой токов. При этом потенциал точки а, указанной на схеме, принять равным нулю.
L
1 = 0
L
2 = 8мГн
L
3 = 14,5мГн
С
1 = ∞
С
3 = 4,45мкФ
R
1 = 60 Ом
f = 1200 Гц
е'
1 = 0
е"
1 = 0
е'
2 = 689cos(ωt+12°) В
е"
2 = 496cos(ωt–149°40') В
е'
3 = 705sin(ωt+307°) В
е"
3 = 0

0613tДля электрической схемы, соответствующей номеру варианта (табл. 1.3) и изображенной на рис. 1.22—1.41, выполнить следующее:
1. На основании законов Кирхгофа составить в общем виде систему уравнений для расчета токов во всех ветвях цепи, записав ее в двух формах: а) дифференциальной; б) символической.
2. Определить комплексы действующих значений токов во всех ветвях, воспользовавшись одним из методов расчета линейных, электрических цепей.
3. По результатам, полученным в п. 2, определить показание ваттметра двумя способами: а) с помощью выражения для комплексов тока и напряжения на ваттметре; б) по формуле UIcosφ. С помощью векторной диаграммы тока и напряжения, на которые реагирует ваттметр, пояснить определение угла φ = φ
u–φ
i.
4. Построить топографическую диаграмму, совмещенную с векторной диаграммой токов. При этом потенциал точки а, указанной на схеме, принять равным нулю.
L
2 = 0
L
3 = 100мГн
С
1 = 2мкФ
С
2 = ∞
С
3 = 0,8мкФ
R
2 = 25 Ом
f = 400 Гц
е'
1 = 566cos(ωt+270°) В
е"
1 = 0
е'
3 = 705sin(ωt–180°) В

0616tРассчитать токи, построить векторную диаграмму токов и напряжений, определить мгновенное значение напряжения между заданными точками и подсчитать активную мощность трёхфазной системы.

E
A=100B
T=0,015c
L=22,32мГн
C
1=276мкФ
R
1=4,33 Ом
R
2=8,66 Ом
U
bc — ?
0617tРассчитать токи, построить векторную диаграмму токов и напряжений, определить мгновенное значение напряжения между заданными точками и подсчитать активную мощность трёхфазной системы.

E
A=80B
T=0,015c
L=18,33мГн
C
1=598мкФ
C
2=138мкФ
R
2=17,32 Ом
U
bc — ?
0618tРассчитать токи, построить векторную диаграмму токов и напряжений, определить мгновенное значение напряжения между заданными точками и подсчитать активную мощность трёхфазной системы.

E
A=60B
T=0,015c
L=4,78мГн
C
1=398мкФ
R
1=7,66 Ом
R
2=2 Ом
U
bc — ?
0619tРассчитать токи, построить векторную диаграмму токов и напряжений, определить мгновенное значение напряжения между заданными точками и подсчитать активную мощность трёхфазной системы.

E
A=40B
T=0,015c
L=35,88мГн
C
1=119,6мкФ
R
1=25,98 Ом
U
bc — ?
0620tРассчитать токи, построить векторную диаграмму токов и напряжений, определить мгновенное значение напряжения между заданными точками и подсчитать активную мощность трёхфазной системы.

E
A=20B
T=0,015c
L=17,94мГн
C
1=79,7мкФ
R
1=4,33 Ом
U
bc — ?
0621tРассчитать токи, построить векторную диаграмму токов и напряжений, определить мгновенное значение напряжения между заданными точками и подсчитать активную мощность трёхфазной системы.

E
A=90B
T=0,015c
L=107,6мГн
C
1=119,6мкФ
R
1=8,66 Ом
U
bc — ?
0622tРассчитать токи, построить векторную диаграмму токов и напряжений, определить мгновенное значение напряжения между заданными точками и подсчитать активную мощность трёхфазной системы.

E
A=70B
T=0,015c
L=41,4мГн
C
1=175,1мкФ
R
1=17,32 Ом
U
bc — ?
0623tРассчитать токи, построить векторную диаграмму токов и напряжений, определить мгновенное значение напряжения между заданными точками и подсчитать активную мощность трёхфазной системы.

E
A=50B
T=0,015c
L=8,75мГн
C
1=138мкФ
R
1=17,32 Ом
U
bc — ?
0624tРассчитать токи, построить векторную диаграмму токов и напряжений, определить мгновенное значение напряжения между заданными точками и подсчитать активную мощность трёхфазной системы.

E
A=30B
T=0,015c
L=23,92мГн
C
1=478,5мкФ
R
1=17,32 Ом
U
bc — ?
0625tРассчитать токи, построить векторную диаграмму токов и напряжений, определить мгновенное значение напряжения между заданными точками и подсчитать активную мощность трёхфазной системы.

E
A=10B
T=0,015c
L=35,88мГн
C
1=210,9мкФ
C
2=138мкФ
R
1=17,32 Ом
U
bc — ?
0626tРассчитать токи, построить векторную диаграмму токов и напряжений, определить мгновенное значение напряжения между заданными точками и подсчитать активную мощность трёхфазной системы.

E
A=200B
T=0,015c
L=22,32мГн
C
1=276мкФ
R
1=4,33 Ом
R
2=8,66 Ом
U
bc — ?
0627tРассчитать токи, построить векторную диаграмму токов и напряжений, определить мгновенное значение напряжения между заданными точками и подсчитать активную мощность трёхфазной системы.

E
A=160B
T=0,015c
L=18,33мГн
C
1=598мкФ
C
2=138мкФ
R
2=17,32 Ом
U
bc — ?
0628tРассчитать токи, построить векторную диаграмму токов и напряжений, определить мгновенное значение напряжения между заданными точками и подсчитать активную мощность трёхфазной системы.

E
A=120B
T=0,015c
L=4,78мГн
C
1=398мкФ
R
1=7,66 Ом
R
2=2 Ом
U
bc — ?
0629tРассчитать токи, построить векторную диаграмму токов и напряжений, определить мгновенное значение напряжения между заданными точками и подсчитать активную мощность трёхфазной системы.

E
A=80B
T=0,015c
L=35,88мГн
C
1=39,8мкФ
R
1=26 Ом
U
bc — ?
0630tРассчитать токи, построить векторную диаграмму токов и напряжений, определить мгновенное значение напряжения между заданными точками и подсчитать активную мощность трёхфазной системы.

E
A=40 B
T=0,015 c
L
1=17,94 мГн
C
1=957 мкФ
C
2= 79,7 мкФ
R
1=8,66 Ом
R
2= —
U
bc — ?
0631tРассчитать токи, построить векторную диаграмму токов и напряжений, определить мгновенное значение напряжения между заданными точками и подсчитать активную мощность трёхфазной системы.

E
A=140B
T=0,015c
L=41,4мГн
C
1=175,1мкФ
R
1=17,32 Ом
U
bc — ?
0632tРассчитать токи, построить векторную диаграмму токов и напряжений, определить мгновенное значение напряжения между заданными точками и подсчитать активную мощность трёхфазной системы.

E
A=100B
T=0,015c
L=8,75мГн
C
1=138мкФ
R
1=17,32 Ом
U
bc — ?
0633tРассчитать токи, построить векторную диаграмму токов и напряжений, определить мгновенное значение напряжения между заданными точками и подсчитать активную мощность трёхфазной системы.

E
A=60B
T=0,015c
L=23,92мГн
C
1=478,5мкФ
R
1=17,32 Ом
U
bc — ?
0634tРассчитать токи, построить векторную диаграмму токов и напряжений, определить мгновенное значение напряжения между заданными точками и подсчитать активную мощность трёхфазной системы.

E
A=20B
T=0,015c
L=35,88мГн
C
1=210,9мкФ
C
2=138мкФ
R
1=17,32 Ом
U
bc — ?
0635tРассчитать токи, построить векторную диаграмму токов и напряжений, определить мгновенное значение напряжения между заданными точками и подсчитать активную мощность трёхфазной системы.

E
A=100B
T=0,02c
L=29,71мГн
C
1=367,5мкФ
R
1=4,33 Ом
R
2=8,66 Ом
U
са — ?
0636tРассчитать токи, построить векторную диаграмму токов и напряжений, определить мгновенное значение напряжения между заданными точками и подсчитать активную мощность трёхфазной системы.

E
A=80B
T=0,02c
L=24,39мГн
C
1=796,2мкФ
C
2=183,8мкФ
R
2=17,32 Ом
U
са — ?
0637tРассчитать токи, построить векторную диаграмму токов и напряжений, определить мгновенное значение напряжения между заданными точками и подсчитать активную мощность трёхфазной системы.

E
A=40B
T=0,02c
L=47,7мГн
C
1=159,2мкФ
R
1=25,98 Ом
U
са — ?
0638tРассчитать токи, построить векторную диаграмму токов и напряжений, определить мгновенное значение напряжения между заданными точками и подсчитать активную мощность трёхфазной системы.

E
A=20B
T=0,02c
L=23,88мГн
C
1=106,1мкФ
R
1=4,33 Ом
U
са — ?
0639tРассчитать токи, построить векторную диаграмму токов и напряжений, определить мгновенное значение напряжения между заданными точками и подсчитать активную мощность трёхфазной системы.

E
A=90B
T=0,02c
L=143,3мГн
C
1=159,2мкФ
R
1=8,66 Ом
U
са — ?
0640tРассчитать токи, построить векторную диаграмму токов и напряжений, определить мгновенное значение напряжения между заданными точками и подсчитать активную мощность трёхфазной системы.

E
A=70B
T=0,02c
L=55,16мГн
C
1=233,1мкФ
R
1=17,32 Ом
U
са — ?
0641tРассчитать токи, построить векторную диаграмму токов и напряжений, определить мгновенное значение напряжения между заданными точками и подсчитать активную мощность трёхфазной системы.

E
A=50B
T=0,02c
L=11,65мГн
C
1=183,8мкФ
R
1=17,32 Ом
U
са — ?
0642tРассчитать токи, построить векторную диаграмму токов и напряжений, определить мгновенное значение напряжения между заданными точками и подсчитать активную мощность трёхфазной системы.

E
A=30B
T=0,02c
L=31,85мГн
C
1=636,9мкФ
R
1=17,32 Ом
U
са — ?
0643tРассчитать токи, построить векторную диаграмму токов и напряжений, определить мгновенное значение напряжения между заданными точками и подсчитать активную мощность трёхфазной системы.

E
A=10B
T=0,02c
L=47,7мГн
C
1=280,8мкФ
C
2=183,7мкФ
R
1=17,32 Ом
U
са — ?
0644tРассчитать токи, построить векторную диаграмму токов и напряжений, определить мгновенное значение напряжения между заданными точками и подсчитать активную мощность трёхфазной системы.

E
A=200B
T=0,02c
L=29,71мГн
C
1=367,5мкФ
R
1=4,33 Ом
R
2=8,66 Ом
U
са — ?
0645tРассчитать токи, построить векторную диаграмму токов и напряжений, определить мгновенное значение напряжения между заданными точками и подсчитать активную мощность трёхфазной системы.

E
A= 160 В
T= 0,02 с
L= 24,39 мГн
C
1= 796,2мкФ
C
2= 183,8мкФ
R
1= —
R
2= 17,32 Ом
U
са — ?
0646tРассчитать токи, построить векторную диаграмму токов и напряжений, определить мгновенное значение напряжения между заданными точками и подсчитать активную мощность трёхфазной системы.

E
A=120B
T=0,02c
L=6,36мГн
C
1=530мкФ
R
1=7,66 Ом
R
2=2 Ом
U
са — ?
0647tРассчитать токи, построить векторную диаграмму токов и напряжений, определить мгновенное значение напряжения между заданными точками и подсчитать активную мощность трёхфазной системы.

E
A=40B
T=0,02c
L=23,88мГн
C
1=1274,8мкФ
C
2=106,1мкФ
R
1=8,66 Ом
U
са — ?
0648tРассчитать токи, построить векторную диаграмму токов и напряжений, определить мгновенное значение напряжения между заданными точками и подсчитать активную мощность трёхфазной системы.

E
A=180B
T=0,02c
L=143,3мГн
C
1=159,2мкФ
R
1=26 Ом
U
са — ?
0649tРассчитать токи, построить векторную диаграмму токов и напряжений, определить мгновенное значение напряжения между заданными точками и подсчитать активную мощность трёхфазной системы.

E
A=140B
T=0,02c
L=55,16мГн
C
1=233,1мкФ
R
1=17,32 Ом
U
са — ?
0650tРассчитать токи, построить векторную диаграмму токов и напряжений, определить мгновенное значение напряжения между заданными точками и подсчитать активную мощность трёхфазной системы.

E
A=100B
T=0,02c
L=11,65мГн
C
1=183,8мкФ
R
1=17,32 Ом
U
са — ?
0651tРассчитать токи, построить векторную диаграмму токов и напряжений, определить мгновенное значение напряжения между заданными точками и подсчитать активную мощность трёхфазной системы.

E
A=60B
T=0,02c
L=31,85мГн
C
1=636,9мкФ
R
1=17,32 Ом
U
са — ?
0652tРассчитать токи, построить векторную диаграмму токов и напряжений, определить мгновенное значение напряжения между заданными точками и подсчитать активную мощность трёхфазной системы.

E
A=20B
T=0,02c
L=47,7мГн
C
1=280,8мкФ
C
2=183,7мкФ
R
1=17,32 Ом
U
са — ?
0653tРассчитать токи, построить векторную диаграмму токов и напряжений, определить мгновенное значение напряжения между заданными точками и подсчитать активную мощность трёхфазной системы.

E
A=100B
T=0,025c
L=37,32мГн
C
1=461,6мкФ
R
1=4,33 Ом
R
2=8,66 Ом
U
mn — ?
0654tРассчитать токи, построить векторную диаграмму токов и напряжений, определить мгновенное значение напряжения между заданными точками и подсчитать активную мощность трёхфазной системы.

E
A=80B
T=0,025c
L=30,64мГн
C
1=1000мкФ
C
2=230мкФ
R
2=17,32 Ом
U
mn — ?
0655tРассчитать токи, построить векторную диаграмму токов и напряжений, определить мгновенное значение напряжения между заданными точками и подсчитать активную мощность трёхфазной системы.

E
A=60B
T=0,025c
L=8мГн
C
1=666мкФ
R
1=7,66 Ом
R
2=2 Ом
U
mn — ?
0656tРассчитать токи, построить векторную диаграмму токов и напряжений, определить мгновенное значение напряжения между заданными точками и подсчитать активную мощность трёхфазной системы.

E
A=40B
T=0,025c
L=60мГн
C
1=200мкФ
R
1=25,98 Ом
U
mn — ?
0657tРассчитать токи, построить векторную диаграмму токов и напряжений, определить мгновенное значение напряжения между заданными точками и подсчитать активную мощность трёхфазной системы.

E
A=20B
T=0,025c
L=30мГн
C
1=133,3мкФ
R
1=4,33 Ом
U
mn — ?
0658tРассчитать токи, построить векторную диаграмму токов и напряжений, определить мгновенное значение напряжения между заданными точками и подсчитать активную мощность трёхфазной системы.

E
A=90B
T=0,025c
L=180мГн
C
1=220мкФ
R
1=8,66 Ом
U
mn — ?
0659tРассчитать токи, построить векторную диаграмму токов и напряжений, определить мгновенное значение напряжения между заданными точками и подсчитать активную мощность трёхфазной системы.

E
A=50B
T=0,025c
L=14,64мГн
C
1=230,8мкФ
R
1=17,32 Ом
U
Ab — ?
0660tРассчитать токи, построить векторную диаграмму токов и напряжений, определить мгновенное значение напряжения между заданными точками и подсчитать активную мощность трёхфазной системы.

E
A=30B
T=0,025c
L=40мГн
C
1=800мкФ
R
1=17,32 Ом
U
Ab — ?
0661tРассчитать токи, построить векторную диаграмму токов и напряжений, определить мгновенное значение напряжения между заданными точками и подсчитать активную мощность трёхфазной системы.

E
A=10B
T=0,025c
L=60мГн
C
1=352,7мкФ
C
2=230,8мкФ
R
1=17,32 Ом
U
mn — ?
0662tРассчитать токи, построить векторную диаграмму токов и напряжений, определить мгновенное значение напряжения между заданными точками и подсчитать активную мощность трёхфазной системы.

E
A=200B
T=0,025c
L=37,32мГн
C
1=462,6мкФ
R
1=4,33 Ом
R
2=8,66 Ом
U
mn — ?
0663tРассчитать токи, построить векторную диаграмму токов и напряжений, определить мгновенное значение напряжения между заданными точками и подсчитать активную мощность трёхфазной системы.

E
A=120B
T=0,025c
L=8мГн
C
1=666мкФ
R
1=7,66 Ом
R
2=2 Ом
U
mn — ?
0664tРассчитать токи, построить векторную диаграмму токов и напряжений, определить мгновенное значение напряжения между заданными точками и подсчитать активную мощность трёхфазной системы.

E
A=80B
T=0,025c
L=60мГн
C
1=66,7мкФ
C
2=0мкФ
R
1=26 Ом
U
Ab — ?
0665tРассчитать токи, построить векторную диаграмму токов и напряжений, определить мгновенное значение напряжения между заданными точками и подсчитать активную мощность трёхфазной системы.

E
A=40B
T=0,025c
L=30мГн
C
1=1600мкФ
C
2=133,6мкФ
R
1=8,66 Ом
U
mn — ?
0666tРассчитать токи, построить векторную диаграмму токов и напряжений, определить мгновенное значение напряжения между заданными точками и подсчитать активную мощность трёхфазной системы.

E
A=180B
T=0,025c
L=180мГн
C
1=200мкФ
R
1=26 Ом
U
Ab — ?
0667tРассчитать токи, построить векторную диаграмму токов и напряжений, определить мгновенное значение напряжения между заданными точками и подсчитать активную мощность трёхфазной системы.

E
A=140B
T=0,025c
L=69,28мГн
C
1=292,8мкФ
R
1=17,32 Ом
U
Ab — ?
0668tРассчитать токи, построить векторную диаграмму токов и напряжений, определить мгновенное значение напряжения между заданными точками и подсчитать активную мощность трёхфазной системы.

E
A=100B
T=0,025c
L=14,64мГн
C
1=230,8мкФ
R
1=17,32 Ом
U
Ab — ?
0669tРассчитать токи, построить векторную диаграмму токов и напряжений, определить мгновенное значение напряжения между заданными точками и подсчитать активную мощность трёхфазной системы.

E
A=60B
T=0,025c
L=40мГн
C
1=800мкФ
R
1=17,32 Ом
U
Ab — ?
0670tРассчитать токи, построить векторную диаграмму токов и напряжений, определить мгновенное значение напряжения между заданными точками и подсчитать активную мощность трёхфазной системы.

E
A=20B
T=0,025c
L=60мГн
C
1=352,7мкФ
C
2=230,8мкФ
R
1=17,32 Ом
R
2= —
U
Ab — ?
0671tРассчитать токи, построить векторную диаграмму токов и напряжений, определить мгновенное значение напряжения между заданными точками и подсчитать активную мощность трёхфазной системы.

E
A=100B
T=0,04c
L=59,42мГн
C
1=735мкФ
R
1=4,33 Ом
R
2=8,66 Ом
U
nk — ?
0672tРассчитать токи, построить векторную диаграмму токов и напряжений, определить мгновенное значение напряжения между заданными точками и подсчитать активную мощность трёхфазной системы.

E
A=60B
T=0,04c
L=12,738мГн
C
1=1061мкФ
R
1=7,66 Ом
R
2=2 Ом
U
nk — ?
0673tРассчитать токи, построить векторную диаграмму токов и напряжений, определить мгновенное значение напряжения между заданными точками и подсчитать активную мощность трёхфазной системы.

E
A=40B
T=0,04c
L=95,5мГн
C
1=318,4мкФ
R
1=25,98 Ом
U
nk — ?
0674tРассчитать токи, построить векторную диаграмму токов и напряжений, определить мгновенное значение напряжения между заданными точками и подсчитать активную мощность трёхфазной системы.

E
A=20B
T=0,04c
L=47,77мГн
C
1=212,2мкФ
R
1=4,33 Ом
U
nk — ?
0675tРассчитать токи, построить векторную диаграмму токов и напряжений, определить мгновенное значение напряжения между заданными точками и подсчитать активную мощность трёхфазной системы.

E
A=90B
T=0,04c
L=286,6мГн
C
1=318мкФ
C
2= —
R
1= 8,66 Ом
U
nk — ?
0676tРассчитать токи, построить векторную диаграмму токов и напряжений, определить мгновенное значение напряжения между заданными точками и подсчитать активную мощность трёхфазной системы.

E
A=70B
T=0,04c
L=110,32мГн
C
1=466,3мкФ
R
1=17,32 Ом
U
bс — ?
0677tРассчитать токи, построить векторную диаграмму токов и напряжений, определить мгновенное значение напряжения между заданными точками и подсчитать активную мощность трёхфазной системы.

E
A=30B
T=0,04c
L=63,69мГн
C
1=1273,9мкФ
R
1=17,32 Ом
U
bс — ?
0678tРассчитать токи, построить векторную диаграмму токов и напряжений, определить мгновенное значение напряжения между заданными точками и подсчитать активную мощность трёхфазной системы.

E
A=10B
T=0,04c
L=95,5мГн
C
1=561,7мкФ
C
2=36,75мкФ
R
1=17,32 Ом
U
nk — ?
0679tРассчитать токи, построить векторную диаграмму токов и напряжений, определить мгновенное значение напряжения между заданными точками и подсчитать активную мощность трёхфазной системы.

E
A=200B
T=0,04c
L=59,42мГн
C
1=735мкФ
R
1=4,33 Ом
R
2=8,66 Ом
U
nk — ?
0680tРассчитать токи, построить векторную диаграмму токов и напряжений, определить мгновенное значение напряжения между заданными точками и подсчитать активную мощность трёхфазной системы.

E
A=80B
T=0,04c
L=95,5мГн
C
1=106,1мкФ
R
1=26 Ом
U
bc — ?
0681tРассчитать токи, построить векторную диаграмму токов и напряжений, определить мгновенное значение напряжения между заданными точками и подсчитать активную мощность трёхфазной системы.

E
A=40B
T=0,04c
L=47,77мГн
C
1=2547мкФ
C
2=212,2мкФ
R
1=8,66 Ом
U
nk — ?
0682tРассчитать токи, построить векторную диаграмму токов и напряжений, определить мгновенное значение напряжения между заданными точками и подсчитать активную мощность трёхфазной системы.

E
A=100B
T=0,01c
L=14,86мГн
C
1=183,8мкФ
R
1=4,33 Ом
R
2=8,66 Ом
U
аb — ?
0683tРассчитать токи, построить векторную диаграмму токов и напряжений, определить мгновенное значение напряжения между заданными точками и подсчитать активную мощность трёхфазной системы.

E
A=80B
T=0,01c
L=12,19мГн
C
1=398мкФ
C
2=91,9мкФ
R
2=17,32 Ом
U
аb — ?
0684tРассчитать токи, построить векторную диаграмму токов и напряжений, определить мгновенное значение напряжения между заданными точками и подсчитать активную мощность трёхфазной системы.

E
A=60B
T=0,01c
L=3,18мГн
C
1=265,2мкФ
R
1=7,66 Ом
R
2=2 Ом
U
ab — ?
0685tРассчитать токи, построить векторную диаграмму токов и напряжений, определить мгновенное значение напряжения между заданными точками и подсчитать активную мощность трёхфазной системы.

E
A=40B
T=0,01c
L=23,8мГн
C
1=79,6мкФ
R
1=25,98 Ом
U
ab — ?
0686tРассчитать токи, построить векторную диаграмму токов и напряжений, определить мгновенное значение напряжения между заданными точками и подсчитать активную мощность трёхфазной системы.

E
A=70B
T=0,01c
L=27,58мГн
C
1=116,5мкФ
R
1=17,32 Ом
U
ab — ?
0687tРассчитать токи, построить векторную диаграмму токов и напряжений, определить мгновенное значение напряжения между заданными точками и подсчитать активную мощность трёхфазной системы.

E
A=10B
T=0,01c
L=23,8мГн
C
1=140,4мкФ
C
2=91,9мкФ
R
1=17,32 Ом
U
ab — ?
0688tРассчитать токи, построить векторную диаграмму токов и напряжений, определить мгновенное значение напряжения между заданными точками и подсчитать активную мощность трёхфазной системы.

E
A=160B
T=0,01c
L=12,19мГн
C
1=398мкФ
C
2=91,9мкФ
R
2=17,32 Ом
U
ab — ?
0689tРассчитать токи, построить векторную диаграмму токов и напряжений, определить мгновенное значение напряжения между заданными точками и подсчитать активную мощность трёхфазной системы.

E
A=120B
T=0,01c
L=3,18мГн
C
1=265,2мкФ
R
1=7,66 Ом
R
2=2 Ом
U
ab — ?
0690tРассчитать токи, построить векторную диаграмму токов и напряжений, определить мгновенное значение напряжения между заданными точками и подсчитать активную мощность трёхфазной системы.

E
A=100B
T=0,01c
L=5,82мГн
C
1=91,8мкФ
R
1=17,32 Ом
U
ab — ?
0691tРассчитать токи, построить векторную диаграмму токов и напряжений, определить мгновенное значение напряжения между заданными точками и подсчитать активную мощность трёхфазной системы.

E
A=60B
T=0,01c
L=15,92мГн
C
1=318,4мкФ
R
1=17,32 Ом
U
ab — ?
0531tДля электрической схемы, соответствующей номеру варианта (табл. 1.3) и изображенной на рис. 1.22—1.41, выполнить следующее:
1. На основании законов Кирхгофа составить в общем виде систему уравнений для расчета токов во всех ветвях цепи, записав ее в двух формах: а) дифференциальной; б) символической.
2. Определить комплексы действующих значений токов во всех ветвях, воспользовавшись одним из методов расчета линейных, электрических цепей.
3. По результатам, полученным в п. 2, определить показание ваттметра двумя способами: а) с помощью выражения для комплексов тока и напряжения на ваттметре; б) по формуле UIcosφ. С помощью векторной диаграммы тока и напряжения, на которые реагирует ваттметр, пояснить определение угла φ = φ
u–φ
i.
4. Построить топографическую диаграмму, совмещенную с векторной диаграммой токов. При этом потенциал точки а, указанной на схеме, принять равным нулю.
7. Используя данные расчетов, записать выражение для мгновенного значения тока или напряжения. Построить график зависимости указанной величины от ωt.
8. Полагая, что между двумя любыми индуктивными катушками, расположенными в различных ветвях заданной схемы, имеется магнитная связь при взаимной индуктивности, равной М, составить в общем виде систему уравнений по законам Кирхгофа для расчета токов во всех ветвях схемы, записав ее в двух формах: а) дифференциальной; б) символической.
L
1 = 1,27мГн
L
2 = 3,18мГн
С
2 = 3,98мкФ
R
3 = 25 Ом
f = 1000 Гц
е'
1 = 70,5cos(ωt+270°) В
е"
1 = 0
е'
3 = 84,6sin(ωt–30°) В
е"
3 = 0
