силу тока текущего через
70245
Два бесконечно длинных прямых провода, по которым текут токи I1 = I3 = 10 А, расположены на расстоянии АВ = 1 м друг от друга. Через точку, делящую расстоянием между токами I1 и I3 пополам, течет параллельный им ток I2. Найти направление и силу этого тока, если напряженность поля в точке, лежащей на перпендикуляре к середине отрезка АВ на расстоянии 0,5 м от нее, равна нулю.
70196
При какой силе тока I, текущего по тонкому проводящему кольцу радиусом R = 0,2 м, магнитная индукция В в точке, равноудаленной от всех точек кольца на расстояние r = 0,3 м, станет равной 20 мкТл?
70222
Какой силы ток течет через гальванометр, присоединенный к железнодорожным рельсам, расстояние между которыми 152 см, когда к нему со скоростью 72 км/ч приближается поезд? Вертикальную составляющую индукции магнитного поля Земли принять равной 50 мкТл; сопротивление гальванометра 50 Ом.
70244По контуру из тонкого провода течет ток силой I = 100 А. Определить индукцию поля, создаваемого этим током в точке О. Радиус R = 20 см.

70306
По квадратной рамке течет ток силой I = 2 А. Напряженность магнитного поля в центре рамки равна H = 45 А/м. Определить периметр рамки.
26638
Диаметр вольфрамовой спирали в электрической лампочке равен 0,3 мм, а ее длина — 10 см. При включении лампочки в сеть с напряжением 220 В через лампочку течет ток 0,19 А. Найти температуру спирали. Считать, что по установлению равновесия все выделяющееся тепло теряется в результате излучения, а спираль — серое тело с поглощательной способностью 0,31.
11745Два источника тока (ε
1 = 8 В, r
1 = 2 Ом; ε
2 = 6 В, r
2 = 1,5 Ом) и реостат (R = 10 Ом) соединены, как показано на рис. 19.8. Вычислить силу тока I, текущего через реостат.

12564
Тонкий провод изогнут в виде правильного шестиугольника. Длина d стороны шестиугольника равна 20 см. Определить магнитную индукцию В в центре шестиугольника, если по проводу течет ток силой I = 2 А.
13388
По тонкому проводу, изогнутому в виде прямоугольника со сторонами a = 30 см и b = 40 см, течет ток силы I = 60 А. Определите магнитную индукцию В в точке пересечения диагоналей прямоугольника.
14567
Через катушку, индуктивность которой L = 0,021 Гн, течет ток, изменяющийся со временем по закону I = I0 sin ωt, где I0 = 5 А, T = 0,02 с. Чему равна ЭДС самоиндукции εs в момент времени t = 0,03 с?
19644
Через катушку, индуктивность которой L = 0,021 Гн, течет ток, изменяющийся со временем по закону I = I0sin ωt, где I0 = 5 А, Т = 0,02 с. Рассчитайте величину ЭДС самоиндукции в момент времени t = 0,04 c. 1) 3,0 В. 2) –32 В. 3) –60 В. 3) –300 B.
20575
Два прямолинейных длинных параллельных проводника на некотором расстоянии друг от друга. По проводникам текут токи равные по величине и направлению. Найти силу тока в проводниках, если известно, что для того, чтобы раздвинуть эти проводники на вдвое большее расстояние, пришлось совершить работу (на единицу длины проводников) 2∙10–5 Дж.
21114
Диаметр вольфрамовой проволоки в нити накала электрической лампочки d = 0,3 мм; длина проволоки L = 9 см. При включении в сеть U = 220 В через лампочку течет ток I = 0,3 А. Найти температуру спирали, считая, что все выделяющееся в нити тепло теряется в виде излучения. Коэффициент черноты вольфрама равен 0,3.
21815По плоскому контуру, изображенному на рисунке, течет ток силой I = 1 А. Угол между прямолинейными участками контура прямой. Радиусы r
1 = 10 см и r
2 = 20 см. Найти магнитную индукцию В в точке С.

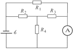
24958Какой ток I
A течет через амперметр в схеме, показанной на рисунке? ЭДС источника ε = 7,5 В, R
1 = 15 Ом, R
2 = R
3 = R
4 = 10 Ом.

25202
По замкнутой цепи с сопротивлением R = 20 Ом течет ток. Через время t = 8 мс после размыкания цепи сила тока в ней уменьшилась в 20 раз. Определить индуктивность L цепи.
AGWel
Рассчитайте, какой ток течет через катушку индуктивности 250 милигенри, когда к ней приложено напряжение 12 вольт с частотой 50 герц?