схема сопротивление резистора
60535B "Черном ящике" имеется три клеммы: А, B и С. Известно, что внутри "черного ящика" только резисторы. Подключаясь к различным парам клемм, получаем следующие сопротивления "черного ящика": R
AB = 5 Ом, R
BC = 8 Ом, R
AC = 9 Ом. Требуется предложить схему "черного ящика", в котором число резисторов минимально.

26250
Есть 4 одинаковых резистора сопротивлением R = 6 Ом. Какие сопротивления можно получить с их помощью? Начертить соответствующие схемы соединений.
26259
Из одинаковых резисторов по 10 Ом нужно составить цепь сопротивлением 6 Ом. Какое наименьшее количество резисторов для этого потребуется? Начертите схему цепи.
11996Два элемента с э.д.с. ε
1 = 6 В и ε
2 = 5 В и внутренними сопротивлениями r
1 = 1 Ом и r
2 = 2 Ом соединены так, как показано на схеме. Найдите силу тока, текущего через резистор с сопротивлением R = 10 Ом.

12871
Если на первичную обмотку ненагруженного трансформатора подать напряжение 220 В, то напряжение во вторичной обмотке будет равно 127 В. Активное сопротивление первичной обмотки равно 2 Ом, вторичной — 1 Ом. Каково будет напряжение на резисторе сопротивлением 10 Ом, если его подключить ко вторичной обмотке? Потерями энергии в трансформаторе пренебречь.
14877На схеме, изображенной на рисунке R
1 << R
2 << R
3.

Определить приближенное значение сопротивления участка АВ.
14878На схеме, изображенной на рисунке R = 2 Ом.

Определить сопротивление участка АВ.
16169На рисунке 10 показан участок цепи AB. Чему равно сопротивление этого участка, если сопротивление каждого резистора 8 Ом?

21525
Дана электрическая цепь, в которой находится, помимо других сопротивлений, некоторое сопротивление R0, потребляющее мощность N. Когда к клеммам этого сопротивления подключают параллельно еще одно такое же сопротивление, в них обоих также расходуется мощность N. Дать простейшую схему и расчет такой цепи.
22645
Радиолюбителю нужен резистор сопротивлением 70 кОм. У него есть три резистора с сопротивлениями 100, 50 и 25 кОм. Можно ли составить из них требуемое сопротивление? Начертить схему и рассчитать.
AFWelОпределить U
вых, если U1=1B, U2 =2B, R1= R4=10кОм, R2=R3=100кОм для поданной схемы.

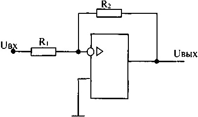
AFXelОпределить U
вых, если U
вх=1В, R1=10кОм, R2=100кОм для представленной схемы.

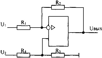
AFZelДля схемы определить U
вых если R1=R3=10кОм, R2=100кОм, R4=20кОм, U1=1B, U2=2B.

AGAelДля схемы определить U
вых, если U
вх=0,5B, R1=10кОм, R2=10кОм.

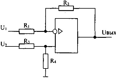
AGBelДля схемы определить U
вых, если R1=R4=10кОм, R2=100кОм, R3=20кОм, U1=1B, U2=2В.

AGCelДля схемы определить U
вых, если R
1=R
3=10кOм, R
2=100кОм, R
4=20кОм, U
1=1B, U
2=2B.

AGDelДля схемы определить U
вых, если U
вх=1В, R1=10кОм, R2=100кОм.

0526tДля электрической схемы, соответствующей номеру варианта и изображенной на рис. 1.1—1.20, выполнить следующее:
1. Упростить схему, заменив последовательно и параллельно соединенные резисторы четвертой и шестой ветвей эквивалентными. Дальнейший расчет (п. 2 —10) вести для упрощенной схемы.
2. Составить на основании законов Кирхгофа систему уравнений для расчета токов во всех ветвях схемы.
3. Определить токи во всех ветвях схемы методом контурных токов.
6. Составить баланс мощностей в исходной схеме (схеме с источником тока), вычислив суммарную мощность источников и суммарную мощность нагрузок (сопротивлений).
8. Начертить потенциальную диаграмму для любого замкнутого контура, включающего обе ЭДС.


0527tДля электрической схемы, соответствующей номеру варианта и изображенной на рис. 1.1—1.20, выполнить следующее:
1. Упростить схему, заменив последовательно и параллельно соединенные резисторы четвертой и шестой ветвей эквивалентными. Дальнейший расчет (п. 2 —10) вести для упрощенной схемы.
2. Составить на основании законов Кирхгофа систему уравнений для расчета токов во всех ветвях схемы.
3. Определить токи во всех ветвях схемы методом контурных токов.
6. Составить баланс мощностей в исходной схеме (схеме с источником тока), вычислив суммарную мощность источников и суммарную мощность нагрузок (сопротивлений).
8. Начертить потенциальную диаграмму для любого замкнутого контура, включающего обе ЭДС.


0528tДля электрической схемы, соответствующей номеру варианта и изображенной на рис. 1.1—1.20, выполнить следующее:
1. Упростить схему, заменив последовательно и параллельно соединенные резисторы четвертой и шестой ветвей эквивалентными. Дальнейший расчет (п. 2 —10) вести для упрощенной схемы.
2. Составить на основании законов Кирхгофа систему уравнений для расчета токов во всех ветвях схемы.
3. Определить токи во всех ветвях схемы методом контурных токов.
6. Составить баланс мощностей в исходной схеме (схеме с источником тока), вычислив суммарную мощность источников и суммарную мощность нагрузок (сопротивлений).
8. Начертить потенциальную диаграмму для любого замкнутого контура, включающего обе ЭДС.

