постоянной ток сети
60431
Электромотор включен в сеть постоянного тока напряжением 220 В. Сопротивление обмотки мотора 2 Ом. Сила потребляемого тока 10 А. Найти потребляемую мощность и к.п.д. мотора.
60540
Электродвигатель подключен к сети постоянного тока c напряжением U = 120 В. Сопротивление обмотки двигателя R = 12 Ом. Какова максимальная мощность Nmax, развиваемая этим двигателем? При какой силе тока І0 достигается эта мощность? Напряжение в сети постоянно.
11350
Трехфазный электродвигатель включен в сеть 220 В и потребляет ток 10 А. Cos φ двигателя 0,85, КПД 80%. Определить мощность на валу двигателя.
12047
Три последовательно соединенных лампы, каждая из которых имеет сопротивление R = 500 Ом и рассчитана на напряжение U1 = 60 В, питаются через реостат от сети с постоянным напряжением U2 = 220 В. Найти мощность P тока в реостате.
14028Постоянный магнит приближается к проводящему витку южным полюсом. Определить направление индукционного тока, возникающего в кольце. Что происходит с витком: притягивается виток к магниту или отталкивается? Ответ пояснить.

14175
Электрический стерилизатор имеет две обмотки. При включении одной из них молоко в стерилизаторе закипает через 20 минут, при включении другой – через 30 минут. Через сколько времени закипит молоко в стерилизаторе, если включить обе обмотки: 1) последовательно; 2) параллельно? Напряжение в сети постоянно.
14177
Электрический стерилизатор имеет две обмотки. При включении одной из них молоко в стерилизаторе нагревается до 98° С через 20 минут, при включении другой – через 30 минут. Через сколько времени закипит молоко в стерилизаторе, если включить обе обмотки: 1) последовательно; 2) параллельно? Напряжение в сети постоянно.
14698
Сепаратор имеет электродвигатель, развивающий полезную мощность 3 кВт при включении в сеть постоянного тока с напряжением 220 В. Определить электросопротивление и КПД электродвигателя, если он потребляет ток 15 А.
22728
Батарея аккумуляторов соединена параллельно с генератором постоянного тока. Э.д.с. генератора ε1 = 110 В, батареи ε2 = 100 В, их внутренние сопротивления равны между собой: r1 = r2 = 5 Ом. В зависимости от нагрузки в сети аккумуляторы будут разряжаться и помогать генератору питать сеть или заряжаться. Определить, какой из этих случаев будет при сопротивлении в сети r3 = 100 Ом.
AGMelВ схеме определить постоянные токи в ветвях, если дано:
R
1 = R
6 = 5 Ом; R
2= R
3 = 8 Ом; R
4 = 18 Ом; R
5 = 9 Ом; I
4 = 4 A.

AGNelВ схеме определить постоянные токи в ветвях, если дано:
I
3 = 5 A; R
1 = R
6 = 10 Ом; R
2 = 12 Ом; R
3 = 36 Ом; R
4 = 9 Ом; R
5 = 18 Ом.

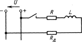
0296tСоленоидный привод механизма имеет обмотку, обладающую сопротивлением R и индуктивностью L. Последовательно с обмоткой включен добавочный резистор R
д. Цепь соленоида питается от сети постоянного тока. Сердечник привода начинает двигаться, когда после замыкания цепи соленоида ток в обмотке достигает значения I
тр; установившийся ток в обмотке равен I
у. Движение должно начинаться через промежуток времени t после замыкания цепи соленоида. Определить значение добавочного сопротивления R
д и напряжение сети U.
R = 0,5 Ом; L= 0,2 Гн; I
тр= 8 А; I
у= 10 А; t= 0,3 с.

0297tСоленоидный привод механизма имеет обмотку, обладающую сопротивлением R и индуктивностью L. Последовательно с обмоткой включен добавочный резистор R
д. Цепь соленоида питается от сети постоянного тока. Сердечник привода начинает двигаться, когда после замыкания цепи соленоида ток в обмотке достигает значения I
тр; установившийся ток в обмотке равен I
у. Движение должно начинаться через промежуток времени t после замыкания цепи соленоида. Определить значение добавочного сопротивления R
д и напряжение сети U.
R = 0,25 Ом; L= 0,5 Гн; I
тр= 6 А; I
у= 12 А; t= 0,5 с.

0298tСоленоидный привод механизма имеет обмотку, обладающую сопротивлением R и индуктивностью L. Последовательно с обмоткой включен добавочный резистор R
д. Цепь соленоида питается от сети постоянного тока. Сердечник привода начинает двигаться, когда после замыкания цепи соленоида ток в обмотке достигает значения I
тр; установившийся ток в обмотке равен I
у. Движение должно начинаться через промежуток времени t после замыкания цепи соленоида. Определить значение добавочного сопротивления R
д и напряжение сети U.
R = 0,5 Ом; L= 1 Гн; I
тр= 4 А; I
у= 6 А; t= 0,6 с.

0299tСоленоидный привод механизма имеет обмотку, обладающую сопротивлением R и индуктивностью L. Последовательно с обмоткой включен добавочный резистор R
д. Цепь соленоида питается от сети постоянного тока. Сердечник привода начинает двигаться, когда после замыкания цепи соленоида ток в обмотке достигает значения I
тр; установившийся ток в обмотке равен I
у. Движение должно начинаться через промежуток времени t после замыкания цепи соленоида. Определить значение добавочного сопротивления R
д и напряжение сети U.
R = 1 Ом; L= 1,5 Гн; I
тр= 5 А; I
у= 10 А; t= 0,75 с.

0300tСоленоидный привод механизма имеет обмотку, обладающую сопротивлением R и индуктивностью L. Последовательно с обмоткой включен добавочный резистор R
д. Цепь соленоида питается от сети постоянного тока. Сердечник привода начинает двигаться, когда после замыкания цепи соленоида ток в обмотке достигает значения I
тр; установившийся ток в обмотке равен I
у. Движение должно начинаться через промежуток времени t после замыкания цепи соленоида. Определить значение добавочного сопротивления R
д и напряжение сети U.
R = 0,6 Ом; L= 1,2 Гн; I
тр= 3 А; I
у= 5 А; t= 0,5 с.

0301tСоленоидный привод механизма имеет обмотку, обладающую сопротивлением R и индуктивностью L. Последовательно с обмоткой включен добавочный резистор R
д. Цепь соленоида питается от сети постоянного тока. Сердечник привода начинает двигаться, когда после замыкания цепи соленоида ток в обмотке достигает значения I
тр; установившийся ток в обмотке равен I
у. Движение должно начинаться через промежуток времени t после замыкания цепи соленоида. Определить значение добавочного сопротивления R
д и напряжение сети U.
R = 1,2 Ом; L= 2 Гн; I
тр= 12 А; I
у= 20 А; t= 1,2 с.

0302tСоленоидный привод механизма имеет обмотку, обладающую сопротивлением R и индуктивностью L. Последовательно с обмоткой включен добавочный резистор R
д. Цепь соленоида питается от сети постоянного тока. Сердечник привода начинает двигаться, когда после замыкания цепи соленоида ток в обмотке достигает значения I
тр; установившийся ток в обмотке равен I
у. Движение должно начинаться через промежуток времени t после замыкания цепи соленоида. Определить значение добавочного сопротивления R
д и напряжение сети U.
R = 0,75 Ом; L= 1,5 Гн; I
тр= 6 А; I
у= 8 А; t= 0,6 с.

0304tСоленоидный привод механизма имеет обмотку, обладающую сопротивлением R и индуктивностью L. Последовательно с обмоткой включен добавочный резистор R
д. Цепь соленоида питается от сети постоянного тока. Сердечник привода начинает двигаться, когда после замыкания цепи соленоида ток в обмотке достигает значения I
тр; установившийся ток в обмотке равен I
у. Движение должно начинаться через промежуток времени t после замыкания цепи соленоида. Определить значение добавочного сопротивления R
д и напряжение сети U.
R = 1 Ом; L= 2 Гн; I
тр= 8 А; I
у= 10 А; t= 0,7 с.

0305tСоленоидный привод механизма имеет обмотку, обладающую сопротивлением R и индуктивностью L. Последовательно с обмоткой включен добавочный резистор R
д. Цепь соленоида питается от сети постоянного тока. Сердечник привода начинает двигаться, когда после замыкания цепи соленоида ток в обмотке достигает значения I
тр; установившийся ток в обмотке равен I
у. Движение должно начинаться через промежуток времени t после замыкания цепи соленоида. Определить значение добавочного сопротивления R
д и напряжение сети U.
R = 2 Ом; L= 2,25 Гн; I
тр= 6 А; I
у= 10 А; t= 0,75 с.
