разделенный перегородкой температура
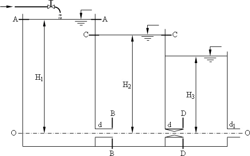
0301gВ бак, разделенный перегородкой на три отсека, подается жидкость Ж в количестве Q. Температура жидкости 20°C. В первой перегородке бака есть коллоидальная насадка, диаметр которой d, а длина
l = 3d; в другой перегородке цилиндрическая насадка, с таким же диаметром d и длиной
l = 3d. Жидкость из третьего отсека через отверстие диаметром d
1 поступает наружу, в атмосферу. Определить Н
1, Н
2 и Н
3 уровни жидкости.

Ж — бензин
Q = 3,4л/c = 0,0034м
3/c
t = 20°C
d = 32мм = 0,032мм
l = 3d
d
1 = 25мм = 0,025м
0302gВ бак, разделенный перегородкой на три отсека, подается жидкость Ж в количестве Q. Температура жидкости 20°C. В первой перегородке бака есть коллоидальная насадка, диаметр которой d, а длина
l = 3d; в другой перегородке цилиндрическая насадка, с таким же диаметром d и длиной
l = 3d. Жидкость из третьего отсека через отверстие диаметром d
1 поступает наружу, в атмосферу. Определить Н
1, Н
2 и Н
3 уровни жидкости.

Ж — керосин Т-1
Q = 3л/c = 0,003м
3/c
t = 20°C
d = 40мм = 0,04мм
l = 3d
d
1 = 32мм = 0,032м
0303gВ бак, разделенный перегородкой на три отсека, подается жидкость Ж в количестве Q. Температура жидкости 20°C. В первой перегородке бака есть коллоидальная насадка, диаметр которой d, а длина
l = 3d; в другой перегородке цилиндрическая насадка, с таким же диаметром d и длиной
l = 3d. Жидкость из третьего отсека через отверстие диаметром d
1 поступает наружу, в атмосферу. Определить Н
1, Н
2 и Н
3 уровни жидкости.

Ж — диз. топливо
Q = 2,5л/c = 0,0025м
3/c
t = 20°C
d = 32мм = 0,032мм
l = 3d
d
1 = 25мм = 0,025м
0304gВ бак, разделенный перегородкой на три отсека, подается жидкость Ж в количестве Q. Температура жидкости 20°C. В первой перегородке бака есть коллоидальная насадка, диаметр которой d, а длина
l = 3d; в другой перегородке цилиндрическая насадка, с таким же диаметром d и длиной
l = 3d. Жидкость из третьего отсека через отверстие диаметром d
1 поступает наружу, в атмосферу. Определить Н
1, Н
2 и Н
3 уровни жидкости.

Ж — нефть
Q = 2,2л/c = 0,0022м
3/c
t = 20°C
d = 45мм = 0,045мм
l = 3d
d
1 = 40мм = 0,04м
0305gВ бак, разделенный перегородкой на три отсека, подается жидкость Ж в количестве Q. Температура жидкости 20°C. В первой перегородке бака есть коллоидальная насадка, диаметр которой d, а длина
l = 3d; в другой перегородке цилиндрическая насадка, с таким же диаметром d и длиной
l = 3d. Жидкость из третьего отсека через отверстие диаметром d
1 поступает наружу, в атмосферу. Определить Н
1, Н
2 и Н
3 уровни жидкости.

Ж — бензин
Q = 3,2л/c = 0,0032м
3/c
t = 20°C
d = 40мм = 0,04мм
l = 3d
d
1 = 32мм = 0,032м
0306gВ бак, разделенный перегородкой на три отсека, подается жидкость Ж в количестве Q. Температура жидкости 20°C. В первой перегородке бака есть коллоидальная насадка, диаметр которой d, а длина
l = 3d; в другой перегородке цилиндрическая насадка, с таким же диаметром d и длиной
l = 3d. Жидкость из третьего отсека через отверстие диаметром d
1 поступает наружу, в атмосферу. Определить Н
1, Н
2 и Н
3 уровни жидкости.

Ж — диз.топливо
Q = 2,2л/c = 0,0022м
3/c
t = 20°C
d = 40мм = 0,04мм
l = 3d
d
1 = 32мм = 0,032м
0307gВ бак, разделенный перегородкой на три отсека, подается жидкость Ж в количестве Q. Температура жидкости 20°C. В первой перегородке бака есть коллоидальная насадка, диаметр которой d, а длина
l = 3d; в другой перегородке цилиндрическая насадка, с таким же диаметром d и длиной
l = 3d. Жидкость из третьего отсека через отверстие диаметром d
1 поступает наружу, в атмосферу. Определить Н
1, Н
2 и Н
3 уровни жидкости.

Ж — нефть
Q = 1,9л/c = 0,0019м
3/c
t = 20°C
d = 25мм = 0,025мм
l = 3d
d
1 = 20мм = 0,02м
0308gВ бак, разделенный перегородкой на три отсека, подается жидкость Ж в количестве Q. Температура жидкости 20°C. В первой перегородке бака есть коллоидальная насадка, диаметр которой d, а длина
l = 3d; в другой перегородке цилиндрическая насадка, с таким же диаметром d и длиной
l = 3d. Жидкость из третьего отсека через отверстие диаметром d
1 поступает наружу, в атмосферу. Определить Н
1, Н
2 и Н
3 уровни жидкости.

Ж — керосин Т-2
Q = 3,4л/c = 0,0034м
3/c
t = 20°C
d = 25мм = 0,025мм
l = 3d
d
1 = 20мм = 0,02м
0309gВ бак, разделенный перегородкой на три отсека, подается жидкость Ж в количестве Q. Температура жидкости 20°C. В первой перегородке бака есть коллоидальная насадка, диаметр которой d, а длина
l = 3d; в другой перегородке цилиндрическая насадка, с таким же диаметром d и длиной
l = 3d. Жидкость из третьего отсека через отверстие диаметром d
1 поступает наружу, в атмосферу. Определить Н
1, Н
2 и Н
3 уровни жидкости.

Ж — нефть
Q = 2,1л/c = 0,0021м
3/c
t = 20°C
d = 40мм = 0,04мм
l = 3d
d
1 = 35мм = 0,035м
0310gВ бак, разделенный перегородкой на три отсека, подается жидкость Ж в количестве Q. Температура жидкости 20°C. В первой перегородке бака есть коллоидальная насадка, диаметр которой d, а длина
l = 3d; в другой перегородке цилиндрическая насадка, с таким же диаметром d и длиной
l = 3d. Жидкость из третьего отсека через отверстие диаметром d
1 поступает наружу, в атмосферу. Определить Н
1, Н
2 и Н
3 уровни жидкости.

Ж — вода
Q = 2,9л/c = 0,0029м
3/c
t = 20°C
d = 25мм = 0,025мм
l = 3d
d
1 = 20мм = 0,02м
0316gВ бак, разделенный перегородкой на три отсека, подается жидкость Ж в количестве Q. Температура жидкости 20°C. В первой перегородке бака есть коллоидальная насадка, диаметр которой d, а длина
l = 3d; в другой перегородке цилиндрическая насадка, с таким же диаметром d и длиной
l = 3d. Жидкость из третьего отсека через отверстие диаметром d
1 поступает наружу, в атмосферу. Определить Н
1, Н
2 и Н
3 уровни жидкости.

Ж — бензин
Q = 3,5л/c = 0,0035м
3/c
t = 20°C
d = 30мм = 0,03мм
l = 3d
d
1 = 32мм = 0,032м