Определить силу тока цепи
60364
Термопара медь - константан с сопротивлением 12 Ом присоединена к гальванометру с сопротивлением 108 Ом. Один спай термопары находится при температуре спаев 22 градусов Цельсия, другой - помещен в стог сена. Сила тока в цепи 6,25мкА. Постоянная термопары k = 43 мкВ / градус Цельсия. Определить температуру сена в стоге.
13494На рисунке ε
1 = ε
2 = ε
3, R
1 = 48 Ом, R
2 = 24 Ом, падение напряжения U
2 на сопротивлении R
2 равно 12 В. Пренебрегая внутренним сопротивлением элементов, определите: 1) силу тока во всех участках цепи; 2) сопротивление R
3.

26373
Определить ЭДС и внутреннее сопротивление аккумулятора, если при силе тока 5 А он дает во внешнюю цепь 9,5 Вт, а при силе тока 8 А во внешней цепи выделяется 14,4 Вт.
11329Дано: u = 141sinωt B, R = 30 Ом, L = 191 мГн, С = 79,5 мкФ, ω = 314 с
–1.

Необходимо: а) Рассчитать комплекс

, построить треугольник сопротивлений цепи. б) Рассчитать комплекс тока

. в) Определить, чему равна активная, реактивная и полная мощности цепи. г) Что покажут вольтметр и амперметр?
11351
Амперметр на 10 А, шкала которого имеет 100 делений, включен через трансформатор тока 500/5 А. Показания амперметра 42 деления. Определить ток в первичной цепи трансформатора.
11968
Сила тока I в цепи, состоящей из термопары с сопротивлением R1 = 4 Ом и гальванометра с сопротивлением R3 = 80 Ом, равна 26 мкА при разности температур Δt спаев, равной 50°С. Определить постоянную k термопары.
11744
Два элемента (ε1 = 1,2 В, r1 = 0,1 Ом; ε2 = 0,9 В, r2 = 0,3 Ом) соединены одноименными полюсами. Сопротивление R соединительных проводов равно 0,2 Ом. Определить силу тока I в цепи.
11831
В цепи шел ток I = 50 А. Источник тока можно отключить от цепи, не разрывая ее. Определить силу тока I в этой цепи через t = 0,01 с после отключения ее от источника тока. Сопротивление R цепи равно 20 Ом, ее индуктивность L = 0,1 Гн.
14337Определить силу тока в каждой ветви электрической цепи (см. рисунок), если ε
1 = ε
2 = 220 В, внутреннее сопротивление источников тока r
1 = r
2 = 0,1 Ом, сопротивления R
1 = R
4 = 0,4 Ом, R
5 = 1 Ом, R
2 = 9,5 Ом, R
3 = 19,5 Ом.

17868На рис. 3.1. ε
1 = 1,0 В, ε
2 = 2,0 В, ε
3 = 3,0 В, r
1 = 1,0 Ом, r
2 = 0,5 Ом, r
3 = 1/3 Ом, R
1 = 1,0 Ом, R
3 = 1/3 Ом. Определите: 1) силы тока во всех участках цепи; 2) тепловую мощность, которая выделяется на сопротивлении R
3.

19661
Источник тока, подключенный к катушке индуктивностью L = 1,0 Гн, отключили, не разрывая цепь. За Δt = 0,69 с сила тока в цепи уменьшилась в 1000 раз. Определить сопротивление R катушки.
21181
Электрическая цепь состоит из соленоида индуктивностью L = 0,33 Гн и источника тока. Источник отключили, не разрывая цепи. Через время τ = 0,1 с сила тока в соленоиде уменьшилась в 500 раз от своего первоначального значения. Определить сопротивление R соленоида.
23677Определить силы токов в резисторах электрической цепи. ЭДС источников тока ε
1 = 1,4 В, ε
2 = 1,2 В и сопротивлений резисторов R
1 = 0,6 Ом, R
2 = 0,4 Ом, R
3 = 0,2 Ом.

23700
Определить мощность, выделяемую на сопротивлении величиной R = 30 Ом в цепи переменного тока с амплитудой силы тока Im = 0,10 А.
24979Амперметр, измеряющий эффективное значение протекающего через него тока, включен в цепь, изображенную на рисунке, к концам которой приложено синусоидальное напряжение. При замыкании ключа К амперметр показывает силу тока I
А = 1,0 А. Определите показания амперметра I'
А при разомкнутом ключе. Диод считать идеальным.

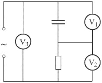
24980В цепи переменного тока (см. рисунок) показания вольтметров V
1 и V
2 составляют U
1 = 12 В и U
2 = 9,0 В соответственно. Определите показания U
3 вольтметра V
3. Вольтметры считайте идеальными.

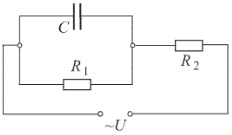
24981Определите силу тока I в цепи, показанной на рисунке, считая известными значения С, R
1, R
2. На цепь подано переменное напряжение U с циклической частотой ω.

AGKelЗаданы параметры электрической цепи. Определить токи в цепи.
| U | R1 | R2 | R3 | R4 | R5 | R6 | R7 | R8 |
| В | Ом | Ом | Ом | Ом | Ом | Ом | Ом | Ом |
| 120 | 16 | 12 | 30 | 6 | 8 | 9 | 18 | 10 |

AHRelВ цепи постоянного тока определить токи в ветвях схемы и напряжение на входных зажимах U
ab. I
A = 2 A; R
1 = 10 Ом; R
2 = 2 Ом; R
3 = 6 Ом; R
4 = 2 Ом; R
5 = 6 Ом; R
6 = 15 Ом; R
7 = 8 Ом.

AHSelВ цепи постоянного тока определить токи в ветвях схемы и напряжение на входных зажимах U
ab. I
A = 5 A; R
1 = 6 Ом; R
2 = 4 Ом; R
3 = 5 Ом; R
4 = 3 Ом; R
5 = 7 Ом; R
6 = 10 Ом; R
7 = 5 Ом.

AHTelВ цепи постоянного тока определить токи в ветвях схемы и напряжение на входных зажимах U
ab. I
A = 3 A; R
1 = 2 Ом; R
2 = 1 Ом; R
3 = 4 Ом; R
4 = 4 Ом; R
5 = 2 Ом; R
6 = 10 Ом; R
7 = 6 Ом.

AHUelВ цепи постоянного тока определить токи в ветвях схемы и напряжение на входных зажимах U
ab. I
A = 6 A; R
1 = 6 Ом; R
2 = 3 Ом; R
3 = 2 Ом; R
4 = 5 Ом; R
5 = 3 Ом; R
6 = 7 Ом; R
7 = 9 Ом.

AHVelВ цепи постоянного тока определить токи в ветвях схемы и напряжение на входных зажимах U
ab. I
A = 8 A; R
1 = 10 Ом; R
2 = 6 Ом; R
3 = 5 Ом; R
4 = 1 Ом; R
5 = 4 Ом; R
6 = 3 Ом; R
7 = 4 Ом.

AHWelВ цепи постоянного тока определить токи в ветвях схемы и напряжение на входных зажимах U
ab. I
A = 7 A; R
1 = 5 Ом; R
2 = 2 Ом; R
3 = 3 Ом; R
4 = 6 Ом; R
5 = 2 Ом; R
6 = 8 Ом; R
7 = 3 Ом.

AHXelВ цепи постоянного тока определить токи в ветвях схемы и напряжение на входных зажимах U
ab. I
A = 4 A; R
1 = 2 Ом; R
2 = 3 Ом; R
3 = 4 Ом; R
4 = 16 Ом; R
5 = 5 Ом; R
6 = 4 Ом; R
7 = 8 Ом.

AHYelВ цепи постоянного тока определить токи в ветвях схемы и напряжение на входных зажимах U
ab. I
A = 1,5 A; R
1 = 7 Ом; R
2 = 5 Ом; R
3 = 8 Ом; R
4 = 7 Ом; R
5 = 8 Ом; R
6 = 2 Ом; R
7 = 2 Ом.

AHZelВ цепи постоянного тока определить токи в ветвях схемы и напряжение на входных зажимах U
ab. I
A = 1 A; R
1 = 1,5 Ом; R
2 = 3 Ом; R
3 = 9 Ом; R
4 = 0,5 Ом; R
5 = 9 Ом; R
6 = 0,9 Ом; R
7 = 17,75 Ом.

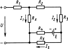
0002tВ цепи известны значения токов I
1, I
2, I
3 и сопротивлений R
1, R
2, R
3, R
4, R
5. Определить напряжение U на зажимах цепи, сопротивление R
x и ЭДС Е гальванического элемента.
I
1 = 1,5 A; I
2 = 1,25 A; I
3 = 0,8 A; R
1 = 2 Ом; R
2 = 3 Ом; R
3 = 2 Ом; R
4 = 2 Ом; R
5 = 5 Ом.

0004tВ цепи известны значения токов I
1, I
2, I
3 и сопротивлений R
1, R
2, R
3, R
4, R
5. Определить напряжение U на зажимах цепи, сопротивление R
x и ЭДС Е гальванического элемента.
I
1 = 2 A; I
2 = 1,75 A; I
3 = 1,2 A; R
1 = 2 Ом; R
2 = 2 Ом; R
3 = 3 Ом; R
4 = 3 Ом; R
5 = 6 Ом.

0007tВ цепи известны значения токов I
1, I
2, I
3 и сопротивлений R
1, R
2, R
3, R
4, R
5. Определить напряжение U на зажимах цепи, сопротивление R
x и ЭДС Е гальванического элемента.
I
1 = 2,7 A; I
2 = 2 A; I
3 = 1,3 A; R
1 = 3 Ом; R
2 = 3 Ом; R
3 = 3 Ом; R
4 = 2 Ом; R
5 = 5 Ом.

0010tВ цепи известны значения токов I
1, I
2, I
3 и сопротивлений R
1, R
2, R
3, R
4, R
5. Определить напряжение U на зажимах цепи, сопротивление R
x и ЭДС Е гальванического элемента.
I
1 = 3,4 A; I
2 = 3,5 A; I
3 = 2,1 A; R
1 = 3 Ом; R
2 = 5 Ом; R
3 = 1 Ом; R
4 = 4 Ом; R
5 = 8 Ом.

0024tВ цепи известны значения ЭДС Е
1, тока I, измеряемой ваттметром мощности Р, сопротивления R
вт2 и сопротивления линии R
л. Определить значения сопротивления R
вт1, ЭДС Е
2 и режим работы Е
2.
Е
1 = 70 B; Р
= 100 А; I
= 5 Вт; R
вт2 = 0,1 Ом; R
л = 3,8 Ом.

0026tВ цепи известны значения ЭДС Е
1, тока I, измеряемой ваттметром мощности Р, сопротивления R
вт2 и сопротивления линии R
л. Определить значения сопротивления R
вт1, ЭДС Е
2 и режим работы Е
2.
Е
1 = 110 B; Р
= 120 А; I
= 5 Вт; R
вт2 = 0,2 Ом; R
л = 4,5 Ом.

0027tВ цепи известны значения ЭДС Е
1, тока I, измеряемой ваттметром мощности Р, сопротивления R
вт2 и сопротивления линии R
л. Определить значения сопротивления R
вт1, ЭДС Е
2 и режим работы Е
2.
Е
1 = 120 B; Р
= 210 А; I
= 7 Вт; R
вт2 = 0,25 Ом; R
л = 4,1 Ом.

0028tВ цепи известны значения ЭДС Е
1, тока I, измеряемой ваттметром мощности Р, сопротивления R
вт2 и сопротивления линии R
л. Определить значения сопротивления R
вт1, ЭДС Е
2 и режим работы Е
2.
Е
1 = 130 B; Р
= 180 А; I
= 6 Вт; R
вт2 = 0,15 Ом; R
л = 4,7 Ом.

0029tВ цепи известны значения ЭДС Е
1, тока I, измеряемой ваттметром мощности Р, сопротивления R
вт2 и сопротивления линии R
л. Определить значения сопротивления R
вт1, ЭДС Е
2 и режим работы Е
2.
Е
1 = 140 B; Р
= 160 А; I
= 5 Вт; R
вт2 = 0,3 Ом; R
л = 6,1 Ом.

0030tВ цепи известны значения ЭДС Е
1, тока I, измеряемой ваттметром мощности Р, сопротивления R
вт2 и сопротивления линии R
л. Определить значения сопротивления R
вт1, ЭДС Е
2 и режим работы Е
2.
Е
1 = 150 B; Р
= 160 А; I
= 8 Вт; R
вт2 = 0,25 Ом; R
л = 2,2 Ом.

25330
Определить полное сопротивление, силу тока и угол сдвига фаз в цепи переменного тока частотой 50 Гц и напряжением 220 В, в которую последовательно включены емкость 20 мкФ и сопротивлением 40 Ом.
25332
В цепь переменного тока напряжением 127 В включено активное сопротивление 45 Ом, индуктивность 0,5 Гц, емкость 60 мкФ. Определить силу тока в цепи при промышленной частоте.