отрицательной обратной связью
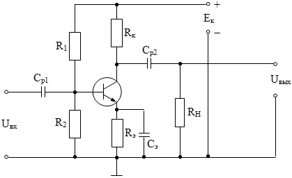
ADWelУсилитель на транзисторе по схеме ОЭ охвачен отрицательной обратной связью с коэффициентом β
ОС. Рассчитать коэффициент усиления по напряжению, если предоставленные параметры транзистора h
11Э, h
21Э, h
22Э, а также сопротивления нагрузки коллектора R
К и полезной нагрузки R
H.
| Вариант | βОС | h11Э, Ом | h21Э | h22Э, Ом –1 | RК, кОм | RH, кОм |
| 1 | 0,1 | 500 | 85 | 5×10–5 | 2,2 | 1,4 |

ADXelУсилитель на транзисторе по схеме ОЭ охвачен отрицательной обратной связью с коэффициентом β
ОС. Рассчитать коэффициент усиления по напряжению, если предоставленные параметры транзистора h
11Э, h
21Э, h
22Э, а также сопротивления нагрузки коллектора R
К и полезной нагрузки R
H.
| Вариант | βОС | h11Э, Ом | h21Э | h22Э, Ом –1 | RК, кОм | RH, кОм |
| 2 | 0,04 | 680 | 120 | 6×10–5 | 3,6 | 0,9 |

ADYelУсилитель на транзисторе по схеме ОЭ охвачен отрицательной обратной связью с коэффициентом β
ОС. Рассчитать коэффициент усиления по напряжению, если предоставленные параметры транзистора h
11Э, h
21Э, h
22Э, а также сопротивления нагрузки коллектора R
К и полезной нагрузки R
H.
| Вариант | βОС | h11Э, Ом | h21Э | h22Э, Ом –1 | RК, кОм | RH, кОм |
| 3 | 0,15 | 950 | 100 | 9×10–5 | 8,4 | 12,0 |

ADZelУсилитель на транзисторе по схеме ОЭ охвачен отрицательной обратной связью с коэффициентом β
ОС. Рассчитать коэффициент усиления по напряжению, если предоставленные параметры транзистора h
11Э, h
21Э, h
22Э, а также сопротивления нагрузки коллектора R
К и полезной нагрузки R
H.
| Вариант | βОС | h11Э, Ом | h21Э | h22Э, Ом –1 | RК, кОм | RH, кОм |
| 4 | 0,08 | 1100 | 65 | 4×10–5 | 4,5 | 1,3 |

AEAelУсилитель на транзисторе по схеме ОЭ охвачен отрицательной обратной связью с коэффициентом β
ОС. Рассчитать коэффициент усиления по напряжению, если предоставленные параметры транзистора h
11Э, h
21Э, h
22Э, а также сопротивления нагрузки коллектора R
К и полезной нагрузки R
H.
| Вариант | βОС | h11Э, Ом | h21Э | h22Э, Ом –1 | RК, кОм | RH, кОм |
| 5 | 0,18 | 750 | 90 | 7×10–5 | 5,0 | 4,2 |

AEBelУсилитель на транзисторе по схеме ОЭ охвачен отрицательной обратной связью с коэффициентом β
ОС. Рассчитать коэффициент усиления по напряжению, если предоставленные параметры транзистора h
11Э, h
21Э, h
22Э, а также сопротивления нагрузки коллектора R
К и полезной нагрузки R
H.
| Вариант | βОС | h11Э, Ом | h21Э | h22Э, Ом –1 | RК, кОм | RH, кОм |
| 6 | 0,03 | 540 | 45 | 12×10–5 | 3,3 | 0,6 |

AECelУсилитель на транзисторе по схеме ОЭ охвачен отрицательной обратной связью с коэффициентом β
ОС. Рассчитать коэффициент усиления по напряжению, если предоставленные параметры транзистора h
11Э, h
21Э, h
22Э, а также сопротивления нагрузки коллектора R
К и полезной нагрузки R
H.
| Вариант | βОС | h11Э, Ом | h21Э | h22Э, Ом –1 | RК, кОм | RH, кОм |
| 7 | 0,02 | 670 | 35 | 8×10–5 | 2,4 | 0,5 |

AEDelУсилитель на транзисторе по схеме ОЭ охвачен отрицательной обратной связью с коэффициентом β
ОС. Рассчитать коэффициент усиления по напряжению, если предоставленные параметры транзистора h
11Э, h
21Э, h
22Э, а также сопротивления нагрузки коллектора R
К и полезной нагрузки R
H.
| Вариант | βОС | h11Э, Ом | h21Э | h22Э, Ом –1 | RК, кОм | RH, кОм |
| 8 | 0,04 | 860 | 96 | 14×10–5 | 8,5 | 1,8 |

AEEelУсилитель на транзисторе по схеме ОЭ охвачен отрицательной обратной связью с коэффициентом β
ОС. Рассчитать коэффициент усиления по напряжению, если предоставленные параметры транзистора h
11Э, h
21Э, h
22Э, а также сопротивления нагрузки коллектора R
К и полезной нагрузки R
H.
| Вариант | βОС | h11Э, Ом | h21Э | h22Э, Ом –1 | RК, кОм | RH, кОм |
| 9 | 0,06 | 1200 | 130 | 7×10–5 | 3,2 | 4,1 |

AEFelУсилитель на транзисторе по схеме ОЭ охвачен отрицательной обратной связью с коэффициентом β
ОС. Рассчитать коэффициент усиления по напряжению, если предоставленные параметры транзистора h
11Э, h
21Э, h
22Э, а также сопротивления нагрузки коллектора R
К и полезной нагрузки R
H.
| Вариант | βОС | h11Э, Ом | h21Э | h22Э, Ом –1 | RК, кОм | RH, кОм |
| 10 | 0,05 | 700 | 63 | 4×10–5 | 1,5 | 1,2 |

AEGelУсилитель на транзисторе по схеме ОЭ охвачен отрицательной обратной связью с коэффициентом β
ОС. Рассчитать коэффициент усиления по напряжению, если предоставленные параметры транзистора h
11Э, h
21Э, h
22Э, а также сопротивления нагрузки коллектора R
К и полезной нагрузки R
H.
| Вариант | βОС | h11Э, Ом | h21Э | h22Э, Ом –1 | RК, кОм | RH, кОм |
| 11 | 0,06 | 980 | 88 | 7×10–5 | 4,8 | 4,2 |

AEHelУсилитель на транзисторе по схеме ОЭ охвачен отрицательной обратной связью с коэффициентом β
ОС. Рассчитать коэффициент усиления по напряжению, если предоставленные параметры транзистора h
11Э, h
21Э, h
22Э, а также сопротивления нагрузки коллектора R
К и полезной нагрузки R
H.
| Вариант | βОС | h11Э, Ом | h21Э | h22Э, Ом –1 | RК, кОм | RH, кОм |
| 12 | 0,02 | 860 | 74 | 4×10–5 | 3,8 | 15,0 |

AEIelУсилитель на транзисторе по схеме ОЭ охвачен отрицательной обратной связью с коэффициентом β
ОС. Рассчитать коэффициент усиления по напряжению, если предоставленные параметры транзистора h
11Э, h
21Э, h
22Э, а также сопротивления нагрузки коллектора R
К и полезной нагрузки R
H.
| Вариант | βОС | h11Э, Ом | h21Э | h22Э, Ом –1 | RК, кОм | RH, кОм |
| 13 | 0,07 | 580 | 97 | 6×10–5 | 9,6 | 5,3 |

AEJelУсилитель на транзисторе по схеме ОЭ охвачен отрицательной обратной связью с коэффициентом β
ОС. Рассчитать коэффициент усиления по напряжению, если предоставленные параметры транзистора h
11Э, h
21Э, h
22Э, а также сопротивления нагрузки коллектора R
К и полезной нагрузки R
H.
| Вариант | βОС | h11Э, Ом | h21Э | h22Э, Ом –1 | RК, кОм | RH, кОм |
| 14 | 0,04 | 890 | 110 | 9×10–5 | 10,0 | 4,8 |

AEKelУсилитель на транзисторе по схеме ОЭ охвачен отрицательной обратной связью с коэффициентом β
ОС. Рассчитать коэффициент усиления по напряжению, если предоставленные параметры транзистора h
11Э, h
21Э, h
22Э, а также сопротивления нагрузки коллектора R
К и полезной нагрузки R
H.
| Вариант | βОС | h11Э, Ом | h21Э | h22Э, Ом –1 | RК, кОм | RH, кОм |
| 15 | 0,06 | 790 | 125 | 5×10–5 | 9,0 | 16,0 |

AELelУсилитель на транзисторе по схеме ОЭ охвачен отрицательной обратной связью с коэффициентом β
ОС. Рассчитать коэффициент усиления по напряжению, если предоставленные параметры транзистора h
11Э, h
21Э, h
22Э, а также сопротивления нагрузки коллектора R
К и полезной нагрузки R
H.
| Вариант | βОС | h11Э, Ом | h21Э | h22Э, Ом –1 | RК, кОм | RH, кОм |
| 16 | 0,04 | 1100 | 76 | 8×10–5 | 5,4 | 13,0 |

AEMelУсилитель на транзисторе по схеме ОЭ охвачен отрицательной обратной связью с коэффициентом β
ОС. Рассчитать коэффициент усиления по напряжению, если предоставленные параметры транзистора h
11Э, h
21Э, h
22Э, а также сопротивления нагрузки коллектора R
К и полезной нагрузки R
H.
| Вариант | βОС | h11Э, Ом | h21Э | h22Э, Ом –1 | RК, кОм | RH, кОм |
| 17 | 0,03 | 640 | 80 | 6×10–5 | 4,4 | 15,5 |

AENelУсилитель на транзисторе по схеме ОЭ охвачен отрицательной обратной связью с коэффициентом β
ОС. Рассчитать коэффициент усиления по напряжению, если предоставленные параметры транзистора h
11Э, h
21Э, h
22Э, а также сопротивления нагрузки коллектора R
К и полезной нагрузки R
H.
| Вариант | βОС | h11Э, Ом | h21Э | h22Э, Ом –1 | RК, кОм | RH, кОм |
| 18 | 0,01 | 580 | 38 | 4×10–5 | 6,8 | 20,0 |

AEOelУсилитель на транзисторе по схеме ОЭ охвачен отрицательной обратной связью с коэффициентом β
ОС. Рассчитать коэффициент усиления по напряжению, если предоставленные параметры транзистора h
11Э, h
21Э, h
22Э, а также сопротивления нагрузки коллектора R
К и полезной нагрузки R
H.
| Вариант | βОС | h11Э, Ом | h21Э | h22Э, Ом –1 | RК, кОм | RH, кОм |
| 19 | 0,06 | 880 | 95 | 4×10–5 | 9,5 | 10,4 |

AEPelУсилитель на транзисторе по схеме ОЭ охвачен отрицательной обратной связью с коэффициентом β
ОС. Рассчитать коэффициент усиления по напряжению, если предоставленные параметры транзистора h
11Э, h
21Э, h
22Э, а также сопротивления нагрузки коллектора R
К и полезной нагрузки R
H.
| Вариант | βОС | h11Э, Ом | h21Э | h22Э, Ом –1 | RК, кОм | RH, кОм |
| 20 | 0,04 | 940 | 88 | 5×10–5 | 4,8 | 8,6 |

AEQelУсилитель на транзисторе по схеме ОЭ охвачен отрицательной обратной связью с коэффициентом β
ОС. Рассчитать коэффициент усиления по напряжению, если предоставленные параметры транзистора h
11Э, h
21Э, h
22Э, а также сопротивления нагрузки коллектора R
К и полезной нагрузки R
H.
| Вариант | βОС | h11Э, Ом | h21Э | h22Э, Ом –1 | RК, кОм | RH, кОм |
| 21 | 0,03 | 640 | 80 | 6×10–5 | 9,6 | 5,3 |

AERelУсилитель на транзисторе по схеме ОЭ охвачен отрицательной обратной связью с коэффициентом β
ОС. Рассчитать коэффициент усиления по напряжению, если предоставленные параметры транзистора h
11Э, h
21Э, h
22Э, а также сопротивления нагрузки коллектора R
К и полезной нагрузки R
H.
| Вариант | βОС | h11Э, Ом | h21Э | h22Э, Ом –1 | RК, кОм | RH, кОм |
| 22 | 0,02 | 860 | 74 | 14×10–5 | 8,5 | 1,8 |

AESelУсилитель на транзисторе по схеме ОЭ охвачен отрицательной обратной связью с коэффициентом β
ОС. Рассчитать коэффициент усиления по напряжению, если предоставленные параметры транзистора h
11Э, h
21Э, h
22Э, а также сопротивления нагрузки коллектора R
К и полезной нагрузки R
H.
| Вариант | βОС | h11Э, Ом | h21Э | h22Э, Ом –1 | RК, кОм | RH, кОм |
| 23 | 0,06 | 1200 | 130 | 9×10–5 | 10,0 | 4,8 |

AETelУсилитель на транзисторе по схеме ОЭ охвачен отрицательной обратной связью с коэффициентом β
ОС. Рассчитать коэффициент усиления по напряжению, если предоставленные параметры транзистора h
11Э, h
21Э, h
22Э, а также сопротивления нагрузки коллектора R
К и полезной нагрузки R
H.
| Вариант | βОС | h11Э, Ом | h21Э | h22Э, Ом –1 | RК, кОм | RH, кОм |
| 24 | 0,18 | 750 | 90 | 4×10–5 | 6,8 | 20,0 |

AEUelУсилитель на транзисторе по схеме ОЭ охвачен отрицательной обратной связью с коэффициентом β
ОС. Рассчитать коэффициент усиления по напряжению, если предоставленные параметры транзистора h
11Э, h
21Э, h
22Э, а также сопротивления нагрузки коллектора R
К и полезной нагрузки R
H.
| Вариант | βОС | h11Э, Ом | h21Э | h22Э, Ом –1 | RК, кОм | RH, кОм |
| 25 | 0,1 | 500 | 85 | 5×10–5 | 4,8 | 8,6 |
