силу тока цепи напряжение
13735
В цепь переменного тока с частотой ν = 50 Гц и действующим значением напряжения U = 300 В последовательно включены конденсатор, резистор сопротивлением R = 50 Ом и катушка индуктивностью L = 0,1 Гн. Падения напряжения U1:U2 = 1:2. Определите: 1) емкость конденсатора; 2) действующее значение силы тока.
60374Определите общее сопротивление электрической цепи, силу тока, напряжение и мощность для каждого резистора, и общее напряжение и силу тока в цепи, если R
1 = 3 Ом, R
2 = 2 Ом, R
3 = 4 Ом, R
4 = R
5 = 10 Ом. Показания амперметра 2 А.

60469
Мощность, которая подводится к первичной обмотке трансформатора, равна 110 кВт, сила тока во вторичной обмотке — 20 А. Каково напряжение на выходе трансформатора, если КПД трансформатора 88%?
60567Резисторы в цепи, изображенной на схеме, имеют значения R
1 = 2 Ом, R
2 = 1 Ом, R
3 = 2 Ом, R
4 = 1 Ом, R
5 = 4 Ом, R
6 = 2 Ом. Амперметр показывает силу тока 1 A. Найти напряжение, приложенное к цепи.

60586
К зажимам генератора присоединен конденсатор емкостью 0,1 мкФ. Определите амплитуду напряжения на зажимах конденсатора, если сила тока 1,6 А, а период изменения тока равен 0,2 мс.
11736
Напряжение U на шинах электростанции равно 6,6 кВ. Потребитель находится на расстоянии l = 10 км. Определить площадь S сечения медного провода, который следует взять для устройства двухпроводной линии передачи, если сила тока I в линии равна 20 А и потери напряжения в проводах не должны превышать 3 %.
13546
При токе I1 = 0,5 А напряжение на участке некоторой цепи равна U1 = 8 В. При токе I2 = 1,5 А напряжение на том же участке равна U2 = 20 В. Какова ЭДС, действующая на этом участке? Каково будет напряжение, если ток уменьшится до I3 = 0,1 А?
15659
Определить максимальные силу тока и частоту колебаний, если уравнение, описывающие измерения напряжения в цепи имеет вид i = 5 cos 120πt.
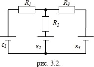
17630На рис. 3.2. ε
1 = ε
2 = ε
3, R
1 = 48 Ом, R
2 = 24 Ом, падение напряжения на сопротивлении R
2 равно 12 В. Пренебрегая внутренним сопротивлением элементов, определите: 1) силы тока во всех участках цепи; 2) сопротивление R
3; 3) количество теплоты, выделившееся на сопротивлениях R
1 и R
3 за промежуток времени Δt = 1,0 с.

19120
К источнику тока с ЭДС 15 В и внутренним сопротивлением 2,5 Ом подключен реостат. Постройте графики зависимостей силы тока в цепи и напряжения на реостате от сопротивления реостата R.
21488
К зажимам четырехпроводной трехфазной цепи приложено напряжение линейное 380 В. Известны сопротивления фаз: первой и второй по 10 Ом, а третьей — 20 Ом. Определить значения токов в фазах и в нейтральном проводе, а также мощность трехфазной цепи. Нарисовать схему цепи.
22029
Коэффициент поглощения серого тела, имеющего температуру T = 103 K, равен aT = 0,6. Какую энергию W излучает это тело в 1 с, если площадь его поверхности S = 100 см2? Найти силу тока нагревателя этого тела, если питающее напряжение источника 220 В.
23658
На входе в электрическую цепь квартиры стоит предохранитель, размыкающий цепь при силе тока 10 А. Подаваемое в цепь напряжение равно 220 В. Какое максимальное количество электроприборов, мощность каждого из которых равна 400 Вт, можно одновременно включить в квартире?
23659
На входе в электрическую цепь квартиры стоит предохранитель, размыкающий цепь при силе тока 20 А. Подаваемое в цепь напряжение равно 220 В. Какое максимальное количество электрических чайников, мощность каждого из которых равна 1000 Вт, можно одновременно включить в квартире?
23660
На входе в электрическую цепь квартиры стоит предохранитель, размыкающий цепь при силе тока 20 А. Подаваемое в цепь напряжение равно 220 В. Какое максимальное количество пылесосов, мощность каждого из которых равна 1400 Вт, можно одновременно включить в квартире?
23678
Сколько льда, имеющего температуру –10 градусов по Цельсию, можно растопить за 10 минут на электрической плитке, работающей от сети напряжением 220 В при силе тока 3 А, если КПД установки равен 80%?
24785Напряжение на зажимах элемента в замкнутой цепи 2,1 В, сопротивления R
1 = 6 Ом, R
2 = 3 Ом, R
3 = 1,5 Ом. Найти величину тока, протекающего по сопротивлению R
1.

AGHelЛабораторная работа №2Исследование свойств и характеристик неразветвленной цепи переменного токаОтчет1. Собрана схема для экспериментального определения резонансного значения емкости, рис.1.

2. По очереди включая катушку индуктивности и конденсатор, измеряем величины, указанные в таблице 1. Результаты измерений заносим в таблицу.
3. Составляем схему для исследования режима резонанса напряжений, рис. 2.

4. Изменяя индуктивность от минимального значения до максимального, измеряем величины, указанные в таблице 2. Записываем показания всех измерительных приборов в таблицу 2 для нескольких значений индуктивности.
AGTelРассчитать токи в ветвях электрической цепи переменного тока и построить диаграмму напряжений, если дано:
U = 110 B; R
1 = 5 Ом; R
2 = ∞; X
L = 15 Ом; X
C = 10 Ом.

AGUelРассчитать точки в ветвях электрической цепи переменного тока и построить диаграмму напряжений, если дано:
U = 220е
j45° B; R
1 = 3 Ом; R
2 = 6 Ом; X
C = X
L = 500 Ом.

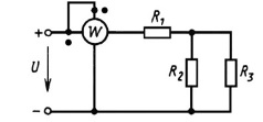
AGXelРассчитайте ток в цепи и падение напряжения на каждом сопротивлении схемы.

AJPel
Методом узловых напряжений найти напряжения и токи ветвей цепи, которая была составлена в задаче 1.4. Для этого необходимо:
1. Составить и решить систему узловых уравнений относительно сложных узлов, которые не могут быть устранены.
2. Определить токи и напряжения всех элементов, включая токи индуктивностей и напряжения емкостей.
3. Проверить правильность расчетов путем составления ЗТК для всех узлов цепи.
R1 = 9 Ом; R2 = 1 Ом; R3 = 8 Ом; R4 = 8,5 Ом; R5 = 16,25 Ом; R6 = ∞; R7 = 0; E = 1 B; J = 2 A.
AJQel
Методом узловых напряжений найти напряжения и токи ветвей цепи, которая была составлена в задаче 1.4. Для этого необходимо:
1. Составить и решить систему узловых уравнений относительно сложных узлов, которые не могут быть устранены.
2. Определить токи и напряжения всех элементов, включая токи индуктивностей и напряжения емкостей.
3. Проверить правильность расчетов путем составления ЗТК для всех узлов цепи.
R1 = 5 Ом; R2 = 2 Ом; R3 = 3 Ом; R4 = 4 Ом; R5 = 6,5 Ом; R6 = ∞; R7= 0; E = 2 B; J = 0,75 A.
0011tВ цепи известны сопротивления R
1 и R
2. Напряжение на зажимах цепи равно U. Мощность, измеряемая ваттметром, равна Р. Определить сопротивление R
3 и токи во всех ветвях цепи. Составить баланс мощностей.
U
= 100 B; P
= 200 Вт; R
1 = 20 Ом; R
2 = 40 Ом.

0012tВ цепи известны сопротивления R
1 и R
2. Напряжение на зажимах цепи равно U. Мощность, измеряемая ваттметром, равна Р. Определить сопротивление R
3 и токи во всех ветвях цепи. Составить баланс мощностей.
U
= 120 B; P
= 250 Вт; R
1 = 30 Ом; R
2 = 50 Ом.

0013tВ цепи известны сопротивления R
1 и R
2. Напряжение на зажимах цепи равно U. Мощность, измеряемая ваттметром, равна Р. Определить сопротивление R
3 и токи во всех ветвях цепи. Составить баланс мощностей.
U
= 100 B; P
= 400 Вт; R
1 = 10 Ом; R
2 = 30 Ом.

0014tВ цепи известны сопротивления R
1 и R
2. Напряжение на зажимах цепи равно U. Мощность, измеряемая ваттметром, равна Р. Определить сопротивление R
3 и токи во всех ветвях цепи. Составить баланс мощностей.
U
= 120 B; P
= 300 Вт; R
1 = 15 Ом; R
2 = 40 Ом.

0015tВ цепи известны сопротивления R
1 и R
2. Напряжение на зажимах цепи равно U. Мощность, измеряемая ваттметром, равна Р. Определить сопротивление R
3 и токи во всех ветвях цепи. Составить баланс мощностей.
U
= 100 B; P
= 250 Вт; R
1 = 25 Ом; R
2 = 25 Ом.

0016tВ цепи известны сопротивления R
1 и R
2. Напряжение на зажимах цепи равно U. Мощность, измеряемая ваттметром, равна Р. Определить сопротивление R
3 и токи во всех ветвях цепи. Составить баланс мощностей.
U
= 120 B; P
= 400 Вт; R
1 = 20 Ом; R
2 = 30 Ом.

0017tВ цепи известны сопротивления R
1 и R
2. Напряжение на зажимах цепи равно U. Мощность, измеряемая ваттметром, равна Р. Определить сопротивление R
3 и токи во всех ветвях цепи. Составить баланс мощностей.
U
= 100 B; P
= 125 Вт; R
1 = 50 Ом; R
2 = 40 Ом.

0018tВ цепи известны сопротивления R
1 и R
2. Напряжение на зажимах цепи равно U. Мощность, измеряемая ваттметром, равна Р. Определить сопротивление R
3 и токи во всех ветвях цепи. Составить баланс мощностей.
U
= 120 B; P
= 360 Вт; R
1 = 10 Ом; R
2 = 50 Ом.

0019tВ цепи известны сопротивления R
1 и R
2. Напряжение на зажимах цепи равно U. Мощность, измеряемая ваттметром, равна Р. Определить сопротивление R
3 и токи во всех ветвях цепи. Составить баланс мощностей.
U
= 100 B; P
= 100 Вт; R
1 = 60 Ом; R
2 = 50 Ом.

0020tВ цепи известны сопротивления R
1 и R
2. Напряжение на зажимах цепи равно U. Мощность, измеряемая ваттметром, равна Р. Определить сопротивление R
3 и токи во всех ветвях цепи. Составить баланс мощностей.
U
= 120 B; P
= 240 Вт; R
1 = 40 Ом; R
2 = 30 Ом.

0071tВ цепи известны сопротивления R
1, R
2, R
3, R
4. Мощность, измеряемая ваттметром, равна Р. Определить а) токи I
1, I
2, I
3; б) напряжение на зажимах цепи U.
R
1 = 1 Ом; R
2 = 12 Ом; R
3 = 5 Ом; R
4 = 1 Ом; Р
= 320 Вт.

0072tВ цепи известны сопротивления R
1, R
2, R
3, R
4. Мощность, измеряемая ваттметром, равна Р. Определить а) токи I
1, I
2, I
3; б) напряжение на зажимах цепи U.
R
1 = 1 Ом; R
2 = 12 Ом; R
3 = 10 Ом; R
4 = 2 Ом; Р
= 640 Вт.

0073tВ цепи известны сопротивления R
1, R
2, R
3, R
4. Мощность, измеряемая ваттметром, равна Р. Определить а) токи I
1, I
2, I
3; б) напряжение на зажимах цепи U.
R
1 = 1 Ом; R
2 = 8 Ом; R
3 = 5 Ом; R
4 = 3 Ом; Р
= 500 Вт.

0074tВ цепи известны сопротивления R
1, R
2, R
3, R
4. Мощность, измеряемая ваттметром, равна Р. Определить а) токи I
1, I
2, I
3; б) напряжение на зажимах цепи U.
R
1 = 1 Ом; R
2 = 8 Ом; R
3 = 10 Ом; R
4 = 6 Ом; Р
= 1000 Вт.

0075tВ цепи известны сопротивления R
1, R
2, R
3, R
4. Мощность, измеряемая ваттметром, равна Р. Определить а) токи I
1, I
2, I
3; б) напряжение на зажимах цепи U.
R
1 = 1 Ом; R
2 = 4 Ом; R
3 = 5 Ом; R
4 = 3 Ом; Р
= 720 Вт.

0076tВ цепи известны сопротивления R
1, R
2, R
3, R
4. Мощность, измеряемая ваттметром, равна Р. Определить а) токи I
1, I
2, I
3; б) напряжение на зажимах цепи U.
R
1 = 2 Ом; R
2 = 6 Ом; R
3 = 10 Ом; R
4 = 2 Ом; Р
= 1440 Вт.

0077tВ цепи известны сопротивления R
1, R
2, R
3, R
4. Мощность, измеряемая ваттметром, равна Р. Определить а) токи I
1, I
2, I
3; б) напряжение на зажимах цепи U.
R
1 = 2 Ом; R
2 = 10 Ом; R
3 = 4 Ом; R
4 = 1 Ом; Р
= 900 Вт.

0078tВ цепи известны сопротивления R
1, R
2, R
3, R
4. Мощность, измеряемая ваттметром, равна Р. Определить а) токи I
1, I
2, I
3; б) напряжение на зажимах цепи U.
R
1 = 2 Ом; R
2 = 10 Ом; R
3 = 8 Ом; R
4 = 2 Ом; Р
= 1800 Вт.

0079tВ цепи известны сопротивления R
1, R
2, R
3, R
4. Мощность, измеряемая ваттметром, равна Р. Определить а) токи I
1, I
2, I
3; б) напряжение на зажимах цепи U.
R
1 = 2 Ом; R
2 = 12 Ом; R
3 = 3 Ом; R
4 = 1 Ом; Р
= 1200 Вт.

0080tВ цепи известны сопротивления R
1, R
2, R
3, R
4. Мощность, измеряемая ваттметром, равна Р. Определить а) токи I
1, I
2, I
3; б) напряжение на зажимах цепи U.
R
1 = 2 Ом; R
2 = 10 Ом; R
3 = 4 Ом; R
4 = 1 Ом; Р
= 1600 Вт.

0186tДля цепи синусоидального тока подобрать такую емкость конденсатора С, чтобы в ветви с катушкой (L
к, R
к) имел место режим резонанса напряжений. Определить в этом режиме ток в ветви с катушкой и напряжение на зажимах катушки при двух положениях выключателя В: замкнутом и разомкнутом. Построить для этих двух случаев топографическую диаграмму напряжений и показать на ней векторы токов. Частота f=50 Гц.
U = 50 В; R
0 = 2 Ом; L
к = 0,0127 Гн; R
к = 3 Ом; R
1 = 4 Ом; L
1 = 0,095 Гн.

0188tДля цепи синусоидального тока подобрать такую емкость конденсатора С, чтобы в ветви с катушкой (L
к, R
к) имел место режим резонанса напряжений. Определить в этом режиме ток в ветви с катушкой и напряжение на зажимах катушки при двух положениях выключателя В: замкнутом и разомкнутом. Построить для этих двух случаев топографическую диаграмму напряжений и показать на ней векторы токов. Частота f=50 Гц.
U = 70 В; R
0 = 4 Ом; L
к = 0,0254 Гн; R
к = 6 Ом; R
1 = 6 Ом; L
1 = 0,032 Гн.

0189tДля цепи синусоидального тока подобрать такую емкость конденсатора С, чтобы в ветви с катушкой (L
к, R
к) имел место режим резонанса напряжений. Определить в этом режиме ток в ветви с катушкой и напряжение на зажимах катушки при двух положениях выключателя В: замкнутом и разомкнутом. Построить для этих двух случаев топографическую диаграмму напряжений и показать на ней векторы токов. Частота f=50 Гц.
U = 80 В; R
0 = 5 Ом; L
к = 0,0254 Гн; R
к = 6 Ом; R
1 = 2 Ом; L
1 = 0,016 Гн.

0195tДля цепи синусоидального тока подобрать такую емкость конденсатора С, чтобы в ветви с катушкой (L
к, R
к) имел место режим резонанса напряжений. Определить в этом режиме ток в ветви с катушкой и напряжение на зажимах катушки при двух положениях выключателя В: замкнутом и разомкнутом. Построить для этих двух случаев топографическую диаграмму напряжений и показать на ней векторы токов. Частота f=50 Гц.
U = 140 В; R
0 = 25 Ом; L
к = 0,127 Гн; R
к = 10 Ом; R
1 = 15 Ом; L
1 = 0,0095 Гн.

25292
В сеть переменного тока напряжением U = 220 В и частотой ν = 50 Гц включены последовательно емкость С = 18 мкФ, индуктивность L = 0,75 Гн и активное сопротивление R = 60 Ом. Найти силу тока I в цепи и напряжения на емкости UC, на индуктивности UL и на активном сопротивлении.