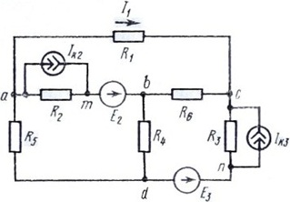
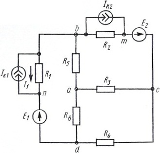
Для электрической схемы, соответствующей номеру варианта (табл. 2-1) и изображенной на рис. 1.1—1.20, выполнить следующее:
1. Составить на основании законов Кирхгофа систему уравнений для расчёта токов во всех ветвях схемы.
2. Определить токи во всех ветвях схемы методом контурных токов.
R
1 = 8 Ом
R
2 = 10 Ом
R
3 = 6 Ом
R
4 = 15 Ом
R
5 = 21 Ом
R
6 = 26 Ом
Е
1 = 25 В
Е
2 = —
Е
3 = 14 В
I
к1 = 0 А
I
к2 = —
I
к3 = 1 А
0500tДля электрической схемы, соответствующей номеру варианта (табл. 2-1) и изображенной на рис. 1.1—1.20, выполнить следующее:
1. Составить на основании законов Кирхгофа систему уравнений для расчёта токов во всех ветвях схемы.
2. Определить токи во всех ветвях схемы методом контурных токов.
R1 = 19,5 Ом
R2 = 7,5 Ом
R3 = 13,5 Ом
R4 = 10,5 Ом
R5 = 15 Ом
R6 = 6 Ом
Е1 = — В
Е2 = 9 В
Е3 = 45 В
Iк1 = —
Iк2 = 0,8 А
Iк3 = 0

0501tДля электрической схемы, соответствующей номеру варианта (табл. 2-1) и изображенной на рис. 1.1—1.20, выполнить следующее:
1. Составить на основании законов Кирхгофа систему уравнений для расчёта токов во всех ветвях схемы.
2. Определить токи во всех ветвях схемы методом контурных токов.
R1 = 6,5 Ом
R2 = 2,5 Ом
R3 = 1 Ом
R4 = 4 Ом
R5 = 5,5 Ом
R6 = 7,5 Ом
Е1 = — В
Е2 = 5 В
Е3 = 10 В
Iк1 = —
Iк2 = 0,4 А
Iк3 = 0

0502tДля электрической схемы, соответствующей номеру варианта (табл. 2-1) и изображенной на рис. 1.1—1.20, выполнить следующее:
1. Составить на основании законов Кирхгофа систему уравнений для расчёта токов во всех ветвях схемы.
2. Определить токи во всех ветвях схемы методом контурных токов.
R1 = 2 Ом
R2 = 5,5 Ом
R3 = 2,5 Ом
R4 = 6 Ом
R5 = 3,5 Ом
R6 = 4 Ом
Е1 = 10,5 В
Е2 = 5 В
Е3 = 1 В
Iк1 = 1 А
Iк2 = 0 А
Iк3 = —

0503tДля электрической схемы, соответствующей номеру варианта (табл. 2-1) и изображенной на рис. 1.1—1.20, выполнить следующее:
1. Составить на основании законов Кирхгофа систему уравнений для расчёта токов во всех ветвях схемы.
2. Определить токи во всех ветвях схемы методом контурных токов.
R1 = 4,5 Ом
R2 = 10 Ом
R3 = 8 Ом
R4 = 20 Ом
R5 = 15 Ом
R6 = 11 Ом
Е1 = —
Е2 = 10 В
Е3 = 9 В
Iк1 = —
Iк2 = 0,5 А
Iк3 = 0 А

0504tДля электрической схемы, соответствующей номеру варианта (табл. 2-1) и изображенной на рис. 1.1—1.20, выполнить следующее:
1. Составить на основании законов Кирхгофа систему уравнений для расчёта токов во всех ветвях схемы.
2. Определить токи во всех ветвях схемы методом контурных токов.
R1 = 26 Ом
R2 = 10 Ом
R3 = 4 Ом
R4 = 16 Ом
R5 = 22 Ом
R6 = 30 Ом
Е1 = —
Е2 = 24 В
Е3 = 32 В
Iк1 = —
Iк2 = 0 А
Iк3 = 2 А

0505tДля электрической схемы, соответствующей номеру варианта (табл. 2-1) и изображенной на рис. 1.1—1.20, выполнить следующее:
1. Составить на основании законов Кирхгофа систему уравнений для расчёта токов во всех ветвях схемы.
2. Определить токи во всех ветвях схемы методом контурных токов.
R1 = 8 Ом
R2 = 14 Ом
R3 = 20 Ом
R4 = 24 Ом
R5 = 40 Ом
R6 = 11 Ом
Е1 = —
Е2 = 40 В
Е3 = 10 В
Iк1 = —
Iк2 = 0 А
Iк3 = 1,5 А

0506tДля электрической схемы, соответствующей номеру варианта (табл. 2-1) и изображенной на рис. 1.1—1.20, выполнить следующее:
1. Составить на основании законов Кирхгофа систему уравнений для расчёта токов во всех ветвях схемы.
2. Определить токи во всех ветвях схемы методом контурных токов.
R1 = 8 Ом
R2 = 22 Ом
R3 = 10 Ом
R4 = 24 Ом
R5 = 14 Ом
R6 = 16 Ом
Е1 = 50 В
Е2 = 16,6 В
Е3 = —
Iк1 = 0 А
Iк2 = 0,2 А
Iк3 = —

0507tДля электрической схемы, соответствующей номеру варианта (табл. 2-1) и изображенной на рис. 1.1—1.20, выполнить следующее:
1. Составить на основании законов Кирхгофа систему уравнений для расчёта токов во всех ветвях схемы.
2. Определить токи во всех ветвях схемы методом контурных токов.
R1 = 10 Ом
R2 = 20 Ом
R3 = 15 Ом
R4 = 25 Ом
R5 = 32,5 Ом
R6 = 25 Ом
Е1 = —
Е2 = 35 В
Е3 = 37,5 В
Iк1 = —
Iк2 = 2 А
Iк3 = 0 А

0508tДля электрической схемы, соответствующей номеру варианта (табл. 2-1) и изображенной на рис. 1.1—1.20, выполнить следующее:
1. Составить на основании законов Кирхгофа систему уравнений для расчёта токов во всех ветвях схемы.
2. Определить токи во всех ветвях схемы методом контурных токов.
R1 = 325 Ом
R2 = 100 Ом
R3 = 150 Ом
R4 = 200 Ом
R5 = 275 Ом
R6 = 112 Ом
Е1 = 17 В
Е2 = 62,5 В
Е3 = —
Iк1 = 0,04 А
Iк2 = 0 А
Iк3 = —

0525tДля электрической схемы, соответствующей номеру варианта (табл. 2-1) и изображенной на рис. 1.1—1.20, выполнить следующее:
1. Составить на основании законов Кирхгофа систему уравнений для расчёта токов во всех ветвях схемы.
2. Определить токи во всех ветвях схемы методом контурных токов.
R1 = 15 Ом
R2 = 12,5 Ом
R3 = 20 Ом
R4 = 35 Ом
R5 = 17,5 Ом
R6 = 20 Ом
Е1 = —
Е2 = 25 В
Е3 = 55 В
Iк1 = —
Iк2 = 2 А
Iк3 = 0 А

0529tРешить задачу а) с помощью законов Кирхгофа; б) методом двух узлов; в) методом контурных токов.
L
1 = 8 мГн
L
2 = 9 мГн
L
3 = 0
С
1 = 1 мкФ
С
2 = 0,5 мкФ
С
2 = ∞
R
1 = —
R
2 = —
R
3 = 70 Ом
f = 1600 Гц
е'
1 = 141·cos(ωt–30°) В
е"
1 = —
е'
2 = 62·sin(ωt+326°) В
е"
2 = 96,5·cos(ωt+111°) В
е'
3 = —
е"
3 = —

0534tРешить задачу а) с помощью законов Кирхгофа; б) методом двух узлов; в) методом контурных токов.
L
1 = 1,36 мГн
L
2 = —
L
3 = 5,46 мГн
С
1 = 3,25 мкФ
С
2 = —
С
3 = ∞
R
1 = —
R
2 = 65 Ом
R
3 = —
f = 700 Гц
е'
1 = 141∙sin(ωt) В
е"
1 = 0
е'
2 = —
е"
2 = —
е'
3 = 282∙cos(ωt–140°) В
е"
3 = 0

0600tРешить задачу а) с помощью законов Кирхгофа; б) методом двух узлов; в) методом контурных токов.
L
1 = 3,2 мГн
L
2 = —
L
3 = —
С
1 = ∞
С
2 = 1,1 мкФ
С
3 = —
R
1 = —
R
2 = —
R
3 = 10 Ом
f = 2500 Гц
е'
1 = 0
е"
1 = 282∙cos(ωt–90°) В
е'
2 = 141∙sin(ωt–90°) В
е"
2 = 325∙sin(ωt–30°) В
е'
3 = —
е"
3 = —

0601tРешить задачу а) с помощью законов Кирхгофа; б) методом двух узлов; в) методом контурных токов.
L
1 = 7,96 мГн
L
2 = 8 мГн
L
3 = 14,5 мГн
С
1 = 2,21 мкФ
С
2 = 1,1 мкФ
С
3 = —
R
1 = 60 Ом
R
2 = —
R
3 = —
f = 1200 Гц
е'
1 = —
е"
1 = —
е'
2 = 705∙sin(ωt+53°) В
е"
2 = 0
е'
3 = 705∙cos(ωt–143°) В
е"
3 = —

0606tРешить задачу а) с помощью законов Кирхгофа; б) методом двух узлов; в) методом контурных токов.
L
1 = —
L
2 = 2,12 мГн
L
3 = 2,48 мГн
С
1 = —
С
2 = —
С
3 = 3,55 мкФ
R
1 = 17 Ом
R
2 = —
R
3 = —
f = 900 Гц
е'
1 = 80∙sin(ωt+40°) В
е"
1 = 80∙sin(ωt–50°) В
е'
2 = —
е"
2 = —
е'
3 = 56,4∙cos(ωt–130°) В
е"
3 = 0
