Магнитный поток через поперечное сечение
13560
Поток магнитной индукции через площадь поперечного сечения соленоида (без сердечника) равен Ф = 1 мкВб. Длина соленоида l = 12,5 см. Определите магнитный момент рm этого соленоида.
70256
Магнитный поток через поперечное сечение катушки, имеющей 1000 витков, изменился на 2 мВб в результате изменения тока в катушке от 4 до 20 А. Найти индуктивность катушки.
13560
Поток магнитной индукции через площадь поперечного сечения соленоида (без сердечника) равен Ф = 1 мкВб. Длина соленоида l = 12,5 см. Определите магнитный момент рm этого соленоида.
15445
Катушка длиной l = 20 см и диаметром D = 3 см имеет N = 400 витков. По катушке идет ток I = 2 А. Найти индуктивность L катушки и магнитный поток Ф, пронизывающий площадь ее поперечного сечения.
15447
Катушка с железным сердечником имеет площадь поперечного сечения S = 20 см2 и число витков N = 500. Индуктивность катушки с сердечником L = 0,28 Гн при токе через обмотку I = 5 А. Найти магнитную проницаемость μ железного сердечника.
11588
Соленоид содержит 1500 витков. По обмотке соленоида течет ток силой 2 А. Вычислить энергию магнитного поля соленоида, если магнитный поток через его поперечное сечение равен 0,5 мВб.
13522
На железный сердечник, имеющим форму тора квадратного сечения (сторона квадрата а = 4 см), намотана равномерно в один слой проволока. Средний диаметр тора D = 40 см. Число витков проволоки N = 500. Найдите магнитный поток через сечение сердечника, если сила тока в проволоке равна I = 1 А. Магнитная проницаемость железа в данных условиях μ = 400.
13588На железном сердечнике в виде тора со средним радиусом R = 250 мм имеется обмотка с общим числом витков N = 1000. В сердечнике сделана поперечная прорезь шириной b = 1 мм. При токе I = 0,85 A через обмотку индукция магнитного поля в зазоре B = 0,75 Тл. Пренебрегая рассеянием магнитного потока на краях зазора, найти магнитную проницаемость железа в этих условиях.

15341Магнитный поток через контур меняется так, как показано на графике. Чему равен модуль ЭДС индукции в момент времени t = 6 с?

16487
Катушка состоит из N = 75 витков и имеет сопротивление R = 9 Ом. Магнитный поток через ее поперечное сечение меняется по закону Ф = kt, где k = 1,2 мВб/с. Определите: а) э.д.с. индукции, возникающую в этом контуре; б) силу индукционного тока; в) заряд, который протечет по контуру за первые 9 с изменения поля.
17324
Тороид прямоугольного сечения содержит N = 500 витков. Наружный диаметр тороида D = 20 см, внутренний d = 10 см. Ток, протекающий по обмотке, I = 2,5 А. Определите магнитный поток через половину осевого сечения тороида.
20223
В соленоид длиной 50 см вставлен сердечник из такого сорта железа, для которого зависимость В = f(H) неизвестна. Число витков на единицу длины соленоида равно 400 м–1, площадь поперечного сечения соленоида 10 см2. Найти магнитную проницаемость сердечника при силе тока 5 А и индуктивность соленоида, если при этих условиях магнитный поток через сечение соленоида равен 1,6 мВб.
21577
Ферромагнитный сердечник введен в соленоид длиной 500 мм и площадью поперечного сечения 10,0 см2. Обмотка соленоида имеет 100 витков. При прохождении по виткам тока I = 0,25 А магнитный поток Ф через поперечное сечение соленоида оказался равным 0,50 мВб. Определить магнитную проницаемость μ материала сердечника.
24648
Сила тока I в обмотке соленоида, содержащего N = 1500 витков, равна 5 А. Магнитный поток Ф через поперечное сечение соленоида составляет 200 мкВб. Определите энергию магнитного поля в соленоиде.
24843
Длинный тонкий соленоид длиной l с площадью поперечного сечения S содержит слой из N1 витков плотной намотки. Поверх него также изолированным проводом плотно намотана катушка с N2 витками. Вычислить взаимную индуктивность, считая, что весь магнитный поток соленоида проходит через катушку.
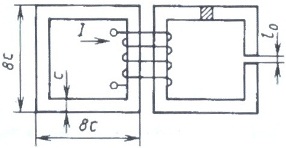
0376tДва магнитопровода из электротехнической стали имеют общую обмотку. Геометрические размеры обоих магнитопроводов одинаковы. В одном из магнитопроводов имеется воздушный зазор длиной l
0. Сечение магнитопроводов одинаково по всей длине. Магнитный поток в магнитопроводе с воздушным зазором равен Ф. Определить магнитный поток в магнитопроводе без воздушного зазора. Указать направление магнитных потоков в обоих магнитопроводах.
ℓ
0 = 0,1 мм; c = 2 cм; Ф = 0,4 мВб.

0377tДва магнитопровода из электротехнической стали имеют общую обмотку. Геометрические размеры обоих магнитопроводов одинаковы. В одном из магнитопроводов имеется воздушный зазор длиной l
0. Сечение магнитопроводов одинаково по всей длине. Магнитный поток в магнитопроводе с воздушным зазором равен Ф. Определить магнитный поток в магнитопроводе без воздушного зазора. Указать направление магнитных потоков в обоих магнитопроводах.
ℓ
0 = 0,11 мм; c = 2,5 cм; Ф = 0,625 мВб.

0378tДва магнитопровода из электротехнической стали имеют общую обмотку. Геометрические размеры обоих магнитопроводов одинаковы. В одном из магнитопроводов имеется воздушный зазор длиной l
0. Сечение магнитопроводов одинаково по всей длине. Магнитный поток в магнитопроводе с воздушным зазором равен Ф. Определить магнитный поток в магнитопроводе без воздушного зазора. Указать направление магнитных потоков в обоих магнитопроводах.
ℓ
0 = 0,12 мм; c = 3 cм; Ф = 0,9 мВб.

0379tДва магнитопровода из электротехнической стали имеют общую обмотку. Геометрические размеры обоих магнитопроводов одинаковы. В одном из магнитопроводов имеется воздушный зазор длиной l
0. Сечение магнитопроводов одинаково по всей длине. Магнитный поток в магнитопроводе с воздушным зазором равен Ф. Определить магнитный поток в магнитопроводе без воздушного зазора. Указать направление магнитных потоков в обоих магнитопроводах.
ℓ
0 = 0,13 мм; c = 2,5 cм; Ф = 0,625 мВб.

0380tДва магнитопровода из электротехнической стали имеют общую обмотку. Геометрические размеры обоих магнитопроводов одинаковы. В одном из магнитопроводов имеется воздушный зазор длиной l
0. Сечение магнитопроводов одинаково по всей длине. Магнитный поток в магнитопроводе с воздушным зазором равен Ф. Определить магнитный поток в магнитопроводе без воздушного зазора. Указать направление магнитных потоков в обоих магнитопроводах.
ℓ
0 = 0,14 мм; c = 2 cм; Ф = 0,4 мВб.

0381tДва магнитопровода из электротехнической стали имеют общую обмотку. Геометрические размеры обоих магнитопроводов одинаковы. В одном из магнитопроводов имеется воздушный зазор длиной l
0. Сечение магнитопроводов одинаково по всей длине. Магнитный поток в магнитопроводе с воздушным зазором равен Ф. Определить магнитный поток в магнитопроводе без воздушного зазора. Указать направление магнитных потоков в обоих магнитопроводах.
ℓ
0 = 0,15 мм; c = 2,5 cм; Ф = 0,625 мВб.

0382tДва магнитопровода из электротехнической стали имеют общую обмотку. Геометрические размеры обоих магнитопроводов одинаковы. В одном из магнитопроводов имеется воздушный зазор длиной l
0. Сечение магнитопроводов одинаково по всей длине. Магнитный поток в магнитопроводе с воздушным зазором равен Ф. Определить магнитный поток в магнитопроводе без воздушного зазора. Указать направление магнитных потоков в обоих магнитопроводах.
ℓ
0 = 0,14 мм; c = 3 cм; Ф = 0,9 мВб.

0383tДва магнитопровода из электротехнической стали имеют общую обмотку. Геометрические размеры обоих магнитопроводов одинаковы. В одном из магнитопроводов имеется воздушный зазор длиной l
0. Сечение магнитопроводов одинаково по всей длине. Магнитный поток в магнитопроводе с воздушным зазором равен Ф. Определить магнитный поток в магнитопроводе без воздушного зазора. Указать направление магнитных потоков в обоих магнитопроводах.
ℓ
0 = 0,13 мм; c = 2 cм; Ф = 0,4 мВб.

0384tДва магнитопровода из электротехнической стали имеют общую обмотку. Геометрические размеры обоих магнитопроводов одинаковы. В одном из магнитопроводов имеется воздушный зазор длиной l
0. Сечение магнитопроводов одинаково по всей длине. Магнитный поток в магнитопроводе с воздушным зазором равен Ф. Определить магнитный поток в магнитопроводе без воздушного зазора. Указать направление магнитных потоков в обоих магнитопроводах.
ℓ
0 = 0,12 мм; c = 2,5 cм; Ф = 0,625 мВб.

0385tДва магнитопровода из электротехнической стали имеют общую обмотку. Геометрические размеры обоих магнитопроводов одинаковы. В одном из магнитопроводов имеется воздушный зазор длиной l
0. Сечение магнитопроводов одинаково по всей длине. Магнитный поток в магнитопроводе с воздушным зазором равен Ф. Определить магнитный поток в магнитопроводе без воздушного зазора. Указать направление магнитных потоков в обоих магнитопроводах.
ℓ
0 = 0,1 мм; c = 3 cм; Ф = 0,9 мВб.
