сила тока в катушке
13574
В катушке длиной l = 0,5 м, диаметром d = 5 см и числом витков N = 1500 ток равномерно увеличивается на 0,2 А за одну секунду. На катушку надето кольцо из медной проволоки (ρ = 17 нОм∙м) площадью сечения Sк = 3 мм2. Определите силу тока в кольце.
60096
При электролизе медного купороса (CuSO4) в течение времени t = 1 ч при силе тока I = 1 А на катоде выделилась медь массой m = 1,66 г. Определить коэффициент полезного действия η установки.
70068Применяя правило Ленца, определить направление индукционного тока в катушке АВ, к которой подключен гальванометр Г (см. рис.) .

26107
Колебательный контур состоит из катушки с индуктивностью, равной 0,2 Гн, и конденсатора емкостью 10 мкФ. В момент, когда напряжение на конденсаторе равно 1 В, ток в контуре равен 10 мА. Определить максимальное значение силы тока в контуре.
26145
Идеальный колебательный контур, состоящий из катушки индуктивности и плоского конденсатора, настроен на длину волны λ = 1884 м. Определить максимальный заряд на обкладках конденсатора, если максимальное значение силы тока в контуре Im = 2 мА. Скорость света в вакууме равна u = 3∙108 м/c.
60180
Колебательный контур состоит из конденсатора емкостью 6 мкФ и катушки индуктивностью 0,24 Гн. Определить максимальную силу тока в контуре, если максимальное напряжение на обкладках конденсатора равно 400 В. Сопротивление контура принять равным нулю.
13767
При размыкании электрической цепи, содержащей катушку с индуктивностью L и сопротивлением R = 10 Ом, сила тока за время t = 1 с убывает в е раз (е — основание натурального логарифма). Найти индуктивность L катушки.
15119
Катушка сопротивлением R = 20 Ом и индуктивностью L = 10–2 Гн находится в переменном магнитном поле. Когда создаваемый этим полем магнитный поток увеличился на ΔФ = 10–3 Вб, сила тока в катушке возрастает на ΔI = 0,05 А. Какой заряд проходит за это время по катушке.
19634На графике показана зависимость от времени силы переменного электрического тока I, протекающего в катушке с индуктивностью
l = 5 мГн. Чему равен модуль ЭДС самоиндукции в момент времени t = 10 мс?

19663На графике показана зависимость от времени силы переменного электрического тока I, протекающего в катушке с индуктивностью L = 5 мГн. Чему равно ЭДС самоиндукции в момент времени t = 40 мс?

20775
Сила тока, протекающего в катушке, изменяется по закону I = 1 – 0,2t. Если при этом на концах катушки наводится ЭДС самоиндукции εis = 2,0∙10–2 В, то индуктивность катушки равна ...
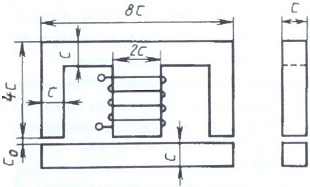
0366tПодъемный электромагнит имеет подковообразный магнитопровод прямоугольного сечения (рис. 94). Материал магнитопровода и якоря - электротехническая сталь. На среднем стержне расположена катушка, состоящая из w витков. Между краями стержней магнитопровода и якорем предусматриваются воздушные зазоры длиной l
0 — 0,5 мм. Электромагнит должен развивать подъемную силу Q. Определить требуемое значение тока в катушке.
ℓ
0 = 0,5 мм; c = 3 cм; w = 200; Q = 1500 H.

0367tПодъемный электромагнит имеет подковообразный магнитопровод прямоугольного сечения (рис. 94). Материал магнитопровода и якоря - электротехническая сталь. На среднем стержне расположена катушка, состоящая из w витков. Между краями стержней магнитопровода и якорем предусматриваются воздушные зазоры длиной l
0 — 0,5 мм. Электромагнит должен развивать подъемную силу Q. Определить требуемое значение тока в катушке.
ℓ
0 = 0,5 мм; c = 3,5 cм; w = 200; Q = 2000 H.

0368tПодъемный электромагнит имеет подковообразный магнитопровод прямоугольного сечения (рис. 94). Материал магнитопровода и якоря - электротехническая сталь. На среднем стержне расположена катушка, состоящая из w витков. Между краями стержней магнитопровода и якорем предусматриваются воздушные зазоры длиной l
0 — 0,5 мм. Электромагнит должен развивать подъемную силу Q. Определить требуемое значение тока в катушке.
ℓ
0 = 0,5 мм; c = 4 cм; w = 300; Q = 2500 H.

0369tПодъемный электромагнит имеет подковообразный магнитопровод прямоугольного сечения (рис. 94). Материал магнитопровода и якоря - электротехническая сталь. На среднем стержне расположена катушка, состоящая из w витков. Между краями стержней магнитопровода и якорем предусматриваются воздушные зазоры длиной l
0 — 0,5 мм. Электромагнит должен развивать подъемную силу Q. Определить требуемое значение тока в катушке.
ℓ
0 = 0,5 мм; c = 4,5 cм; w = 400; Q = 3000 H.

0370tПодъемный электромагнит имеет подковообразный магнитопровод прямоугольного сечения (рис. 94). Материал магнитопровода и якоря - электротехническая сталь. На среднем стержне расположена катушка, состоящая из w витков. Между краями стержней магнитопровода и якорем предусматриваются воздушные зазоры длиной l
0 — 0,5 мм. Электромагнит должен развивать подъемную силу Q. Определить требуемое значение тока в катушке.
ℓ
0 = 0,5 мм; c = 5 cм; w = 500; Q = 4000 H.

0371tПодъемный электромагнит имеет подковообразный магнитопровод прямоугольного сечения (рис. 94). Материал магнитопровода и якоря - электротехническая сталь. На среднем стержне расположена катушка, состоящая из w витков. Между краями стержней магнитопровода и якорем предусматриваются воздушные зазоры длиной l
0 — 0,5 мм. Электромагнит должен развивать подъемную силу Q. Определить требуемое значение тока в катушке.
ℓ
0 = 0,5 мм; c = 5,5 cм; w = 600; Q = 5000 H.

0372tПодъемный электромагнит имеет подковообразный магнитопровод прямоугольного сечения (рис. 94). Материал магнитопровода и якоря - электротехническая сталь. На среднем стержне расположена катушка, состоящая из w витков. Между краями стержней магнитопровода и якорем предусматриваются воздушные зазоры длиной l
0 — 0,5 мм. Электромагнит должен развивать подъемную силу Q. Определить требуемое значение тока в катушке.
ℓ
0 = 0,5 мм; c = 6 cм; w = 700; Q = 6000 H.

0373tПодъемный электромагнит имеет подковообразный магнитопровод прямоугольного сечения (рис. 94). Материал магнитопровода и якоря - электротехническая сталь. На среднем стержне расположена катушка, состоящая из w витков. Между краями стержней магнитопровода и якорем предусматриваются воздушные зазоры длиной l
0 — 0,5 мм. Электромагнит должен развивать подъемную силу Q. Определить требуемое значение тока в катушке.
ℓ
0 = 0,5 мм; c = 6,5 cм; w = 800; Q = 7000 H.

0374tПодъемный электромагнит имеет подковообразный магнитопровод прямоугольного сечения (рис. 94). Материал магнитопровода и якоря - электротехническая сталь. На среднем стержне расположена катушка, состоящая из w витков. Между краями стержней магнитопровода и якорем предусматриваются воздушные зазоры длиной l
0 — 0,5 мм. Электромагнит должен развивать подъемную силу Q. Определить требуемое значение тока в катушке.
ℓ
0 = 0,5 мм; c = 7 cм; w = 900; Q = 8000 H.

0375tПодъемный электромагнит имеет подковообразный магнитопровод прямоугольного сечения (рис. 94). Материал магнитопровода и якоря - электротехническая сталь. На среднем стержне расположена катушка, состоящая из w витков. Между краями стержней магнитопровода и якорем предусматриваются воздушные зазоры длиной l
0 — 0,5 мм. Электромагнит должен развивать подъемную силу Q. Определить требуемое значение тока в катушке.
ℓ
0 = 0,5 мм; c = 7,5 cм; w = 1000; Q = 9000 H.
