сила тока цепи изменяется
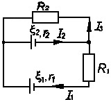
12533Найти силы тока во всех участках цепи (рис. 10), если ξ
1 = 20 В, ξ
2 = 33 В, r
1 = 0,2 Ом, r
2 = 0,5 Ом, R
1 = 0,8 Ом, R
2 = 2 Ом.

13675На рисунке изображены графики нарастания силы тока при замыкании в двух электрических цепях, параметры которых равны соответственно R
A, L
A и R
B, L
B. Какое из приведенных соотношений между параметрами не соответствует графикам. Укажите его номер.
1) R
A = R
B; L
A > L
B. 2) R
A < R
B; L
A > L
B. 3) R
A< R
B; L
A = L
B. 4) R
A > R
B; L
A < L
B.

17677
Амперметр, предназначенный для измерения токов до 10 А, имеет сопротивление 0,18 Ом, шкала его разделена на 100 делений. 1) Какое сопротивление надо взять и как включить, чтобы амперметром можно было измерять силу тока до 100 А? 2) Как изменится при этом цена деления?
18186На рисунке изображены графики убывания силы тока при размыкании двух электрических цепей, содержащих индуктивности L
1 и L
2, активные сопротивления R
1 и R
2 соответственно, причем L
1 = L
2. Какая цепь характеризуется большим сопротивлением?

19650На рисунке изображены график убывания силы тока при размыкании двух электрических цепей, сопротивления и индуктивности которых равны соответственно R
1, L
1 и R
2, L
2. Какие из приведенных ниже соотношений соответствуют рисунку? Укажите сумму их номеров. 1) R
A = R
B; L
A > L
B. 2) R
A < R
B, L
A > L
B. 3) R
A < R
B; L
A = L
B. 4) R
A > R
B; L
A < L
B.

19652
Через время Δt = 5 мс после размыкания цепи сила тока в ней уменьшилась в 5 раз. Найти индуктивность цепи, если сопротивление ее составляет R = 46 Ом.
22478В цепи, показанной на рисунке, все три резистора первоначально имеют одинаковые сопротивления. Как изменится сила тока в нижнем резисторе, если сопротивление верхнего резистора увеличится в два раза, сопротивление среднего — уменьшится в два раза, а сопротивление нижнего резистора не изменится? Общий ток в цепи не изменяется.

22620
Сила тока через полупроводник поддерживается постоянной. При температуре 18°С падение напряжение на образце 25 В. С увеличением температуры до 88°С падение напряжения изменилось и стало 12 В. При какой температуре падение напряжения на образце будет равно 5 B?
23606
Вольтметр сопротивлением 2 кОм подключен параллельно электрической лампочке. Какая сила тока в лампочке, если общая сила тока в цепи 0,3 A, а вольтмер показывает 40 B.
24776В изображенной на рис.1 электрической цепи, каждый резистор может поглощать максимальную тепловую мощность 10 Вт. Сопротивление резисторов R
1 = 100 Ом, R
2 = 200 Ом, R
3 = 20 Ом. Каково максимальное значение силы тока I, который можно пропустить по данной цепи, при котором ни один из резисторов не будет поврежден?
