Определить напряженность, индукцию магнитного
10978
При температуре Т1 = 300 К и магнитной индукции В1 = 0,5 Тл была достигнута определенная намагниченность парамагнетика. Определить магнитную индукцию B2, при которой сохранится та же намагниченность, если температуру повысить до Т2 = 450 К.
10978
При температуре Т1 = 300 К и магнитной индукции В1 = 0,5 Тл была достигнута определенная намагниченность парамагнетика. Определить магнитную индукцию B2, при которой сохранится та же намагниченность, если температуру повысить до Т2 = 450 К.
70003Длинный провод с током I = 50 А изогнут под углом α = 2π/3. Определить магнитную индукцию B в точке A (рис. 1). Расстояние d = 5 см.

70143
По кольцу радиусом 99 см течет ток 4 А. Плоскость кольца по диаметру изогнута под прямым углом. Определить величину магнитной индукции в центре кольца.
13543
Циклотроны позволяют ускорять протоны до энергии 20МэВ. Определить радиус дуантов циклотрона, если магнитная индукция В = 2 Тл.
11765По бесконечно длинному прямому проводу, изогнутому так, как это показано на рисунке, течет ток I = 100 А Определить магнитную индукцию В в точке О, если r = 10 см.

11769
Тонкий провод изогнут в виде правильного шестиугольника. Длина d стороны шестиугольника равна 10 см. Определить магнитную индукцию В в центре шестиугольника, если по проводу течет ток I = 25 А.
15954
По контуру в виде квадрата идет ток I = 50 А. Длина а стороны квадрата равна 20 см. Определить магнитную индукцию B в точке пересечения диагоналей.
17817
В бетатроне скорость изменения магнитной индукции d<В>/dt = 60 Тл/с. Определить: 1) напряженность Е вихревого электрического поля на орбите электрона, если ее радиус r = 0,5 м; 2) силу F, действующую на электрон.
19788
По контуру в виде равностороннего треугольника идет ток I = 30 А. Длина а стороны треугольника равна 20 см. Определить магнитную индукцию В в точке пересечения высот.
21451
Определить с помощью циркуляции вектора H индукцию и напряженность магнитного поля на оси тороида без сердечника, по обмотке которого, содержащей N = 200 витков, идет ток силой I = 5 А. Внешний диаметр тороида d1 = 30 см, внутренний — d2 = 20 см.
21792
Соленоид длиной 20 см и диаметром 4 см имеет плотную трехслойную обмотку из провода диаметром 0,1 мм. По обмотке соленоида течет ток 0,1 А. Зависимость В = F(H) для материала сердечника дана на рис. 5.1. Определить напряженность и индукцию поля в соленоиде, а также магнитную проницаемость сердечника.
21822
При температуре Т1 = 200 К и магнитной индукции B1 = 0,5 Тл была достигнута определенная намагниченность парамагнетика. Определить магнитную индукцию В2, при которой сохранится та же намагниченность, если температуру повысить до Т2 = 400 К.
24844
Определить напряженность и энергию магнитного поля в железном сердечнике объемом V = 400 см, если индукция магнитного поля B = 12 кГс.
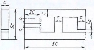
0386tВ магнитной цепи рис. 96 магнитная индукция в воздушном зазоре, имеющемся в правом стержне магнитопровода, равна В
0. Длина воздушного зазора l
0. Материал магнитопровода - электротехническая сталь. Определить магнитные потоки во всех трех стержнях и МДС катушки.
c = 35 мм; B
0 = 0,5 Тл; ℓ
0 = 0,8 мм.

0387tВ магнитной цепи рис. 96 магнитная индукция в воздушном зазоре, имеющемся в правом стержне магнитопровода, равна В
0. Длина воздушного зазора l
0. Материал магнитопровода - электротехническая сталь. Определить магнитные потоки во всех трех стержнях и МДС катушки.
c = 40 мм; B
0 = 0,8 Тл; ℓ
0 = 0,7 мм.

0388tВ магнитной цепи рис. 96 магнитная индукция в воздушном зазоре, имеющемся в правом стержне магнитопровода, равна В
0. Длина воздушного зазора l
0. Материал магнитопровода - электротехническая сталь. Определить магнитные потоки во всех трех стержнях и МДС катушки.
c = 45 мм; B
0 = 1 Тл; ℓ
0 = 0,6 мм.

0389tВ магнитной цепи рис. 96 магнитная индукция в воздушном зазоре, имеющемся в правом стержне магнитопровода, равна В
0. Длина воздушного зазора l
0. Материал магнитопровода - электротехническая сталь. Определить магнитные потоки во всех трех стержнях и МДС катушки.
c = 50 мм; B
0 = 1,2 Тл; ℓ
0 = 0,5 мм.

0390tВ магнитной цепи рис. 96 магнитная индукция в воздушном зазоре, имеющемся в правом стержне магнитопровода, равна В
0. Длина воздушного зазора l
0. Материал магнитопровода - электротехническая сталь. Определить магнитные потоки во всех трех стержнях и МДС катушки.
c = 55 мм; B
0 = 1,4 Тл; ℓ
0 = 0,4 мм.

0391tВ магнитной цепи рис. 96 магнитная индукция в воздушном зазоре, имеющемся в правом стержне магнитопровода, равна В
0. Длина воздушного зазора l
0. Материал магнитопровода - электротехническая сталь. Определить магнитные потоки во всех трех стержнях и МДС катушки.
c = 60 мм; B
0 = 1,3 Тл; ℓ
0 = 0,5 мм.

0392tВ магнитной цепи рис. 96 магнитная индукция в воздушном зазоре, имеющемся в правом стержне магнитопровода, равна В
0. Длина воздушного зазора l
0. Материал магнитопровода - электротехническая сталь. Определить магнитные потоки во всех трех стержнях и МДС катушки.
c = 65 мм; B
0 = 1,1 Тл; ℓ
0 = 0,6 мм.

0393tВ магнитной цепи рис. 96 магнитная индукция в воздушном зазоре, имеющемся в правом стержне магнитопровода, равна В
0. Длина воздушного зазора l
0. Материал магнитопровода - электротехническая сталь. Определить магнитные потоки во всех трех стержнях и МДС катушки.
c = 70 мм; B
0 = 0,9 Тл; ℓ
0 = 0,7 мм.

0394tВ магнитной цепи рис. 96 магнитная индукция в воздушном зазоре, имеющемся в правом стержне магнитопровода, равна В
0. Длина воздушного зазора l
0. Материал магнитопровода - электротехническая сталь. Определить магнитные потоки во всех трех стержнях и МДС катушки.
c = 75 мм; B
0 = 0,7 Тл; ℓ
0 = 0,8 мм.

0395tВ магнитной цепи рис. 96 магнитная индукция в воздушном зазоре, имеющемся в правом стержне магнитопровода, равна В
0. Длина воздушного зазора l
0. Материал магнитопровода - электротехническая сталь. Определить магнитные потоки во всех трех стержнях и МДС катушки.
c = 80 мм; B
0 = 0,5 Тл; ℓ
0 = 1 мм.
