две пружины жесткостью
10034
Две пружины жесткостью k1 = 0,5 кН/м и k2 = 1 кН/м скреплены параллельно. Определить потенциальную энергию П данной системы при абсолютной деформации Δl = 4 см.
10533
С какой скоростью вылетит из пружинного пистолета шарик массой m = 10 г, если пружина была сжата на Δx = 5 см и жесткость пружины k = 200 Н/м?
10540
Две пружины жесткостью k1 = 300 Н/м и k2 = 500 Н/м скреплены последовательно. Определить работу но растяжению обеих пружин, если вторая пружина была растянута на Δl = 3 см.
11249
Две пружину, жесткости которых k1 = 1 кН/м и k2 = 3 кН/м, скреплены параллельно. Определить потенциальную энергию П данной системы при абсолютной деформации x = 5 см.
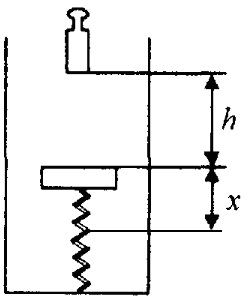
13362Гиря массой m = 10 кг падает с высоты h = 0,5 м на подставку, скрепленную с пружиной жесткостью k = 30 Н/см. Определите при этом смещение х пружины.

16046
Груз массой 100 г колеблется на пружине жесткостью k = 10 Н/м с амплитудой 5 см. Найти максимальную скорость груза.
19610
Определить амплитуду А вынужденных колебаний груза массы m = 0,1 кг на пружине с коэффициентом жесткости k = 10 Н/м, если на груз действует вертикальная вынуждающая гармоническая сила с амплитудой F0 = 1,5 Н и частотой, в два раза большими собственной частоты груза на пружине. Коэффициент затухания b = 0,4 с–1.
20347
Два бруска, массы которых 200 и 400 г, соединены пружиной жесткостью 0,5 Н/м. Пружина сжата при помощи нити, проходящей внутри пружины. Нить пережигают. Определить период колебаний брусков.
20492Тело массой m = 1 кг находится в вязкой среде с коэффициентом сопротивления b = 0,05 кг/с. С помощью двух одинаковых пружин жесткостью k = 50 Н/м каждое тело удерживается в положении равновесия, пружины при этом не деформированы (рис. 6.10). Тело сместили от положения равновесия и отпустили. Определить: 1) коэффициент затухания δ; 2) частоту ν колебаний; 3) логарифмический декремент колебаний Q; 4) число N колебаний, по прошествии которых амплитуда уменьшится в е раз.

10538
Из ствола автоматического пистолета вылетела пуля массой m = 10 г со скоростью v = 300 м/с. Затвор пистолета массой M = 200 г прижимается к стволу пружиной, жесткость которой k = 25 кН/м. На какое расстояние отойдет затвор после выстрела? (Считать, что пистолет жестко закреплен.)
10539
Две пружины жесткостью k1 = 0,5 кН/м и k2 = 1 кН/м скреплены параллельно. Определить потенциальную энергию данной системы при абсолютной деформации Δl = 4 см.