ключ на биполярном транзисторе

ключ на биполярном транзисторе

AFUel
Вычислить элементы схемы ключа на биполярном транзисторе. Первоначальные данные для самостоятельных расчетов взять из табл.
ВариантUвх, ВtU, мсRвх, кОмUвых min, ВRн, кОмСн, пфS
12340363852,0
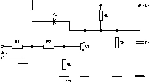
схема ключа на биполярном транзисторе

AFVel
Вычислить элементы схемы ключа на биполярном транзисторе. Первоначальные данные для самостоятельных расчетов взять из табл.
ВариантUвх, ВtU, мсRвх, кОмUвых min, ВRн, кОмСн, пфS
2554021041101,8
схема ключа на биполярном транзисторе