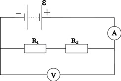
Найти показания амперметра
15294Батареи имеют э. д. с. ε
1 = 2 В и ε
2 = 3 В, сопротивление R
3 = 1,5 кОм, сопротивление амперметра R
A = 0,5 кОм. Падение потенциала на сопротивлении R
2 равно U
2 = 1 В (ток через R
2 направлен сверху вниз). Найти показание амперметра.

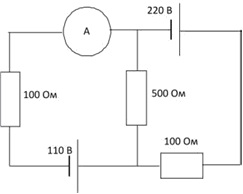
12154Найти показания амперметра и вольтметра в схеме на рисунке. Сопротивление вольтметра 1000 Ом, ЭДС батареи 110 В. R
1 = 400 Ом, R
2 = 600 Ом. Сопротивлением батареи и амперметра пренебречь.

13910
Амперметр и вольтметр подключили последовательно к батарее с ЭДС 6 В. Если параллельно вольтметру подключить некоторое сопротивление, то показания вольтметра уменьшатся в 2 раза, а показания амперметра во столько же раз увеличатся. Найти показания вольтметра после подключения сопротивления.
20348Найдите показания амперметра в схеме, изображенной на рисунке. Внутреннее сопротивление амперметра значительно меньше любого из сопротивлений схемы. Напряжение на входе схемы постоянно и равно 10,5 В.

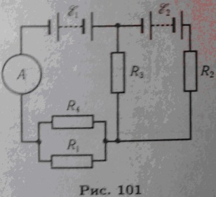
20954Батареи имеют э. д. с. ε
1 = ε
2 = 100 В, сопротивления R
1 = 20 Ом, R
2 = 10 Ом, R
3 = 40 Ом и R
4 = 30 Ом (рис. 101). Найти показание амперметра.

21932Найти показание амперметра в цепи, изображенной на рисунке.

22956Дана электрическая цепь (рис.9.2), состоящая из двух резисторов R
1 = 10 Ом, R
2 = 20 Ом, амперметра с сопротивлением R
a = 5 Ом, с источником ЭДС ε = 12 В и внутренним сопротивлением r = 0,2 Ом. Найти показания амперметра. Какими будут показания амперметра, если источник ЭДС и амперметр поменять местами? Изобразить электрическую схему подключения данной задачи для второго случая.

0216tВ цепи активные и реактивные сопротивления параллельных ветвей соответственно равны R
1, X
1, R
2, X
2, R
3, X
3. Сопротивление в неразветвленной части цепи R
0, X
0. К зажимам цепи приложено синусоидальное напряжение u = √2∙U∙sin 314t. Определить показания амперметров, активную мощность и коэффициент мощности на входе цепи.
U = 100 B; R
0 = 3 Ом; Х
0 = 4 Ом; R
1 = 12 Ом; Х
1 = 16 Ом; R
2 = 6 Ом; Х
2 = 8 Ом; R
3 = 16 Ом; Х
3 = -12 Ом; R
4 = 1 Ом.

0217tВ цепи активные и реактивные сопротивления параллельных ветвей соответственно равны R
1, X
1, R
2, X
2, R
3, X
3. Сопротивление в неразветвленной части цепи R
0, X
0. К зажимам цепи приложено синусоидальное напряжение u = √2∙U∙sin 314t. Определить показания амперметров, активную мощность и коэффициент мощности на входе цепи.
U = 100 B; R
0 = 4 Ом; Х
0 = 3 Ом; R
1 = 16 Ом; Х
1 = 12 Ом; R
2 = 6 Ом; Х
2 = 8 Ом; R
3 = 12 Ом; Х
3 = -16 Ом; R
4 = 1 Ом.

0218tВ цепи активные и реактивные сопротивления параллельных ветвей соответственно равны R
1, X
1, R
2, X
2, R
3, X
3. Сопротивление в неразветвленной части цепи R
0, X
0. К зажимам цепи приложено синусоидальное напряжение u = √2∙U∙sin 314t. Определить показания амперметров, активную мощность и коэффициент мощности на входе цепи.
U = 100 B; R
0 = 8 Ом; Х
0 = -4 Ом; R
1 = 8 Ом; Х
1 = 6 Ом; R
2 = 12 Ом; Х
2 = 16 Ом; R
3 = 8 Ом; Х
3 = -6 Ом; R
4 = 1 Ом.

0219tВ цепи активные и реактивные сопротивления параллельных ветвей соответственно равны R
1, X
1, R
2, X
2, R
3, X
3. Сопротивление в неразветвленной части цепи R
0, X
0. К зажимам цепи приложено синусоидальное напряжение u = √2∙U∙sin 314t. Определить показания амперметров, активную мощность и коэффициент мощности на входе цепи.
U = 100 B; R
0 = 4 Ом; Х
0 = -3 Ом; R
1 = 6 Ом; Х
1 = 8 Ом; R
2 = 12 Ом; Х
2 = 16 Ом; R
3 = 8 Ом; Х
3 = -6 Ом; R
4 = 1 Ом.

0220tВ цепи активные и реактивные сопротивления параллельных ветвей соответственно равны R
1, X
1, R
2, X
2, R
3, X
3. Сопротивление в неразветвленной части цепи R
0, X
0. К зажимам цепи приложено синусоидальное напряжение u = √2∙U∙sin 314t. Определить показания амперметров, активную мощность и коэффициент мощности на входе цепи.
U = 100 B; R
0 = 6 Ом; Х
0 = 8 Ом; R
1 = 12 Ом; Х
1 = -16 Ом; R
2 = 8 Ом; Х
2 = 6 Ом; R
3 = 6 Ом; Х
3 = -8 Ом; R
4 = 1 Ом.

0221tВ цепи активные и реактивные сопротивления параллельных ветвей соответственно равны R
1, X
1, R
2, X
2, R
3, X
3. Сопротивление в неразветвленной части цепи R
0, X
0. К зажимам цепи приложено синусоидальное напряжение u = √2∙U∙sin 314t. Определить показания амперметров, активную мощность и коэффициент мощности на входе цепи.
U = 120 B; R
0 = 8 Ом; Х
0 = 6 Ом; R
1 = 16 Ом; Х
1 = -12 Ом; R
2 = 8 Ом; Х
2 = 6 Ом; R
3 = 6 Ом; Х
3 = -8 Ом; R
4 = 2 Ом.

0222tВ цепи активные и реактивные сопротивления параллельных ветвей соответственно равны R
1, X
1, R
2, X
2, R
3, X
3. Сопротивление в неразветвленной части цепи R
0, X
0. К зажимам цепи приложено синусоидальное напряжение u = √2∙U∙sin 314t. Определить показания амперметров, активную мощность и коэффициент мощности на входе цепи.
U = 120 B; R
0 = 6 Ом; Х
0 = -8 Ом; R
1 = 8 Ом; Х
1 = -6 Ом; R
2 = 16 Ом; Х
2 = 12 Ом; R
3 = 4 Ом; Х
3 = 3 Ом; R
4 = 2 Ом.

0223tВ цепи активные и реактивные сопротивления параллельных ветвей соответственно равны R
1, X
1, R
2, X
2, R
3, X
3. Сопротивление в неразветвленной части цепи R
0, X
0. К зажимам цепи приложено синусоидальное напряжение u = √2∙U∙sin 314t. Определить показания амперметров, активную мощность и коэффициент мощности на входе цепи.
U = 120 B; R
0 = 8 Ом; Х
0 = -6 Ом; R
1 = 6 Ом; Х
1 = -8 Ом; R
2 = 16 Ом; Х
2 = 12 Ом; R
3 = 3 Ом; Х
3 = 4 Ом; R
4 = 2 Ом.

0224tВ цепи активные и реактивные сопротивления параллельных ветвей соответственно равны R
1, X
1, R
2, X
2, R
3, X
3. Сопротивление в неразветвленной части цепи R
0, X
0. К зажимам цепи приложено синусоидальное напряжение u = √2∙U∙sin 314t. Определить показания амперметров, активную мощность и коэффициент мощности на входе цепи.
U = 120 B; R
0 = 3 Ом; Х
0 = 4 Ом; R
1 = 3 Ом; Х
1 = -4 Ом; R
2 = 16 Ом; Х
2 = 12 Ом; R
3 = 4 Ом; Х
3 = 3 Ом; R
4 = 2 Ом.

0225tВ цепи активные и реактивные сопротивления параллельных ветвей соответственно равны R
1, X
1, R
2, X
2, R
3, X
3. Сопротивление в неразветвленной части цепи R
0, X
0. К зажимам цепи приложено синусоидальное напряжение u = √2∙U∙sin 314t. Определить показания амперметров, активную мощность и коэффициент мощности на входе цепи.
U = 120 B; R
0 = 4 Ом; Х
0 = 3 Ом; R
1 = 4 Ом; Х
1 = -3 Ом; R
2 = 8 Ом; Х
2 = 6 Ом; R
3 = 3 Ом; Х
3 = 5 Ом; R
4 = 2 Ом.

0336tК зажимам цепи приложено периодическое несинусоидальное напряжение u = 6+√2∙100sin(ωt–15°) + √2∙25sin(3ωt–30°). Активное сопротивление в неразветвленной части цепи равно R. При основной угловой частоте ω индуктивное сопротивление равно Х
L, а емкостное — Х
С. Найти выражения от для мгновенных токов на всех участках цепи. Определить показания всех амперметров (электромагнитной системы); активную мощность на зажимах цепи.
R = 1 Ом; X
L = 1 Ом; X
C = 9 Ом.

0337tК зажимам цепи приложено периодическое несинусоидальное напряжение u = 6+√2∙100sin(ωt–15°) + √2∙25sin(3ωt–30°). Активное сопротивление в неразветвленной части цепи равно R. При основной угловой частоте ω индуктивное сопротивление равно Х
L, а емкостное — Х
С. Найти выражения от для мгновенных токов на всех участках цепи. Определить показания всех амперметров (электромагнитной системы); активную мощность на зажимах цепи.
R = 1 Ом; X
L = 3 Ом; X
C = 3 Ом.

0338tК зажимам цепи приложено периодическое несинусоидальное напряжение u = 6+√2∙100sin(ωt–15°) + √2∙25sin(3ωt–30°). Активное сопротивление в неразветвленной части цепи равно R. При основной угловой частоте ω индуктивное сопротивление равно Х
L, а емкостное — Х
С. Найти выражения от для мгновенных токов на всех участках цепи. Определить показания всех амперметров (электромагнитной системы); активную мощность на зажимах цепи.
R = 2 Ом; X
L = 2 Ом; X
C = 3 Ом.

0339tК зажимам цепи приложено периодическое несинусоидальное напряжение u = 6+√2∙100sin(ωt–15°) + √2∙25sin(3ωt–30°). Активное сопротивление в неразветвленной части цепи равно R. При основной угловой частоте ω индуктивное сопротивление равно Х
L, а емкостное — Х
С. Найти выражения от для мгновенных токов на всех участках цепи. Определить показания всех амперметров (электромагнитной системы); активную мощность на зажимах цепи.
R = 2 Ом; X
L = 1 Ом; X
C = 6 Ом.

0340tК зажимам цепи приложено периодическое несинусоидальное напряжение u = 6+√2∙100sin(ωt–15°) + √2∙25sin(3ωt–30°). Активное сопротивление в неразветвленной части цепи равно R. При основной угловой частоте ω индуктивное сопротивление равно Х
L, а емкостное — Х
С. Найти выражения от для мгновенных токов на всех участках цепи. Определить показания всех амперметров (электромагнитной системы); активную мощность на зажимах цепи.
R = 1 Ом; X
L = 2 Ом; X
C = 18 Ом.

0341tК зажимам цепи приложено периодическое несинусоидальное напряжение u = 6+√2∙100sin(ωt–15°) + √2∙25sin(3ωt–30°). Активное сопротивление в неразветвленной части цепи равно R. При основной угловой частоте ω индуктивное сопротивление равно Х
L, а емкостное — Х
С. Найти выражения от для мгновенных токов на всех участках цепи. Определить показания всех амперметров (электромагнитной системы); активную мощность на зажимах цепи.
R = 1 Ом; X
L = 6 Ом; X
C = 6 Ом.

0342tК зажимам цепи приложено периодическое несинусоидальное напряжение u = 6+√2∙100sin(ωt–15°) + √2∙25sin(3ωt–30°). Активное сопротивление в неразветвленной части цепи равно R. При основной угловой частоте ω индуктивное сопротивление равно Х
L, а емкостное — Х
С. Найти выражения от для мгновенных токов на всех участках цепи. Определить показания всех амперметров (электромагнитной системы); активную мощность на зажимах цепи.
R = 2 Ом; X
L = 3 Ом; X
C = 9 Ом.

0343tК зажимам цепи приложено периодическое несинусоидальное напряжение u = 6+√2∙100sin(ωt–15°) + √2∙25sin(3ωt–30°). Активное сопротивление в неразветвленной части цепи равно R. При основной угловой частоте ω индуктивное сопротивление равно Х
L, а емкостное — Х
С. Найти выражения от для мгновенных токов на всех участках цепи. Определить показания всех амперметров (электромагнитной системы); активную мощность на зажимах цепи.
R = 2 Ом; X
L = 1 Ом; X
C = 12 Ом.

0344tК зажимам цепи приложено периодическое несинусоидальное напряжение u = 6+√2∙100sin(ωt–15°) + √2∙25sin(3ωt–30°). Активное сопротивление в неразветвленной части цепи равно R. При основной угловой частоте ω индуктивное сопротивление равно Х
L, а емкостное — Х
С. Найти выражения от для мгновенных токов на всех участках цепи. Определить показания всех амперметров (электромагнитной системы); активную мощность на зажимах цепи.
R = 1 Ом; X
L = 9 Ом; X
C = 9 Ом.

0345tК зажимам цепи приложено периодическое несинусоидальное напряжение u = 6+√2∙100sin(ωt–15°) + √2∙25sin(3ωt–30°). Активное сопротивление в неразветвленной части цепи равно R. При основной угловой частоте ω индуктивное сопротивление равно Х
L, а емкостное — Х
С. Найти выражения от для мгновенных токов на всех участках цепи. Определить показания всех амперметров (электромагнитной системы); активную мощность на зажимах цепи.
R = 1 Ом; X
L = 9 Ом; X
C = 27 Ом.
